
SSTC от Vanyayak
Ерунда какая то, весь вечер потратил в попытках убрать выбросы, хрень какая то - перепробовал все гдт которые есть, и с 16ю витками, и с 4мя, и на большом и маленьком кольцах - рд цепочек кучу вариантов перепробовал - ни черта не помогает, есть выбросы и все тут 

А фотки можно при каких напругах какие выбросы, если можно их чуть по времени развернуть?Желательно максимально подробный фотоотчёт.Такого не бывает ищи косяки в схеме.Можно конкретную схему драйвера, задающего генератора точь в точь?Не могут 6 ucc не тянуть Миллер на холостом ходу.Да ещё как осциллограф нормальный щупы родные?Такой сигнал на обоих транзюлях, щупы подсоединины в плотную?
Ну.. как то так
Осциллограф вроде годный, к нему штатный щуп, один правда, им и смотрю, в плотную.
может.. это всё млт затвор - исток...
Осциллограф вроде годный, к нему штатный щуп, один правда, им и смотрю, в плотную.
может.. это всё млт затвор - исток...
Таксь, опять начинается поиск идеальных фронтов (у мистерио в ветке есть много про это). Вообще, идеальных фронтов достичь с GDT невозможно из-за его индуктивности. Просто смиритесь с этим. То что на картинке - весьма пригодные сигналы, почти даже идеальные! Можно попытаться сделать фронт еще острее. Если получится, то хорошо если нет, то нет.
И да, на этом пике вниз транзистор не закрывается - он там еще не открыт. Логика такова - сначала драйвер просто заряжает емкость затвора. От этого появляется первый высокий пик, но транзистор еще не открыт. Потом транзистор начинает открываться и из-за его открывания появляется тот-самый эффект миллера, который его пытается закрыть (пик вниз). Теперь драйвер заряжает уже емкость затвора + емкость миллера, поэтому фронт становится более пологим.
Вообщем, теперь нужно увеличивать напряжение на шине. Вот при 310 вольтах у тебя уже большие выбросы. Самый простой спорос их придавить - подключить двусторонний супрессор p6ke18ca параллельно затвору. Он и емкости добавит и пики срежет.
И да, на этом пике вниз транзистор не закрывается - он там еще не открыт. Логика такова - сначала драйвер просто заряжает емкость затвора. От этого появляется первый высокий пик, но транзистор еще не открыт. Потом транзистор начинает открываться и из-за его открывания появляется тот-самый эффект миллера, который его пытается закрыть (пик вниз). Теперь драйвер заряжает уже емкость затвора + емкость миллера, поэтому фронт становится более пологим.
Вообщем, теперь нужно увеличивать напряжение на шине. Вот при 310 вольтах у тебя уже большие выбросы. Самый простой спорос их придавить - подключить двусторонний супрессор p6ke18ca параллельно затвору. Он и емкости добавит и пики срежет.
Да.. спасибо за разъяснения, по устранению эффекта миллера я уже много прочитал... а двусторонний супрессор имеется, только всё равно чёрт возьми что твориться при 310...
сейчас на скорую руку сварганил на ирке задающий генератор, картинка с миллером та же =(
вход драйвера/без напруги/30 вольт напруги

Поэкспериментировал ещё раз с разными гдт, включая повышающие до 15-16 вольт напряжение на затворах - никакого эффекта, кроме как ещё сложнее нормального сигнала добиться.
Чтож ты будешь делать с этими выбросами

сейчас на скорую руку сварганил на ирке задающий генератор, картинка с миллером та же =(
вход драйвера/без напруги/30 вольт напруги



Поэкспериментировал ещё раз с разными гдт, включая повышающие до 15-16 вольт напряжение на затворах - никакого эффекта, кроме как ещё сложнее нормального сигнала добиться.



Чтож ты будешь делать с этими выбросами


Взял маленькое кольцо, намотал на нём 5 витков, проверил все ли UCC'шки участвуют в работе - Да, все, если оставить по одной микросхеме - то они будут достаточно сильно нагреваться, если вернуть все на место - то все равномерно и несильно греются.
Магнитопровод в мини гдт даже чутка нагревается... а вот сигнал.. сигнал и эффект миллера НИКАК НЕ МЕНЯЮТСЯ

Ну не может же такой пакости на затворах быть.. это ведь как то работало с внешним генератором - разряды давала, при 100 вольтах на силовой, когда там, если судить по миллеру - вообще никакие транзисторы в нормальном режиме не работали.
А они почти не грелись, а половинка моста взорвалась когда я решил перейти на обратную связь по тт, да и то, наверное, из за 1000 ом резика в цепи ос
Магнитопровод в мини гдт даже чутка нагревается... а вот сигнал.. сигнал и эффект миллера НИКАК НЕ МЕНЯЮТСЯ


Ну не может же такой пакости на затворах быть.. это ведь как то работало с внешним генератором - разряды давала, при 100 вольтах на силовой, когда там, если судить по миллеру - вообще никакие транзисторы в нормальном режиме не работали.
А они почти не грелись, а половинка моста взорвалась когда я решил перейти на обратную связь по тт, да и то, наверное, из за 1000 ом резика в цепи ос

Приехали несколько сотен 20 и 10 ом резисторов, заказаные с кучей других давным давно, будем продолжать экспериментировать.
Если кто-нибудь готов рассказать секрет как на мощных дровах, при правильно рассчитанном гдт и куче резисторов побороть эффект миллера - я был бы очень благодарен.
А то, похоже, это какой то "секрет фирмы"
Если кто-нибудь готов рассказать секрет как на мощных дровах, при правильно рассчитанном гдт и куче резисторов побороть эффект миллера - я был бы очень благодарен.
А то, похоже, это какой то "секрет фирмы"

Еще разок - с GDT побороть миллера невозможно. Можно только сделать так, чтобы он ни на что не влиял. Если совсем хочется красивых картинок, придется пройти путь misterio с изолированными дровами.
BSVi, дык я это понял, понял! Я согласен на небольшие дребезжания на осциллограмме, но чтоб они не были по амплитуде такие же, как напряжение на затворах.
ничего не выходит, даже при самых разных комбинациях, крутишь ручку сетевого питания - и миллер так же плавно увеличивается

ничего не выходит, даже при самых разных комбинациях, крутишь ручку сетевого питания - и миллер так же плавно увеличивается


Так... есть новости, привожу ниже осциллограммы с затворов одного из транзисторов, первая при обычном измерении через щуп (похоже, левый), а вторая через тот же щуп, но только используя короткую витую пару, между минусом осциллографа и истоком.

....
похоже.. нужно озадачится покупой щупов для своего GOS-6031' го


....
похоже.. нужно озадачится покупой щупов для своего GOS-6031' го
Нужно просто откалибровать щуп и мерять правильно - с земляной пружинкой. Я то что это очевидно и не стал вспоминать 

BSVi, ан нет, щуп откалиброван, меряется как всегда, с пружинкой. А вот коротенький проводок между истоком и передней клеммой земли на осцилографе - вот такой результат.. теперь все гдт и пары резисторов опять тестировать 

Хм, наоборот - очень странно. Должна была получиться еще одна земляная петля, которая еще увеличила бы количество ловимых помех. Кстати, кол-во помех легкой измерять, поставив иголку и пружинку осциллографа на один контакт транзистора.
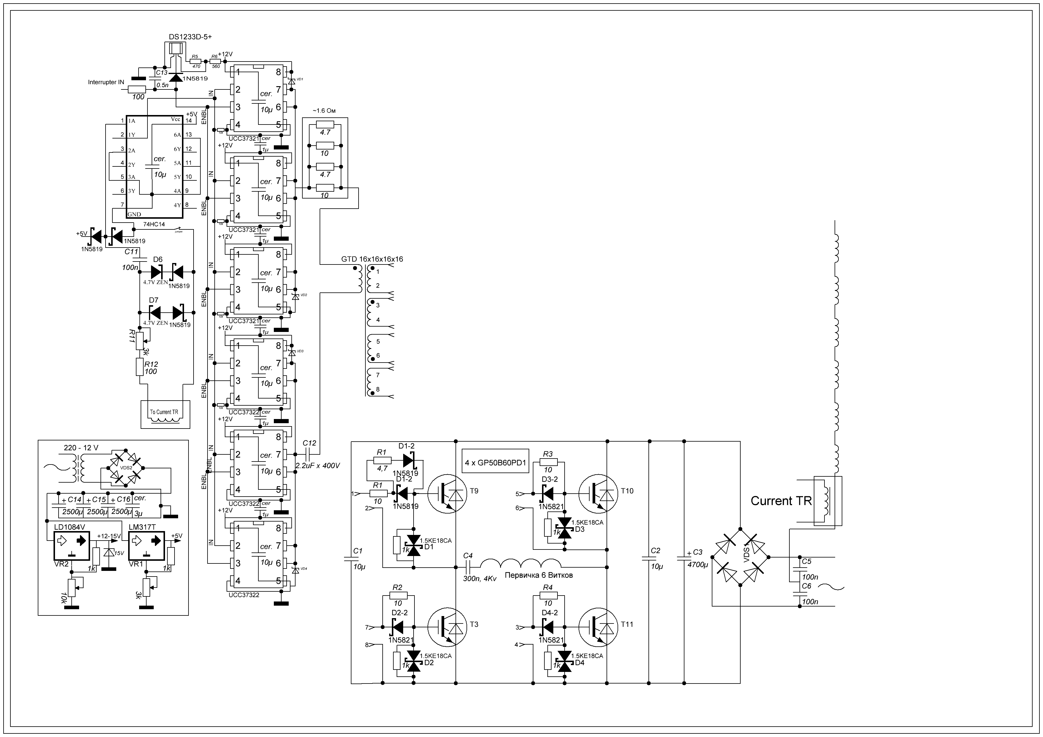
Давай запускай полумост или что там осталось от силовой.Только раздеоительный кап поставь пару микрофарад, а не300 нан.На малых оьоротах сначала, смотри что твориться в силовой и на ток первички не плохо посмотреть...Расчетная частота катушки какая?Радиатор по лучше подбери с воздушным охлождением,сопли убери,силовую пленку и tvs400 вольтовые на ноги транзисторов,силовой лит в плотную поставь и отдли это все от выпр моста предохранителем на нужный ток.На затворы тоже твс ы поставь на 18 вольт и вперед. С о.с. все нормально,генерит?
Такс, ну вот на днях добрался до катушки, восстановил вылетевшую половинку моста, 440ые твс добавил. Немного изменил R-DR цепочку в затворах, чтоб вниз сильного ухода не было, и вверх тоже. На миллера забил пока, он надоел.
Сначала проверил собранный мост на галогеновой лампочке, 220 вольт на силовой, лампочка горит, всё хорошо. (сигнал с внешнего генератора)
Собрал конструкцию на соплях, подключил вторичку, первичку, обратную связь.
Теперь ситуация такова, на 50-60 вольтах на силовой генерация запускается (с обратной полярностью ОС, к счастью - нет
), но вот в чём проблема, из за большого тора (незамкнутого) я пока выше на 2х амперном латре поднимать напругу не могу, поскольку при 50ти на силовой как раз около 2х ампер из сети кушает.
Беда в том, что нет разрядов, генерация есть, а вот что именно генерируется не ясно
различные сигнальные неонки горят, вполтную поднесённая отвертка растягивает с терминала 3х сантиметровый тёплый мост ионов 
Первича 20 см, вторичка 11, пробовал играться с высотой относительно вторички - эффекта особого нет, всё равно только горячий фитиль на вершине.
Во время работы на фитиль в отвёртку ток потребления падает до ампера. Минуты две держал этот мостик отвёрткой, минуты две просто держал под нагрузкой. В схеме спустя это время холодное всё, кроме затворных цепочек, и дросселя в фильтре питания катушки (но он скоро привыкнет, просто на такую частоту, видимо, сердечник не рассчитан)
Пока как то так, фотки будут.
Сначала проверил собранный мост на галогеновой лампочке, 220 вольт на силовой, лампочка горит, всё хорошо. (сигнал с внешнего генератора)
Собрал конструкцию на соплях, подключил вторичку, первичку, обратную связь.
Теперь ситуация такова, на 50-60 вольтах на силовой генерация запускается (с обратной полярностью ОС, к счастью - нет

Беда в том, что нет разрядов, генерация есть, а вот что именно генерируется не ясно


Первича 20 см, вторичка 11, пробовал играться с высотой относительно вторички - эффекта особого нет, всё равно только горячий фитиль на вершине.
Во время работы на фитиль в отвёртку ток потребления падает до ампера. Минуты две держал этот мостик отвёрткой, минуты две просто держал под нагрузкой. В схеме спустя это время холодное всё, кроме затворных цепочек, и дросселя в фильтре питания катушки (но он скоро привыкнет, просто на такую частоту, видимо, сердечник не рассчитан)
Пока как то так, фотки будут.
Похоже, в частоту не попадает или запускается на гармонике. Если есть осциллограф, померяйте частоту просто держа щуп на расстоянии и сравинте с расчетной для вторички.
Получилась какая то полуплавающая частота, с расчётной не очень совпадает. Прилагаю фотографии макета и осцилограммы.
Был проведён маленький эксперимент - Банка заряжалась до 200 вольт, потом понижалось до 50ти, и в то время пока в банке было 200, делал ручной энэйбл, катушка выдавала 5ти сантиметровый злой пыщь, достаточно расширяющийся. Несколько пыщей и работа на холостом ходу - греются только резисторы R -RD цепочек и дроссель в фильтре питания (достаточно ощутимо) и капельку выпрямительный мост. полумосты холодненькие.

Ах да, расчётная частота вторички без топлоада - около 450ти кГц, расчётная с текущим тороидом - не выше 260 кГц, в идеале что то между 230 - 250 кГц, в любом случае у меня ГДТ тянет от 90 до не знаю до скольки
Был проведён маленький эксперимент - Банка заряжалась до 200 вольт, потом понижалось до 50ти, и в то время пока в банке было 200, делал ручной энэйбл, катушка выдавала 5ти сантиметровый злой пыщь, достаточно расширяющийся. Несколько пыщей и работа на холостом ходу - греются только резисторы R -RD цепочек и дроссель в фильтре питания (достаточно ощутимо) и капельку выпрямительный мост. полумосты холодненькие.







Ах да, расчётная частота вторички без топлоада - около 450ти кГц, расчётная с текущим тороидом - не выше 260 кГц, в идеале что то между 230 - 250 кГц, в любом случае у меня ГДТ тянет от 90 до не знаю до скольки

Эм, а чё R d цкпочка на отдельной плате чтоль(надо делать на ногах транзюлей).Или я упорот?Есть транс обратной связи, на фото не видно.Монтаж силовой неплохо бы по аккуратнее сделать.Силовая электроника не прощает ошибок.
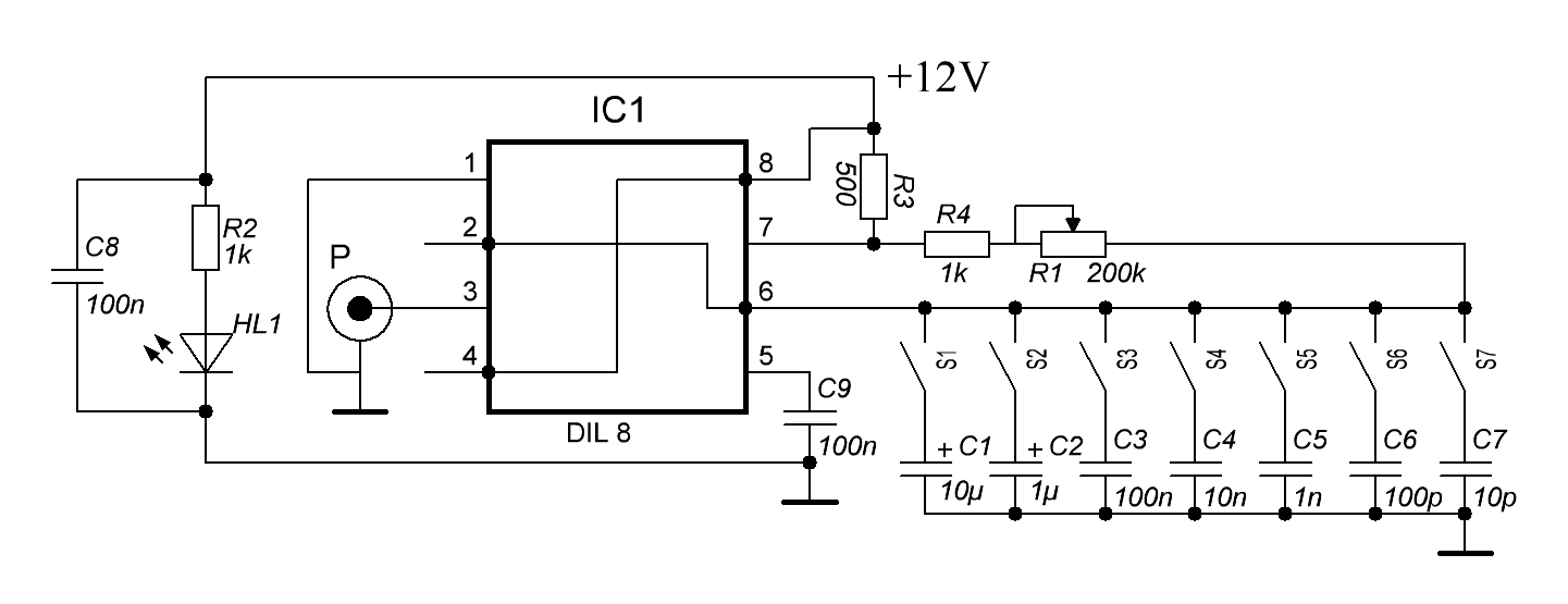
Да, на отдельной платке, потом перенесу её ближе к транзюкам. Транс обратной связи естьhttp://tqfp.org/forum/download/file.php?id=994&mode=view
А в силовой старался сделать всё максимально плотно, полумостовые модули ногами в плотную к друг - другу, сверху сразу плёночка, только TVS'ы немного на ножках отведены, это да
А в силовой старался сделать всё максимально плотно, полумостовые модули ногами в плотную к друг - другу, сверху сразу плёночка, только TVS'ы немного на ножках отведены, это да
Там виднеется что то вроде разрядного резистора затвор эмиттер,если это оно,то выкинь его нафиг и поставь вместо него затворный твс.Напаяй р д цепочку непосредственно на вывод затвора,а затем провод гдт!Пленка прилепленна хорошо,а вот 400 вольтовых твс не увидел.Отводы силовой лучше таки припаять,а не крепить крокодилами.Надеюсь разделительный кап не 300нан, а больше 1мкф.Сфотай как у тебя о.с. распологается куда и как провода идут.
ну предположим разрядные резисторы 1 кОм затвор - эмиттер выкину, затворные твс'ы стоят, яж сколько раз это говорил и показывал, с самого первого макета силовой стоят.
440ые твс чёрные отлично видны на предпоследнем фото.
Касаемо разделительного капа - пробовал 300 нан, пробовал добавлять ещё пару мкФ плёнки туда - разницы нет.
Колечко обратной связи и как оно идёт к драйверу можно увидеть вот тут, слева.

440ые твс чёрные отлично видны на предпоследнем фото.
Касаемо разделительного капа - пробовал 300 нан, пробовал добавлять ещё пару мкФ плёнки туда - разницы нет.
Колечко обратной связи и как оно идёт к драйверу можно увидеть вот тут, слева.

А что это у тебя за конденсаторы перед первичкой?
4мкф - это хорошо, а то я подумал, что у тебя там мелкая емкость 

Ёмкость со странностями в работе не связана, что с 300 нан, что с парой мкф - один резалт =(
Кто сейчас на конференции
Сейчас этот форум просматривают: нет зарегистрированных пользователей и 68 гостей