SSTC от AC/DC
Здравствуйте,я новый пользователь форума и я начинаю работу над SSTC!!!В ходе работы я буду писать и выкладывать фото и видео.Итак,в качестве катушки я буду юзать свою уже намотанную катушку (ранее была сгтц и давала 54см спарки с питанием от мота и удвоителя)Намоточные данные такие:вторичка диаметр 11см на канализационной трубе,проводом 0,32,1500 витков,высота намотки 50см.Первичка плоская,проводом 2,5мм(алюминий)8 витков(скоро перемотаю медной трубкой)Тор из 8ми см гофры,просто надет на трубу(его я тоже подумываю переделать)Силовуха-полумост на игбт(думаю это будут HGTG20n60a4d 600V 70A),ДИОДНЫЙ МОСТ на 50 ампер,конденсатор 1000мкфx400в,ну и конечно же на затворы транзисторов 5,1Ом и 1n5819 и остальная стандартная обвязка.GDT-уже купил витую пару и заказал кольцо epcos n87.Прерыватель уже сделал он элементарный,но это только на первое время,а потом покруче будет с миди(стырил у стива
) Вот касательно драйвера UCC дела ой как жутко обстоят((из уцц есть только 25600;28051;2808-01;2808-02;28950;37322D;3808-1;3808-2;3817n и еще есть ИРки;2010;2011;21012104;2106;21094;2110;2111;2112;2113;2118;2125;2127;2130;2151;51HD420;53HD420;6220;9431 и пожалуй все что может предложить мне магазин(посоветуйте что нибудь из этих микрух плиз)впринципе отсутствие у них этой микры меня и затормаживает((схема по которой я буду делать с выше перечисленными изменениями http://www.stevehv.4hv.org/SSTC5/miniSSTCfnlsch.JPG На этом пока все,жду ваших откликов
ЗЫ вот видео работы в режиме сгтц http://www.youtube.com/watch?v=6ET179F1zIU
Последний раз редактировалось AC/DC 27 апр 2013, 15:08, всего редактировалось 4 раза.
затворы транзисторов 10 Ом и 1n5819
10 ом - очень много, там 5.1 нужно ставить. Можно два по 10 ом запараллелить.
Схема, которую вы показали - для SSTC, а не для DRSSTC, для DRSSTC нужна синхронизация. Вот пример простой DRSSTC:
UCC37322 можно преобразовать в UCC37321, добавив инвертор по входу.
И да, перечитывайте свои сообщения, они очень плохо оформлены. Как вставлять картинки
10 ом - очень много, там 5.1 нужно ставить. Можно два по 10 ом запараллелить.
Схема, которую вы показали - для SSTC, а не для DRSSTC, для DRSSTC нужна синхронизация. Вот пример простой DRSSTC:
UCC37322 можно преобразовать в UCC37321, добавив инвертор по входу.
И да, перечитывайте свои сообщения, они очень плохо оформлены. Как вставлять картинки
Спасибо!хорошо,на счет резисторов я учту,а что такое инвертор по входу(если можно,схемку инвертора)?А что за фидбэк на схеме?это транс ОС который продевается через нижний провод вторички?
Схемка инвертора - это одни элемент 74hc14
Фидбек - да, трансформатор обратной связи.
а зачем на схеме три элемента 74той к минусу подключены?нельзя ли один отсоединить для уццшки?какие примерные намоточные данные у транса ОС?что за клемы ДЖАМПЕР в сил.части?есть ссылки что-бы увидеть работу устройства?куда подключать интеруптер?что ето на схеме я обозначил нипойму некак?
чем в схеме можно заменить 74HCT74?и можно ли ставить вместо 74hct14-74hc14?
74HCT74 можно поменять 74HC74. 74hct14 можно поменять на 74hc14. Кстати, это все гуглится.
ясно,спасибочки)))а как же:
AC/DC писал(а):а зачем на схеме три элемента 74той к минусу подключены?нельзя ли один отсоединить для уццшки?какие примерные намоточные данные у транса ОС?что за клемы ДЖАМПЕР в сил.части?есть ссылки что-бы увидеть работу устройства?куда подключать интеруптер?что ето на схеме я обозначил нипойму некак?
Честно-говоря, рановато с такими знаниями за дрку браться. Будут горы жженых деталей
Может, чего попроще?
может и вправду сстц для начала,а то я сам засомневался(((на мой взгляд вот эта http://www.stevehv.4hv.org/SSTC5.htm относительно простая,но я с миди хотел бы(((
Качер, строчник. Можно просто что-то не из тесел, чтобы хоть понимать, как это работает.
Я КАЧЕРОВ И СТРОЧНИКОВ ШТУК 20 СОБРАЛ.ПРИМЕРНО понимаю что к чему!!!я тут схемку набросал как ты говорил на двух ucc37322 зацени пожалуйста
AC/DC, если ещё не видели, то вот тут всё очень классно и доступно обьяснено BSVi (кстати отдельная ему за это благодарность).
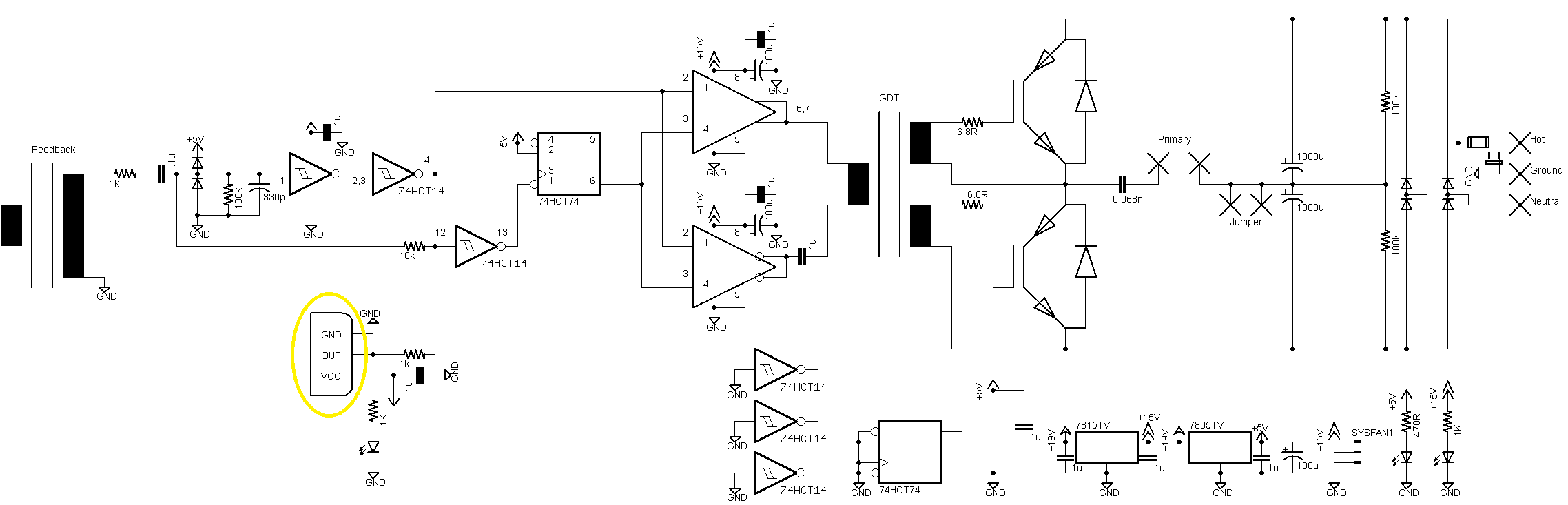
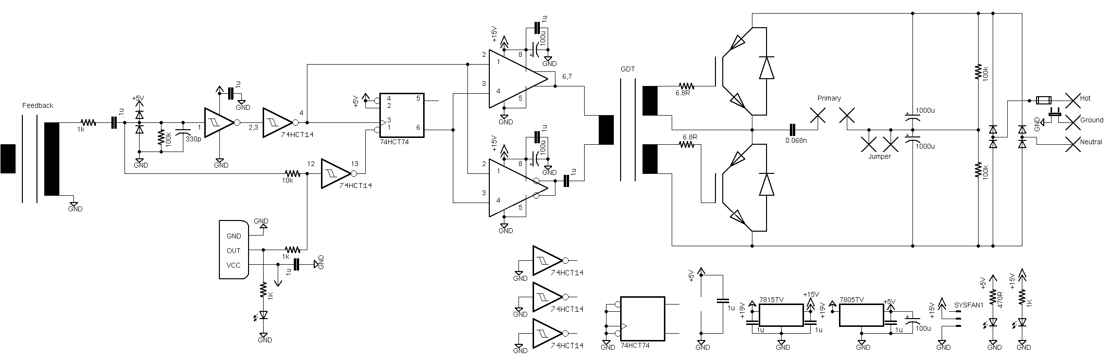
Неправильно, инвертор должен быть на входе UCC а не в enable. Поковый трансформатор должен быть на первичке, а не на вторичке. За сканированную распечатку - вообще зачет
Ну ведь можно было это в пейнте нарисовать и уменьшить в 4ре раза 
Поковый трансформатор должен быть на первичке, а не на вторичке.
Не мне, конечно, с вами спорить, но разве для ССТЦ не пофиг где ТТ стоит?
ну за качество картинки извени,кстати я вот перерисовал,так хоть правильно?
Не мне, конечно, с вами спорить, но разве для ССТЦ не пофиг где ТТ стоит?
Дык, автор заявил DRSSTC. Кстати, для DRSSTC не хватает MMC.
Да, теперь правильно.
Дык, автор заявил DRSSTC
Ну да, но:
для DRSSTC не хватает MMC.
и ещё :
может и вправду сстц для начала,а то я сам засомневался
Если SSTC, то, трансформатор ОС должен быть во вторичке.
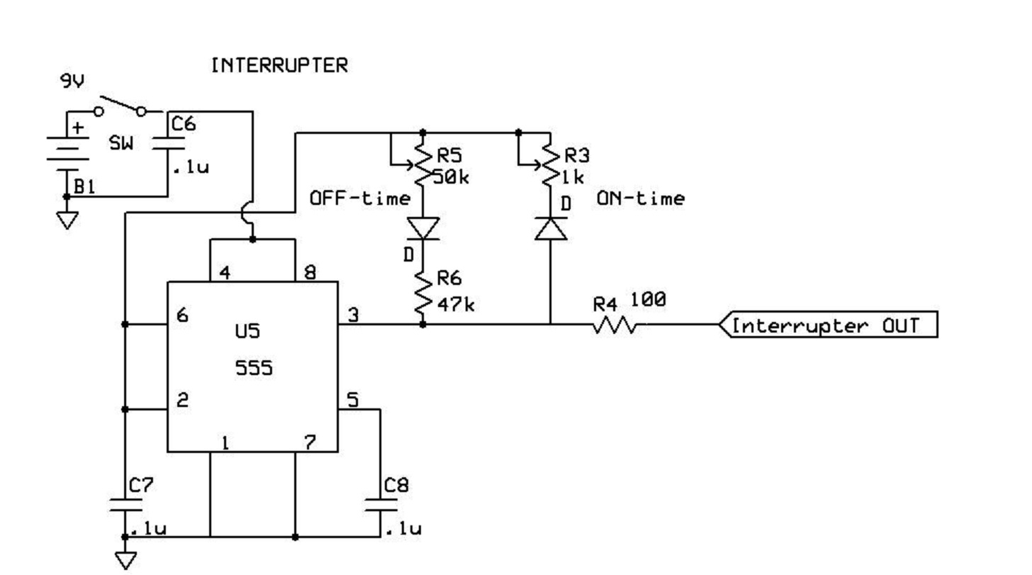
спасибо за отзывы,можете дать схемку миди прерывателя без МИКро контролеров и прочей прошиваемой и программируемой фигни.спасибки всем)))
Миди прерывтель невозможно сделать без микроконтроллера.
BSVi а вот исходя из твоего опыта и параметров моей дрки как думаешь чего можно в среднем с катухи стянуть?
Компа с LPT чтоли нет? В микроконтроллерах (в частности авр) ну нихрена страшного.
Qic у меня такого выхода нет,только юсби вга ашдиэмай аудио микрофон гнездо подзарядки и сетевые
Кто сейчас на конференции
Сейчас этот форум просматривают: нет зарегистрированных пользователей и 6 гостей