нужна помощ в разработке грамотной ПП
нужна помощ в разработке грамотной ПП
по образованию я не электронщик и не программист. а автомобилетракторостроитель . путём нелёгких усилий я разработал собрал и испытал вот такой девайс для ДВС
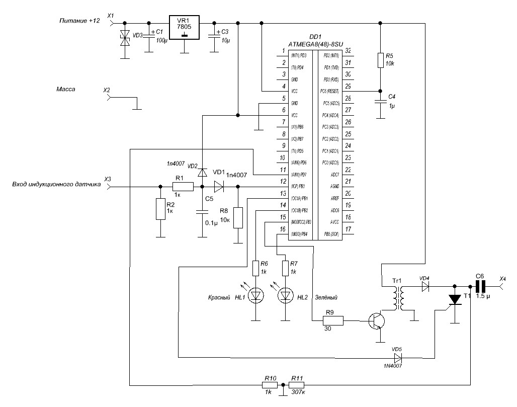
так вот на видео используется только регулятор угла опережения БЕЗ высоковольтного преобразователя. преобразователь должен выдавать не более 400 вольт у меня он выдавал 600 я ввёл обратную связь.. и.. дело до программирования не дошло потомучто уже плата стрёмная была. пора уже делать окончательный вариант. кто возьмётся помоч плату ГРАМОТНУЮ развести? и может какие косяки в схеме? так сразуб поправить. преобразователь в боевых условиях ещё не проверялся. трансформатор от зарядного от телефона.
так вот на видео используется только регулятор угла опережения БЕЗ высоковольтного преобразователя. преобразователь должен выдавать не более 400 вольт у меня он выдавал 600 я ввёл обратную связь.. и.. дело до программирования не дошло потомучто уже плата стрёмная была. пора уже делать окончательный вариант. кто возьмётся помоч плату ГРАМОТНУЮ развести? и может какие косяки в схеме? так сразуб поправить. преобразователь в боевых условиях ещё не проверялся. трансформатор от зарядного от телефона.
Re: нужна помощ в разработке грамотной ПП
Не особо понятно, для чего нужен тиристор. Наверняка имелось ввиду, что анод VD1 должен быть на земле а катод на аноде VD2, чтобы срезать отрицательное напряжение на выходе катушки. ОС тоже не будет работать если между R10 и R11 земля.
А любителей поразводить платы в свободное время ты врядле найдешь, муторное это занятие. придется самому учиться.
А любителей поразводить платы в свободное время ты врядле найдешь, муторное это занятие. придется самому учиться.
Re: нужна помощ в разработке грамотной ПП

вот структурная схема для понимания как это зажигание работает. система CDI называется.
я платы разводить и делать умею. но именно грамотно разводить чтоб где то высокое напряжение не прыгнул не пожгло проц или ещё какие то особенности ибо схема шумная я этого всего незнаю....
Re: нужна помощ в разработке грамотной ПП
ой да. в схеме обратной связи косяк. нарисовал не верно но смысл думаю ясен. на АЦП от середины а 1 ком на массу.
-
prepodobniy
- Posts: 70
- Joined: 02 Oct 2013, 14:06
Re: нужна помощ в разработке грамотной ПП
Вот без пояснений к этой картинки - это ниразу не CDI, а так больше на батарейную смахивает (как один из возможных вариантов - с транзисторным или микропроцессорным управлением , в лучшем случае можно прочесть как DC-CDI с м.к. )....ua3usy wrote:
вот структурная схема для понимания как это зажигание работает. система CDI называется.
Если по правильному , то в чистой CDI аккуммулятор можно вообще не изображать, далее в CDI должно быть - зарядная обмотка (собственно заряжающая конденсатор), и обмотка датчика (либо другое его исполнение) , в DC-CDI добавляется еще и АКБ.
В вашей картинке, единственная имеющаяся обмотка должна восприниматься как датчик (ибо иного не изображено) и следовательно вся картинка - это обычная батарейная схема (ну или одна из ее разновидностей) .
Для систем CDI и DC-CDI(в классическом понимании) , должна присутствовать обмотка заряда конденсатора (не путать с силовыми генератора) (для обеспечения возможности запуска без АКБ), и обычно обмотка индуктивного датчика...
В общем то что вы хотите сделать будет разновидность DC-CDI с микропроцессорным управлением...
Это так в качестве комментария , чтоб не вводить народ в заблуждение. Ну и вам коллега авто-тракторо-строитель как напоминание что вещи нужно своими именами называть .
Это уже так самому интересно , хоть к топику и не относится.
А нужно ли это все городить на пилот ? Да и понавесив М.К. с питанием от акб лишаетесь полезной опции - как запуск без акб или севшим... ну получишь прибавку в пару десятых от л.с. или это так просто для интереса делается?
Если не секрет а что в мегу зальешь , какой алгоритм здвига опережения ? если код не коммерческая тайна выложи , интересно посмотреть.
Re: нужна помощ в разработке грамотной ПП
мой говнокод пока стыдно показывать много бреда там. после того как сделаю нормально законченный варинант подчищю хлам выложу без проблем . ЗИД тут чисто вроли испытательного стенда. ибо больше неначем мне проверить было. зажигание конечно же ДИСИ СИДИАЙ. тоесть с высоковольным преобразователем. для людей которые сдесь обитают думаю не стоит вдаватся в подробности различий.


-
prepodobniy
- Posts: 70
- Joined: 02 Oct 2013, 14:06
Re: нужна помощ в разработке грамотной ПП
to BSVi тиристор нужен. а как еще предложишь управлять моментом зажигания ?
to ua3usy Не ну если все так серьезно , с патентами и пр.. , то подход должен быть серьезнее -
Тогда уже прикручивай -хотя бы коррекцию по датчику детонации (а иначе не вижу смысла ввязываться в микропроцессорное управление зажиганием)
если ничего не добавлять , смысл в меге ? достаточно атини ...
Далее опять, какой смысл повышать 5в с питания мк на зарядку конденсатора ?? когда имеется 12 их и бери на повышение , к тому же меньше помех будет в 5в.
по поводу транса от зарядки - доподлинно не скажу , но чует моя пятая точка , слабоват он окажется, да и возможности 7805 не безграничны (я себе как то слабо представляю хорошую систему зажигания мощностью 10 ват) . Да и вообще чтоб с трансом и конденсатором определится , тебе для начало надо бы понять сколько ты хочешь энергии в катушку вогнать , от туда и пляши .
Нет сейчас конечно выпускаются модули зажигания с "низким потреблением от коммутатора" , но они уже для других систем зажигания , по сути там не только катушка но еще и свой драйвер(свой коммутатор, им нужен только слабый сигнал от ECU) , в твоей системе они работать не будут , да и цена их весьма прилична.
Все сказанное imho.
п.с. про 10 ват , не знаю , для мопедки может и хватит, у меня то в голове сейчас совсем другие движки ....
to ua3usy Не ну если все так серьезно , с патентами и пр.. , то подход должен быть серьезнее -
Тогда уже прикручивай -хотя бы коррекцию по датчику детонации (а иначе не вижу смысла ввязываться в микропроцессорное управление зажиганием)
если ничего не добавлять , смысл в меге ? достаточно атини ...
Далее опять, какой смысл повышать 5в с питания мк на зарядку конденсатора ?? когда имеется 12 их и бери на повышение , к тому же меньше помех будет в 5в.
по поводу транса от зарядки - доподлинно не скажу , но чует моя пятая точка , слабоват он окажется, да и возможности 7805 не безграничны (я себе как то слабо представляю хорошую систему зажигания мощностью 10 ват) . Да и вообще чтоб с трансом и конденсатором определится , тебе для начало надо бы понять сколько ты хочешь энергии в катушку вогнать , от туда и пляши .
Нет сейчас конечно выпускаются модули зажигания с "низким потреблением от коммутатора" , но они уже для других систем зажигания , по сути там не только катушка но еще и свой драйвер(свой коммутатор, им нужен только слабый сигнал от ECU) , в твоей системе они работать не будут , да и цена их весьма прилична.
Все сказанное imho.
п.с. про 10 ват , не знаю , для мопедки может и хватит, у меня то в голове сейчас совсем другие движки ....
Re: нужна помощ в разработке грамотной ПП
в схеме да. косяки. просто када я её первый раз собрал там у меня ШИМ был постоянный на транзисторе и ток при 12 вольтах большой был. чтоб не переделывать прошивку я просто перекинул на 5 вольт питание и на столе получил 600 вольт. после этого уже задумался об обратной связи и рулить скважностью но как то успокоился. но вот щас потребовалось доделать проэкт. по энергетике достаточного заряжать 1мкф до 300 вольт. этого гарантированно хватит. использыватся будет на мотоцикле где катушка зажигания имеет такие же характеристики как и на моём мопеде. датчик детонации там ненужен. нужен коммутатор в котором можно корректировать момент зажигания и больше ничего. мега взята по одной причине. она у меня была в наличии и была именно на макетной плате. вообще я только мегу и мучал всегда во время своей практики в программировании микрконтроллеров. трансформатор взят опять же из того что доступно. мне до ближайшего магазина с радиодеталями 80км ехать. живу в деревне .
в электронике программировании и схемотехнике я не великий специалист.
вот ещё один род моей дейтельности . металлообработка.
кстати тоже нифига не токарь и не литейщик. все формы и приспособления делал исходя из возможностей и своему виденью процесса. ну и чтение литературы. кстати такие поршни работают очень даже хорошо испытано на больших двигателях.
в электронике программировании и схемотехнике я не великий специалист.
вот ещё один род моей дейтельности . металлообработка.
кстати тоже нифига не токарь и не литейщик. все формы и приспособления делал исходя из возможностей и своему виденью процесса. ну и чтение литературы. кстати такие поршни работают очень даже хорошо испытано на больших двигателях.
-
prepodobniy
- Posts: 70
- Joined: 02 Oct 2013, 14:06
Re: нужна помощ в разработке грамотной ПП
Ну раз транс напряжение поднимает до нужного уровня то наверно пойдет. можешь даже еще чуть приподнять , для таких вещей обычно вилка на конденсаторе 300-400 вольт норма.
от датчика детонации зря отказываешься , с ним можно смелее двигать зажигание , и в случае чего по нему скоректировать . деталь не дорогая а польза есть, тем более делаешь это для кросача и если под соревнования то вот тут я свой первый пост немного перефразирую , тут и парадесятых лс не лишними будут, а с 80 ктм я думаю не о паре десятых речь пойдет может и лошадку другую на правильном углу зажигания снимешь , а еще если датчик детонации воткнешь, то может посмелее угол и еще чуток в + получишь , а на нагрузках и разном топливе за щет корекции по датчику на поршнях сэкономишь , меньше придется вторым хобби по отливке и вытачиванию практиковаться
. ну да ладно.
по поводу программирования меги и атини - в общем код практически не будет иметь отличий . но раз вещь еденична и проще с мегой то пусть будет она . кстати о макетках - что меги 8ые что тини есть в стандартных дип корпусах которые отлично ставятся в любую прото плату , хоть беспаечную хоть в обычную с кучей отверстий и пайкой (это кстати если с разводкой не срастется как вариант , на такой собрать , заодно и в реальных условиях обкатать).
По поводу литья поршней - это конечно зачет , но если уж придираться то поршень то не совсем правильный цилиндрической формы должен быть , как с этим ?
п.с. в остальных здесь озвученных вопросах я тебе наверно уже не советник , сам с разводкой плат не очень дружу.
от датчика детонации зря отказываешься , с ним можно смелее двигать зажигание , и в случае чего по нему скоректировать . деталь не дорогая а польза есть, тем более делаешь это для кросача и если под соревнования то вот тут я свой первый пост немного перефразирую , тут и парадесятых лс не лишними будут, а с 80 ктм я думаю не о паре десятых речь пойдет может и лошадку другую на правильном углу зажигания снимешь , а еще если датчик детонации воткнешь, то может посмелее угол и еще чуток в + получишь , а на нагрузках и разном топливе за щет корекции по датчику на поршнях сэкономишь , меньше придется вторым хобби по отливке и вытачиванию практиковаться
по поводу программирования меги и атини - в общем код практически не будет иметь отличий . но раз вещь еденична и проще с мегой то пусть будет она . кстати о макетках - что меги 8ые что тини есть в стандартных дип корпусах которые отлично ставятся в любую прото плату , хоть беспаечную хоть в обычную с кучей отверстий и пайкой (это кстати если с разводкой не срастется как вариант , на такой собрать , заодно и в реальных условиях обкатать).
По поводу литья поршней - это конечно зачет , но если уж придираться то поршень то не совсем правильный цилиндрической формы должен быть , как с этим ?
п.с. в остальных здесь озвученных вопросах я тебе наверно уже не советник , сам с разводкой плат не очень дружу.
Re: нужна помощ в разработке грамотной ПП
поршень можно делать полностью цилиндричным с одним НО. если сделать правильные холодильники(на видео их нет потомучто их на фрезе делал) и все кто говорят что нельзя просто так не пробывали. мы делали цилиндрический поршень на 76 и всё отлично.а на 48мм ещё меньше расширение будет. зажигание будет на яву 650 кубвую с мотором БМВ одноцилиндровая такая дура. там родной коммутатор режет максимаьные обороты завалом угла опережения вот и хочется человеку уголочек подправить. мега не дорогая можно и на ней собирать. а вообще хочется мелкой серией в будущем сделать эти коммутаторы на китайские мопеды.
Re: нужна помощ в разработке грамотной ПП
По поводу разводки плат - попробуй разводить сам и выкладывать результат сюда. Критиковать все любят.. раза с третьего получится достойная плата..
-
prepodobniy
- Posts: 70
- Joined: 02 Oct 2013, 14:06
Re: нужна помощ в разработке грамотной ПП
ua3usy Вот тут еще глянь может что интересное подглядишь ....
Re: нужна помощ в разработке грамотной ПП
Если не секрет, зачем регистрировать недоделанную программу?
Я никогда не имел дела с зажиганием и не знал, что после конденсатора стоит катушка. Думал, что катушка - tr1to BSVi тиристор нужен. а как еще предложишь управлять моментом зажигания ?
Вот это - хорошая подсказка.По поводу разводки плат - попробуй разводить сам и выкладывать результат сюда. Критиковать все любят.. раза с третьего получится достойная плата..
Re: нужна помощ в разработке грамотной ПП
BSVi wrote:Если не секрет, зачем регистрировать недоделанную программу?
дак смотря какое зажигание считать доделанным. я регистровал чисто формирователь угла. который представлен на видео. успешно его испытал покатался. потом возникла задача сделать зажигание с преобразователем вот там прогу и пришлось допиливать. основная суть не изменилась. рулит моментом искрообразования. а бумага нужна была для институтских дел. но увы поздно она у меня на руках появилась и дело не удалось(((
Re: нужна помощ в разработке грамотной ПП
жаль никто не поможет нарисовать. ибо сам я криворук в печатных платах. ((((
Re: нужна помощ в разработке грамотной ПП
Сейчас у меня закончилась лицензия на альтиум. В начале следющей недели обещали выдать новую. В честь этого, я могу развести плату в живую на видеовстрече которая будет 27ого октября. При этом обязательно ваше живое присутствие на встерче. Пойдет?жаль никто не поможет нарисовать. ибо сам я криворук в печатных платах.
Re: нужна помощ в разработке грамотной ПП
ЕЩЁ КАК ПОЙДЁТ!! первая встреча была очень хороша!
Re: нужна помощ в разработке грамотной ПП
прям сильно рад!!!!
видеовстреча опять буедт на ютубе?
Re: нужна помощ в разработке грамотной ПП
Встреча на гугл плюс, а оттуда она транслируется на ютуб.
Re: нужна помощ в разработке грамотной ПП
немного поправил схему. вывел провода для программатора и на всякий случай уарт может освою его программирование буду карты редактировать без программатора. скажите ещё косяки на схеме.
Re: нужна помощ в разработке грамотной ПП
элетронщики . подскажите правильно ли реализован преобразователь и какой транзистор туда впихнуть? ибо я то впаивал что на столе нашёл. и какой резистор ? чтоб он в ключевом режиме не грелся (радиатора не будет) а ещё будет ли программатору мешать?
Re: нужна помощ в разработке грамотной ПП
У тебя прямоходовый преобразователь получился? Я когда экспериментировал с системами зажигания, по ряду причин делал обратноход. Возможно и твоя схема вполне рабочая. Транзистор лучше взять MOSFET. Выбери с меньшим сопротивлением канала, и с подходящим током.
Еще момент: чтобы мосфет не грелся - ему нужен драйвер. Либо спец. микросхема, либо, на худой конец, два транзистора небольших.
Программироваться атмега будет, но и высокое напряжение тоже появится. Может установить джампер перед резистором?
Еще момент: чтобы мосфет не грелся - ему нужен драйвер. Либо спец. микросхема, либо, на худой конец, два транзистора небольших.
Программироваться атмега будет, но и высокое напряжение тоже появится. Может установить джампер перед резистором?
Re: нужна помощ в разработке грамотной ПП
как видно на схеме я на программирующий порт вывел питание контроллера. а трансформатор запитан от 12 вольт. поидее он уже дёргатся не будет при программировании. я слабо понимаю в преобразователях. данная схема родилась путём соединения всего что я нашёл у себя на столе. я живу в деревне и купить нормальные компоненты мне не возможно. а тут открыл ящик смотрю зарядка от мобилки. вытащил транс. кой то бу транзистор нашёл. не полевой даже. припаял. сделал в программе дёрганье ножкой. но схема потребляла при 12 волтах много и я её переключил на 5 вольт. получил 600 вольт на кондёре. дальше эксперементировать не стал ибо знаний в этой области немного. а хочется сделать правильно.
Re: нужна помощ в разработке грамотной ПП
http://forum.diyefi.org/viewtopic.php?f=70&t=964
вот почитай, мои пол года страданий
Может почерпнешь что-нибудь интересное ) Там где-то с 8 страницы начинается практика
вот почитай, мои пол года страданий