Вопрос — Ответ

Обсуждение общих вопросов, связанных с трансформаторами Тесла.
ACKET
Сообщения: 4

Сообщение ACKET » 22 май 2016, 12:32

BSVi писал(а):
Может кто видел такое подскажите откуда

Скорее-всего, плохие конденсаторы в питании, длинные провода, или прострелы между транзисторами.

Небыло возможности зайти, работой завалили. В общем я склоняюсь к идее с конденстором, я читал одну из ваших статей и наткнулся на упоминание так называемых "игл" которые дают электролиты в момент переключения транзисторов. Обнаружил что по какойто причине в схеме которую я пытался скопировать просто не было пленочного конденсатора в паралели электролитам. Я впаял бывший у меня под рукой К73-17 но эффекта не обнаружил. Подскажите я думаю вверном направлении и мне просто нужно купить K78-2 или аналоги?

Rabby
Сообщения: 177
Откуда: Tel Aviv

Сообщение Rabby » 22 май 2016, 22:23

Шалом.
Нигде не могу найти номинал R4 в схеме SI ,что бы задействовать оптический выход.Судя по схеме там перемычка покатит,или всё таки нужно сопротивление?

Аватара пользователя
BSVi
Адепт
Сообщения: 3576
Откуда: Киев

Сообщение BSVi » 23 май 2016, 07:47

Резистор - 120 ом

Hmaker
Сообщения: 36

Сообщение Hmaker » 24 май 2016, 18:36

Друзья!
Помогите разобраться таки с корректором фазы.

Pit11
Сообщения: 4

Сообщение Pit11 » 25 май 2016, 09:33

Привет, всем. Сейчас смешной вопрос задам.
Сделал СС, заработала. Захотелось большего, заказал у ребят SI. Прислали оперативно, спасибо! Заработало.
Захотелось большего. Сделал ДР. Схема, как в статье "Моя DRSSTC" Ура, заработало. Кошка в шоке :).
Есть беда. Конструктивно выполнил в 2-х корпусах от комповых блоков питания. Стоят друг на друге. В нижнем драйвер, в верхнем силовая. Сама катушка сверху, на отдельных стойках 4 см., то есть, достаточно высоко. (блин, пишу с работы, жалею, что фотку не сделал дома). Корпуса блоков притянуты на виртуальную землю.
При ВЫКЛЮЧЕНИИ штатным выключателем, расположенным на нижнем корпусе, часто вылетает одиночный стример. И прилетает, естественно, в лысину. БУМ! ОЙ! А если в глаз прилетит? :)
Приходится далеко тянутся рукой до выключателя.
Вот как можно эту проблему грамотно решить?

Firelander
Сообщения: 93

Сообщение Firelander » 25 май 2016, 12:17

Сделать раздельное питание силовухи и драйвера. Выключать питание силовухи, затем запускать теслу чтобы она сожрала конденсаторы. Ещё можно попробовать на выход интерраптера повесить резистор на землю в пару килоом. Но там вопрос в конструкции драйвера.

i_slayer
Сообщения: 111
Откуда: Україна, Івано-Франківськ

Сообщение i_slayer » 25 май 2016, 12:54

поставить разрядной резистор 200-300 Ком на конденсаторы или выключать не выключателем а шнуром с розетки :)

Pit11
Сообщения: 4

Сообщение Pit11 » 25 май 2016, 22:07

Питание силовой 220, драйвер - трансформатор, кренки 5 и 15 в, пленки, литы.
Интерраптер подтянут на землю через 1.5 ком.
Стоит разрядный резистор на 100 ком.
Самое интересное, что на СС катушке такого эффекта нет. А на ДР есть. Хотя питание организовано одинаково.

koch
Сообщения: 56
Откуда: Томск

Сообщение koch » 26 май 2016, 09:44

Pit11 писал(а):Вот как можно эту проблему грамотно решить?


Нужно схему смотреть, дело в драйвере. Где-то изменяется логическое состояние при снижении питания и разрешает работу драйверу. Драйвер запитай отдельно без силовой, посмотри осциллографом линию сигнала прерывателя и логику которая с ним работает. Повтори отключение питания и смотри что происходит с линией, не меняется ли состояние с 0 на 1 (в зависимости от схемы), там уже найдешь косяк.

Pit11
Сообщения: 4

Сообщение Pit11 » 26 май 2016, 12:15

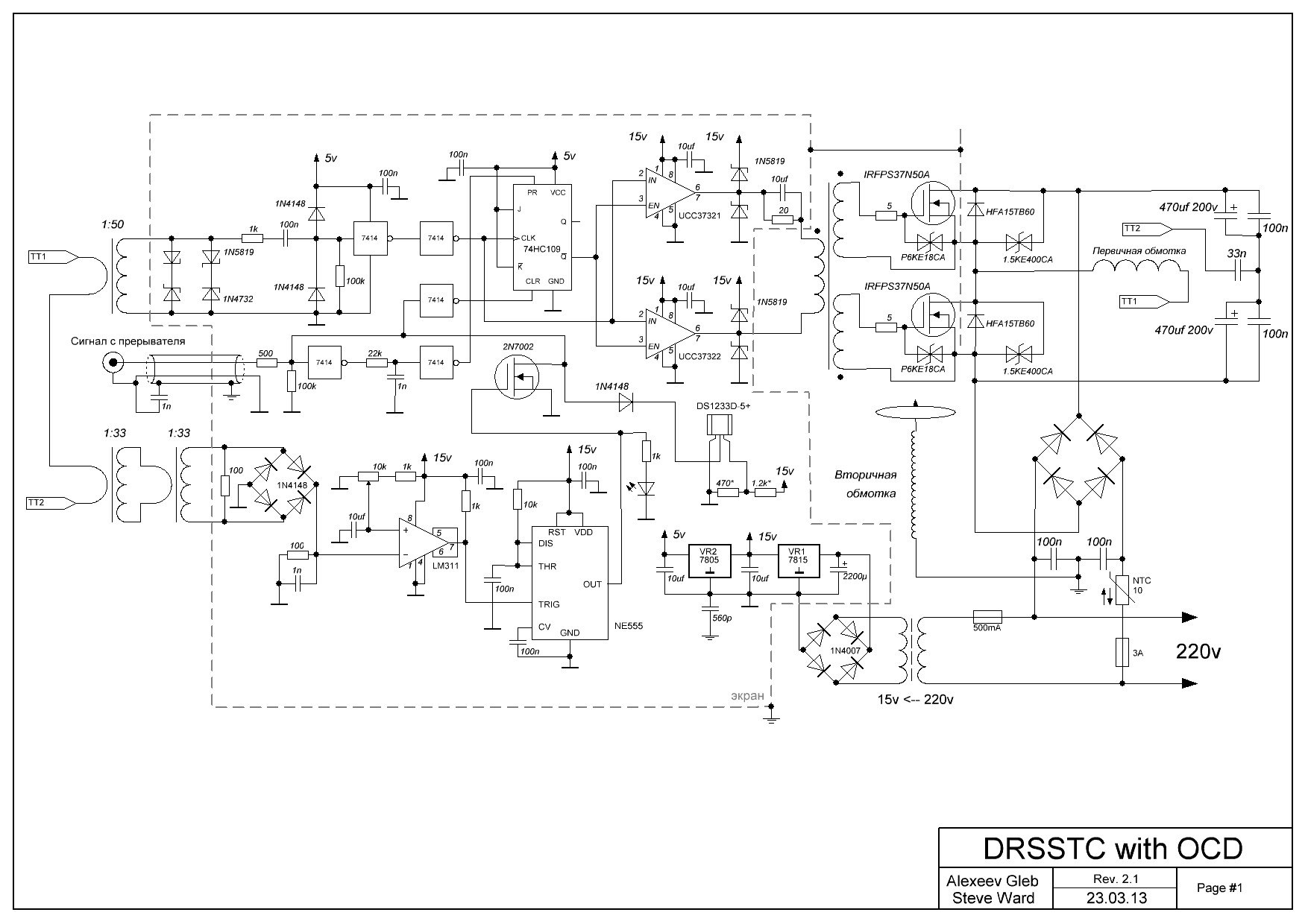
Схема драйвера вот такая (силовая другая немного):
download/file.php?id=610&mode=view
Единственное, добавлен резистор на 1.5 ком, приземляющий вход прерывателя.
Без него катушка при отключеном прерывателе запускалась в CW.
Блин, с СС-кой дома ковырялся, а с ДР-кой жена в гараж выселяет :)...

R2R
Сообщения: 200
Откуда: Калуга

Сообщение R2R » 28 май 2016, 15:38

Доброго времени суток! У меня вопрос про сигнал обратной связи в ДРССТЦ. Т.к. катушка раскачивается пачками импульсов, то на выходе трансформатора ОС будет пачка синусоидальных волн с разной амплитудой. Во сколько раз максимальная амплитуда может быть больше минимальной и на какое напряжение рассчитывать элементы для обработки сигнала ОС?

Аватара пользователя
BSVi
Адепт
Сообщения: 3576
Откуда: Киев

Сообщение BSVi » 28 май 2016, 21:54

И прилетает, естественно, в лысину. БУМ! ОЙ!

А интерраптер подключен проводом? Экранированным?

Во сколько раз максимальная амплитуда может быть больше минимальной и на какое напряжение рассчитывать элементы для обработки сигнала ОС?

Все сильно зависит от конкретной теслы и токового трансформатора, который с ней используется. Фактически его витками можно добиться любого напряжения.

R2R
Сообщения: 200
Откуда: Калуга

Сообщение R2R » 28 май 2016, 22:31

Все сильно зависит от конкретной теслы и токового трансформатора, который с ней используется. Фактически его витками можно добиться любого напряжения.

Для того, чтобы запустилась генерация, отклик на 1 импульс должен быть не меньше некоторого минимального значения, например 5 В. А может быть такое, что если идет накачка пачками по 10 импульсов, то с ТТ получим 50 В, а если по 100 - 500 В? Не могу себе представить, как сделать такой ТТ, чтобы детектировался отклик на один импульс при питании катушки пониженным напряжением (отладка и настройка при первых запусках) и не получить при этом 500-1000 В на выходе ТТ при запуске на полной мощности (ставить CBB-81 на 1600 В в RC предиктор как-то не хочется) .

Аватара пользователя
BSVi
Адепт
Сообщения: 3576
Откуда: Киев

Сообщение BSVi » 29 май 2016, 07:17

Ну, вот в вашем примере разница в 100 раз. Можно отмасштабировать сигнал так, чтобы напряжение было от 50мв до 5в - та-же разница. На деле, если речь идет о DRSSTC, диапазон напряжений намного меньше, раз в 10-20. Но, если делаете RC предиктор, то я бы действительно сделал напряжение побольше и поставил высоковольтный конденсатор. Если речь о QCW с высокой добротностью, то тут уже минимальное напряжение не позволяет так просто запуститься, поэтому, у нас в SimpleDriver запуск начинается от генератора, а, потом, система переключается на работу от обратной связи.

i_slayer
Сообщения: 111
Откуда: Україна, Івано-Франківськ

Сообщение i_slayer » 29 май 2016, 07:43

всем привет
для работы полного моста нужен один гдт с 5-я обмотками или два с 3-я, если 2 гдт, то как их подключать и в чем разница?
спасибо.

Аватара пользователя
BSVi
Адепт
Сообщения: 3576
Откуда: Киев

Сообщение BSVi » 29 май 2016, 08:13

Подключать как два полумоста в противофазе. Тесть, вторичные обмотки к транзисторам в противофазе, и первички тоеж в противофазе. Разница в сниженной в двое индуктивности рассеяния, плюс, возможность контролировать каждый полумост отдельно.

i_slayer
Сообщения: 111
Откуда: Україна, Івано-Франківськ

Сообщение i_slayer » 29 май 2016, 11:09

ну... можно и с одним кольцом?

а если 2 кольца то выход драйвера параллельно к 2-м обмоткам на 2-х кольцах... правильно

спасибо.

Pit11
Сообщения: 4

Сообщение Pit11 » 29 май 2016, 23:39

BSVi писал(а):
И прилетает, естественно, в лысину. БУМ! ОЙ!

А интерраптер подключен проводом? Экранированным?

Ага. Провод USB принтерный. Экран заземлен.

7off
Сообщения: 7

Сообщение 7off » 31 май 2016, 10:37

Всем здрасте!!! Я новичок так, что не судите строго :)
Подскажите пожалуйста. Если прерыватель задает частоту приблизительно 200 KHz, то первичный и вторичный контур обмоток должен быть тоже рассчитаны на 200 KHz ??? (на какие частоты рассчитывать первичку и вторичку для SSTC?)

Аватара пользователя
iEugene0x7CA
Адепт
Сообщения: 1571
Откуда: Киев

Сообщение iEugene0x7CA » 31 май 2016, 15:56

7off писал(а):Всем здрасте!!! Я новичок так, что не судите строго :)
Подскажите пожалуйста. Если прерыватель задает частоту приблизительно 200 KHz, то первичный и вторичный контур обмоток должен быть тоже рассчитаны на 200 KHz ??? (на какие частоты рассчитывать первичку и вторичку для SSTC?)

Ух. :)

Изображение

Но если новчиок — постараюсь ответить:
1. Частота генерируется обратной связью, она всегда настроена на частоту катушки;
2. Частота в SSTC зависит только от параметров вторички, высчитывание полюсов и прочее — это в DRSSTC;
3. Прерыватель обычно работает в слышимом диапазоне, он включает и выключает работу катушки, дабы создавать звуковые эффекты, форму разряда и прочее.

Как-то так. ;)

7off
Сообщения: 7

Сообщение 7off » 01 июн 2016, 10:17

iEugene0x7CA спасибо за ответ.

Частота в SSTC зависит только от параметров вторички


То есть вторичку можно делать любых размеров, главное что бы она была настроена в резонанс с первичкой?

Аватара пользователя
iEugene0x7CA
Адепт
Сообщения: 1571
Откуда: Киев

Сообщение iEugene0x7CA » 01 июн 2016, 15:05

7off писал(а):То есть вторичку можно делать любых размеров, главное что бы она была настроена в резонанс с первичкой?

У первички SSTC нет резонанса, он есть в DRSSTC, где последовательно с первичкой ещё стоит кап, образуя в итоге колебательный контур.
Не нужно никаких резонансов, первичка строится так, чтобы был годный коэф. связи и чтобы при этом не пробивало. ;)

kruger
Сообщения: 17

Сообщение kruger » 04 июн 2016, 15:42

Насколько опасен разряд стриммера в землю на SSTC? Нигде не могу найти данных насколько ток через ключи может скакнуть относительно штатного режима работы.

Аватара пользователя
iEugene0x7CA
Адепт
Сообщения: 1571
Откуда: Киев

Сообщение iEugene0x7CA » 04 июн 2016, 16:22

kruger писал(а):Насколько опасен разряд стриммера в землю на SSTC? Нигде не могу найти данных насколько ток через ключи может скакнуть относительно штатного режима работы.

У SSTC очень низкая добротность и при выстреле в землю скорее всего просто сорвётся генерация. Запустится со следующим фронтом от прерывателя.
Хотя, видел системы и с поддержанием генерации, в таком случае ток хорошо скакнёт, по земле лучше не стрелять. ;)

kruger
Сообщения: 17

Сообщение kruger » 04 июн 2016, 16:28

вопрос в догонку, сигнал ocd напрямую на enаble кидать, или синхронизировать фо фронту ОС?
Хотя, видел системы и с поддержанием генерации

внешний генератор с подстройкой частоты?

и ещё вопросец, чёт туплю совсем
 
и ещё вопросец, чёт туплю совсем, блокирующий постоянку конденсатор в полумосте - насколько понимаю процесс его роль выполняет одно из плеч каподелителя?

собственно это так и есть, затупил.

Вернуться в «Трансформаторы Тесла»



Кто сейчас на конференции

Сейчас этот форум просматривают: нет зарегистрированных пользователей и 12 гостей