Вопрос — Ответ
Re: Вопрос — Ответ
Почитал "изготовление тороида для теслы методом гальванопластики" http://bsvi.ru/izgotovlenie-toroida-dly ... oplastiki/
Там тороид изготавливался из двух половинок,
возник вопрос,
а что если сделать его цельным? внутри тороида будет не пустота а например пластик/пенопласт?
Как это скажется на работу теслы?
Там тороид изготавливался из двух половинок,
возник вопрос,
а что если сделать его цельным? внутри тороида будет не пустота а например пластик/пенопласт?
Как это скажется на работу теслы?
Re: Вопрос — Ответ
Всем привет,очень давно не занимался теслой,вот недавно захотелось ,набросал схему полумост Drки проверьте на ошибки https://cloud.mail.ru/public/ERox/ibkX7DLLD
Re: Вопрос — Ответ
Вторичные обмотки ГДТ должны быть в противофазе. 1N4148 лучше заменить на что-нибудь с большим пиковым током, например, 1N5819. Супрессор желательно не ставить - увеличивает нагрузку на драйвер и ухудшает фронты сигнала, при хорошем монтаже звон будет допусимым. А что там стоит параллельно 1.5KE18CA? В силовой надо либо соединить среднюю точку электролитов со средней точкой пленок, либо просто поставить электролиты параллельно. Сами пленки можно пожирнее - вместо 1 мкФ взять 10 мкФ. Искусственное заземление делается по-другому - между нулем и фазой ставится последовательно 2 Y2 конденсатора, а на среднюю точку заземляется вторичка катушки.Roman_90 wrote:Всем привет,очень давно не занимался теслой,вот недавно захотелось ,набросал схему полумост Drки проверьте на ошибки https://cloud.mail.ru/public/ERox/ibkX7DLLD
Re: Вопрос — Ответ
да 1.5ке 18САR2R wrote:Вторичные обмотки ГДТ должны быть в противофазе. 1N4148 лучше заменить на что-нибудь с большим пиковым током, например, 1N5819. Супрессор желательно не ставить - увеличивает нагрузку на драйвер и ухудшает фронты сигнала, при хорошем монтаже звон будет допусимым. А что там стоит параллельно 1.5KE18CA? В силовой надо либо соединить среднюю точку электролитов со средней точкой пленок, либо просто поставить электролиты параллельно. Сами пленки можно пожирнее - вместо 1 мкФ взять 10 мкФ. Искусственное заземление делается по-другому - между нулем и фазой ставится последовательно 2 Y2 конденсатора, а на среднюю точку заземляется вторичка катушки.Roman_90 wrote:Всем привет,очень давно не занимался теслой,вот недавно захотелось ,набросал схему полумост Drки проверьте на ошибки https://cloud.mail.ru/public/ERox/ibkX7DLLD
Re: Вопрос — Ответ
Тебя спрашивали, что стоит параллельно супрессорам 1.5ke18са.Roman_90 wrote: да 1.5ке 18СА
Выбрасывай нафиг те 2 диода что друг напротив друга в затвор-эммитере стоят.
Re: Вопрос — Ответ
Это 2 стабилитронаPigball wrote:Тебя спрашивали, что стоит параллельно супрессорам 1.5ke18са.Roman_90 wrote: да 1.5ке 18СА
Выбрасывай нафиг те 2 диода что друг напротив друга в затвор-эммитере стоят.
Re: Вопрос — Ответ
Вот немного подредактировал посмотрите пожалуйста https://cloud.mail.ru/public/ERox/ibkX7DLLD
Re: Вопрос — Ответ
Что то не посмотрел и не ту файл выложил, https://cloud.mail.ru/public/9JB9/8CAWAfZB5 проверьте вроде бы теперь правельно
- iEugene0x7CA
- Адепт
- Posts: 1571
- Joined: 20 May 2012, 02:38
- Location: Киев
Re: Вопрос — Ответ
Эхей, я тут был в небольшой поездочке и только вернулся. Не скучали? 
Для 10 см вторки вообще, наверное месяц уйдет.
Касательно предположения — думаю торчик с пластиком внутри будет работать нормально, главное чтобы форма у него была хорошей и на пластик никак не коронило.
Если хоть часть его обуглится — вероятно таковой начнет тлеть вовнутрь.
Кстати идейка — на торчике с пенопластом внутри можно просверлить отверстие и залить туда ацетон, он съест весь пенопласт и тот буквально вытечет наружу.
Фишка конденсаторов в том, что они спасают от коротыша если один из ключей пробьет. В DRSSTC же постоянка автоматом обрезается конденсаторами MMC.
Так же они нужны чтобы собственно выкачивать с них ток для создания обратного тока, т.е. генерации переменки. В DR'ках для этого так же достаточно MMC.
Еще, для виртуального заземления я бы не стаю юзать капы более 4.7 нФ, не могу прочитать что там на схемке. В идеале типа Y1.
Могу точно сказать, что изготовление тороида методом гаьванопластики — пипец какой геммор, прикинь 2 недели бурлить кислоту в ведре дабы получить торчик на вторку 5 см в диаметре.mir546 wrote:Почитал "изготовление тороида для теслы методом гальванопластики" http://bsvi.ru/izgotovlenie-toroida-dly ... oplastiki/
а что если сделать его цельным? внутри тороида будет не пустота а например пластик/пенопласт?
Как это скажется на работу теслы?
Для 10 см вторки вообще, наверное месяц уйдет.
Касательно предположения — думаю торчик с пластиком внутри будет работать нормально, главное чтобы форма у него была хорошей и на пластик никак не коронило.
Если хоть часть его обуглится — вероятно таковой начнет тлеть вовнутрь.
Кстати идейка — на торчике с пенопластом внутри можно просверлить отверстие и залить туда ацетон, он съест весь пенопласт и тот буквально вытечет наружу.
MMC и первичку можно сразу на землю пустить от центральной точки полумоста.Roman_90 wrote:Что то не посмотрел и не ту файл выложил, https://cloud.mail.ru/public/9JB9/8CAWAfZB5 проверьте вроде бы теперь правельно
Фишка конденсаторов в том, что они спасают от коротыша если один из ключей пробьет. В DRSSTC же постоянка автоматом обрезается конденсаторами MMC.
Так же они нужны чтобы собственно выкачивать с них ток для создания обратного тока, т.е. генерации переменки. В DR'ках для этого так же достаточно MMC.
Еще, для виртуального заземления я бы не стаю юзать капы более 4.7 нФ, не могу прочитать что там на схемке. В идеале типа Y1.
Re: Вопрос — Ответ
А интересно почему не более 4.7 нФ?iEugene0x7CA wrote: Еще, для виртуального заземления я бы не стаю юзать капы более 4.7 нФ, не могу прочитать что там на схемке. В идеале типа Y1.
-
ProstoSergey
- Posts: 14
- Joined: 16 Oct 2017, 12:01
Re: Вопрос — Ответ
Добрый день. В университете занимаюсь постройкой полумостовой SSTC. Но после первого включения результат оказался нулевой, поле вокруг катушки очень слабое (и сконцентрировано примерно по средине вторички - проверяли неоновой лампочкой). Грешу на само колечко GDT, прерыватель (будет переделываться, пока собран на 555), и обратную связь (антенка - будет переделана под тт). Собственно сам вопрос, помогите выбрать ферритовые кольца подходящие для GDT и ТТ в этом магазине: https://www.nikom.biz/index.php?globo=A&kod_tovar=179
(Самому подобрать не хватает знаний(((( даташитов по данным кольцам не нашел, а других магазинов рядом нету)
С уважением!
(Самому подобрать не хватает знаний(((( даташитов по данным кольцам не нашел, а других магазинов рядом нету)
С уважением!
- iEugene0x7CA
- Адепт
- Posts: 1571
- Joined: 20 May 2012, 02:38
- Location: Киев
Re: Вопрос — Ответ
Один из этих конденсаторов подключен к нулю, что нас собственно устраивает, но второй подключается к фазе.SeregaFox wrote:А интересно почему не более 4.7 нФ?
Через 4.7 nF много току не протечет, но если например поставить 1 uF пленки — с такой виртуальной земли кого-то и прибить может.
Вот этот самый подходящий: https://www.nikom.biz/index.php?globo=A&info=A179019ProstoSergey wrote:помогите выбрать ферритовые кольца подходящие для GDT и ТТ в этом магазине: https://www.nikom.biz/index.php?globo=A&kod_tovar=179
Материал P4 и размеры удобные. Не знаю чего его в серый разукрасили на картинке, должен быть и в описании сказано, что зеленый.
-
ProstoSergey
- Posts: 14
- Joined: 16 Oct 2017, 12:01
Re: Вопрос — Ответ
Спасибо за помощь)iEugene0x7CA wrote:Вот этот самый подходящий: https://www.nikom.biz/index.php?globo=A&info=A179019
Материал P4 и размеры удобные. Не знаю чего его в серый разукрасили на картинке, должен быть и в описании сказано, что зеленый.
-
Poznajuschij
- Posts: 223
- Joined: 25 Nov 2014, 10:06
Re: Вопрос — Ответ
Вопрос к спецам, кто знает продаётся ли что то, что может генерировать и плавно регулировать ВЧ-СВЧ излучение по частоте и мощности? И в каких диапазонах?
Например от 1 МГц до 1 ГГц или от 1 ГГц до 30 ГГц... В общем куда вообще смотреть, на какие аппараты?
Например от 1 МГц до 1 ГГц или от 1 ГГц до 30 ГГц... В общем куда вообще смотреть, на какие аппараты?
Re: Вопрос — Ответ
Посоветуйте схему для первой SSTC с питанием 220V
Re: Вопрос — Ответ
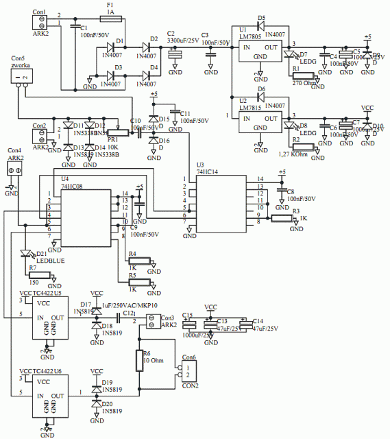
Это што такое? о_О
Обычно, большинство начинают со схемы Стива Варда https://www.stevehv.4hv.org/SSTC5/miniSSTCfnlsch.JPG
Обычно, большинство начинают со схемы Стива Варда https://www.stevehv.4hv.org/SSTC5/miniSSTCfnlsch.JPG
Re: Вопрос — Ответ
шо-шо,тот же драйвер стива,только вместо уцц тс4422+74hc08
Re: Вопрос — Ответ
Схема какая-то сложная для восприятияRabby wrote:DRIVERSCH.gif
Re: Вопрос — Ответ
Это 110в ,мне нужно 220вsuper_bum wrote:Это што такое? о_О
Обычно, большинство начинают со схемы Стива Варда https://www.stevehv.4hv.org/SSTC5/miniSSTCfnlsch.JPG
Re: Вопрос — Ответ
А ты запусти ее от 40 В для начала - после этого отпадут все лишние вопросы.Tetriss wrote:Это 110в ,мне нужно 220вsuper_bum wrote:Это што такое? о_О
Обычно, большинство начинают со схемы Стива Варда https://www.stevehv.4hv.org/SSTC5/miniSSTCfnlsch.JPG
Re: Вопрос — Ответ
Кто-нибудь запитывал теслу от умножителя? Или это мазахизм?