2xFull-Bridge QCW DRSSTC от MuratovAS

Обсуждение общих вопросов, связанных с трансформаторами Тесла.
Аватара пользователя
MuratovAS
Сообщения: 8

Сообщение MuratovAS » 07 авг 2016, 21:27

YZMGm2W5Rc0.jpg

Приветствую всех! Хочу рассказать о своей QCW DRSSTC и немного о основных моментах и “подводных камнях”, о которых по какой-то причине нет даже упоминаний.
максимальный разряд 2м (от сети 240в) на накачке 19м, бпс 1герц

 фото и видео разрядов
S6BXy8PvxbY.jpg
K0cbj6HLz48.jpg
11 (Time 0_01_01;02).jpg


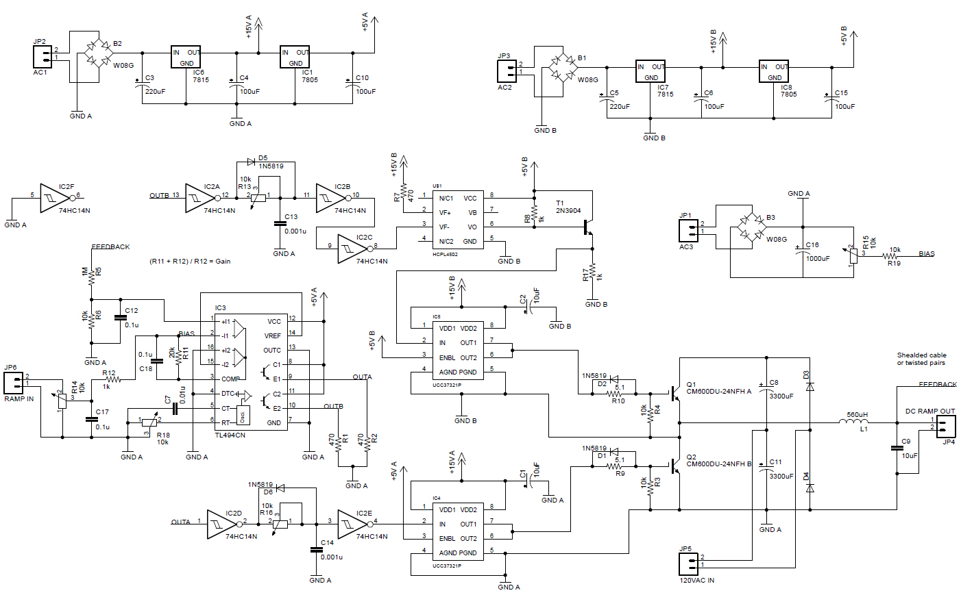
 Предварительная силовая
В QCW куда эффективнее увеличить напряжение в контуре чем ток. Для этого необходим boost, либо же трансформатор вольт добавки.
Немного выгоднее использовать трансформатор (бжт) т.к это дешевле (не всегда), проще, надежней, нет необходимости в ФНЧ. БЖТ чаще всего имеет достаточно большой вес и габариты, это его единственный недостаток.
Я использую гальванически развязанный тс-380
Плавный старт реализован на 10 амперном реле, резисторе в 180ом и таймере на 555 с задержкой в 10 секунд.
После, стоит диодный мост на 10а 600в и конденсатор на 10000мкф с пленкой на 14.1uF 630в, разряжаемая резистором на 25к 25ватт

 Buck + драйвер
Buck можно назвать самой хрупким элементном всей конструкции, он пропускает через себя импульсы огромной мощности.
Крайне не рекомендуется использовать МК как ШИМ в бак, в большинстве случаев это приводит его к взрыву, по причине глюков МК от наводок. Автогенераторы можно сразу забыть, они крайне не стабильны и обречены на взрыв (именно в баке Теслы).
Лучший вариант генерировать импульс управления МК, затем преобразовывать его в аналог с помощью ФНЧ и уже потом подать на ШИМ управляющий транзистором. В качестве ШИМ можно использовать практически любую микросхему для ИБП (к примеру 494), либо же собрать его самому. Крайне аккуратным нужно быть с ОС бака паразитная индуктивность и емкость может быть крайне не желательна, и перевести к различным отрицательным эффектам. Если же ШИМ без ОС то стоит по заботится о различных защитах.
я же использую ШИМ 494 (т.к самое доступное), советую из ос выкинуть все кроме делителя напряжения (причем собрать его на резисторах в ~100K 1-2W). я так же повесил бусинку на провод ОС и скрутил его с земляным для уменьшения индуктивности, только после этого все стало работать нормально. Не стоит забывать про развязки между интером, ШИМом и драйвером транзистора, мне попали под руку HCPL-M601, хорошо себя зарекомендовавшие. питается от ТППшки в 1а. В качестве ключей использовал 2х 50b60 с резистором в 10 ом и бусинкой на каждый затвор, который тягается 8 амперным драйвером. в качестве обратного диода в нижнее плече использован FFH75H60S (наверно перебор, но за то с запасом). Дроссель в 140uH намотанный на железе 2 ШЛ с зазором в 6 мм. Зазор лучше сделать по больше для уменьшения шанса перенасыщения дросселя.

недостатки такого бака в отсутствии возможности выдавать на выходе 0в, стабильно держит напряжение без нагрузки (иначе на выходе напряжение питания), также возникает резкая просадка в момент старта из за тормознутости ОС.


форма напряжения на выходе бака

 Мост + драйвер
в силовой электронике все должно быть как можно короче и как можно толще. По этой причине провод с дросселя идет сразу на сдвоенный мост на 50b60, обвешанный пленкой в 30uF 630в. Пленка очень важная вещь, она должна быть Качественной, с запасом по напряжению. В идеале MKP, но я использую CBB22(не лучший вариант). на затворах стоят супрессоры на 24в, все это управляются через GDT на небольшом Epcos колечке (B64290-L647-X38, T38, R29.5х19х14.9) с коэффициентом 5:4. в первичной обмотке GDT стоит синфазный дроссель с одним витком.

В качестве драйвера используется Universal DRSSTC Driver 2.7C по классической схеме с питанием от ИБП на 23в + дополнительный конденсатор в питание на 4700uF. не советую использовать БЖТ по причине не стабильного напряжения, большого веса. Драйвер подключен к интеру через PC817, как оказалось её скорости вполне хватает для таких нужд.
Ещё одна не мало важная вещь это предиктор, без него температура кристаллов транзистора приблизится к температуре ада. я использую классический LR, индуктивность примерно 10-50uH, позже осознал что RC наверно работал бы немного лучше, т.к у LR напряжение с тт больше влияет на угол сдвига.
ТТ ОС намотал на одном советском феррите 2000HM, около 150 витков нагруженных резистором на 1W 46Ohm (как оказалось этого достаточно для старта с 10в в силовой).
ТТ OCD намотан на двух таких же колечках, но уже с коф. трансформации в 1225 и нагруженный резистором в 1W 22.5Ohm. защита настроена на 280А

UD2.7 минимальный драйвер для стабильной QCW. Для более крутых и мощных конструкций уже нужны специальные “плюшки”, такие как старт от принудительного генератора, контроль частоты, более быстрая OCD и прочие изменения (практически ПЛИС драйвер)


импульс на затворе ключей

 Контуры
Наверно самая сложная в изготовление и настройке вещь, имеющая большое количество тонкостей. Основная задача обеспечить уверенный старт на верхнем полюсе. вроде бы все просто, изготовить колебательную систему в которой частота вторичного контура ниже чем частота первичного. но не стоит забывать что при увлечение коэффициента связи и разницы между собственными частотами контуров, увеличивается расстояние межу полюсами, падает импедансное сопротивление на частоте между полюсами. это все приводит к ветвистым разрядам, скачущей резонансной частоте (с полюса на полюс), скачкам току, выходу из строя деталей.
Очень не мало важна добротность вторичного контура (особенно в схемах автогенераторных без старта на фиксированной частоте) часто это приводит к старту на нижнем полюсе. Для избежание этого используйте только ровную трубу, проволоку без скруток и волн, укладываете как можно плотнее и ровнее. Тороид стоит делать по больше, так же как и терминал. у MMC должен быть запас по напряжению >30% (рассчитать можно через реактивное сопротивление емкости) лучше всего подходят Epcos MKP, CBB81. Частота верхнего полюса рекомендованная в районе 300-450kHz, коф.связи 0.3 - 0.45, разница между собственными частотами контуров 20-1kHz.

У моей конструкции полюса 259kHz и 375kHz
коф связи 0.356.
импеданс на 259kHz(нижний) 13.5Ohm; 375kHz(верхний) 19.67Ohm; 316kHz(середина) 4.5Ohm,
разница между собственными частотами контуров 3kHz
MMC на 12nF 23kV (с напряжением перебор немного, но так было немного дешевле)

 Прерыватель и немного о управление
интер реализован на atmega8a + hc05 + кварц на 16MHz. Формирует 2 импульса, PWM пилу для buck и прямоугольник для драйвера моста. Управляется полностью через bluetooth с android, имеет достаточно большой функционал для классических QCW.
есть функция одиночного и циклического импульса.
позволяет регулировать:
амплитуду
время накачки
время паузы
время спада
амплитуду и время поджига (ступеньки)

немного о схемотехнике. питается интер от сетевого трансформатора стабилизированного 7805 обвешанной достаточно большой емкостью. экранировка кварца и тантал прямо на ноги МК решили проблемы с зависаниями. интер полностью гальванически развязан со всем остальными блоками.

немного о управление. для получения максимально низкочастотного звука от разряда необходимо сделать плавный спад продолжительность практически равной половине времени нарастания. для получения максимально ровных, мечевидных разрядов нужно стараться запускать теслу с минимального напряжения (напряжения которого хватает для старта автогенератора, в моем случае это 15в), но не стоит забывать что на низком напряжение увеличивается шанс старта на нижнем полюсе. для получения разрядов больше напоминающих классическую DRSSTC (ветвистых) можно использовать форму сигнала в виде полу-синуса, с длительностью немного меньше чем у обычная пилы.

немного о допустимой мощности. одиночный моста на 50b60 держит максимальный ток ~150а на BPS около 1Hz и накачкой 20ms,
на более высоких BPS под 20-25Hz ток падает до 60а, а мост на FGH60N60SMD держит до 80а в таком режиме. Крайне не рекомендую делать время задержки между импульсов короче времени накачки (заполнение должно быть меньше 50%).

 Корпус, охлаждение, заземление
Размером 46х14х46см выполнена из 10мм фанеры и окрашена. контуры располагаются на акриловой платформе на высоте 14см, сделано для уменьшения наводок, которые как оказалось весьма не слабые. вся управляющая электроника размещена в 2 металлических коробках от ATX
Охлаждается это все 4 вентиляторами (2 больших, 2 маленьких на мост) в общей сумме потребляющие 10 ватт.
Как оказалось заземление весьма сложная вещь. была сделана средняя точка на сеть через 100нФ 1000В к78-2, к ней подключаются 2 металлические коробки. каждый радиатор подключен через отдельный конденсаторы и на минус силовой, и на среднюю точку сети. Холодный конец вторичной катушки подключается либо на среднюю точку сети, либо на настоящее заземление.



больше фотографий и в большом разрешении
https://drive.google.com/open?id=0BzUnymVEkKGhSlAycl95M1NTYVE

Спасибо Глебу Алексееву, Сергею Закарпатскому, Сифун’у за полезные советы.
Последний раз редактировалось MuratovAS 04 янв 2017, 17:28, всего редактировалось 6 раз.

Аватара пользователя
BSVi
Адепт
Сообщения: 3576
Откуда: Киев

Сообщение BSVi » 07 авг 2016, 22:13

Среъезный проект. А как с большим BPS? Или как и у меня БЖТ долго заряжает конденсаторы?

Аватара пользователя
MuratovAS
Сообщения: 8

Сообщение MuratovAS » 08 авг 2016, 08:34

BSVi писал(а):Среъезный проект. А как с большим BPS? Или как и у меня БЖТ долго заряжает конденсаторы?


Мост возможно и 2Hz и 3Hz выдержит, на таком токе, а вот бак скорее всего нет. Конденсатор заряжается достаточно долго. Поэтому было решено что 1Hz, даже после часа работы температура на радиаторах ненамного поднимается.

Аватара пользователя
MuratovAS
Сообщения: 8

Сообщение MuratovAS » 17 сен 2016, 08:48

Все же я рискнул запустить свою конструкцию на больших БПС. Максимально тестировал на 10герц 22мс на протяжение 30 секунд, как оказалось держит достаточно стабильно. Напомню, что у меня бак и мост собран на сдвоенных 50b60 и ток в контуре около 260а. Кап в питание через пару секунд основательно проседает, 2 метра есть только на первых 3-5 выстрелах, но ниже 1.6м не опускается. Мне кажется это предел для такой конструкции. Большие бпс это сила :)

Извиняюсь за такое плохое видео, снимал и управлял с одного телефона.


P. S При первом запуски и съемке видео произвел не мало кирпичей :lol:

Аватара пользователя
iEugene0x7CA
Адепт
Сообщения: 1571
Откуда: Киев

Сообщение iEugene0x7CA » 17 сен 2016, 16:15

Прочитал темку, очень жирнючая. Её бы в стейку на TQFP. :)

MuratovAS писал(а):Кап в питание через пару секунд основательно проседает, 2 метра есть только на первых 3-5 выстрелах, но ниже 1.6м не опускается. Мне кажется это предел для такой конструкции. Большие бпс это сила :)

Насчет проседающего капа — у буржуев они стоят целыми батареями, вплоть до 4-х штук в конструкции.
Правда, основная лажа скорее в дохлости наших проводок — решением может быть подключение к 3-фазной розетке, имеются во многих домах под электроплитку.

Аватара пользователя
MuratovAS
Сообщения: 8

Сообщение MuratovAS » 04 янв 2017, 17:50

Доброго времени суток. удалил код картинок из статьи, все же гугл закрыл дырку в своей системе, и фото исчезли. Теперь фото только на гугл диске.
Немного о изменениях в конструкции.
Заменил пленку между радиатором-заземлением на Y капы. я считаю, что это надежнее, и они не гудят. Опустил контуры на высоту 9см от электроники.
Поставил тс180-2 как автотрансформатор, теперь напруга не сильно проседает при больших бпс.
Теперь гоняю на 25Hz 4ms; 10Hz 20ms (пачкой); 0.5-2Hz 35ms, транзисторы вроде нормально себя чувствуют ^_^


Uria
Сообщения: 271

Сообщение Uria » 05 дек 2018, 20:14

У меня сгорел вот этот купленный мной агрегат рассматриваемый в этой теме когда разряд с вторички попал на землю.
А никто не может подсказать за что вообще отвечает взорвавшийся транзистор (выделен кружком со стрелкой).
И где он (или какой элемент что его заменяет) на представленной мне создателем для самостоятельной починки схеме?
И почему вообще получился "бдыщ" при попадании стримера на землю?
Вложения
сгорело 2.jpg
сгорел.jpg

Аватара пользователя
iEugene0x7CA
Адепт
Сообщения: 1571
Откуда: Киев

Сообщение iEugene0x7CA » 18 дек 2018, 22:02

Uria писал(а):А никто не может подсказать за что вообще отвечает взорвавшийся транзистор (выделен кружком со стрелкой).
И где он (или какой элемент что его заменяет) на представленной мне создателем для самостоятельной починки схеме?

Схемка если честно такая-себе. :)
Указаны CM600, а на деле там 4 штуки TO-247 в параллель. Если хоть один элемент в схеме не соответствует действительности, то реально может не соответствовать и половина схемы.
В идеале девайс реверс-инженирнуть, нарисовав свою 100% достоверную схему с нуля и по ней уже разбираться.

Насчет выделенного в кружке корпуса — а какая там маркировка? Я бы сходу подумал что это диоды, но там кажись виднеется 3-й пин.
Можно только нагуглить даташит на эту штуку, гадать бесполезно

Uria писал(а):И почему вообще получился "бдыщ" при попадании стримера на землю?

Возможно OCD, если таковая присутствует — была сильно завышена.
По-правильному токозащита должна выставляться в аккурат на чуть больше, нежели установка накачивает ампер работая в воздух.

Firelander
Сообщения: 93

Сообщение Firelander » 19 дек 2018, 00:03

Это бак же. Самая нагруженная и как писал автор самая хрупкая часть. Так что это скорее всего 50b60. Лучше заменить оба и молиться чтобы больше ничего не сгорело.

Uria
Сообщения: 271

Сообщение Uria » 19 дек 2018, 21:37

Все транзисторы IRGP50B60PD1PBF
8 штук (по 4 в параллель RGP50B60PD1PBF) и 2 штуки RGP50B60PD1PBFотдельно (один из которых и взорвался, и выделен кружком).
Я хотел узнать, за что отвечают эти два транзистора.

"девайс реверс-инженирнуть, нарисовав свою 100% достоверную схему с нуля"....

Т.е. полностью нарисовать схему по имеющимся в схеме деталям???
Я примерно так и сделал поскольку у автора конструкции желания ее чинить нет, просто нанял хорошего электронщика (который теслашоувыми девайсами никогда не занимался но занимался более серьезными вещами). Когда он разберется в тонкостях QCW есть желание клепать на продажу их силовые части.

Firelander
Сообщения: 93

Сообщение Firelander » 19 дек 2018, 22:47

Uria писал(а):Я хотел узнать, за что отвечают эти два транзистора.

я же написал — buck

Аватара пользователя
iEugene0x7CA
Адепт
Сообщения: 1571
Откуда: Киев

Сообщение iEugene0x7CA » 21 дек 2018, 20:26

Uria писал(а):поскольку у автора конструкции желания ее чинить нет, просто нанял хорошего электронщика (который теслашоувыми девайсами никогда не занимался но занимался более серьезными вещами). Когда он разберется в тонкостях QCW есть желание клепать на продажу их силовые части.

Пусть если что спрашивает что делают те или иные части схемы — как не крути, а электроника разная.
Даже если он серьёзно занимался чем-то вроде прогания МК — силовую электронику сходу понять не всегда просто.

Ну, и мне всегда любопытно взглянуть на реальную схемку чужого девайса — если это возможно. :geek:

Uria
Сообщения: 271

Сообщение Uria » 21 дек 2018, 23:54

iEugene0x7CA писал(а):[quote="Uria"

Ну, и мне всегда любопытно взглянуть на реальную схемку чужого девайса — если это возможно. :geek:


Да он не рисует схему, пришел просто с осциллом, глянул, осцилл даже не включал и начал с ходу разбирать девайс. Нашел кучу сгоревших защитных диодов, и транзисторов, ну и еще некоей мелочевки сказал что схему видно молодой парень паял с небольшим опытом (как определил я не понял, и не спрашивал), удивился лишним с его точки зрения деталям и ушел до следующего раза (когда детали сгоревшие достанет). Ему по барабану силовая часть или МК. Из очень серьезной по электронике (еще в СССР) организации человек. Зубр электронный. Единственно предупредил что новые транзисторы могут снова дать пыщ (объяснил почему, но я не понял по неграмотности).
А я кстати качер как раз спаял (первый мой девайс на транзисторе и тиристоре в прерывателе) , а он чего-то не заводился (стримерок был махонький). Он глянул и сразу сказал что делать дабы получилась зверь-машина...:). Причем все детали холодные. Теперь я боюсь этот качер включать..:) Пробои на первичку пошли так раскочегарился. Ведерко опять буду ставить между первичкой и вторичкой как на искровке...:)
Доделаю красиво (я на соплях не делаю) покажу фото работы своего автогенераторного девайса.
Вложения
качер3.jpg

Аватара пользователя
iEugene0x7CA
Адепт
Сообщения: 1571
Откуда: Киев

Сообщение iEugene0x7CA » 08 фев 2019, 10:21

Uria писал(а):Единственно предупредил что новые транзисторы могут снова дать пыщ (объяснил почему, но я не понял по неграмотности).

Всё просто, подобные девайсы нужно производить партиями и какое-то время отлаживать пока не пофиксятся все баги.
Та же ST3 делалась почти 2 года, работала, но редко у народа вылетали ключи. Только к осени 2018-го все косяки выловили, и это почти 35 юнитов спустя. :)

Uria писал(а):получилась зверь-машина...:). Причем все детали холодные. Теперь я боюсь этот качер включать..:) Пробои на первичку пошли так раскочегарился.
Доделаю красиво (я на соплях не делаю) покажу фото работы своего автогенераторного девайса.

Хоть видео засними как работает, красоту к чёрту. ;)

Uria
Сообщения: 271

Сообщение Uria » 08 фев 2019, 21:54

iEugene0x7CA писал(а):
Uria писал(а):Единственно предупредил что новые транзисторы могут снова дать пыщ (объяснил почему, но я не понял по неграмотности).

Всё просто, подобные девайсы нужно производить партиями и какое-то время отлаживать пока не пофиксятся все баги.
Та же ST3 делалась почти 2 года, работала, но редко у народа вылетали ключи. Только к осени 2018-го все косяки выловили, и это почти 35 юнитов спустя. :)

Uria писал(а):получилась зверь-машина...:). Причем все детали холодные. Теперь я боюсь этот качер включать..:) Пробои на первичку пошли так раскочегарился.
Доделаю красиво (я на соплях не делаю) покажу фото работы своего автогенераторного девайса.

Хоть видео засними как работает, красоту к чёрту. ;)



2xFull-Bridge QCW DRSSTC от MuratovAS мне чинил электронщик. Заменены 12 транзисторов, супрессоры и куча мелкого хлама. Начали проверять на омической нагрузке с 30 В питания постепенно повышая напряжение. Отслеживая по осциллу.
Потом подключили катушки с конденсаторной батареей. И опять со слежением по осциллу за процессом. Постепенно опять же с 30 В поднимали напряжение довели до 180 В пыхало нормально где-то на 1 м. Очень редкими импульсами гоняли, раз в минуту-две один импульс. Примерно на 10 импульсе раздался взрыв транзисторные осколки воткнулись в потолок. Взорвались те же самые транзисторы что и в первый раз. Электронщик пока не знает что делать. Возможно и транзисторы. Но он сказал, что сделано на таких соплях неряшлевых, что все надо переделывать.

Видео качера не могу прикрепить. Не получается только фотку могу. Я сделал уже второй качер с целью экспериментов. Хочу получить стример в две длины катушки. Меня только длина стримера интересует.

Аватара пользователя
iEugene0x7CA
Адепт
Сообщения: 1571
Откуда: Киев

Сообщение iEugene0x7CA » 09 фев 2019, 19:50

Uria писал(а):Видео качера не могу прикрепить. Не получается только фотку могу. Я сделал уже второй качер с целью экспериментов. Хочу получить стример в две длины катушки. Меня только длина стримера интересует.

Возможно потому, что видео выложены не на Youtube. Со всяких вконтактиков оно действительно не вставляется.
А с Ютубом крайне просто — ссылка на видео вставляется между вот таких квадратных скобок: [youtube] и [/youtube].
Вот так выглядит в комментарии:

Capture.JPG



Uria
Сообщения: 271

Сообщение Uria » 12 фев 2019, 22:22

Удалось отвязать генерацию качера от нуля сети.
Трансформатор на ферритовых кольцах вторичка качера-20-50-10-50 при разных коэффициентах трансформации ( высоковольтным проводом на кольцах) не завели генерацию. Нуль генерации. Мертво. Генерация завелась на 180-220 витках и 2000-3000 витках на незамкнутом ферритовом сердечнике. Качер работает от "земли" (т.е. вторичка качера полностью развязана гальванически (высоковольтно) от нормали сети и соответст. от затвора транзистора). Нужно для опытов.
Вроде так еще никто не делал.
Максимум "качер от Бури" но там усилитель.

Аватара пользователя
iEugene0x7CA
Адепт
Сообщения: 1571
Откуда: Киев

Сообщение iEugene0x7CA » 12 фев 2019, 22:41

Если низ вторички не уткнут в затвор транзистора — это уже не качер. :)

Как понимаю, на низ вторки был одет токовый трансформатор, и его выход уже подан на затвор транзистора.
Можно меня поправить если не прав, а ещё лучше нарисовать схемку. :geek:

Глобально, о таких переделках — если потихоньку решать траблы качера, то это:
1. Отвязать вторку, тем же колечком или ещё лучше стабилитроном с диодной вилкой;
2. Сигнал с этого дела подать на драйвер затвора, т.к. ток вторки лимитирован и драйвит ключ скорее всего фигово;
3. Заменить 1 транзистор на полный мост с управлением по GDT, т.к. у одного транзистора фиговый КПД. :)

В итоге, получаем классическую твердотельную полномостовую Теслу. :lol:

Uria
Сообщения: 271

Сообщение Uria » 12 фев 2019, 23:49

iEugene0x7CA писал(а):Если низ вторички не уткнут в затвор транзистора — это уже не качер. :)

Как понимаю, на низ вторки был одет токовый трансформатор, и его выход уже подан на затвор транзистора.
Можно меня поправить если не прав, а ещё лучше нарисовать схемку. :geek:

Глобально, о таких переделках — если потихоньку решать траблы качера, то это:
1. Отвязать вторку, тем же колечком или ещё лучше стабилитроном с диодной вилкой;
2. Сигнал с этого дела подать на драйвер затвора, т.к. ток вторки лимитирован и драйвит ключ скорее всего фигово;
3. Заменить 1 транзистор на полный мост с управлением по GDT, т.к. у одного транзистора фиговый КПД. :)

В итоге, получаем классическую твердотельную полномостовую Теслу. :lol:


Да. На низ вторки одет токовый трансформатор, но только как я сказал ферритовое колечко не помогает. Никак. Помогает трансформатор с очень большими витками по сравнению с колечком (любым).
"Драйвит" мне пока не по зубам... :(.
Я хочу выжать все, что можно именно с одного транзистора. Зато транзисторы буду менять-пробовать в широких пределах. Чисто опыты для выжимания всего ... от качера.
Но пока мне удалось отвязать вторку от затвора гальванически.
А почему не качер это? Качер это ведь автогенератор? Какая разница напрямую затвор со вторкой или опосредованно? Все равно как я понимаю система самоподстраиваемая? Нет? И качер автогенератор и и с гальв. развязкой трансом тоже? Нет? Поправьте меня.
При связке затвора со вторкой через кап вообще ничего не меняется в генерации... а это уже тоже не качер? Связь емкостная но уже не гальваническая..... Это что? "полукачер" ? Любая связь хоть емкостная хоть индуктивная, это связь.... и получается что все равно качер. Только с опосредованной связью. (Качер название чисто условное, просто понятно, что имеется ввиду).

Uria
Сообщения: 271

Сообщение Uria » 12 фев 2019, 23:58

Задачи разные. Меня интересует только длина стримера. Никакие "шоу-эффекты" не интересуют. Поэтому я хочу (на уровне примитивных знаний даже близко не сравнимых со знаниями в данной области с гуру(ми) этого сайта получить наибольшую длину стримера примитивными средствами. С искровиками я справился. Могу выжать все.
А с транзистором? Одним?
Задача.... Сложно сделать кажется уже многие могут....
А просто? Все ли выжато с одного транзистора? (ну или мощной сборки)? Если кто поможет (советом) выжать все с примитивной схемы буду благодарен.

Uria
Сообщения: 271

Сообщение Uria » 26 фев 2019, 22:49

Качер на одном транзисторе теперь дает 47 см длины стримера.
Имхо это еще не предел.

Uria
Сообщения: 271

Сообщение Uria » 27 фев 2019, 21:28

Интересный след затухания стримера.
Вложения
Т4.jpg
Т3.jpg

Crazy_Fan
Сообщения: 91

Сообщение Crazy_Fan » 28 фев 2019, 09:02

Uria, очень интересный результат! Какие изменения были внесены в стандартную схему качера (можно выложить итоговую схему), какое напряжение питания?

Uria
Сообщения: 271

Сообщение Uria » 28 фев 2019, 12:49

Crazy_Fan писал(а):Uria, очень интересный результат! Какие изменения были внесены в стандартную схему качера (можно выложить итоговую схему), какое напряжение питания?


Поскольку я не разбираюсь в электронике просто методом "тыка" экспериментирую.
Изменения от стандартной схемы сетевого качера, катушки (разные) 110 мм (примерно 1000 витков) проводом Ф 0,2-0,3, разные варианты дросселей (вчера два МОТа в параллель например стояли (и никакой прибавки не дали), от холодного конца на затвор через разные варианты конденсаторов, перешел c ИРФ 460 на паленые транзисторы от теслы Муратова (которые остались живы) то есть ИГБТ, супрессоров побольше навтыкал для надежной защиты перешел на КЕ1,5 440 СА и поднял напряжение до 270 В.... но прибавки это не дало...:(. Изменение конденсатора параллельно делителю не выявило никаких изменений от 1 мкФ аж до 400 мкФ.
Прибавки в длине стримера по предварительному анализу дают только данные вторички (у меня несколько катушек) и... данные дросселей, а стример в более прямой превращает подбор конденсаторов от холодного конца на затвор. И регулировка прерывателя. При некоторой частоте прерывателя стримеры максимальны (но опять же при разных дросселях и катушках). Две длины катушки никак не могу добиться пока Они в высоту имеют 250 мм. Мне соответственно надо 0.5 м, а получил не более 470 мм.
Посоветовали мне катушку не пропитывать, это мол снизит ее емкость и даст наилучший результат.
Когда доэкспериментируюсь до победы или поражения дам точную схему с параметрами (замеренными) всего измененного.

Аватара пользователя
iEugene0x7CA
Адепт
Сообщения: 1571
Откуда: Киев

Сообщение iEugene0x7CA » 02 мар 2019, 00:50

Uria писал(а):А почему не качер это? Качер это ведь автогенератор? Какая разница напрямую затвор со вторкой или опосредованно? Все равно как я понимаю система самоподстраиваемая? Нет? И качер автогенератор и и с гальв. развязкой трансом тоже? Нет? Поправьте меня.
При связке затвора со вторкой через кап вообще ничего не меняется в генерации... а это уже тоже не качер? Связь емкостная но уже не гальваническая..... Это что? "полукачер" ? Любая связь хоть емкостная хоть индуктивная, это связь.... и получается что все равно качер. Только с опосредованной связью. (Качер название чисто условное, просто понятно, что имеется ввиду).

С одной стороны действительно условное, но с другой тогда не понятно где грань между SSTC и качером — они оба автогенераторы. :)
По сути, кто тусит в теме давно и помнит как появился "качер" и "сетевой качер" — называют таким названием только строго однотранзисторные схемы из 3.5 компонентов.
За границей понятия "качер" кстати нет в принципе, там даже самая мелкая и простая катуха это уже SSTC, типо такого:

microSSTCschematic2.JPG

P.S. Собирать схемку с картинки не нужно, это дизайн 100-летней давности. :)

Uria писал(а):Посоветовали мне катушку не пропитывать, это мол снизит ее емкость и даст наилучший результат.

Совершенно ничего не даст, гарантия. :mrgreen:
Выжать больше мощи можно либо повысив входное напряжение, т.е. сделав питание от 2X умножителя... Или увеличив физический размер вторки, и снизив индуктивность первички.
Но это уже ограничивается невысоким КПД качера, дабы расти куда-либо выше уже стоит переходить на мост.

Вернуться в «Трансформаторы Тесла»



Кто сейчас на конференции

Сейчас этот форум просматривают: нет зарегистрированных пользователей и 7 гостей