Вопрос — Ответ

Обсуждение общих вопросов, связанных с трансформаторами Тесла.
User avatar
Pigball
Posts: 164
Joined: 22 Apr 2017, 01:18

Re: Вопрос — Ответ

Post by Pigball »

Poznajuschij wrote:Нужна помощь с полумостом и резонансом на индукторе. Суть в ролике.
А что за транзисторы стоят в полумосте. Частота ацкая какая-то для индуктора - 4-5мГц. Возможно - такую частоту они просто не тянут :roll: .
Засунь параметры из даташита транзисторов в онлайн-калькулятор в калькулятории здесь.
Gleb
Posts: 4
Joined: 17 Jun 2019, 20:26
Location: Зеленоград
Contact:

Re: Вопрос — Ответ

Post by Gleb »

Приветствую всех присутствующих! В процессе разработки своей миниатюрной QCW (DR)SSTC, я столкнулся с некоторыми трудностями и хотел бы уточнить некоторые моменты у знающих людей. Ну и получить общею оценку затеи тоже хотелось бы. Итак, моя задача состоит в разработке миниатюрной(читай - карманной) QCW SSTC или QCW DRSSTC. Для понимания размеров, приведу параметры вторички: высота 5 - 6 см, диаметр - 5 см. Она будет намотана на куске круглого пластикового короба для электропроводки, ибо этот материал вторички достойно показал себя уже как минимум в друх разных конструкциях. Длительность накачки планирую регулировать в диапазоне от 250 микросекунд до 10 миллисекунд, делать больше, думаю не стоит. БПС хочу также регулировать, расчётный диапазон: 0.2 до 50. Форма накачки - просто пила, безо всяких фигур высшего пилотажа типа факела или излома. Питать планирую от 12 Вольт(12 идёт напрямую на управляющую часть и на повышающий преобразователь до 50 Вольт). Накачка бака будет осуществляться батареей керамических конденсаторов с общей расчётной ёмкостью 2000 мкФ и максимальным напряжением в 50 Вольт. А теперь суть вопроса: меня смущает использование бак-конвертера, вернее - его дроссель. Хотелось бы избавиться от него. BSVi писал что-то про метод пропуска полупериодов, который позволяет как раз таки создать QCW без бака. Вот, собственно, хотелось бы понять, как этот метод работает и как его реализовать. Ах да, забыл сказать, что катушку делаю принципиально без микросхем. Т.е. чисто на рассыпухе. Естественно, рассыпуха современная, никаких МП, ГТ и тому подобных, но рассыпуха. Этот момент тоже накладывает некоторые ограничения на выбор топологии. Например версия с баком уже нарисована и просимулирована. А как будет выглядеть способ BSVi на транзисторах?
Recept0r
Posts: 10
Joined: 06 Feb 2020, 14:29

Re: Вопрос — Ответ

Post by Recept0r »

Господа, подскажите хороший автомобильный инвертор 12-220?
Хочу теслу запитывать через инвертор 12-220 от машинного аккумулятора
Тесла drsstc полный мост, 4 транза FGH60N60SFD, питаю через 8 амперный ЛАТР, думаю 1500-2000 ватт где жрёт
могу ошибаться конечно... поправьте
какой лучше инвертор выбрать? и стоит ли? понянет или нет? что бы не выкинуть деньги на ветер
User avatar
TERAVOLT
Posts: 214
Joined: 16 Mar 2015, 11:53

Re: Вопрос — Ответ

Post by TERAVOLT »

Приветствую, на такую мощность проще купить, дешевле будет намного. Можете помучить алиэкспресс например. Брать нужно ТОЛЬКО С ЧИСТЫМ СИНУСОМ и запасом мощности около 40 %!
User avatar
TERAVOLT
Posts: 214
Joined: 16 Mar 2015, 11:53

Re: Вопрос — Ответ

Post by TERAVOLT »

Приветствую. Подскажите, можно ли тут юзать 74нс04 вместо 14. Просто у нас закрыто все, купить нет возможности. (Есть еще 74нс00)
Attachments
IMG_20200419_064328.jpg
korshyn
Posts: 142
Joined: 05 Apr 2017, 02:14

Re: Вопрос — Ответ

Post by korshyn »

TERAVOLT wrote:Приветствую. Подскажите, можно ли тут юзать 74нс04 вместо 14. Просто у нас закрыто все, купить нет возможности. (Есть еще 74нс00)
Я не шарю, ну как по мне вполне можно юзать, логика же 5 вольтовая. Я так понимаю разница лишь в возможности "дребезка" в районе 1,2-1,5 вольт, что здесь исключено :roll:
User avatar
TERAVOLT
Posts: 214
Joined: 16 Mar 2015, 11:53

Re: Вопрос — Ответ

Post by TERAVOLT »

Может еще кто нибудь?
Roman_90
Posts: 18
Joined: 28 Sep 2017, 22:37

Re: Вопрос — Ответ

Post by Roman_90 »

TERAVOLT wrote:Может еще кто нибудь?
74hc00 можешь использовать)
korshyn
Posts: 142
Joined: 05 Apr 2017, 02:14

Re: Вопрос — Ответ

Post by korshyn »

Ребята, подскажите пожалуйста!
Можно ли так ограничивать максимальный ток?
Правильная ли обвязка у компаратора?

Собираю драйвер на полный мост, обычный трансформатор на сердечнике, и хочу сделать защиту по току.
Раньше пользовался компараторами только с открытым коллекторами, и совсем не разбираюсь с типами выходов... у этого Rail-to-Rail.
Попался из быстродействующих такой, как самый дешёвый.
Принципиальной схемы в даташите не нашёл и не знаю, как правильно его обвязать, чтобы не спалить. Правильно ли вообще подключил?
Входы предусматривают такое включение?
Вот его DATASHEET: http://www.ti.com/lit/ds/symlink/tlv3502.pdf

Подключение сводится к такой схеме:
Attachments
Вопрос.png
User avatar
iEugene0x7CA
Адепт
Posts: 1571
Joined: 20 May 2012, 02:38
Location: Киев

Re: Вопрос — Ответ

Post by iEugene0x7CA »

korshyn wrote:не разбираюсь с типами выходов... у этого Rail-to-Rail.
Rail-to-rail значит что напряжение на входах компаратора может быть от 0 вольт и вплоть до напряжения питания. ;)

У TLV3501/TLV3502 оно ещё и beyond the rail, на +/- 0.3 вольта выше относительно диапазона питания.

Фича rail-to-rail это так сказать приближение реального компаратора с его недостатками — к идеальному компаратору.
Т.к. например классические компараторы имеют ограничения. Для примера, у LM393 напряжение на входе должно быть на 1.5 волта меньше чем V+.
В случае низковольтового питания это будет напрягом, например запитав LM393 от 2-х вольт — напряжение входов у него будет ограничено 0.5 вольтами. :)
Capture.PNG
User avatar
TERAVOLT
Posts: 214
Joined: 16 Mar 2015, 11:53

Re: Вопрос — Ответ

Post by TERAVOLT »

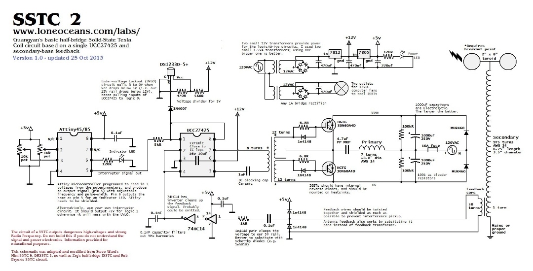
Приветствую всех ребят! Итак, есть у меня проблемка одна, прошу помощи у знатоков. Собрал по быстрому sstc на ucc27425 без 74нс14 (как у зерга), силовая-полумост на hgtg4n50KE. Конденсатора делителя были и по 220нф и по 1.5мкф и по 680нф впринципе разницы не заметил. Первичка состоит из 5 витков витой пары, включалась последовательно с кондером на 2.2мкф. Электролит на 330мкф, так же по питанию пленка на 470нф на ногах транзов. Гдт на кольце от сетевого фильтра от БП(разные пробовал) и ОС транс так же. Частота вторички с тором около 180кгц. Короче суть в том, что нижний по схеме транзистор полу моста греется сильнее чем верхний. Да и вообще нагрев достаточно сильный у силовой. Питал только через трансформаторы, при 80в все терпимо еще а при 220 (от транса 250вт) вылетает силовая через несколько секунд работы в непрерывном режиме. Как вы поняли осцила нормального нет, есть только китайский ДСО 068 . Пробовал и гдт менять и транс ос и транзисторы перекидывал, все одно впринципе. Прошу помогите советом, куда рыть? Пс... На видео 80в в силовой.
MdAD-Q
Posts: 84
Joined: 19 Dec 2016, 17:37

Re: Вопрос — Ответ

Post by MdAD-Q »

TERAVOLT wrote:силовая-полумост на hgtg4n50KE.
А что это за транзисторы такие? Гугл молчит :? Наверное 40n50.
TERAVOLT wrote:sstc на ucc27425 без 74нс14
Эта схемка так себе, если честно :) Работать то оно будет, но лучше добавить еще 3.5 детальки и тем самым повысить стабильность системы.
Хотя бы так :) :
Image
TERAVOLT wrote:Да и вообще нагрев достаточно сильный у силовой.
Тут бы глянуть что на затворах творится.
А что за прерыватель? Может ширина пачки большая и транзисторы не выдерживают по току?
User avatar
TERAVOLT
Posts: 214
Joined: 16 Mar 2015, 11:53

Re: Вопрос — Ответ

Post by TERAVOLT »

Спасибо большое за ответ! Транзисторы как на фото снизу, даташит тоже прилагаю (перепутал в прошлом посте) . 74нс 14 купил, но опробовать пока не успел. Может ли из за плохого сигнала ОС греться один сильнее? Да вообще нагрев ацкий.сегодня заберу последние два транза и может попробую с 74 14. На затворах могу потом попробовать ДСО 068 посмотреть, но он очень посредственный прибор. А прерыватель от bsvi i1 на меге8, только он у меня чет сломался и сигнал только с самого мк снять можно, я так и сделал (не реагирует на переменники, частота одна, после 555 сигнала нет, менять пробовал ее.) На сколько я знаю ширина пачки в сстц не сильно важна, ибо она даже в цв работать может.
Attachments
IMG_20200508_141143.jpg
irg4pc50kd.pdf
(374 KiB) Downloaded 2582 times
korshyn
Posts: 142
Joined: 05 Apr 2017, 02:14

Re: Вопрос — Ответ

Post by korshyn »

Предположу, что дело в неправильно подобранных транзисторах.
Они медленные очень, тесла таких размеров явно большей частоты, чем на то рассчитаны транзисторы.
На 100кГц, ток уже никакой...
На 100кГц, ток уже никакой...
И время закрытия очень большое, возможно даже сквозит в полузакрытом состоянии, откуда и нагрев.
2мкс на закрытие - нот гуд :D
2мкс на закрытие - нот гуд :D


P.S Пардон, транзисторы отличаются, но всё равно не очень быстрые.
Screenshot_2020-05-08-15-23-45-763_com.google.android.apps.docs.jpg
Screenshot_2020-05-08-15-23-38-951_com.google.android.apps.docs.jpg
MdAD-Q
Posts: 84
Joined: 19 Dec 2016, 17:37

Re: Вопрос — Ответ

Post by MdAD-Q »

TERAVOLT wrote:Транзисторы как на фото снизу, даташит тоже прилагаю.
И не удивительно, что они выходят из строя :) Посмотрите на fig.1 даташита. По даташиту они на 2kHz 30A вытянут, на 10kHz 20A a вот уже на 100kHz меньше 5A. На частоте вашей ss'ки в 180kHz они будут сильно перегреваться и очень быстро выходить из строя :geek:
korshyn
Posts: 142
Joined: 05 Apr 2017, 02:14

Re: Вопрос — Ответ

Post by korshyn »

Вот сравни тот же 40n60 :D
Дело в них ИМХО, хотя без осцилла сложно говорить.
Attachments
Screenshot_2020-05-08-15-35-27-452_com.google.android.apps.docs.jpg
User avatar
TERAVOLT
Posts: 214
Joined: 16 Mar 2015, 11:53

Re: Вопрос — Ответ

Post by TERAVOLT »

А ведь знаете, я пробовал с другими игбт, в то220. Они слабее, но работали при 220 нормально, грелись сильно, но равномерно хотя-бы. Полагаю вы правы, всем огромное спасибо. Как приедут транзы с али, открою новую тему, там все будет. Еще раз огромное СПАСИБО!
User avatar
TERAVOLT
Posts: 214
Joined: 16 Mar 2015, 11:53

Re: Вопрос — Ответ

Post by TERAVOLT »

korshyn wrote:Вот сравни тот же 40n60 :D
Дело в них ИМХО, хотя без осцилла сложно говорить.
Да черт возьми! Поменял их на rjh60f7 от сварочника,обвязал супрессорами и пленками, поставил ОС на 74нс14, и кипеть перестали, и стримак подрос. Кстати вторичка у меня аж на 208кгц с тором оказывается. Включил даже напрямую от сети, работало, но не долго. Скорее всего ток превысил допустимые пределы и силовая вылетела(300руб. Коту под хвост). Я тут где-то на форуме читал про какую то мерялку тока в первичке, но не могу найти теперь где читал. Если не сложно помогите в поиске! Пс... Скоро создам тему, все таки надо!
MdAD-Q
Posts: 84
Joined: 19 Dec 2016, 17:37

Re: Вопрос — Ответ

Post by MdAD-Q »

TERAVOLT wrote: Я тут где-то на форуме читал про какую то мерялку тока в первичке
Обычно мотается трансформатор тока 1:32:32 и нагружается резистором в пару ватт и ом так на 1.5-10. Если в первичке будет ток в 200A, то на выходе ТТ нагруженного на 10ом резистор будет 200/1024*10=1.95В. Для DRSSTC это нормально а вот для SSTC (токи там значительно ниже) можно намотать и с другим коэф. трансформации и не обязательно каскадного типа. Вот статейка от BSVi: http://bsvi.ru/transformator-toka/
User avatar
TERAVOLT
Posts: 214
Joined: 16 Mar 2015, 11:53

Re: Вопрос — Ответ

Post by TERAVOLT »

Спасибо большое, я что то читал про мерялку на lm311, кажется писал iEugene0x7CA. Вот кстати спецом снял видос, там запечатлен эпичный и печальный момент "вы писали: Для DRSSTC это нормально а вот для SSTC (токи там значительно ниже) можно намотать и с другим коэф. трансформации и не обязательно каскадного типа." Если можно, ткните носом где почитать про токи в сстц и может кто делал из форумчане мерялку для сстц? Как то же гуру умудряются собрать sstc не спалив при этом два десятка транзюков.
Attachments
IMG_20200510_015356.jpg
От сети напрямки
От сети напрямки
MdAD-Q
Posts: 84
Joined: 19 Dec 2016, 17:37

Re: Вопрос — Ответ

Post by MdAD-Q »

TERAVOLT wrote:Спасибо большое, я что то читал про мерялку на lm311, кажется писал iEugene0x7CA. Вот кстати спецом снял видос, там запечатлен эпичный и печальный момент "вы писали: Для DRSSTC это нормально а вот для SSTC (токи там значительно ниже) можно намотать и с другим коэф. трансформации и не обязательно каскадного типа." Если можно, ткните носом где почитать про токи в сстц и может кто делал из форумчане мерялку для сстц? Как то же гуру умудряются собрать sstc не спалив при этом два десятка транзюков.
Если просто посмотреть на токи в первичке, то я это делаю через трансформатор тока 1:32:32 с резистором в 10 Ом в параллель. Подцепляюсь щупом осциллографа и смотрю как на максимальное значение, так и на форму сигнала.

SSTC:
ImageImage

DRSSTC:
Image

А если вам нужен OCD (ограничитель тока), то да, он делается на компараторе. Можно даже на LM311. Например, как у Стива в его DRSSTC: http://www.stevehv.4hv.org/newdriver08/ ... _modsb.pdf
User avatar
TERAVOLT
Posts: 214
Joined: 16 Mar 2015, 11:53

Re: Вопрос — Ответ

Post by TERAVOLT »

Спасибо. Попробую намотать, но все равно не знаю какой ток должен быть в первичке. Вот транзы были на 50а, в импульса там больше естественно. Так вот импульсный ток я читал может быть превышен в тесте в 10раз. Предположим получится 500а но это видимо при переключении в нуле тока, а в сстц хз какой ток будет нормальным. Может подскажет кто?
MdAD-Q
Posts: 84
Joined: 19 Dec 2016, 17:37

Re: Вопрос — Ответ

Post by MdAD-Q »

TERAVOLT wrote:Так вот импульсный ток я читал может быть превышен в тесте в 10раз. Предположим получится 500а но это видимо при переключении в нуле тока, а в сстц хз какой ток будет нормальным.

Только в DRSSTC и только при переключении в нуле тока можно так гонять ключи. И то при коротких пачках импульсов. Обычно не больше 1/20 от периода. В даташите смотрят на импульсный ток транзистора. Я гонял одинарный мост в режиме хардсвич в ДР'ке на ключах FGH60N60SMD с током в первичке 250-270A а ключи на 180A. Двойной мост можно уже почти в двое больше нагрузить без ущерба. Превышение по току в разы без переключения в нуле тока а тем более в CW не получится. Для SSTC нужно смотреть на постоянный ток по даташиту. Кстати, полумостовая СС'ка у меня больше чем 50A в контуре не накачивала :)
User avatar
TERAVOLT
Posts: 214
Joined: 16 Mar 2015, 11:53

Re: Вопрос — Ответ

Post by TERAVOLT »

Значит для того, что бы увидеть мне ток в 50-70а нужно намотать транс 1:3000 хотя бы... Ну или миливольтметр нужен, или осцил... Ладно, смысл понял, хотя не ясно почему нельзя грузить ключи на импульсный ток в 120-130а например, если он в даташнике указан. И что за двойной мост? По два транзистора в паралель?
MdAD-Q
Posts: 84
Joined: 19 Dec 2016, 17:37

Re: Вопрос — Ответ

Post by MdAD-Q »

TERAVOLT wrote:Значит для того, что бы увидеть мне ток в 50-70а нужно намотать транс 1:3000 хотя бы... Ну или миливольтметр нужен, или осцил...
Наоборот. Транс 1:3000 с 10 Ом при 50A "покажет" только 0.16В. Даже с 1:32:32 (он же 1:1024) вы увидите 50A на осциллографе в виде синусоиды около 0.5В в пике. Тут дело в удобстве.
TERAVOLT wrote:не ясно почему нельзя грузить ключи на импульсный ток
Если вы используете SS'ку в cw режиме, то для транзисторов это всё равно что постоянный ток. Не в CW режиме уже есть смысл смотреть на импульсный ток, но всегда помнить о постоянном. Без осциллографа и OCD можно легко сжечь транзисторы.
TERAVOLT wrote:И что за двойной мост? По два транзистора в паралель?
Да, верно!
Post Reply