Нестандартные конструкции тесел

Обсуждение общих вопросов, связанных с трансформаторами Тесла.
Аватара пользователя
iEugene0x7CA
Адепт
Сообщения: 1571
Откуда: Киев

Сообщение iEugene0x7CA » 11 июн 2012, 07:40

Вот, как-то проскочила от безделья долгими вечерами, интересная мысль:
Вот есть же силовые IGBT модули, которые способны работать с напряжениями в 5-6 кВ на достаточно высоких частотах(пруфлинк- http://www.5scomponents.com/pdf/2.5kv-6 ... d_igbt.pdf ), которые чисто в теории можно и в качестве моста для Теслы использовать! Есть и конденсаторы керамические на десятки кВ...
Как по вашему, что будет с SSTC(форма и размер разряда), если ей дать такой силовой модуль и питание от выпрямленного МОТ'а? Так, чисто теоретически. :)

Аватара пользователя
BSVi
Адепт
Сообщения: 3576
Откуда: Киев

Сообщение BSVi » 11 июн 2012, 08:52

Стив делал конструкцию с высоким напряжением питания на нескольких транзисторах: http://stevehv.4hv.org/SSTC4.htm что получилось, можно посмотреть у него на сайтике.

Аватара пользователя
Nikomo
Сообщения: 261

Сообщение Nikomo » 08 май 2013, 21:32

Некоторое время назад появилась идея, которая не даёт мне покоя, хотя и кажется мне достаточно бесперспективной.
Суть состоит в том, что бы в первичном контуре SSTC устроить резонанс и как в DRSSTC ограничить время работы транзисторов в таком режиме или взять кирпичи на соответсвующий ток :)
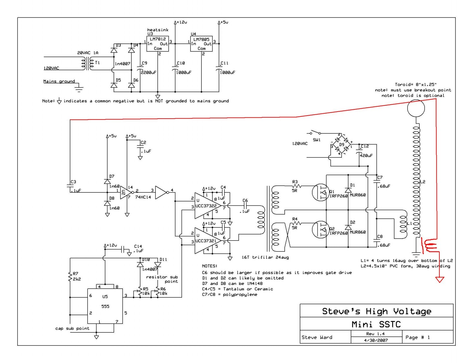
Для наглядности:
miniSSTCfnlsch.jpg

Конденсаторы С7 и С8, берутся такие, что бы в первичном контуре возникал резонанс и, как следствие, протекал дикий ток...
Кто что думает?Cледует эксперемнтировать или это идея-фуфло?

Аватара пользователя
BSVi
Адепт
Сообщения: 3576
Откуда: Киев

Сообщение BSVi » 11 май 2013, 13:33

А в чем нестандартность? Обычная ДРка с ОС со вторички. Таких полно. Работают :)

zrg
Сообщения: 21

Сообщение zrg » 11 май 2013, 17:30

Рекомендую уточнить терминологию. ДРок с обраткой по вторичке не бывает. Бывают SSTC с резонансным конденсатором первичного контура. DRSSTC в первую и единственную очередь характеризуется обратной связью по первичке и свободнорезонирующим вторичным контуром, что и обусловливает упоминание двойного резонанса в названии.
В SSTC с резонансным конденсатором также нет массы процессов и явлений, характерных только для DRSSTC, в частности frequency splitting и ZCS.

Аватара пользователя
Nikomo
Сообщения: 261

Сообщение Nikomo » 11 май 2013, 18:12

Бывают SSTC с резонансным конденсатором первичного контура.

Zerg, вот оно, то что я имел ввиду и верятно плохо сформулировал.Меня интересуют особенности работы такой катушки и как с ней обращаться(т.е. как следует переделать схему для такого режима работы). И так как я о такой вообще не слышал написал в тему "нестандартные констукции тесел" :)

Dimylko
Сообщения: 211

Сообщение Dimylko » 14 авг 2013, 17:56

Решил поднять тему. Смотрел на днях "Ученик чародея" - классные катушки там, конечно, но одна особо привлекла внимание. Вот эта - в самом центре:
Изображение
Все как обычно: катушка со сферой-терминалом и плоская первичка, но уж больно габариты изменены. Стало просто интересно: такая нестандартная конструкция способна работать? Никто не пробовал такую собрать? Или это всего-лишь бутафория для фильма?

Аватара пользователя
BSVi
Адепт
Сообщения: 3576
Откуда: Киев

Сообщение BSVi » 14 авг 2013, 18:05

Бутафория.

Аватара пользователя
Kembrik
Сообщения: 77
Откуда: Беларусь

Сообщение Kembrik » 12 ноя 2013, 10:40

Dimylko писал(а):классные катушки там

Они её у самого Теслы подсмотрели. :)

$(KGrHqFHJDkE7zJ4BdfTBPBoLSvv5Q~~60_3.jpg

Вернуться в «Трансформаторы Тесла»



Кто сейчас на конференции

Сейчас этот форум просматривают: нет зарегистрированных пользователей и 5 гостей