SSTC E class. Помогите запустить.
SSTC E class. Помогите запустить.
Всем доброго вечера:) В общем после качера решил запилить девайс посерьезней:)
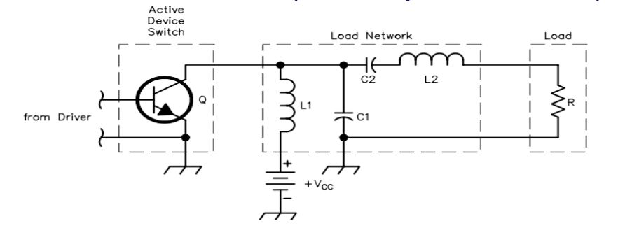
Взял однотактную схему, называемую e-класс (?). Тот вариант, который с дросселем и разделительным конденсатором.
Нарисовал в мультисиме, погонял, все вроде норм. Собрал макет, где в качестве катушки моток провода. Все отлично, схема классно работает. Генератор тут был внешний.
Далее собрал макет уже для боевых испытаний. Обратная связь от антенны. И вот тут все пошло не так. По первых хрен оно стартует, надо заводить внешним сигналом и заводится оно не с пол-пинка. Приходится потыкать. Это если антенка. Кстати, а вот если ткнуть холодным концом вторички во вход драйвера (у меня тс4420), как в схеме "качера", то запускается с пол-пинка. Но это пол-беды. Почти сразу же после старта (ну предположительно старта, я не успел засечь это момент) сгорает транзистор и драйвер. Сгорели IRFP260 и 460. Это при питании от довольно дохленького 48-вольтового блока питания. Транзисторы вроде не левак, покупал во вроде как приличном магазине.
Ну вот собственно, вопрос в том - подскажите, куда копать? Почему горят транзисторы? Что не так делаю?
Взял однотактную схему, называемую e-класс (?). Тот вариант, который с дросселем и разделительным конденсатором.
Нарисовал в мультисиме, погонял, все вроде норм. Собрал макет, где в качестве катушки моток провода. Все отлично, схема классно работает. Генератор тут был внешний.
Далее собрал макет уже для боевых испытаний. Обратная связь от антенны. И вот тут все пошло не так. По первых хрен оно стартует, надо заводить внешним сигналом и заводится оно не с пол-пинка. Приходится потыкать. Это если антенка. Кстати, а вот если ткнуть холодным концом вторички во вход драйвера (у меня тс4420), как в схеме "качера", то запускается с пол-пинка. Но это пол-беды. Почти сразу же после старта (ну предположительно старта, я не успел засечь это момент) сгорает транзистор и драйвер. Сгорели IRFP260 и 460. Это при питании от довольно дохленького 48-вольтового блока питания. Транзисторы вроде не левак, покупал во вроде как приличном магазине.
Ну вот собственно, вопрос в том - подскажите, куда копать? Почему горят транзисторы? Что не так делаю?
Re: SSTC E class. Помогите запустить.
Всё-таки без схемы никак.DmS wrote:Всем доброго вечера:) В общем после качера решил запилить девайс посерьезней:)
Взял однотактную схему, называемую e-класс (?). Тот вариант, который с дросселем и разделительным конденсатором.
.......
Ну вот собственно, вопрос в том - подскажите, куда копать? Почему горят транзисторы? Что не так делаю?
Схем много. Вот например такие, но они не совсем подходят к тому, что вы описали.
Re: SSTC E class. Помогите запустить.
Схема ближе к первому варианту.
Изначально был еще триггер Шмидта после антенки и диодов и прерыватель на 555. Но тоже сгорели.
Изначально был еще триггер Шмидта после антенки и диодов и прерыватель на 555. Но тоже сгорели.
Re: SSTC E class. Помогите запустить.
Триггер Шмидта небось был инветрирующим, без него фаза может быть не та.
Не вижу на схеме конденсаторов на силовой части. Электролиты уже пофигу - они в ИБП есть, но десяток микрофарад силовой пленки должны быть.
На фото желтый сердечник - это скорее всего L2, там не феррит кажется, а прессованный металлический порошок. Он на этих частотах не очень...
Не вижу на схеме конденсаторов на силовой части. Электролиты уже пофигу - они в ИБП есть, но десяток микрофарад силовой пленки должны быть.
На фото желтый сердечник - это скорее всего L2, там не феррит кажется, а прессованный металлический порошок. Он на этих частотах не очень...
Re: SSTC E class. Помогите запустить.
Не, ну там две ступени были, один за другим. Так что сигнал не инвертирован. Да и после того как он сгорел, подавал сигнал обратной связи на вход драйвера (тс4420).Crazy_Fan wrote:Триггер Шмидта небось был инветрирующим, без него фаза может быть не та.
Вообще по всей видимости эта аццкая машина стартует, но тут же умирает транзистор и тянет за собой драйвер, и когда был прерыватель на 555 - его тоже утянул, и триггер шмидта тоже спалил.
Да, пока без кондеров запускал.Crazy_Fan wrote: Не вижу на схеме конденсаторов на силовой части. Электролиты уже пофигу - они в ИБП есть, но десяток микрофарад силовой пленки должны быть.
На желтом сердечнике дроссель L1.Crazy_Fan wrote: На фото желтый сердечник - это скорее всего L2, там не феррит кажется, а прессованный металлический порошок. Он на этих частотах не очень...
L2 - это как раз первичка.
На первом макете, посмотрите фото выше, там где моток МГТФ и токовой трансформатор оно как бы работало. А при боевых испытаниях сгорает. Может супрессор надо поставить между стоком-истоком?
Re: SSTC E class. Помогите запустить.
.
Last edited by Qic on 19 May 2019, 19:31, edited 1 time in total.
- iEugene0x7CA
- Адепт
- Posts: 1571
- Joined: 20 May 2012, 02:38
- Location: Киев
Re: SSTC E class. Помогите запустить.
Qic всё шарит. 
Сразу напишу, что класс E — это не схемка со второго поста от Crazy_Fan.
Это очень хитрая конструкция для очень узкого применения, выглядящая примерно вот так:
Вот оригинальная статейка от Эрика Uzzors2k где я взял схемку: http://www.uzzors2k.4hv.org/index.php?page=4MHzclassE1
E-класс используется в катухах частотой от 1 МГц, и иногда вплоть до 30-ти МГц.
Понятное дело что никакой драйвер качать с такой частотой не будет, и по этому придумали хитрый концепт — поместить ёмкость затвора транзистора в колебательный контур и таковой раскачивать.
Штуковина на картинке выше представляет из себя следующие запчасти: генератор на 4 МГц, пушпульный каскад на биполярах, первый class E каскад(IRF630), и второй class E каскад(IRFP450).
Оба каскада на индукторе + ёмкость транзистора должны быть офигенно точно настроены на частоту генератора, а сам генератор быть дофига стабильным и не гулять, для чего автор даже поставил кварц.
Понятное дело, если заюзать обратную связь — частота генерации начнёт гулять во все стороны, зависимо от расстояния к стенам, влажности воздуха, количества людей в комнате, и наверное погоды на Марсе.
Короче говоря, класс E строится исключительно от генератора, и потом очень точно настраивается. Так же, для низкочастотных катух как у автора его юзать просто нет смысла.
Вот кстати примерчик как схемка работает, если кому любопытно. На 4 МГц получается очень любопытный расплывчатый пушистик:
Сразу напишу, что класс E — это не схемка со второго поста от Crazy_Fan.
Это очень хитрая конструкция для очень узкого применения, выглядящая примерно вот так:
Вот оригинальная статейка от Эрика Uzzors2k где я взял схемку: http://www.uzzors2k.4hv.org/index.php?page=4MHzclassE1
E-класс используется в катухах частотой от 1 МГц, и иногда вплоть до 30-ти МГц.
Понятное дело что никакой драйвер качать с такой частотой не будет, и по этому придумали хитрый концепт — поместить ёмкость затвора транзистора в колебательный контур и таковой раскачивать.
Штуковина на картинке выше представляет из себя следующие запчасти: генератор на 4 МГц, пушпульный каскад на биполярах, первый class E каскад(IRF630), и второй class E каскад(IRFP450).
Оба каскада на индукторе + ёмкость транзистора должны быть офигенно точно настроены на частоту генератора, а сам генератор быть дофига стабильным и не гулять, для чего автор даже поставил кварц.
Понятное дело, если заюзать обратную связь — частота генерации начнёт гулять во все стороны, зависимо от расстояния к стенам, влажности воздуха, количества людей в комнате, и наверное погоды на Марсе.
Короче говоря, класс E строится исключительно от генератора, и потом очень точно настраивается. Так же, для низкочастотных катух как у автора его юзать просто нет смысла.
Вот кстати примерчик как схемка работает, если кому любопытно. На 4 МГц получается очень любопытный расплывчатый пушистик:
Re: SSTC E class. Помогите запустить.
.
Last edited by Qic on 19 May 2019, 19:31, edited 1 time in total.
- iEugene0x7CA
- Адепт
- Posts: 1571
- Joined: 20 May 2012, 02:38
- Location: Киев
Re: SSTC E class. Помогите запустить.
Что-то очень хитро закручено. Я как-то описание UART'а читал в советской книжке по микропроцессорам — прямо 1 в 1.Qic wrote:Класс Е - тип резонансного усилительного каскада для заведомо известной и стабильной частоты (для радиопередатчиков но в данном случае) нагруженный на вторичный контур трансформатора Тесла.
Т.е. уже не зная что это — я бы фиг вообще понял о чём речь.
Кстати да, исторически использовался class E именно для радиопередатчиков — там как раз брали большой MOSFET и раскачивали его до 20 МГц дабы вещать на КВ диапазоне.
Технология очень крутая, позволяет выдавать киловатты в эфир из коробочки размером с ATX блок питания — пробивать может вплоть до 5000 км.
Мы как-то с товарищем из Москвы хохмили, мол если отключат интернет — соберём по такой штуке и будем бросать друг другу файлики со скоростью 9600 бод по XMODEM.
Да, типичная схема Class E передатчика выглядит вот так:
Где транзистор слева может быть любым и просто быстро переключаться...
А компоненты справа считаются в зависимости от того какая частота.
Если кому пригодится — вот тут есть практически всё необходимое: https://www.crarc.ampr.org/uploads/Main ... itters.pdf
Re: SSTC E class. Помогите запустить.
В общем пока то да сё, нарисовал вот такую схемку, купил мосфет ирф260 в местном чипдипе, пришли от товарищей кетайсев по пять штучек 260 и 460 на растерзание. Будем собирать.
Re: SSTC E class. Помогите запустить.
Да, на макетке собирал генератор на 4046, более менее разобрался в его работе, ну с первого взгляда ничего сложного, и чего так боятся этой 4046?
Re: SSTC E class. Помогите запустить.
.
Last edited by Qic on 19 May 2019, 19:32, edited 1 time in total.
- iEugene0x7CA
- Адепт
- Posts: 1571
- Joined: 20 May 2012, 02:38
- Location: Киев
Re: SSTC E class. Помогите запустить.
А сфотай, как выглядят.DmS wrote:пришли от товарищей кетайсев по пять штучек 260 и 460 на растерзание. Будем собирать.
Re: SSTC E class. Помогите запустить.
А что неверно?Qic wrote:Опять въебёт.
Чуть позже скинуiEugene0x7CA wrote:А сфотай, как выглядят.DmS wrote:пришли от товарищей кетайсев по пять штучек 260 и 460 на растерзание. Будем собирать.
Re: SSTC E class. Помогите запустить.
Не знаю видно или нет. Нет нормального фотика под рукой.iEugene0x7CA wrote:А сфотай, как выглядят.DmS wrote:пришли от товарищей кетайсев по пять штучек 260 и 460 на растерзание. Будем собирать.
У всех кетайских емкость затвора ниже даташитной в два раза.
Re: SSTC E class. Помогите запустить.
Всем привет! Появилось немного времени, запилил девайс по схеме выше (пока без прерывателя, в постоянном режиме)
Питание 48в
Столкнулся вот с какими проблемами
1) Аццки греется дроссель, который L1 на схеме (у меня он 20 микрогенри получился), буквально за 5-7 секунд краска пузирится и дым валит...
Дроссель сделан на желто-белом кольце, 33мм внешний диаметр, больше не нашел.
2) Далее, 4046 при использовании ФК который на 13й ноге стартует на 250кГц, ФК который на 2й ноге - 340кГц. На токовом трансформаторе на холодном конце вторички имеем теже 250 и 340кГц, хотя по расчетам резонансная частота должна быть в районе 370кГц.
Дуга от катушки дуга, но какая-то хилая, сантиметр-полтора... Получается на резонансной частоте не заводится что-ли?
3) Ну и вишенка на торт - через некоторое время жахнула сама 4046 (?!) и мосфет. Драйвер вроде выжил...
В общем куда копать дальше?
Питание 48в
Столкнулся вот с какими проблемами
1) Аццки греется дроссель, который L1 на схеме (у меня он 20 микрогенри получился), буквально за 5-7 секунд краска пузирится и дым валит...
Дроссель сделан на желто-белом кольце, 33мм внешний диаметр, больше не нашел.
2) Далее, 4046 при использовании ФК который на 13й ноге стартует на 250кГц, ФК который на 2й ноге - 340кГц. На токовом трансформаторе на холодном конце вторички имеем теже 250 и 340кГц, хотя по расчетам резонансная частота должна быть в районе 370кГц.
Дуга от катушки дуга, но какая-то хилая, сантиметр-полтора... Получается на резонансной частоте не заводится что-ли?
3) Ну и вишенка на торт - через некоторое время жахнула сама 4046 (?!) и мосфет. Драйвер вроде выжил...
В общем куда копать дальше?
Re: SSTC E class. Помогите запустить.
Собрал заново установку. В качестве обратной связи в этот раз заюзал антенку. Запустил на ФК2 (340кГц) и тут же опять жахнул транзистор, потянув за собой драйвер и микруху 4046
((
- iEugene0x7CA
- Адепт
- Posts: 1571
- Joined: 20 May 2012, 02:38
- Location: Киев
Re: SSTC E class. Помогите запустить.
DmS, установку в классе E с обратной связью сделать нельзя в принципе.DmS wrote:Собрал заново установку. В качестве обратной связи в этот раз заюзал антенку. Запустил на ФК2 (340кГц) и тут же опять жахнул транзистор, потянув за собой драйвер и микруху 4046
Сам класс E подразумевает отсутствие обратной связи и работу от генератора, с очень тонко подстроенными LC колебательными контурами по схеме.
Я чуть выше кидал схему трушного класса Е от Эрика Тейлора.
Если хочешь просто установку с 4046 — выбрасывай дроссель и прочее, делай на выходе силовуху-полумост с развязкой по GDT.
Так же не стоит делать преждевременно платку, дизайн должен работать в начале на соплях – например собранный на breadboard или perfboard, и только когда тот отлажен есть смысл его оформлять в прибор.
P.S. А дроссель греется т.к. желто-белое кольцо это распыленное железо.
Оно юзается на частотах до 100 Гц, или вообще на постоянке — что-либо высокочастотней будет его сильно нагревать, а сам дроссель как дроссель работать не будет.
Для катух нужен феррит из марганца-цинка, например советский М2000НМ. Он чётко работает на диапазоне 100-400 кГц.
Re: SSTC E class. Помогите запустить.
В общем я так понимаю вся фигня из-за дросселя. Надо его ликвидировать, и вместо него первичку подключать?
Вообще вчера собрал из г-на и палок силовую по топологии DRSSTC, только низковольтную, от 12 вольт и на комплементарных полевиках (полный мост). Завелась с пол-пинка (на 366кГц, что очень близко к расчетной частоте) и стабильно работала. Ну понятное дело что разряд небольшой был, сантиметр от силы.
Буду пробовать полумост теперь с сетевым питанием...
Вообще вчера собрал из г-на и палок силовую по топологии DRSSTC, только низковольтную, от 12 вольт и на комплементарных полевиках (полный мост). Завелась с пол-пинка (на 366кГц, что очень близко к расчетной частоте) и стабильно работала. Ну понятное дело что разряд небольшой был, сантиметр от силы.
Буду пробовать полумост теперь с сетевым питанием...
Re: SSTC E class. Помогите запустить.
Всем привет и с наступившим 2020м:))
В общем выдался мне тут денек свободный и решил допилить этот проект. Собрал все вот по такой схеме (только силовой транзистор irfp460, правда оригинал или нет хз)
Включил..... и все нахрен снова сгорело моментально - транзистор, супрессор в цепи затвора, резистор R6 который (причем там 1Вт стоит), драйвер 4420, стаб 7812, стаб 7805 на плате дигиспарк и кажется сама 4046.
Питание силовой части от 48В, остальная часть - от 19В блока питания ноута.
Перед подачей 48В, схему проверил, генератор работал норм, сигнал на затвор транзистора подавался.
На таком же генераторе собирал мостовую sstc (питание от 220в) и мостовую drsstc (от 48в) - все отлично работает. А вот с этой однотранзисторной что-то не взлетает...
В общем выдался мне тут денек свободный и решил допилить этот проект. Собрал все вот по такой схеме (только силовой транзистор irfp460, правда оригинал или нет хз)
Включил..... и все нахрен снова сгорело моментально - транзистор, супрессор в цепи затвора, резистор R6 который (причем там 1Вт стоит), драйвер 4420, стаб 7812, стаб 7805 на плате дигиспарк и кажется сама 4046.
Питание силовой части от 48В, остальная часть - от 19В блока питания ноута.
Перед подачей 48В, схему проверил, генератор работал норм, сигнал на затвор транзистора подавался.
На таком же генераторе собирал мостовую sstc (питание от 220в) и мостовую drsstc (от 48в) - все отлично работает. А вот с этой однотранзисторной что-то не взлетает...