БП осциллографа

Если вы - начинающий в электронике, то задайте ваш вопрос тут. Расскажите что вы уже сделали чтобы найти ответ на свой вопрос, опишите свои рассуждения.
Post Reply
User avatar
Nikomo
Posts: 261
Joined: 02 Oct 2012, 21:02

БП осциллографа

Post by Nikomo »

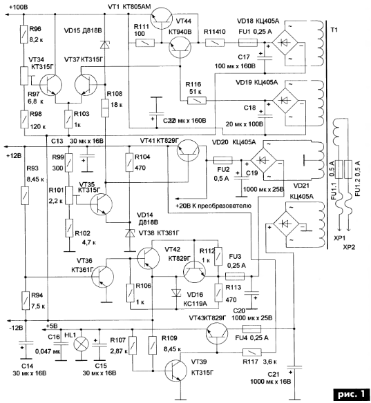
Попросили меня починить осциллограф.Нашёл проблему и, как понятно из темы - барахлит БП.Но из-за своего супернубизма даже не могу понять чего именно он барахлит-то.
Вот его схема:
IMG_11102013_212952.png
На месте, где должно быть -12В на самом деле -2.4В, на месте +5В всего +1.87В.
Прошу помощи в определении того, что именно не пашет (все транзисторы проверял и вроде все целы :? ).
webkirov
Posts: 277
Joined: 19 Aug 2011, 19:49
Location: Депрессивный регион

Re: БП осциллографа

Post by webkirov »

Стабилитрон VD16 исправен? Блок питания проверяется под нагрузкой или без? Может быть просто где-то непропай.
User avatar
Nikomo
Posts: 261
Joined: 02 Oct 2012, 21:02

Re: БП осциллографа

Post by Nikomo »

Стабилитрон вроде цел, не звинит, но попробую перепаять.
Post Reply