Тесла на одном транзисторе

Обсуждение общих вопросов, связанных с трансформаторами Тесла.
Poznajuschij
Posts: 223
Joined: 25 Nov 2014, 10:06

Тесла на одном транзисторе

Post by Poznajuschij »

Решил делать Теслу на одном транзисторе. За одно изучить 4046 ФАПЧ
Image

На сетевое напряжение :?
Вот решил кое что уточнить...
1. Я так понимаю, на транзисторе будет 310 вольт?
2. Получится на ней делать такие же молнии, как на полумостовой, при одинаковом потреблении из сети?
3. BD139-140 хочу заменить на драйвер IR2125... только не понятно, что за вход CS? Там по схеме компаратор, вот только что с чем он сравнивает... с минусом что ли??? Получается малейшее напряжение (0,3v) на нем и? Что будет? не понимаю...
4. И смущает меня Feedback на этой схеме... там из за конденсатора в 1 нф идет колебания напряжения? то есть без него там будет просто постоянка ?

Ну и что еще опасного может таить в себе силовая часть? Транзистор хочу ставить FGH60N60SMD http://lib.chipdip.ru/319/DOC000319308.pdf
User avatar
BSVi
Адепт
Posts: 3577
Joined: 15 Mar 2011, 12:32
Location: Киев

Re: Тесла на одном транзисторе

Post by BSVi »

1. При сетевом питании на транзисторе будет порядка 1000в. Поэтому и транзисторы нужны совсем другие :)
2. Скорее-всего. даже больше, если сможешь пройти через весь тот гемморой который эта маленькая схемка с собой принесет :)
Qic
Posts: 985
Joined: 03 Feb 2012, 00:14

Re: Тесла на одном транзисторе

Post by Qic »

Сей опус будет в двух душещипательных частях:
1) 300 дней ФАПЧ
2) 300 дней Класс Е. (Uпит*pi со всеми вытекающими).
Удачи. Ах да, это гибридный констракт с двойным резонансом причем с двойной опорой, усредняющей синхронизацией и независимой настройкой первичного контура и ЧМ звуком.
Таки да - я это собирал и даже работало. Больше не хочу.

Если желание еще есть - рекомендую посетить ИХХТ СО РАН а именно раздел экспериментатору. Касаемо оттуда взять всё по ФАПЧ, и собрать автоген как в ДРках, исключительно на частоту первички. Только в ДРке есть контурный кап - а тут есть Класс Е. В общем сделать ФАПЧ драйвер для Е класса. Заработает - замечательно.
Poznajuschij
Posts: 223
Joined: 25 Nov 2014, 10:06

Re: Тесла на одном транзисторе

Post by Poznajuschij »

Uпит*pi
Что это значит?
Откуда там 1000 вольт будет? Я не понял :shock: :shock: :shock:
Qic
Posts: 985
Joined: 03 Feb 2012, 00:14

Re: Тесла на одном транзисторе

Post by Qic »

Напряжение питания умножить на ПИ.
Читать про класс Е. Напряжение будет, уж поверь.
Poznajuschij
Posts: 223
Joined: 25 Nov 2014, 10:06

Re: Тесла на одном транзисторе

Post by Poznajuschij »

А как правильно найти этот Е класс? А то мне гугл мерседесы предлагает))) По какому запросу можно почитать про это дело подробнее...
Qic
Posts: 985
Joined: 03 Feb 2012, 00:14

Re: Тесла на одном транзисторе

Post by Qic »

"mosfet class e amplifier"
Например http://www.aoc.nrao.edu/~pharden/hobby/_ClassDEF1.pdf
Poznajuschij
Posts: 223
Joined: 25 Nov 2014, 10:06

Re: Тесла на одном транзисторе

Post by Poznajuschij »

Спасибо!
Читаю про Е класс, и вдруг понял, драйвер IR2125 до 500 вольт, а у меня 1000 намечается... Как быть? Опять что ли ГДТ городить... как-то не хочется...
User avatar
BSVi
Адепт
Posts: 3577
Joined: 15 Mar 2011, 12:32
Location: Киев

Re: Тесла на одном транзисторе

Post by BSVi »

Для e класса нужен только драйвер нижнего ключа. Тоесть, можно использовать и IR2125 но убрать диод и запитать плавающий выход от напряжения питания.
Poznajuschij
Posts: 223
Joined: 25 Nov 2014, 10:06

Re: Тесла на одном транзисторе

Post by Poznajuschij »

То есть для него без разницы, какое там напряжение питания транзистора? Так туда и UCC37321/2 можно ставить?
User avatar
BSVi
Адепт
Posts: 3577
Joined: 15 Mar 2011, 12:32
Location: Киев

Re: Тесла на одном транзисторе

Post by BSVi »

ага
Poznajuschij
Posts: 223
Joined: 25 Nov 2014, 10:06

Re: Тесла на одном транзисторе

Post by Poznajuschij »

Гонял я тут схемку в эмуляторе, пока транзисторы не доехали... Я так понимаю, что напряжение появляется после закрытия ключа? То есть по сути эти тысячи вольт с катушки идут... так их легко режет защитный диод... И ток через этот диод не превышает тока через транзистор, в открытом состоянии... так проблем то не должно быть...
Или я не на то смотрю?
User avatar
BSVi
Адепт
Posts: 3577
Joined: 15 Mar 2011, 12:32
Location: Киев

Re: Тесла на одном транзисторе

Post by BSVi »

Какой защитный диод?
Poznajuschij
Posts: 223
Joined: 25 Nov 2014, 10:06

Re: Тесла на одном транзисторе

Post by Poznajuschij »

1.5KE400CA например, между коллектором и эмиттером... Хотя в эмуляторе именно такого нет, но суть та же...
User avatar
BSVi
Адепт
Posts: 3577
Joined: 15 Mar 2011, 12:32
Location: Киев

Re: Тесла на одном транзисторе

Post by BSVi »

На этом диоде будет выделяться огромная мощность и он работать без иммерсионного охлаждения ему не выжить :)
Poznajuschij
Posts: 223
Joined: 25 Nov 2014, 10:06

Re: Тесла на одном транзисторе

Post by Poznajuschij »

ну можно ему параллельно конденсатор повесить, он приличную часть мощности заберет на себя...
Но суть в том, что бы поглотить или отвести именно этот выброс с катушки? Я правильно понял?
User avatar
BSVi
Адепт
Posts: 3577
Joined: 15 Mar 2011, 12:32
Location: Киев

Re: Тесла на одном транзисторе

Post by BSVi »

Конденсатор только запасет энергию. Когда транзистор включится, он всю это энергию и рассеет.
Poznajuschij
Posts: 223
Joined: 25 Nov 2014, 10:06

Re: Тесла на одном транзисторе

Post by Poznajuschij »

Да, точно... Спасибо!
Iridium
Posts: 2
Joined: 05 Aug 2015, 21:26

Re: Тесла на одном транзисторе

Post by Iridium »

Здравствуйте, делаю похожую схему только без PLL, и мечтаю о сетевом питании =)

Сейчас при 170в на латре амплитуда на стоке доходит до 800В,
теоретически если поднять до 220 на стоке должно быть около 1050 что еще укладывается в допустимые 1200. (FGA25N120)

Всё бы хорошо - пока не попробовал ловить разряд отверткой или руками, - осцилл показывает выбросы под 2Кв (при 80 на латре), транзистор почему-то жив но врятли ему хорошо.

В связи с этим несколько вопросов,
1. Что происходит в первичной цепи при разряде вторички на предмет ?
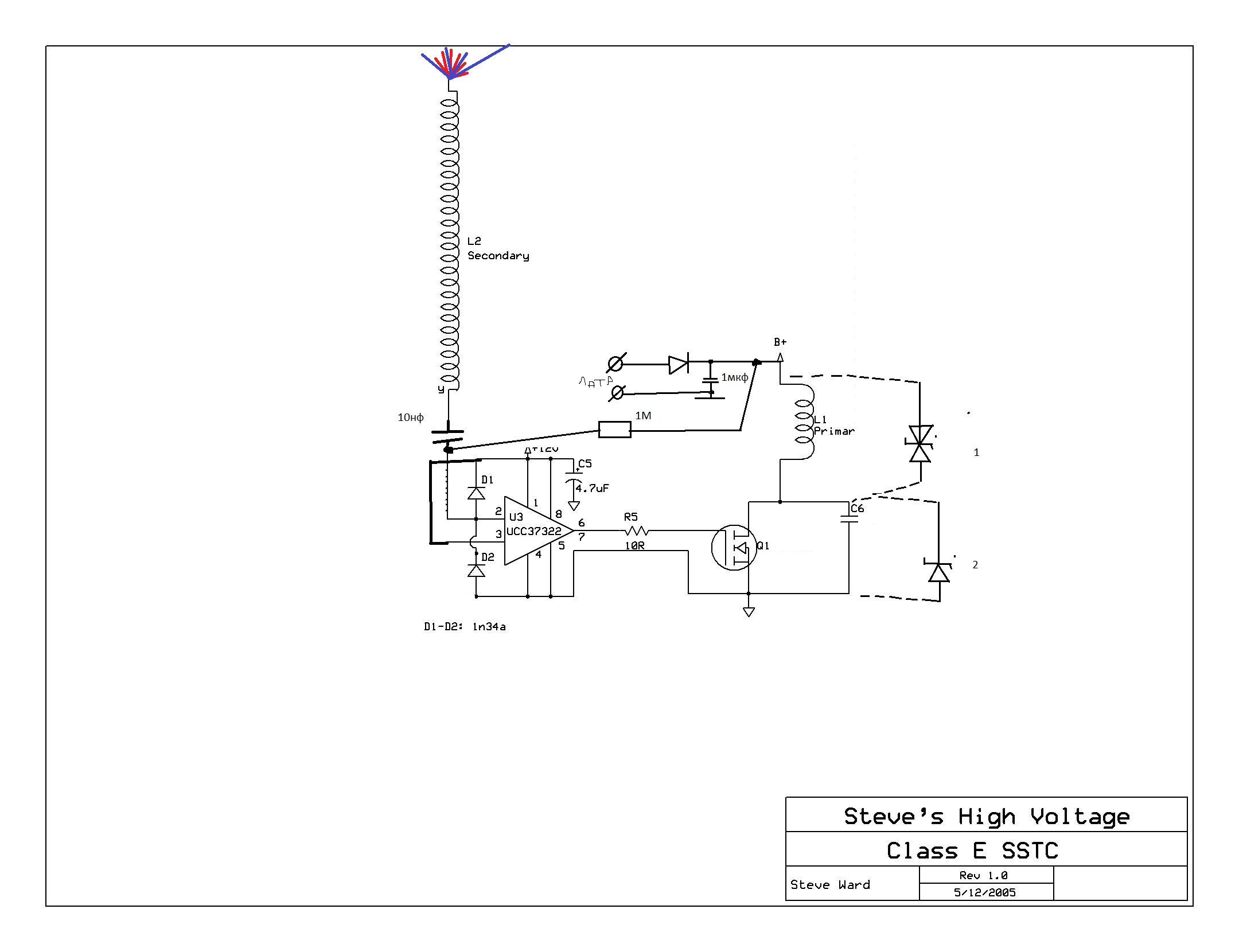
2. Как защитить ключ ? Нарисовал два варианта подключения супрессоров (сейчас вообще без них) Какой вариант предпочтительнее или может что-то еще ? Варисторы ?
Attachments
ClsESSTCsch1.jpg
User avatar
iEugene0x7CA
Адепт
Posts: 1571
Joined: 20 May 2012, 02:38
Location: Киев

Re: Тесла на одном транзисторе

Post by iEugene0x7CA »

Iridium wrote:Здравствуйте, делаю похожую схему только без PLL, и мечтаю о сетевом питании =)
2. Как защитить ключ ? Нарисовал два варианта подключения супрессоров (сейчас вообще без них) Какой вариант предпочтительнее или может что-то еще ? Варисторы ?
Ух и схемка. :)
На самом деле, все эти однотранзисторные решения не смотря на визуальную простоту принесут лишь тонну геморроя и рано или поздно всё равно заставят смотреть в сторону более удачных топологий.
Если хочется собрать именно однотранзисторную схему, из спортивного интереса или не знаю... То на эту тему в своё время была написана не плохая статейка:
http://tqfp.org/tesla/kacher-rabota-nad-oshibkami.html

Но а если просто хочется собрать что-то хорошее, и что главное — сетевое, то конечно, не могу посоветовать ничего другого, кроме как сразу переходить на полумостовую топологию с GDT.
Самой известной вступительной схемкой является Mini SSTC: http://www.stevehv.4hv.org/SSTC5.htm
В ней много чего не так, но она почти у всех работает с первого раза и что главное — в ней есть что совершенствовать. Я бы сразу собирал именно её. ;)
Iridium
Posts: 2
Joined: 05 Aug 2015, 21:26

Re: Тесла на одном транзисторе

Post by Iridium »

Хочется всетаки однотранзисторную. Точнее главным фактором является компактность силовой(и всей конструкции в целом)

Статью читал, отчасти и она сподвигла поставить УЦЦшку а не изголяться с известной схемой сетевого качера с дросселем)

И вот по поводу снабберов, вместо той хитроумной цепочки в статье (С1 L1 D6) я использую кап для Е-класса, но он явно не защищает от выбросов связанных с ловлей стриммера.

Поэтому, если уточнять вопрос, - как защитить ключ в режиме ловли стриммеров (хотя бы кратковременно) при том что силовая работает в Е классе ?
Последнее впрочем не обязательно, просто кап для е класса выходит гораздо компактнее того дросселя.
(а компактность важна)
Qic
Posts: 985
Joined: 03 Feb 2012, 00:14

Re: Тесла на одном транзисторе

Post by Qic »

Завести ОС с первички чтобы емкостное смещение частоты стримера не приводило к срыву устойчивого режима работы класса-Е в результате которого происходит перестройка и выброс. ИМХО.
Poznajuschij
Posts: 223
Joined: 25 Nov 2014, 10:06

Re: Тесла на одном транзисторе

Post by Poznajuschij »

Смотрел я множество схем тесел с 4046 микросхемой, не могу понять, почему никто не использует работу через 13 ногу, вместо 2-ой?
Получается же очень удобно, настройка только по переднему фронту, нет шансов для соскока на гармоники... Не удобно, что стартует она с максимально низкой частоты, но это не такая уж и проблема...
Я тут решаю как запускать SSTC на косом мосте, вот опять смотрю в сторону 4046 микрухи... Простой автоген не хочу, потому что уже делал)))
User avatar
BSVi
Адепт
Posts: 3577
Joined: 15 Mar 2011, 12:32
Location: Киев

Re: Тесла на одном транзисторе

Post by BSVi »

Я тут посимуллировал теслу на косом мосте и вот что получается: Мощные теслы ~2кВт запустить можно легко, а вот маломощные не очень то получается из-за того, что дроссель переходит в режим непрерывного тока, и нужна регулировка ширины импульса.
Poznajuschij
Posts: 223
Joined: 25 Nov 2014, 10:06

Re: Тесла на одном транзисторе

Post by Poznajuschij »

Дроссель? Первичка что ли?
Post Reply