Цифровой шум SimpleInterrupter
настраивал теслу drsstc и заметил одну особенность если при включении теслы в сеть 220в в течении 1 минуты не подконетить si и не сделать пробный пуск интераптером то происходит не понятный пробой и выбивает 16амперный автомат,ничего в тесле не сгорает ,перевключаю -все работает дальше.выход si дает какойто цифровой срач в диапозоне -0,4-06вольт пока не подконетился,только подконечиваюсь срач уходит в ноль,как примерно боротся ?подскажите пожалуйста!
- iEugene0x7CA
- Адепт
- Сообщения: 1571
- Откуда: Киев
savol писал(а):настраивал теслу drsstc и заметил одну особенность если при включении теслы в сеть 220в в течении 1 минуты не подконетить si и не сделать пробный пуск интераптером то происходит не понятный пробой и выбивает 16амперный автомат,ничего в тесле не сгорает ,перевключаю -все работает дальше.выход si дает какойто цифровой срач в диапозоне -0,4-06вольт пока не подконетился,только подконечиваюсь срач уходит в ноль
Так, ну это — точно не нормальный режим работы SI.

Я бы попробовал с другим SimpleInterrupter, присутствует ли на них этот же баг.
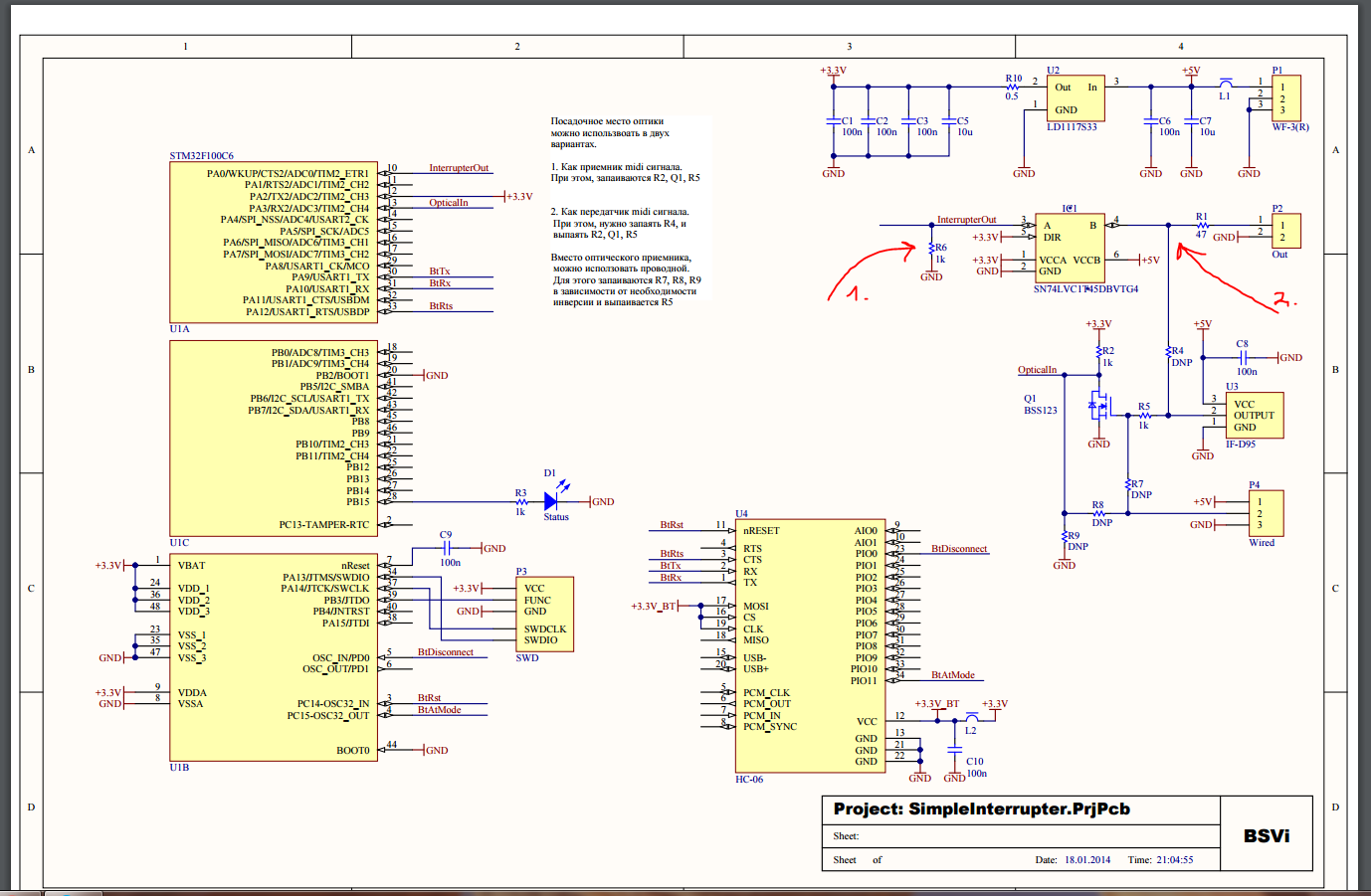
Если других нет — стоит посмотреть, все ли в порядке с подтягивающим резистором(1.) перед буфером, а так же схемкой внешнего входа/выхода/оптики(2.):
а R4 DNR-1кОм?оптику вообще не ставил!это я заметил на всех 5ти si что увас купил, раньше как бы не особо беспокоило,так как логика была не сильно чувствительна к частотам до 215кгц,а это пришел заказ на недорогую теслу,а у теслы частота 280кгц-и тут этот срач вылазит вот в такие бяки в виде пробоя между + и -310-450в даже TVS 1.5КЕ440СА не спасает,как такие издевательства диодный мост на 8 ампер выдерживает не понимаю?
а может R6 поставить на 600 Ом
- iEugene0x7CA
- Адепт
- Сообщения: 1571
- Откуда: Киев
А выложи фотки SI из конструкции.
Ткнул осциллом в лежавшую у меня платку — на выходе шум 30 мВ максимум:
R4 по дефолту не должен быть установлен. R6 лучше оставить 1k.
Ткнул осциллом в лежавшую у меня платку — на выходе шум 30 мВ максимум:
R4 по дефолту не должен быть установлен. R6 лучше оставить 1k.
R6 на месте. А есть осциллограмма того, что там происходит?
- iEugene0x7CA
- Адепт
- Сообщения: 1571
- Откуда: Киев
savol писал(а): близко расположены переменка с минусом постоянки
Жестко.

Так понимаю, что платки делаются пленочным фоторезистом(негативным), а так как лазерные принтера фигово печатают — жирный зазор не сделать.
Я бы пересмотрел способ производства платок: перейти на тот же аэрозольный фоторезист(позитивный) или начать заказывать с заводика.
Нынешний зазор никуда не годится, судя по калькуляторчику абсолютным минимумом является 2.5 мм, лучше больше:
Для себя кстати новую штуку кстати узнал, что минимальный спейсинг еще и от высоты над уровнем моря зависит.
Если пилить платку для высот >3000 метров — минимальный зазор увеличиться аж до 12 мм, так как там давление ниже и воздух пробивает жесче.

да фоторезистом ,лазер принт потом тонером(зачернителем),заказывать с завода пока накладно ,не тот еще спрос на изделия,пока справляюсь сам,но а вообще уже заглядывал на Киевский сайт по производству печатных плат.в Китае заказывать- не врубаюсь как это все им предоставлять!
Кто сейчас на конференции
Сейчас этот форум просматривают: нет зарегистрированных пользователей и 17 гостей