Page 1 of 1

74HC244 создание схемы вместе с логикой

Posted: 30 Sep 2012, 17:42
by freeminder
Добрый день, на этом форуме новенький (да и вообще новенький), поэтому мог перепутать ветку форума.

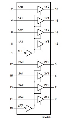
Вопрос следующий. Не смог найти в библиотеках 74HC244.

Задался мыслью сделать самому данный компонент. Да только вот не хочется просто сделать прямоугольник с I/O.

Хочется, чтобы на "крышке" микрухи была нарисована ее логика, примерно как в даташите.

Пока не знаю как даже подступиться к созданию своего компонента. Буду благодарен любым советам (где почитать, куда посмотреть)
74HC244.jpg

Re: 74HC244 создание схемы вместе с логикой

Posted: 30 Sep 2012, 17:46
by BSVi
В редакторе символов есть линии, кружочки и подобное. Вот ими и рисуйте. Меню с ними выпадает по нажатию буквы "P"

Re: 74HC244 создание схемы вместе с логикой

Posted: 30 Sep 2012, 17:50
by freeminder
Скажите, а вы не видели где нибудь туториал по созданию собственных компонентов.

Re: 74HC244 создание схемы вместе с логикой

Posted: 30 Sep 2012, 17:54
by BSVi
У меня на бложике?

Re: 74HC244 создание схемы вместе с логикой

Posted: 30 Sep 2012, 17:56
by freeminder
Будем искать. Я как и многие хочу всего и сразу) Но не в сказке ведь живем. Спасибо.

Re: 74HC244 создание схемы вместе с логикой

Posted: 30 Sep 2012, 22:20
by N1X
Советую посмотреть ГОСТ 2.743-91 - если по нему нарисовать уго то получается компактно и при этом с понятной логикой... но это на любителя...