Опыт в постройке тесел какой-никакой уже есть. Поигрался с качером, на коленке собирал маленькую SGTC, но она изначально была обречена на провал, т. к. вместо мота у меня был слабенький 10mA 5000V транс из мухоловки. Стриммеров я от неё так и не дождался, шипело только немножко из терминала
Она была успешно собрана и работоспособна, а по другому и быть не могло, ибо повторил я её почти деталь в деталь, правда платы сам разводил. Заработало всё с пол пинка, без всякой настройки. Выдавала свой честные 15 см. стриммера, но в корпус так и не была оформлена ибо мне этого показалось мало. В конце концов я отключил сигнал с прерывателя, по схеме это CW mode, с терминала на доли секунды страшно гудя вырвалось адское пламя и тесла замолчала успешно плюнув полевиками, так оно до сих пор и лежит. Будет донором для новой катушки. Вот такое небольшое предисловие, чтобы было хоть немного понятно сколько у меня опыта и чего мне хочется от теслы. А хочется мне приблизиться к результату BSVi и выжать с полметра стриммера, надеюсь этими полуметрами успокоить эту тягу к искоркам, оформить в красивый корпус из оргсткекла и хвастаться перед друзьями, знакомыми и в первую очередь потешить своё эго.
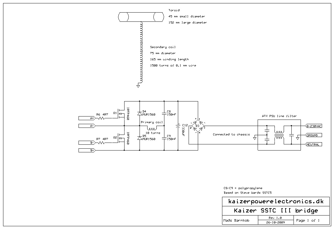
Строить собрался вокруг готового UTC, ибо сам драйвер такой сложности осилить точно не смогу. Надеюсь с помощью интеллектуальных пинков знающих людей что-нибудь из этого выйдет. Кое-какие знания в электронике есть, но не всё понимаю и во многом сомневаюсь. Поэтому будут вопросы, надеюсь никого своей неграмотностью не обижу, и не бросите меня на пол пути.
