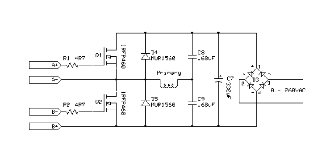
Для моста не юзать проволоку ниже 0,3мм.
С двойного моста 0,3 тоже хватает тоже ненадолго. Все давно испытано, какие нафиг 0,18мм.
BSVi писал(а):Так 0.18 предназначалось для полумоста, и, в таком применении, оно испытано вдоль и поперек.
Pigball писал(а):Прикол в том, что парни их апгрейдят и ,частично, не до конца всю инфу с форума здесь "курят". Просто лень. Говорят форум заглох - да не заглох, а смышленному человечку здесь инфы предостаточно, главное не ленится читать, собрать все воедино в голове, и задать вопросы по практике всем.
Nurflex писал(а):Когда планируется первый экземпляр на продажу? А то думаю, может обзавестись сразу + тор тянутый в посылку к ремонтной платке..
iEugene0x7CA писал(а):Pigball писал(а):Прикол в том, что парни их апгрейдят и ,частично, не до конца всю инфу с форума здесь "курят". Просто лень. Говорят форум заглох - да не заглох, а смышленному человечку здесь инфы предостаточно, главное не ленится читать, собрать все воедино в голове, и задать вопросы по практике всем.
А такая человеческая природа — при наличии идеи намного интересней её опробовать, чем искать тех кто уже делал до тебя.
В принципе, наверное в этом даже нет чего-то совсем плохого.
Кстати, мало кто догадывается насколько огромное количество труда было сделано до нас.
Я вот недавно на советские научные книжки подсел — это просто небо и земля относительно информации из сети.
В интернете по конкретной теме максимум найдешь короткую статейку, тред на форуме, или видео на Ютубе... Вроде этого достаточно — остальные детали сам прорабатываешь и доводишь...
Но в этот же момент берёшь книгу какого-нибудь 1972-го года, и там 300+ страниц по вопросу, который прорабатывался в каких-то крутых институтах академиками, и там описано наверное вообще всё.
Так что, даже то что мы здесь пишем на форумчике — уже давно проделанная работа, в каких-нибудь лабораториях 70-х годов где делали первые транзисторные инверторы для сварочников.
Есть огромное количество книг по силовой электронике, но таки природа человека предпочитает тусовку вместо вдумчивого сидения по библиотекам.


Boring Den писал(а):Простите за очень глупый вопрос: как купить SimpleTesla SSTC v1.0? ?
И получить по нему инфу?
На почту писал. чего то я не могу найти как заказать o_O
Живу в Киеве. Что с ним делать знаю))
Boring Den писал(а):ок. беру! подскажите плз с кем и как связаться?
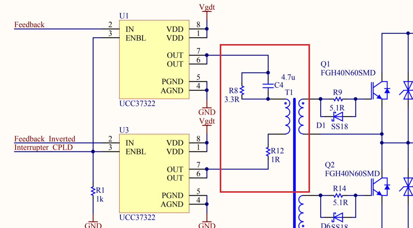
korshyn писал(а):почему в некоторых схемах, делитель на плёнках выносят к концу первичке, а в некоторых, например в вашей ST включён последовательно с первичкой?
Nurflex писал(а):Зачем терминал такой длинный, тороид ведь цельнотянутый?
Nurflex писал(а):ПСС: Мне кажется, я уже больше всех остальных уничтожал всякими разными способами ваши СС-ки и ДР-ки))
Сейчас этот форум просматривают: нет зарегистрированных пользователей и 16 гостей