SSTC от AC/DC
а кто нибудь собирал этот генератор http://stevehv.4hv.org/interrupter/intwbmsch.JPG ?работает?
- iEugene0x7CA
- Адепт
- Сообщения: 1571
- Откуда: Киев
Не, этот интер со Стивовского сайта абсолютно нерабочий, инфа 100%, честно.
ох спасибо а то я уже всю голову сломал почему он не работает у меня
Всё там рабочее. Собирал трижды с подстройкой номиналов под нужную катушку (SSTC/DRSSTC). Нечего копировать вслепую и на зеркало пенять.
- iEugene0x7CA
- Адепт
- Сообщения: 1571
- Откуда: Киев
Видимо с сарказмом у вас проблемы, ребят.
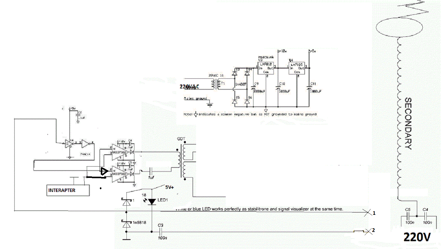
Здравствуйте, вот наконец все детали для катушки в сборе, а именно: UCC37322 smd 2 штуки, 1.5КЕ400 2 шт, HFA15PB60 2 шт, 74HC14N 1 шт, 60CTQ150 2 шт, IRFP460 2 шт, 1N5822 на затвор транзисторов, затворные резисторы 5.6 Ом, фильтрую щие банки 910 мф х 400 в., капа делитель 1,5мф х 630в пленки, диодный мост 50А 1000V, ГДТ на эпкосе 6 витков витой пары, фильтр по перемене от комповского бп с перемотанным кольцом, CY конденсаторы синие будут заюзаны как виртуальной заземление для теслы. Транс обратной связи 70 витков проводом .7 мм. В него пройдет провод 2,5 мм в изоляции, который одним выводом подсоединен к виртуальному заземлению, вторым к заземлению Теслы. Дрова будут питаться от Ташибры 100 ватт. Интер на NE555 с регулировкой мощности и частоты (к сожалению не знаю как сделать регулировку бпс). Пара вопросов.
Надо ли на UCC ставить радиатор? Хватит ли по одной UCC в smd в плечо? (Просто в Малеус малификарус было по две) если можно подскажите как сделать регулировку бпс? Силовую думаю запускать сначала от 55V. Потом от 110. Потом от 190. Все это через разделяющий транс. Ну а потом напрямую к сети. К сожалению фотки будут чуть попозже.
Буду рад выслушать ваши советы и предложения
P.S.ставлю Кондер 474 пленочный к питанию и возле ножек транзисторов. Хватит ли его? И еще: можно ли ставить 60CTQ150, если транзисторы IRFP460? На что экранировать корпус: на минус или на нижний вывод Теслы?
Надо ли на UCC ставить радиатор? Хватит ли по одной UCC в smd в плечо? (Просто в Малеус малификарус было по две) если можно подскажите как сделать регулировку бпс? Силовую думаю запускать сначала от 55V. Потом от 110. Потом от 190. Все это через разделяющий транс. Ну а потом напрямую к сети. К сожалению фотки будут чуть попозже.

Буду рад выслушать ваши советы и предложения

P.S.ставлю Кондер 474 пленочный к питанию и возле ножек транзисторов. Хватит ли его? И еще: можно ли ставить 60CTQ150, если транзисторы IRFP460? На что экранировать корпус: на минус или на нижний вывод Теслы?
Последний раз редактировалось AC/DC 26 май 2013, 16:27, всего редактировалось 2 раза.
Надо ли на UCC ставить радиатор?
Нет, не надо, греться будут, но не сильно.В Малеусе 4 из-за того, что он работает в СW режиме и частота работы, я думаю, побольше.
Диод 60СТQ150 - большой перебор, так как сами транзисторы умрут горахдо быстрее, чем эти 60 ампер станут нужными.Но использовать его, конечно, можно.
ставлю Кондер 474 пленочный
Кондер надо брать с наименьшей паразитной индуктивностью, ибо выбросами поубивает силовую, у меня так было

Как узнать какая у него индуктивность? Он обычный красный размером как IRFP460 без ножек. На нем написано JB 2G номиналом 474k
Я вообще не скажу, но такого рода данные должны быть указаны в даташите на данный тип конденсаторов.Я не парился и взял просто низкоиндуктивные СBB21.
Ну ладно,так на что подсоединять корпус в котором все это будет и можно ли юзать 60ctq150
и можно ли юзать 60ctq150
Писал уже
Диод 60СТQ150 - большой перебор, так как сами транзисторы умрут горахдо быстрее, чем эти 60 ампер станут нужными.Но использовать его, конечно, можно.
Я не знаю, иначе ответил бы уже.Заземлять его надо, наверно...
Итак,первые запуски довольно скверные,но для начала как и обещал-фотки и описание
на этой фотке силовая(д.мост 50ампер,фильтрокап 910мкф,каподелитель 3мкф 630в пленки,irfp460-2шт.hfa15pb60-2шт.60ctq150-2шт.1.5ke400-2шт.резисторы 5,6ом 1ватт диоды 1n5822 стабы на гдт не ставил,схема из пособия) гдт мотал наугад,т.к небыло нета чтоб прогу по расчету скачать.в обмотке 3 жылы витой пары,5-6витков дрова на двух 37322 и 74нс14(на вход одной микросхемы 37322 подключен доп.элемент 74той дабы превратить ее в 37321(микры в соик8)на всякий случай прилепил радиатор.ОС через транс тока 50витков витой парой(по вторичке)диодная вилка из 1n4148 и светодиод в обратном направлении,впрочем схема и фото прилагаются интер был на не555 на где-то 400кгц(фото и схему интера и фотки с описаннием МАЛЕНЬКОЙ катушки можно найти в начале темы)питал поочередно через транс 30в 50в 110в 190в потом сгорел транзистор и уццшки,стример максимум был 1см и не реагировал на интер(небыло звука от плазмы)складывалось ощущение что собрал очень дорогой качер,но я не сдаюсь и уже заказываю новые детальки и развожу нормальную плату.есть видео работы,но выложу попозже.Есть несколько вопросов:почему схема работала так как я описал(подозреваю что ос или гдт),обязательно ли ставить смд кондеры или обычная керамика нехуже???буду рад вашим сообщениям,всем заранее спасибо за помощь!!!
на этой фотке силовая(д.мост 50ампер,фильтрокап 910мкф,каподелитель 3мкф 630в пленки,irfp460-2шт.hfa15pb60-2шт.60ctq150-2шт.1.5ke400-2шт.резисторы 5,6ом 1ватт диоды 1n5822 стабы на гдт не ставил,схема из пособия) гдт мотал наугад,т.к небыло нета чтоб прогу по расчету скачать.в обмотке 3 жылы витой пары,5-6витков дрова на двух 37322 и 74нс14(на вход одной микросхемы 37322 подключен доп.элемент 74той дабы превратить ее в 37321(микры в соик8)на всякий случай прилепил радиатор.ОС через транс тока 50витков витой парой(по вторичке)диодная вилка из 1n4148 и светодиод в обратном направлении,впрочем схема и фото прилагаются интер был на не555 на где-то 400кгц(фото и схему интера и фотки с описаннием МАЛЕНЬКОЙ катушки можно найти в начале темы)питал поочередно через транс 30в 50в 110в 190в потом сгорел транзистор и уццшки,стример максимум был 1см и не реагировал на интер(небыло звука от плазмы)складывалось ощущение что собрал очень дорогой качер,но я не сдаюсь и уже заказываю новые детальки и развожу нормальную плату.есть видео работы,но выложу попозже.Есть несколько вопросов:почему схема работала так как я описал(подозреваю что ос или гдт),обязательно ли ставить смд кондеры или обычная керамика нехуже???буду рад вашим сообщениям,всем заранее спасибо за помощь!!!

Прерыватель на 400кгц? Вы серъезно? Провода к диодам очень длинные. Обычная керамика не хуже.
- iEugene0x7CA
- Адепт
- Сообщения: 1571
- Откуда: Киев
Братюнь, сделай себе одолжение и купи нормальную, или хотя бы дырявую макетку, ибо отлаживать теслу на свеже созданных печатках(которые похоже рисуются маркером)- это unreal.
провода к диодам около 30см,а к чему вообще сводится настройка драйвера?
AC/DC писал(а):а к чему вообще сводится настройка драйвера?
А осцилл имееться?
Надо смотреть сигнал на затворах транзисторов и подстраивать ГДТ для достижения оптимальных прямугольников.Ещё надо deadtime смотреть и работу инвертора проверять (про инвертор - это сугубо от меня, ибо горел таковой и не раз

А вообще, если сразу спаянный драйвер был подключен к силовой и сразу запущена вся тесла, то её смерти удивляться не стоит.Дрова надо было как следует оттестить и только тогда производить пуски.
P.S.А какая ёмкость стоит на ногах UCC?
видео как и обещал
http://www.youtube.com/watch?v=sap4r3gd ... e=youtu.be Это при 33 вольтах
http://www.youtube.com/watch?v=S22_BbAB ... e=youtu.be Это при 55 вольтах
http://www.youtube.com/watch?v=ESuO20tV ... e=youtu.be Это при 135 вольтах
http://www.youtube.com/watch?v=CxfHGrOL ... e=youtu.be Это при 195 вольтах
http://www.youtube.com/watch?v=sap4r3gd ... e=youtu.be Это при 33 вольтах
http://www.youtube.com/watch?v=S22_BbAB ... e=youtu.be Это при 55 вольтах
http://www.youtube.com/watch?v=ESuO20tV ... e=youtu.be Это при 135 вольтах
http://www.youtube.com/watch?v=CxfHGrOL ... e=youtu.be Это при 195 вольтах
на ногах по 1мкф,осцила нет,может гдт просто расчитать нормально и ос намотать витков 300
ПС я тестил только подключением разных емкостей к вторичкам гдт,все работало(я подозреваю это ОС)
ПС я тестил только подключением разных емкостей к вторичкам гдт,все работало(я подозреваю это ОС)
AC/DC писал(а):ПС я тестил только подключением разных емкостей к вторичкам гдт,все работало(я подозреваю это ОС)
Я конечно всё понимаю, но ой туго без осцилла работать.Да и как можно точно сказать что всё работало, если не видно нифига

А на ноги UCC можно и больше капов допаять, может и не сильно нужно, но лучше перестраховаться.
P.S.На видео катуха в СW пашет?
в том то и дело что я незнаю в каком она режиме,интер на одной не555(кап задающий частоту на 3.2нана плюс два переменных резистора 50ком один на рег.мощности,а другой на частоту)частота 100% слышимая,при подсоединении к динамику раздался писк)ВНИМАНИЕ,ВОПРОС!!!Какая частота и длительность оптимальны для теслы 700кгц?а то я запутался
ВНИМАНИЕ,ВОПРОС!!!Какая частота и длительность оптимальны для теслы 700кгц?
Оптимальной нет, но тестировать нужно начать с 10гц/100мс если у тебя SSTC и 100гц/5мкс если у тебя DRSSTC
Кто сейчас на конференции
Сейчас этот форум просматривают: нет зарегистрированных пользователей и 7 гостей