Зарядка батареи конденсаторов для рельсотрона.
>Товарищи, а чем не угодил flyback в качестве зарядного?
Ну, с CC модом всем угодил. На какой нить 3842. А то с VСM перейдет в неразрывный ток, а потом насытится нафиг. Опять же, смотря какая моща.
Что плохого в полумосте на ИРке я так и не понял. Проще же некуда. И пару сотен Вт влегкую отдаст.
Ну, с CC модом всем угодил. На какой нить 3842. А то с VСM перейдет в неразрывный ток, а потом насытится нафиг. Опять же, смотря какая моща.
Что плохого в полумосте на ИРке я так и не понял. Проще же некуда. И пару сотен Вт влегкую отдаст.
А трансформатор работающий с постоянным подмагничиванием и с зазором не на полную габаритную мощность будет меньше чем у простого пуш-пулла?
Впрочем я не знаю наверняка, но не встречал flyback-ов повышающих, особенно в 20раз. В частности учитывая что по высокой стороне можно поставить удвоитель в качестве выпрямителя, а в однотакте только выпрямитель, да еще и полпериодный.
Впрочем я не знаю наверняка, но не встречал flyback-ов повышающих, особенно в 20раз. В частности учитывая что по высокой стороне можно поставить удвоитель в качестве выпрямителя, а в однотакте только выпрямитель, да еще и полпериодный.
viewtopic.php?f=27&t=1241 - Вот там схема повышающего в 30 раз (12-400)
Но да, с полевыми транзисторами такое не проканает, у высоковольтных большое сопротивление канала. Придется делать немного по-другому, но все же...
И кстати, когда я пытался такое сделать с uc3842 оно не захотело работать (т.к. больше 70% заполнения она не даст, а автогенераторная схема - еще как)
Qic, вы часом fyback с boost не путаете? У меня по схеме буст, но на 20Вт, на больших мощностях лучше делать flyback. А Flyback прекрасно повышает в сотни раз - строчный трансформатор телевизора, например... (да и умножитель там ставят)
Но да, с полевыми транзисторами такое не проканает, у высоковольтных большое сопротивление канала. Придется делать немного по-другому, но все же...
И кстати, когда я пытался такое сделать с uc3842 оно не захотело работать (т.к. больше 70% заполнения она не даст, а автогенераторная схема - еще как)
Qic, вы часом fyback с boost не путаете? У меня по схеме буст, но на 20Вт, на больших мощностях лучше делать flyback. А Flyback прекрасно повышает в сотни раз - строчный трансформатор телевизора, например... (да и умножитель там ставят)
но не встречал flyback-ов повышающих, особенно в 20раз
Повышающий флайбэк раньше был в каждом телевизоре. И в каждом фотоаппарате до сих пор присутствует. Кстати, он там, как-раз, заряжает конденсатор.
а в однотакте только выпрямитель, да еще и полпериодный.
Зато, флайбэк не боится КЗ выхода, даже если что-то случится с управлением.
Но да, у классического флайбэка будет куча проблем со снаббером на большой мощности. Поэтому, пуш пул тут должен рулить. Вообще, в большинстве случаев, как только слышишь про большую мощность при маленьких напряжениях, это - к пуш-пуллу. Полумост тоже можно попробовать, но он делит напряжение пополам, что сразу удваивает количество витков трансформатора, и, соответственно, потери.
BSVi, про снаббер вы правы, только можно это обойти в случае квазирезонансных схем (что я и проделал в своей установке)
Вообще, мне думается LLC преобразователь тоже подходит к данной задаче (если не делается портативная установка, т.к. я не видел llc-пушпула)
Вообще, мне думается LLC преобразователь тоже подходит к данной задаче (если не делается портативная установка, т.к. я не видел llc-пушпула)
Короче 2153 с полумостом решит все проблемы 

>Зато, флайбэк не боится КЗ выхода, даже если что-то случится с управлением.
Если только CCM, читай пост выше.
>Вообще, мне думается LLC преобразователь тоже подходит к данной задаче
Если моща приличная, то имеет смысл, с обратками по напруге и току. На какой-нить 92020. А так - нерезонансный дроссель или транс с зазором. Менее чувствительно будет к разбросу элементов.
Если только CCM, читай пост выше.
>Вообще, мне думается LLC преобразователь тоже подходит к данной задаче
Если моща приличная, то имеет смысл, с обратками по напруге и току. На какой-нить 92020. А так - нерезонансный дроссель или транс с зазором. Менее чувствительно будет к разбросу элементов.
- iEugene0x7CA
- Адепт
- Сообщения: 1571
- Откуда: Киев
BSVi писал(а):Повышающий флайбэк раньше был в каждом телевизоре. И в каждом фотоаппарате до сих пор присутствует. Кстати, он там, как-раз, заряжает конденсатор.
Сразу видно человека, разбомбившего не один фотоаппарат и не один телевизор.

korshyn писал(а):Может я слепой, пролистал с 1 по 9 страницу не нашёл схемку, можете скинуть прямую ссылку?
Вот тут есть схемка: viewtopic.php?p=13103#p13103
Драйверная часть справа, состоит из UCC37324 и FDD8424 — по идее уже её достаточно, дабы драйвить небольшой повышающий трансформаторчик.
Куча диодов между ключами и UCC'шками обязательны, это RD цепочки для пассивного дед-тайма — без них сильно сквозят и греются выходные каскады.
Насчет обсуждений — по моему нужно меньше болтать и больше делать.
Эту зарядку дня за 4 запилить можно, просто тыкаясь.

P.S. Кстати, вариант super_bum'а наиболее прост в реализации.
100 лет назад делал строчник на IR2153, при невысокой частоте вполне себе драйвит ключики.
Сорян за долгое отсутствие.
Вот собственно драйвер, сзади дорожки убиты немного, ибо несколько раз паял-выпаивал.
Конденсаторы керамические стоят, что могу отметить, так это их высокие потери и внутреннее сопротивление. (V loss - 1.2% ESR - 2.1 Ohm)
Драйвер новый жду ещё. Вставил в тестер совковые керамические видит только ёмкость. Это нормально или нет?
Так нема диодов на ~500, максимум на 440 идут. Можно последовательно 2 по 250?
Так не тянет ирка такие затворы.
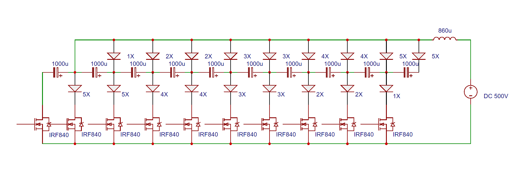
Вот так примерно выглядит зарядка конденсаторов, каждый диод это (nX) сборка последовательных диодов HER208 (1000 вольт, 2А). Всю схему рассчитывал под импульсный ток 24А, хоть и преобразователь больше 4А не даст.
Qic писал(а):А покажи фотографию как эта схема собрана, это многое скажет, даже больше схемы.
Вот собственно драйвер, сзади дорожки убиты немного, ибо несколько раз паял-выпаивал.
Конденсаторы керамические стоят, что могу отметить, так это их высокие потери и внутреннее сопротивление. (V loss - 1.2% ESR - 2.1 Ohm)
Драйвер новый жду ещё. Вставил в тестер совковые керамические видит только ёмкость. Это нормально или нет?
T1m писал(а):Но в последовательной батарее меня смущают напряжения на банках, хоть TVS-диоды для защиты поставьте, у китайских электролитов очень большой разброс по утечкам...
Так нема диодов на ~500, максимум на 440 идут. Можно последовательно 2 по 250?
super_bum писал(а):Короче 2153 с полумостом решит все проблемы
Так не тянет ирка такие затворы.
iEugene0x7CA писал(а):Вот небольшой набросок дизайна:
Untitled1.png
Сделать такую штуку не сложно, но таки полную схему рисовать тебе — заодно прокачаешь скилл "схемотехника".
korshyn писал(а):Вы меня наверно не поняли, позже нарисую о чём я говорю, мне кажется, что всё куда сложнее.
korshyn писал(а):Какую и на чём можно организовать логическую цепочку, чтобы он сначала открывала первый транзистор заряжала действующими 500 вольт до "ВЫСТАВЛЕННОГО НАПРЯЖЕНИЯ (возможность корректировать онлайн)" после достижения отметки закрывала транзистор, открывала следующий и так до последнего? Думаю простыми компараторами тут точно не обойтись.
Вот так примерно выглядит зарядка конденсаторов, каждый диод это (nX) сборка последовательных диодов HER208 (1000 вольт, 2А). Всю схему рассчитывал под импульсный ток 24А, хоть и преобразователь больше 4А не даст.
Вам придется ставить транзисторы и диоды на максимальное напряжение всей цепочки.
Т.е. если батарея на 5кВ - ищите ключи на 5кВ (по крайней мере первые)
Имхо, проще взять один трансформатор и намотать там сразу 10 обмоток проводом в пластиковой изоляции - тогда понадобятся диоды на 600В всего. А этот ваш конструктив - overengineering какой-то...
Т.е. если батарея на 5кВ - ищите ключи на 5кВ (по крайней мере первые)
Имхо, проще взять один трансформатор и намотать там сразу 10 обмоток проводом в пластиковой изоляции - тогда понадобятся диоды на 600В всего. А этот ваш конструктив - overengineering какой-то...
T1m писал(а):Имхо, проще взять один трансформатор и намотать там сразу 10 обмоток проводом в пластиковой изоляции - тогда понадобятся диоды на 600В всего. А этот ваш конструктив - overengineering какой-то...
Ты гений чувак!!! Я у мамы инженер просто, по этому не ищу лёгких путей. Я сейчас валяюсь и ору просто над собой.
- iEugene0x7CA
- Адепт
- Сообщения: 1571
- Откуда: Киев
korshyn писал(а):Я у мамы инженер просто, по этому не ищу лёгких путей. Я сейчас валяюсь и ору просто над собой.
Воу, без оскорблений плиз.

T1m прав на самом деле, дабы избежать намотки трансформатора ты готов слепить громадину из 10-ти силовых транзисторов, 18-ти диодов и 10-ти электролитов на 1000 uF.
Не очень правда понял, что он имел в виду под 10-ю обмотками — первичной и вторичной достаточно.
korshyn писал(а):Так не тянет ирка такие затворы.
У меня на видео как-то тянула, и там были не IRF840 — там IRF3205.
В принципе — делай как душа пожелает. Мы можем лишь советики кинуть.
iEugene0x7CA писал(а):Не очень правда понял, что он имел в виду под 10-ю обмотками — первичной и вторичной достаточно.
Он имел ввиду 10 вторичных обмоток, тогда каждый конденсатор можно отвязать друг от друга гальванически. К каждому конденсатору компаратор через делитель и полевик который отключит питание с обмотки на конденсатор. Не разу ещё компараторы не использовал. Уф, 900 витков мотать через кольцо жёстка. Но это должно быть куда безопаснее и стабильнее, компактнее и дешевли нежели ~50 диодов.
Какие компараторы использовать, для открытия/закрытия полевика в схеме по типу, как вы (Евгений) ранее?
Сейчас схему нарисую.
iEugene0x7CA писал(а): прав на самом деле, дабы избежать намотки трансформатора
Трансформатор я мотал с 2 обмотками, мне и в голову не приходило, что можно сделать не 1 силовой выход, а 10 для каждого.
iEugene0x7CA писал(а):Не очень правда понял, что он имел в виду под 10-ю обмотками — первичной и вторичной достаточно.
korshyn писал(а):Он имел ввиду 10 вторичных обмоток, тогда каждый конденсатор можно отвязать друг от друга гальванически. К каждому конденсатору компаратор через делитель и полевик который отключит питание с обмотки на конденсатор.
Не надо даже компараторов. Flyback нужен с малым рассеянием, и tvs на 440 (на самом деле они как-раз где-то на 500В и сработают, подробнее - даташит на них кури) Напряжение само выше рассчитанного не вылезет (стабилизацию можно завести по отраженному напряжению, no problems
И кстати, у flyback мало витков во вторичке


И даже если поставить на каждый конденсатор по компаратору и ключу, все-равно будет меньше геммороя чем с предложенной тобой схемой (по очень простой причине - твоя схема так или иначе - умножитель. и крайний коммутирующий элемент придется брать на максимальное напряжение батареи - найди-ка транзистор на 5 киловольт...)
Я чет не совсем понимаю зачем ставить такие кирпичи, которые не тянет ирка. Эту батарею нужно заряжать 800 раз в минуту что ли?
Как тут интересно. Напоминает флайчик лет 7 назад. Такую хрень намудрить.
Коала аж листьями подавилась.
Коала аж листьями подавилась.

super_bum писал(а):Я чет не совсем понимаю зачем ставить такие кирпичи, которые не тянет ирка. Эту батарею нужно заряжать 800 раз в минуту что ли?
Я вот еще не видел кирпичей, которые ирка не вытянула бы. Даже те же 60n60 вытягивает без выкрутасов...
super_bum писал(а):Эту батарею нужно заряжать 800 раз в минуту что ли?
Ты угадал, я хочу вытащить сейчас с полумоста 1800 ватт, а затем если всё получиться забацать мост на IRFP7430 на 13кВт. Шобы как из пулемёта стрелять

P.S Я сумашедший!!!
22нф - кирпич, ирке будет сложно. А что планируется в качестве источника для питания супер преобразователя на 13кВт? Кстати, есть готовая схема довольно простого резонансного зарядника конденсаторов.
BSVi писал(а):А что планируется в качестве источника для питания супер преобразователя на 13кВт?
Полимер 22,2 в 6000 мAh с этим справиться. Только уж больно дорого и вес 1кг внушительный, это больше фантазии, чем реальность.
Боюсь, что от 22в даже 1.8кВт - это 81А. Естественно, через транзисторы будет течь как минимум двукратный ток, тоесть, 160А, а сопротивление всей системы, учитывая скин-эффект должно быть 0.2Ома, что сделать не так то просто.
Поэтому, я бы начал с повышения напруги, или уменьшения хотелок по мощности. С полумостом тоже будут сложно - ток нужно в два раза завышать. Поэтмоу либо мост, либо пуш-пулл.
Поэтому, я бы начал с повышения напруги, или уменьшения хотелок по мощности. С полумостом тоже будут сложно - ток нужно в два раза завышать. Поэтмоу либо мост, либо пуш-пулл.
korshyn писал(а):Полимер 22,2 в 6000 мAh с этим справиться. Только уж больно дорого и вес 1кг внушительный, это больше фантазии, чем реальность.
https://hobbyking.com/en_us/graphene-60 ... -xt90.html
Единственное, что сможет обеспечить такую мощность. 8,5кВт продолжительно, 17кВт импульсно.
Транзисторы будут необходимы в корпусе directFET.
Топология преобразователя (единственная из подходящих) qr-multiphase-pp (многофазный квазирезонансный пуш-пулл).
Если использовать аккумулятор про который вы говорили ранее (с максимальным током 210А) придется потеснится по мощности до 4,6кВт. В данном случае можно использовать более доступные ключи в корпусе TO247. Топология останется той же. Если _очень_ постараться, можно сделать полностью ручной вариант орудия.
Единственная проблема - ваши электролитические конденсаторы не подходят. Они станут точкой отказа (очень вероятно на первом же испытании полной мощностью)
Изготовить реально. Вот только возьметесь ли? Я лично готов оказать посильную поддержку разработке (кроме прямой физической т.к. живу в жопе мира)
Жизнь боль, когда строчишь сообщение отправляешь, а оказывается, что вышел из профиля.
Кек, я загнул насчёт 13кВт, мечты... Вот сейчас, что я точно соберу (только хз сколько времени потребуется) так это 2 кВт.
Толщина скин слоя при частоте 50 кГц ~ 0.944 мм, что позволяет спокойно использовать провод диаметром до 2 мм. Шину из 2 витков можно намотать равномерно распределив и запаралелив провод 2,5мм^2.
Пока соберу полумост, холодные транзисторы рассчитаны на 180А , думаю 140А с радиатором 1,5 с продержаться. Если ничего не получиться, соберу полумост по схеме скинутой Сергеем. По зарядке на схеме, такое количество диодов жёстка.
Вот расчёт трансформатора количество обмоток в два раза выше, я только одного не пойму при текущей частоте 50 кГц, индуктивности 13,1 мкГн и ёмкости 4,7 мкФ реактивное сопротивление должно быть не меньше 3,4 ома, с таким сопротивлением и речи о 70А нету. Почему прога считает 1,8кВт выхода?
Кек, я загнул насчёт 13кВт, мечты... Вот сейчас, что я точно соберу (только хз сколько времени потребуется) так это 2 кВт.
BSVi писал(а): Сопротивление всей системы, учитывая скин-эффект должно быть 0.2 Ома, что сделать не так то просто.
Толщина скин слоя при частоте 50 кГц ~ 0.944 мм, что позволяет спокойно использовать провод диаметром до 2 мм. Шину из 2 витков можно намотать равномерно распределив и запаралелив провод 2,5мм^2.
BSVi писал(а):Естественно, через транзисторы будет течь как минимум двукратный ток, тоесть, 160А
Пока соберу полумост, холодные транзисторы рассчитаны на 180А , думаю 140А с радиатором 1,5 с продержаться. Если ничего не получиться, соберу полумост по схеме скинутой Сергеем. По зарядке на схеме, такое количество диодов жёстка.
Вот расчёт трансформатора количество обмоток в два раза выше, я только одного не пойму при текущей частоте 50 кГц, индуктивности 13,1 мкГн и ёмкости 4,7 мкФ реактивное сопротивление должно быть не меньше 3,4 ома, с таким сопротивлением и речи о 70А нету. Почему прога считает 1,8кВт выхода?
korshyn писал(а):Ты угадал, я хочу вытащить сейчас с полумоста 1800 ватт, а затем если всё получиться забацать мост на IRFP7430 на 13кВт. Шобы как из пулемёта стрелять.
P.S Я сумашедший!!!
Электролиты при этом сразу же накроются.
Кто сейчас на конференции
Сейчас этот форум просматривают: нет зарегистрированных пользователей и 8 гостей