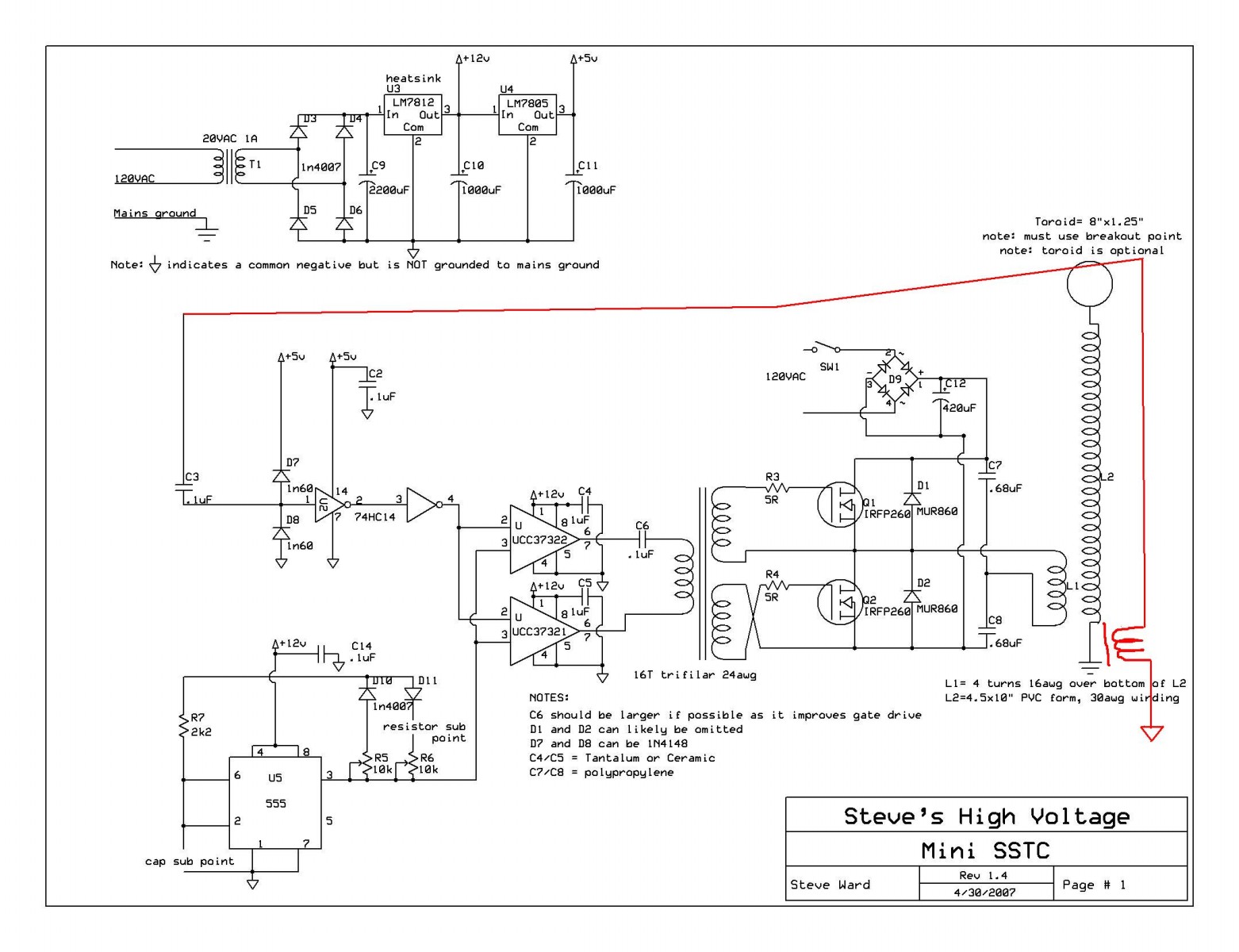
SSTC от Nikomo
- iEugene0x7CA
- Адепт
- Сообщения: 1571
- Откуда: Киев
Да, именно так.
Если катушка маломощная(как у тебя), то там пофигу, можно не рассчитывать.
74HC14 в принципе вообще можно не ставить, они идут как доп. буфер и защита дорогих UCC'шек в случае чего.
Многие на них забивают йух, просто добавляют парочку стабилитронов для защиты драйверов, и все. Кстати, вместо таковых сейчас очень модно использовать просто синий светодиод, у него падение около 3-х вольт, как раз до логического 1 дотягивает, ну и визуализацию ОС дает, красотища. Но ты пока не особо переживай, собери пока по схеме, убедись в работе, а после будешь шаманить.
Да, и кап после ТТ лучше поставить вольт так на 500, а то у меня однажды 50-вольтовый сгорел.
Если катушка маломощная(как у тебя), то там пофигу, можно не рассчитывать.
74HC14 в принципе вообще можно не ставить, они идут как доп. буфер и защита дорогих UCC'шек в случае чего.
Многие на них забивают йух, просто добавляют парочку стабилитронов для защиты драйверов, и все. Кстати, вместо таковых сейчас очень модно использовать просто синий светодиод, у него падение около 3-х вольт, как раз до логического 1 дотягивает, ну и визуализацию ОС дает, красотища. Но ты пока не особо переживай, собери пока по схеме, убедись в работе, а после будешь шаманить.
Да, и кап после ТТ лучше поставить вольт так на 500, а то у меня однажды 50-вольтовый сгорел.
Советую ознакомиться https://bsvi.me/transformator-toka/ и https://bsvi.me/mikro-sstc-malleus-maleficarum/ .
Qic, я уже давно ознакомился и с тем и с тем, но статья эта про ТТ, который в DRSSTC используется как источник сигнала для ограничителя тока(OCD), а мне обратная связь нужна, по которой я уже вроде всё благодоря iEugene0x7CA выяснил, но всё равно спасибо вам за то что помагаете.
Убираем нагрузочный резистор и ТТ превращается.... превращается в источник сигнала обратной связи.
В статьях больше интересны два момента - это каскадное изготовление ТТ, и ограничение получаемого на выходе сигнала (диод шоттки + стабилитрон).
Лично у меня работало даже колечко 50 витков напрямую к входу к561ла7 (которая драйвила ирфп460)- но это не говорит что стоит так делать.
В статьях больше интересны два момента - это каскадное изготовление ТТ, и ограничение получаемого на выходе сигнала (диод шоттки + стабилитрон).
Лично у меня работало даже колечко 50 витков напрямую к входу к561ла7 (которая драйвила ирфп460)- но это не говорит что стоит так делать.
Я в пинципе думаю следовать схеме, так что пока не буду особо изощрятся, но если сигнал будет попорченый и изувеченый, то конечно тогда уже буду думать, тем более что вы говорите:"Лично у меня работало даже колечко 50 витков напрямую к входу к561ла7 (которая драйвила ирфп460)- но это не говорит что стоит так делать."
Подойдет любой. Если не подойдет, добавишь вентилятор 
Так дело в том что я без вентилятора хочу, так неохота с ним морочится...
Тогда, только эксперимент. ССТЦшки могут греться довольно неплохо, в отличии от ДРок.
- iEugene0x7CA
- Адепт
- Сообщения: 1571
- Откуда: Киев
Тут смотря в каком режиме будешь пускать свою теслу. Не смотря на офигенно высокий КПД полумостовухи в сравнении с блокингом на биполярнике, даже если КПД у тебя будет под 95%, все равно оставшиеся 5% придется куда-то деть. В CW к примеру я из этой Mini SSTC выжимал около 2 кВт, это немерено, так что силовуха у меня была на радиаторе из-под 120 Вт компового проца с активным охлаждением, и то особо долго не поиграться, нужны перерывы. Но если использовать прерыватель(даже самый простой, на одной 555), то можно вполне обойтись и пассивным охладом. Короче, собирай силовуху на радиаторе от проца, все так делают. И не забудь термопрокладки, а то блин бывают люди... 
P.S.
BSVI, ты сегодня часом на Кардачах не был?
А то я видел какого-то парня, шибко на тебя похожего, в двухэтажном магазине, часа в 2...
P.S.
BSVI, ты сегодня часом на Кардачах не был?
А то я видел какого-то парня, шибко на тебя похожего, в двухэтажном магазине, часа в 2...
BSVI, ты сегодня часом на Кардачах не был?
Был. Нуно было поздороваться, я обычно на своей волне.
iEugene0x7CA,неее, в СW я даже и не думал пока, ток с прерывателем.Скажите, а сколько ваша катушка Mini SSTC потребляет в среднем при работе прерыванием ?
- iEugene0x7CA
- Адепт
- Сообщения: 1571
- Откуда: Киев
BSVi писал(а):BSVI, ты сегодня часом на Кардачах не был?
Был. Нуно было поздороваться, я обычно на своей волне.
Я тебя еле узнал, и то был не уверен, так бы поздоровался. Как-то ты похудел с лета.
Nikomo, потреблять меньше она не будет, просто в случае с прерывателем мы пускаем ее мелкими импульсами, что снижает мощность только в относительно большом промежутке времени, в случае которого снижение мощности прямо пропорционально скважности сигнала с прерывателя. ШИМ такой ШИМ.
- iEugene0x7CA
- Адепт
- Сообщения: 1571
- Откуда: Киев
Блин, случайно только что наткнулся на фотку моей первой силовухи. 
http://s019.radikal.ru/i603/1205/44/7743103f34d3.jpg
Короче, решил описать то,что из себя представляет вылизанная конструкция последней модели для 580 кГц катухи, с подробными фото:
http://s019.radikal.ru/i628/1302/7d/8ea94f3050b6.jpg (внешний вид)
http://s49.radikal.ru/i125/1302/7c/4644bf60a98f.jpg (бутерброд)
Как видно, вместо развешивания каждого компонента отдельно, вся защита полевика была развешана на нем-же, получается такой себе бутерброд(термопрокладка>полевик>затворный супрессор-RD-цепочка-сетевой супрессор(все на ножках)>радиатор диода>диод>гайка), очевидные плюсы которого:
1. Максимально плотный монтаж, т.е. наименьшая индуктивность проводников;
2. Модульность. Не нужно распаивать все уже на радиаторе;
3. Радиатор обвязочного диода защищает высоковольтника от осколков TO-247 в случае в2.71ба полевика(чего избежать тебе так просто точно не удастся, у каждого из нас коробочка с десятками спаленных деталей имеется
).
Кроме того стоит обратить внимание на необходимость отвязывающей пленки на ножках полевиков(для уменьшения пагубного влияния индуктивности провода от выпрямителя до силовухи).
Проводники силовой линии везде толстой проволокой ПЭВ, 1.5 мм.
Удобно кроме того присобачить терморезистор где-нить сбоку, который будет обратной связью для ШИМ-контроллера, управляющего оборотами вентилятора.
Так как 580 кГц катушка у мну была в последнее время DR'кой, необходимости в вентиляторе не было, так что на фотке подобного нету.
P.S.
Знаю, что пайка кривая и грязюка везде, но это потому, что после парочки смен транзисторов мне уже было пофигу на эстетику силовухи.
http://s019.radikal.ru/i603/1205/44/7743103f34d3.jpg
Короче, решил описать то,что из себя представляет вылизанная конструкция последней модели для 580 кГц катухи, с подробными фото:
http://s019.radikal.ru/i628/1302/7d/8ea94f3050b6.jpg (внешний вид)
http://s49.radikal.ru/i125/1302/7c/4644bf60a98f.jpg (бутерброд)
Как видно, вместо развешивания каждого компонента отдельно, вся защита полевика была развешана на нем-же, получается такой себе бутерброд(термопрокладка>полевик>затворный супрессор-RD-цепочка-сетевой супрессор(все на ножках)>радиатор диода>диод>гайка), очевидные плюсы которого:
1. Максимально плотный монтаж, т.е. наименьшая индуктивность проводников;
2. Модульность. Не нужно распаивать все уже на радиаторе;
3. Радиатор обвязочного диода защищает высоковольтника от осколков TO-247 в случае в2.71ба полевика(чего избежать тебе так просто точно не удастся, у каждого из нас коробочка с десятками спаленных деталей имеется
Кроме того стоит обратить внимание на необходимость отвязывающей пленки на ножках полевиков(для уменьшения пагубного влияния индуктивности провода от выпрямителя до силовухи).
Проводники силовой линии везде толстой проволокой ПЭВ, 1.5 мм.
Удобно кроме того присобачить терморезистор где-нить сбоку, который будет обратной связью для ШИМ-контроллера, управляющего оборотами вентилятора.
Так как 580 кГц катушка у мну была в последнее время DR'кой, необходимости в вентиляторе не было, так что на фотке подобного нету.
P.S.
Знаю, что пайка кривая и грязюка везде, но это потому, что после парочки смен транзисторов мне уже было пофигу на эстетику силовухи.
iEugene0x7CA, просто ОГРОМНОЕ ВАМ СПАСИБО !!!
Очень полезно глянуть на другие проэкты, тем более с подробным фото
Несколько вопросов по-поводу, если можно:
Я вот заметил, что у вас GDT прям на радиаторе висит, а я хотел бы в своей тесле, GDT и RD-цепочки на плате вместе с управляющей электроникой оставить, можно ли так или это слишком скажется на выходном сигнале? Ещё, про эту отвязывающую плёнку на ногах транзисторов, если не затруднит, пожалуста по-подробней...
P.S.Ну нифига себе полевики взрываются
!!!Грамм 10 пороха надо что б такого же от бомбочки добится...
P.S.S.Это у вас ещё эстетичная силовуха, я блин такие видел что просто....
Несколько вопросов по-поводу, если можно:
Я вот заметил, что у вас GDT прям на радиаторе висит, а я хотел бы в своей тесле, GDT и RD-цепочки на плате вместе с управляющей электроникой оставить, можно ли так или это слишком скажется на выходном сигнале? Ещё, про эту отвязывающую плёнку на ногах транзисторов, если не затруднит, пожалуста по-подробней...
P.S.Ну нифига себе полевики взрываются
P.S.S.Это у вас ещё эстетичная силовуха, я блин такие видел что просто....
- iEugene0x7CA
- Адепт
- Сообщения: 1571
- Откуда: Киев
Тут прикол в том, что:
1. Банально удобно. В случае дислокации GDT'хи на силовухе, для управления требуется всего 2 провода. В противном случае придется тащить к силовухе сразу 4 шнура, которые еще и подключать каждый раз правильно придется(если сделать это неправильно, то получим КЗ при первом же такте).
2. GDT должен соответствовать частоте катушки. В моем случае достаточно сменить силовуху, а драйвер использовать один и тот же, тебе же пришлось бы менять в случае чего и силовуху, и GDT.
3. Всегда лучше, когда проводники выходной цепи имеют меньшую индуктивность.
Насчет отвязывающей пленки, как коротки бы не были провода к банкам, все равно они длинные, пленка по шине питания как можно ближе к ногам транзисторов всегда будет кстати.
P.S.
Взрыв транзистора- случай коварный, если не повезет, можно и без глаза остаться. Как видишь.
P.P.S.
Что ты все "на вы", я просто пацан, который всего пол года назад точно так же делал первую полумостовую катуху, и которому нынешними вечерами бывает нефиг делать, вот он и лазит на форумах.
Ты вместо благодарностей лучше фотки, отображающие прогресс работы выкладывай.
1. Банально удобно. В случае дислокации GDT'хи на силовухе, для управления требуется всего 2 провода. В противном случае придется тащить к силовухе сразу 4 шнура, которые еще и подключать каждый раз правильно придется(если сделать это неправильно, то получим КЗ при первом же такте).
2. GDT должен соответствовать частоте катушки. В моем случае достаточно сменить силовуху, а драйвер использовать один и тот же, тебе же пришлось бы менять в случае чего и силовуху, и GDT.
3. Всегда лучше, когда проводники выходной цепи имеют меньшую индуктивность.
Насчет отвязывающей пленки, как коротки бы не были провода к банкам, все равно они длинные, пленка по шине питания как можно ближе к ногам транзисторов всегда будет кстати.
P.S.
Взрыв транзистора- случай коварный, если не повезет, можно и без глаза остаться. Как видишь.
P.P.S.
Что ты все "на вы", я просто пацан, который всего пол года назад точно так же делал первую полумостовую катуху, и которому нынешними вечерами бывает нефиг делать, вот он и лазит на форумах.
Ты вместо благодарностей лучше фотки, отображающие прогресс работы выкладывай.
iEugene0x7CA, обрятно благодaрен за пояснение, но про то зачем эта самая отвязывающая плёнка я понял, а вот как бы её номиналы прикнуть я понятия не имею
А почему
А прогресс работы весьма скуден: намотал-полакировал вторичку, спаял-настроил прерыватель, спаял питание...А всё это из-за недостатка деталюх - 3 раза был на радиорынке, и UCC37321 каждый раз не было и при том каждый раз говорили что будет потом. Сегодня же в Имраде сказали что только на заказ, в Радиомаге что не будет вообще, а в 9В про неё даже и не слышали.С GDT и FB вообще беда - из кольцевых сердечников epcos в магазинах только N87 материал(в Радиомаге), и то не подходящих размеров(при том на их сайте сказано, что есть и N30 и N37 и N87 нужных размеров), единственное место где я видел N30 и Т35 сердечники это у один дядьки на просторах рынка и на самом обычном месте, но N30 был очень большой, в итоге мне б 1-2 витка надо было б намотать, что не никак не пойдёт, а Т35 я не взял из-за частотного диапазона до 200кГц(моя тесла конечно на 150-200кГц и будет работать но лучше с запасом).Больше всего "порадовал" 9В, там на прилавке лежат кольцевые сердечники, указаны размер и цена, а на вопрос "Какие у них характеристики, какой материал, кто производитель?" мне прошлый раз ответили(не придумываю)"Ну не знаю, привезли тут какие-то[кольца]...", сегодня вроде исправились, но всё что услышал в ответ на свой вопрос - "Проницаемость 2200".И по иронии судьбы у них на прилавке лежало колечко просто идеальных параметров и всего за 5.50грн...Купил, посмотрим что оно из себя представляет.Голубого цвета, такое глазурированное, может epcos даже
. С конденсаторами так же - полипропиленовых на 0.68 мкф нужного напряжения нет ни в одном маге, хотя я и не сильно искал
Посему по всему вопрос-просьба: Товарищи, посоветуйте пожалуйста где можно заказать/купить нормальный сердечник, так что б не обманули и не прислали не то, так же с этой UCC-кой, если кто-то где-то покупал, если кто места знает, помогите, прошу.
А почему
, резонатор тот же, транзисторы(саму модель) в случае БУМА, я менять не намерен, от чего же частота работы поменяется?тебе же пришлось бы менять в случае чего и силовуху, и GDT.
А прогресс работы весьма скуден: намотал-полакировал вторичку, спаял-настроил прерыватель, спаял питание...А всё это из-за недостатка деталюх - 3 раза был на радиорынке, и UCC37321 каждый раз не было и при том каждый раз говорили что будет потом. Сегодня же в Имраде сказали что только на заказ, в Радиомаге что не будет вообще, а в 9В про неё даже и не слышали.С GDT и FB вообще беда - из кольцевых сердечников epcos в магазинах только N87 материал(в Радиомаге), и то не подходящих размеров(при том на их сайте сказано, что есть и N30 и N37 и N87 нужных размеров), единственное место где я видел N30 и Т35 сердечники это у один дядьки на просторах рынка и на самом обычном месте, но N30 был очень большой, в итоге мне б 1-2 витка надо было б намотать, что не никак не пойдёт, а Т35 я не взял из-за частотного диапазона до 200кГц(моя тесла конечно на 150-200кГц и будет работать но лучше с запасом).Больше всего "порадовал" 9В, там на прилавке лежат кольцевые сердечники, указаны размер и цена, а на вопрос "Какие у них характеристики, какой материал, кто производитель?" мне прошлый раз ответили(не придумываю)"Ну не знаю, привезли тут какие-то[кольца]...", сегодня вроде исправились, но всё что услышал в ответ на свой вопрос - "Проницаемость 2200".И по иронии судьбы у них на прилавке лежало колечко просто идеальных параметров и всего за 5.50грн...Купил, посмотрим что оно из себя представляет.Голубого цвета, такое глазурированное, может epcos даже
Посему по всему вопрос-просьба: Товарищи, посоветуйте пожалуйста где можно заказать/купить нормальный сердечник, так что б не обманули и не прислали не то, так же с этой UCC-кой, если кто-то где-то покупал, если кто места знает, помогите, прошу.
а вот как бы её номиналы прикнуть я понятия не имею
Это есть в FAQ
Купил, посмотрим что оно из себя представляет.Голубого цвета, такое глазурированное, может epcos даже
Нужно было брать такое-же, но зеленое. Оно из P4 материала - китайский аналог N87. Что такое синее, они не знают, но у эпкоса очень много материалов в таком цвете. Возможно, подойдет.
UCC37321 я брал на http://digikey.com. К сожалению, все уже раздарил.
BSVi, а мне и зелёное предлогали: Говорю:"-Дайте одно синенькое." "-Ну их уже нету, возьмите зелёное, я в базе ввожу одно и тоже выдаёт, разници нету..." 
Может оно и вправду одно и тоже, ток синее реальный N87 еpcos.
За ссылку спасибо.
Может оно и вправду одно и тоже, ток синее реальный N87 еpcos.
За ссылку спасибо.
- iEugene0x7CA
- Адепт
- Сообщения: 1571
- Откуда: Киев
Nikomo, ну, сегодня у тебя резонатор на 800 кГц, маленькая музыкальная SS'ка. Ей нужен GDT на 800 кГц и дохлые полевики... А завтра у тебя DR'ка высотой по пояс на 100 кГц, ей нужны мощные IGBT. Так сменил силовуху, и вуаля, а иначе придется и то, и то менять.
На полипропиленах X2 пишется напряг переменного тока, обычно "~275", что реально соответствует 385-ти.
Кольца я беру на Харьковском, там есть один запрятанный чел, у которого кроме барахлишка вроде мультиметров и светодиодных лент есть еще целый раздел с импортными ферромагнетиками. Хотя конкретно GDT'шных колец у него в последнее время дефицит. Если хочешь, можем завтра встретится, выдам тебе GDT'шное N87 колечко из личных запасов.
Насчет UCC'шек, была аналогичная проблема с инвертированным бревном, сейчас решается банальным РТЛ инвертором перед ножкой Enabled. А ведь сколько геммору было.
На полипропиленах X2 пишется напряг переменного тока, обычно "~275", что реально соответствует 385-ти.
Кольца я беру на Харьковском, там есть один запрятанный чел, у которого кроме барахлишка вроде мультиметров и светодиодных лент есть еще целый раздел с импортными ферромагнетиками. Хотя конкретно GDT'шных колец у него в последнее время дефицит. Если хочешь, можем завтра встретится, выдам тебе GDT'шное N87 колечко из личных запасов.
Насчет UCC'шек, была аналогичная проблема с инвертированным бревном, сейчас решается банальным РТЛ инвертором перед ножкой Enabled. А ведь сколько геммору было.
iEugene0x7CA, мне бы эту теслу построить, а про DR-ку по пояс или музыкалку, я даже и не думал 
А разве можно X2 конденсаторы поставить?
За предложение, конечно спасибо, но я пока посмотрю что там я купил, всё-таки.
Решил GDT на плате оставить, мне так проще будет, пожалуй.Разведу плату под управляющую часть, спаяю и тогда уже начнётся самое интерсное
А разве можно X2 конденсаторы поставить?
За предложение, конечно спасибо, но я пока посмотрю что там я купил, всё-таки.
Решил GDT на плате оставить, мне так проще будет, пожалуй.Разведу плату под управляющую часть, спаяю и тогда уже начнётся самое интерсное
- iEugene0x7CA
- Адепт
- Сообщения: 1571
- Откуда: Киев
Там не такая страшная схема, чтобы под нее плату травить, но достаточно капризная в случае чего, так что хотя бы на дырявой макетке собирай, я к примеру вообще на беспаечной отладкой занимался, да вообще все на ней собираю, прежде чем травить плату.
Можно ли ставить X2 капы, суди по наличию их в сетевых фильтрах любого импульсного блока питания.
Насчет сердечника, главное его сразу не ставь в конструкцию, проверь, что он из себя представляет, используя внешний генератор вместо ТТ. А то может оказаться, что он вообще из железа.
P.S.
Постой, а каким ты лаком вторичку покрывал?
Можно ли ставить X2 капы, суди по наличию их в сетевых фильтрах любого импульсного блока питания.
Насчет сердечника, главное его сразу не ставь в конструкцию, проверь, что он из себя представляет, используя внешний генератор вместо ТТ. А то может оказаться, что он вообще из железа.
P.S.
Постой, а каким ты лаком вторичку покрывал?
iEugene0x7CA, совсем не правда. Основной вклад в заряд будет вносить эффект Миллера. Полее правильно емкость считать как заряд затвора/напряжение. Заряд затвора можно узнать из графика, он обязательно приводится в даташитах.
Кто сейчас на конференции
Сейчас этот форум просматривают: нет зарегистрированных пользователей и 20 гостей