SSTC от Nikomo
мое имхо - резисторы ставить обязательно ибо в этом есть смысл и это элементарно.
и диоды D7, D8 убирать нельзя. они нужны для блокирования тормозного внутреннего диода транзистора.
затворные супрессоры только двунаправленные.однонаправленные работают как диод в прямом направлении и как стабилитрон в обратном. так что либо два однонаправленных либо (лучше и проще) 1 двунаправленный.
серебро паяют серебрянными припоями по соображениям твердости и драгоценности а не потому что оно паяется тяжело. оно отлично паяется. в электронике дофига чего себерят и все это паяется обычными флюсами.
iEugene0x7CA, не учи паренька глупостям.
и диоды D7, D8 убирать нельзя. они нужны для блокирования тормозного внутреннего диода транзистора.
затворные супрессоры только двунаправленные.однонаправленные работают как диод в прямом направлении и как стабилитрон в обратном. так что либо два однонаправленных либо (лучше и проще) 1 двунаправленный.
серебро паяют серебрянными припоями по соображениям твердости и драгоценности а не потому что оно паяется тяжело. оно отлично паяется. в электронике дофига чего себерят и все это паяется обычными флюсами.
iEugene0x7CA, не учи паренька глупостям.
- iEugene0x7CA
- Адепт
- Сообщения: 1571
- Откуда: Киев
Ну хрен вас знает, у меня резисторы на делителе никогда не стояли, и я никогда не чувствовал в них необходимости. Завершается работа у меня так, что драйвер работает еще некоторое время после отключения питания силовухи, в итоге банка сама по себе разряжается, а на делителе остается максимум 2-3 вольта, которые через пару минут и вовсе стекают токами утечки.
Супрессор тоже, нафига он вам там двунаправленный? Все равно параллельно ему диод стоит, и любой импульс со стороны истока потечет в обход... Я всегда думал, что супрессоры нужны для срезания иголок напряжения на стоке... Зачем вы их используете там- для меня загадка.
Диоды D7, D8 по моему только от смены полярности питания силовухи помогут, я их когда-то ставил, после перестал, ничего не взрывается.
К серебру не придирайтесь, я же сказал, что не работал с ним и поделился сугубо внешними представлениями.
Супрессор тоже, нафига он вам там двунаправленный? Все равно параллельно ему диод стоит, и любой импульс со стороны истока потечет в обход... Я всегда думал, что супрессоры нужны для срезания иголок напряжения на стоке... Зачем вы их используете там- для меня загадка.
Диоды D7, D8 по моему только от смены полярности питания силовухи помогут, я их когда-то ставил, после перестал, ничего не взрывается.
К серебру не придирайтесь, я же сказал, что не работал с ним и поделился сугубо внешними представлениями.
BSVi, ага всё ясно, спасибо за помощь.А конденсаторы я собственно на полное сетевое напряжение и так ставить собираюсь.
- iEugene0x7CA
- Адепт
- Сообщения: 1571
- Откуда: Киев
Ну как там у тебя дела? А то затих что-то. 

Говорил же что тему подморозить прийдётся.
Потихоньку детали собираю.Ресурный потенциал накапливаю, так сказать
.
Плату управляющей дорисовал...
Дело едет, но медленно.
Пока не вижу ничего интересного, чем можно было бы поделится (но как только появится "вы узнаете об этом первыми")
.
Не могу, блин, термопрокладки под ТО-247 корпус найти такие как хочу, силиконовые.Только слюда есть, думал её взять но не знаю как она в использовании, лучше силиконовых или нет? Кто как из своего опыта посоветует?
Потихоньку детали собираю.Ресурный потенциал накапливаю, так сказать

Плату управляющей дорисовал...
Дело едет, но медленно.


Не могу, блин, термопрокладки под ТО-247 корпус найти такие как хочу, силиконовые.Только слюда есть, думал её взять но не знаю как она в использовании, лучше силиконовых или нет? Кто как из своего опыта посоветует?
силикон гумно. сам не сравнивал но вроде где то видел инфу что слюда гораздо меньшее тепловое сопротивление позволяет получить. сам всегда только слюду юзаю. только нормальную, прозрачную, которая расслаивается при желании. а то есть микроволновочная - та какая то пресованая из опилок - это гумно.
misterio, спасибо за помощь.Я тоже информацию видел, но хотел использовать силикон из-за наличиния такой вот удобной "пимпочки" на отдельных образцах:
Она исключает любой контакт с радиатором и без лишних проблем
.
Она исключает любой контакт с радиатором и без лишних проблем

утебя транзисторы в ТО-247? им такое не надо. у них отверстие уже обпластмассено. по крайней мере я не могу припомнить других вариантов. просто пластинку слюды с отверстием и усе.
- iEugene0x7CA
- Адепт
- Сообщения: 1571
- Откуда: Киев
Согласен с misterio, но прикол в том, что я настоящие хорошие слюдяные прокладки у нас в продаже вообще никогда не видел, силиконовые раньше были, сейчас пропали, но вот их уже гораздо проще достать:
Заходишь в любой магазинчик с компьютерным железом, и спрашиваешь нерабочие БП на детали, обычно они всегда есть, выбираешь самый тяжелый и самый красивый, ибо у них всех стандартная цена в 15 грн/шт. вне зависимости от паршивости, загляни внутрь, чтобы там были феты и шоттки в TO-3P или 247'м, и забирай. Дома можно таковой разбомбить и достать обычно минимум 6 шикарных силиконовых прокладок, ну и кроме этого, ATX PSU- это всегда ларец с сокровищами для определенного типа людей.
Главное не начать уважать БП и не починить его, а то со мной, блин, бывает...
P.S.
Забабахал вчера ради интереса CW теслу, состоящую сугубо из того, что валялось дома(никаких 37321, неиндуктивных капов, и прочего, с моими любимыми дешевыми 450-ми фетами), вышло по моему просто замечательно:
(Только учтите, что я вчера жестко упоролся парами от 646-го растворителя и изопропанола после растворения тонн эпоксидки, руки у меня на видео трясутся, да и сам я еле стоял.)
По сути обычная Mini SSTC, только с двумя 37322, ОС на ТТ, и с обвязом, я удивлен, что 450-е выдерживают такие издевательства(куст 16 см высотой в воздух). Да, запуски короткие, ибо охлад там сейчас от DRSSTC, долго лучше не держать.
Так что, Nikomo, не отмазывайся и пили катушку, это делается за вечер.
Заходишь в любой магазинчик с компьютерным железом, и спрашиваешь нерабочие БП на детали, обычно они всегда есть, выбираешь самый тяжелый и самый красивый, ибо у них всех стандартная цена в 15 грн/шт. вне зависимости от паршивости, загляни внутрь, чтобы там были феты и шоттки в TO-3P или 247'м, и забирай. Дома можно таковой разбомбить и достать обычно минимум 6 шикарных силиконовых прокладок, ну и кроме этого, ATX PSU- это всегда ларец с сокровищами для определенного типа людей.

Главное не начать уважать БП и не починить его, а то со мной, блин, бывает...
P.S.
Забабахал вчера ради интереса CW теслу, состоящую сугубо из того, что валялось дома(никаких 37321, неиндуктивных капов, и прочего, с моими любимыми дешевыми 450-ми фетами), вышло по моему просто замечательно:
(Только учтите, что я вчера жестко упоролся парами от 646-го растворителя и изопропанола после растворения тонн эпоксидки, руки у меня на видео трясутся, да и сам я еле стоял.)

По сути обычная Mini SSTC, только с двумя 37322, ОС на ТТ, и с обвязом, я удивлен, что 450-е выдерживают такие издевательства(куст 16 см высотой в воздух). Да, запуски короткие, ибо охлад там сейчас от DRSSTC, долго лучше не держать.
Так что, Nikomo, не отмазывайся и пили катушку, это делается за вечер.

misterio, да, точно обпластмассено, а я сразу внимания не обратил
. Но всё же это не отменяет диоды шоттки в ТО-220 корпусе и ультрабыстрые в том же 220-ом, которые нуждаются в токой изоляции.
iEugene0x7CA, посмотрю в сторону этих БП, спасибо за совет.
Круто вышло.
Ты прям маг тесластроения, на макетках и соплях всё работает и хорошо
. Я знаю теслы котороые при многих защитах и обвязках бахали, а тут такое.
Возможно это из-за наличия у тебя опыта в этих делах. Но поскольку я таковым не располагаю, буду делать всё настолько качественно насколько смогу, как говорится, в таком деле лучше перебздеть чем недобздеть(и осколком транзистора в глаз получить)
.
Согласен, но ресурсно-финансово-временной потенциал иногда считает иначе (и попробуй, блин, его "переубеди")
.


iEugene0x7CA, посмотрю в сторону этих БП, спасибо за совет.
Забабахал вчера ради интереса CW теслу
Круто вышло.

никаких 37321, неиндуктивных капов, и прочего
Ты прям маг тесластроения, на макетках и соплях всё работает и хорошо

Возможно это из-за наличия у тебя опыта в этих делах. Но поскольку я таковым не располагаю, буду делать всё настолько качественно насколько смогу, как говорится, в таком деле лучше перебздеть чем недобздеть(и осколком транзистора в глаз получить)

это делается за вечер
Согласен, но ресурсно-финансово-временной потенциал иногда считает иначе (и попробуй, блин, его "переубеди")

- iEugene0x7CA
- Адепт
- Сообщения: 1571
- Откуда: Киев
misterio писал(а):
Ну, Фримен же свою теслу в тему BSVi'я кинул, никто вроде не жаловался, если же тебя это так напрягает, я могу закинуть видео в спойлер, мне не трудно.
А вот стабилизация там паршивая, из кадра процентов 40 урезается, и видео по качеству становится, как снятое на мобилку.
Насчет упоротости, сказал, как было.
P.S.
Nikomo, ну насчет мага тесластроения ты что-то прямо как-то ну совсем загнул.


Такое разве что самому Стиву говорить можно.
Ну рабочая СW тесла "из того что было" и 16-ти сантиметровым "кустом" при этом, заслуживает уважения.
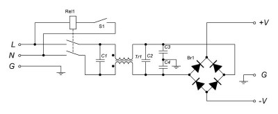
Начал строить силовую часть и столкнулся с проблемой питания.Как и предложено на этой схеме:
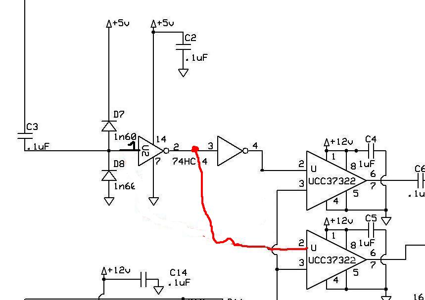
P.S.iEugene0x7CA, ты говорил про инвертирование сигнала UCC37322, что бы её можно было вместо 31-ой использовать.Инвертировать надо сигнал который поступает с обратной связи на UCC-шку вот так: И ещё если не сложно не мог бы ты(или другие знающие люди) привести схемку инвертора для этой задачи, я с инверторами никогда дело не имел, а поиски по Гуглу ни к чему не привели.Ещё этот внешний генератор вместо ОС для настройки и отладки схемы, о нём я тоже мало что знаю, наcколько я понял это просто генератор прямоугольных импульсов частоты такой же как резонансная частота работы теслы (200кГц в моём случае)?
P.S.S. Я конечно понимаю что мог задолбать чесной люд массой вопросов и безрезультатностью действий, но приношу искренные извинения и обещаю, что очень скоро всё будет(приехали конденсаторы, начал делать силовуху и с дня на день спаяю управляющую).
буду использовать реле, но конденсатор за диодным мостом в момент включения, до того как зарядится, будет потреблять большой ток, конечно не настолько что б пробки выбило, но может повредит диодный мост.Я собираюсь исспользовать конденсатор на 550 мкФ ёмкости, нужно ли ставить резистор по потреблению и потом его закорачивать, или такая ёмкости не создаст достаточный импульс что б чего-то спалить?P.S.iEugene0x7CA, ты говорил про инвертирование сигнала UCC37322, что бы её можно было вместо 31-ой использовать.Инвертировать надо сигнал который поступает с обратной связи на UCC-шку вот так: И ещё если не сложно не мог бы ты(или другие знающие люди) привести схемку инвертора для этой задачи, я с инверторами никогда дело не имел, а поиски по Гуглу ни к чему не привели.Ещё этот внешний генератор вместо ОС для настройки и отладки схемы, о нём я тоже мало что знаю, наcколько я понял это просто генератор прямоугольных импульсов частоты такой же как резонансная частота работы теслы (200кГц в моём случае)?
P.S.S. Я конечно понимаю что мог задолбать чесной люд массой вопросов и безрезультатностью действий, но приношу искренные извинения и обещаю, что очень скоро всё будет(приехали конденсаторы, начал делать силовуху и с дня на день спаяю управляющую).
при 550мкф ничего ставить не нужно, достаточно NTC-резистора перед банкой. Инвертор - поставь 74hc14 или, если места мало 74HC1G14
BSVI, спасибо, а можно просто сделать так:
инвертировать 1-им инвертором и питать 1-ю ucc, а вторую UCC-шку после 2-х инверторов?- iEugene0x7CA
- Адепт
- Сообщения: 1571
- Откуда: Киев
Nikomo, просто возьми диодный мост с запасом, цена от мощности зависит далеко не линейно. У меня стоит 35-амперный(я сейчас не дома, так что модель не скажу) с серой изолированной шляпкой, очень распространен у нас, его даже на радиатор вешать не нужно, шляпка все рассеивает.
Я вообще не особо парюсь по этому поводу, у меня ничего не стоит, да, есть бросок тока при холодном старте,но от него еще никто не умер.
BSVi, зачем городить дополнительный мусор?

Используем то, что уже есть. Причем лучше сразу две 74HC1G14 поставить, ибо в 74HC14 аж 6 инверторов, не люблю оставлять железо без дела.
Генератор- да, обычные прямоугольники со скважностью 50%.
Я вообще не особо парюсь по этому поводу, у меня ничего не стоит, да, есть бросок тока при холодном старте,но от него еще никто не умер.
BSVi, зачем городить дополнительный мусор?


Используем то, что уже есть. Причем лучше сразу две 74HC1G14 поставить, ибо в 74HC14 аж 6 инверторов, не люблю оставлять железо без дела.
Генератор- да, обычные прямоугольники со скважностью 50%.
Последний раз редактировалось iEugene0x7CA 18 мар 2013, 17:39, всего редактировалось 2 раза.
- iEugene0x7CA
- Адепт
- Сообщения: 1571
- Откуда: Киев
Nikomo писал(а):BSVI, спасибо, а можно просто сделать так:
Блин, опоздал.

iEugene0x7CA, спасибо.Я такой же диодный мост как у тебя взял КBPC3510 звётся, и то что его не надо садить на радиатор меня бесконечно радует
А 74НС14 я и так ставить собрался и под него плату развёл, так что пусть будет уже.

Опять начал колупать прерыватель, в процессе чего было выяснено, что оный ведёт себя странным образом.Как справедливо заметил ещё в начале темы VladRT, пауза получалась короткая, но так как в то время я ещё отлаживал, думал это можно легко исправить увеличением сопротивления резистора, который отвечал за длительность паузы, но как показала практика от того резистора толку нету.Пауза всегда короче выходит, не смотря на то что резистор по паузе больше чем по работе.Ещё заметил, что при минимально выкрученом резисторе работы выходит непонятный сигнал.Думал в микросхеме проблема, но замена микры ничего не дала..Что можeт быть не так или как стабилизировать сигнал?
Стивовская, на 555-ой(схема мини SSTC).http://www.stevehv.4hv.org/SSTC5/miniSSTCfnlsch.JPG
- iEugene0x7CA
- Адепт
- Сообщения: 1571
- Откуда: Киев
Прерывай пока лучше стандартной схемой астабильника на 555, затем запили однотактник на 494.
Управляющая готова и протестирована
.Пока только на каждой отдельно вторичке и без диодов, но судя по осцилограмме всё в порядке. При подключении к вторичке конденсатора в 4.3 нФ выдаёт такой сиганал: Как-то меня смущают эти выбросы, это нормально?
При том что при нагрузке в 20 нФ уже такой сигнал: Частота внешнего генератора около 120кГц(всё что я смог выжать из него).
Отладка осуществлялась в стиле Зерга
:

При том что при нагрузке в 20 нФ уже такой сигнал: Частота внешнего генератора около 120кГц(всё что я смог выжать из него).
Отладка осуществлялась в стиле Зерга

Кто сейчас на конференции
Сейчас этот форум просматривают: нет зарегистрированных пользователей и 74 гостя