Вопрос — Ответ
В принципе, должно работать. Но нужно подавить паразитную индуктивность с обоих сторон - включить трансформатор через резистор, к примеру, 100 ом и нагрузить тоже на 100 ом. При этом, витков мотать нужно намного больше чем в обычном GDT так как тут нужно работать в линейном режиме и нужно чтобы ток намагничивания был небольшим.
Есть два вопроса по SSTC, один по конструкции, другой по электронике.
1) Типичный дизайн: цилиндрическая первичка, которая на 2 см в диаметре больше вторички; первичка и вторичка прикреплены сверху на корпусе с электроникой. Вопрос: можно ли концы первички пустить внутрь корпуса не снаружи первички, а внутри, то есть между первичкой и вторичкой? Хочу спрятать провода из эстетических соображений.
2) В моей первой SSTC я никак не мог нормально настроить антенную обратную связь, поэтому я её выкинул и поставил трансформатор тока, которые снимает сигнал с нижнего конца вторички (заземление). Это решило все мои проблемы.
Основываясь на первом опыте, в своей новой SSTC я сделал обратную связь через трансформатор тока, но стриммеры получаются очень дохлые и не больше 5 см (полумост, полная мощность при 220 В). Если я убираю трансформатор тока и ставлю антенну, получаю жирные стримеры 20-30 см.
Испробовано, но не помогло: три различных трансформатора тока, различные соотношения витков и направлений обмоток, без/с инверторами (74hc14). Может кто-то сталкивался с такой проблемой? Есть идеи по устранению?
1) Типичный дизайн: цилиндрическая первичка, которая на 2 см в диаметре больше вторички; первичка и вторичка прикреплены сверху на корпусе с электроникой. Вопрос: можно ли концы первички пустить внутрь корпуса не снаружи первички, а внутри, то есть между первичкой и вторичкой? Хочу спрятать провода из эстетических соображений.
2) В моей первой SSTC я никак не мог нормально настроить антенную обратную связь, поэтому я её выкинул и поставил трансформатор тока, которые снимает сигнал с нижнего конца вторички (заземление). Это решило все мои проблемы.
Основываясь на первом опыте, в своей новой SSTC я сделал обратную связь через трансформатор тока, но стриммеры получаются очень дохлые и не больше 5 см (полумост, полная мощность при 220 В). Если я убираю трансформатор тока и ставлю антенну, получаю жирные стримеры 20-30 см.
Испробовано, но не помогло: три различных трансформатора тока, различные соотношения витков и направлений обмоток, без/с инверторами (74hc14). Может кто-то сталкивался с такой проблемой? Есть идеи по устранению?
1. Очень зависит от конкретной теслы. Проще всего - провести эксперимент.
2. Скорее-всего, тесла запускается на гармонике (можно посмотреть осциллографом). Можно поставить конденсатор в 100п на вход инверторов.
2. Скорее-всего, тесла запускается на гармонике (можно посмотреть осциллографом). Можно поставить конденсатор в 100п на вход инверторов.
- iEugene0x7CA
- Адепт
- Сообщения: 1571
- Откуда: Киев
qazwsxedc писал(а):Есть два вопроса по SSTC, один по конструкции, другой по электронике.
1) Типичный дизайн: цилиндрическая первичка, которая на 2 см в диаметре больше вторички; первичка и вторичка прикреплены сверху на корпусе с электроникой. Вопрос: можно ли концы первички пустить внутрь корпуса не снаружи первички, а внутри, то есть между первичкой и вторичкой? Хочу спрятать провода из эстетических соображений.
2) В моей первой SSTC я никак не мог нормально настроить антенную обратную связь, поэтому я её выкинул и поставил трансформатор тока, которые снимает сигнал с нижнего конца вторички (заземление). Это решило все мои проблемы.
Основываясь на первом опыте, в своей новой SSTC я сделал обратную связь через трансформатор тока, но стриммеры получаются очень дохлые и не больше 5 см (полумост, полная мощность при 220 В). Если я убираю трансформатор тока и ставлю антенну, получаю жирные стримеры 20-30 см.
Испробовано, но не помогло: три различных трансформатора тока, различные соотношения витков и направлений обмоток, без/с инверторами (74hc14). Может кто-то сталкивался с такой проблемой? Есть идеи по устранению?
1. Скорее всего пробьёт, так как у меня и через верх иногда пробивает, без просунутых внутрь проводов.

2. Нужно посмотреть, на какой частоте запускается катушка. Если есть осцилл или мультиметр с частотомером — достаточно просто поднести щупы, наводок хватит.
Так же любопытно было бы взглянуть, что же там за "типичный дизайн" такой.

Спасибо за быстрые ответы!
1. Просто было любопытно, может есть какие-то другие причны кроме пробоя, почему нельзя засовывать провода между первичкой и вторичкой. Ведь некоторые в SSTC мотают первичку прямо на вторичку и всё нормально.
2. Померял частоты с трансформатором тока, антенной, а так же сделал контрольное измерение со вторичкой, подключённой к генератору сигналов: все три частоты одинаковы и равны 265 кГц.
Но! Когда я перевожу развёртку на низкие частоты, чтобы увидеть весь импульс (т.к. SSTC с прерывателем), то видно, что импульс в случае с трансформатором тока в несколько раз короче, чем в случае с антенной. Импульс с антенной выглядит примерно как здесь: http://www.loneoceans.com/labs/sstc2/pricurrent.jpg
С трансформатором тока - в пять раз короче.
Обратная связь не может влиять на прерыватель, т.е. получается, что она по какой-то причине просто пропадает через очень короткое время в случае с трансформатором? Но почему? Как лечить?
1. Просто было любопытно, может есть какие-то другие причны кроме пробоя, почему нельзя засовывать провода между первичкой и вторичкой. Ведь некоторые в SSTC мотают первичку прямо на вторичку и всё нормально.
2. Померял частоты с трансформатором тока, антенной, а так же сделал контрольное измерение со вторичкой, подключённой к генератору сигналов: все три частоты одинаковы и равны 265 кГц.
Но! Когда я перевожу развёртку на низкие частоты, чтобы увидеть весь импульс (т.к. SSTC с прерывателем), то видно, что импульс в случае с трансформатором тока в несколько раз короче, чем в случае с антенной. Импульс с антенной выглядит примерно как здесь: http://www.loneoceans.com/labs/sstc2/pricurrent.jpg
С трансформатором тока - в пять раз короче.
Обратная связь не может влиять на прерыватель, т.е. получается, что она по какой-то причине просто пропадает через очень короткое время в случае с трансформатором? Но почему? Как лечить?
-
- Сообщения: 223
qazwsxedc Делай трансформатот тока не больше 50 витков. Ставь резистор трансформатора тока в кОм или еще больше... Сигнал с него будет очень четкий. В ССТЦ стартовый ток очень очень низкий, и его нормально поймать через трансформаторы тока с многотысячными витками крайне затруднительно, особенно если они еще и шунтированы резистором в единицы Ом.
Другие причины тоже есть. Если будет слишком сильная связь между первичкой и вторичкой, то молнии будут очень короткие... Ну и еще расстояние между обмотками может быть косвенной защитой по току через транзисторы...
Другие причины тоже есть. Если будет слишком сильная связь между первичкой и вторичкой, то молнии будут очень короткие... Ну и еще расстояние между обмотками может быть косвенной защитой по току через транзисторы...
Я пробовал три трансформатора: CST206-3A, китайский TAK12-02 и самодельный 50 витков на Epcos. Сигнал идёт через 100 нФ конденсатор и резистор в 1 кОм на инвертор.
По измерениям получается, что он сигнал ловит, но потом преждевременно обрывается.
По измерениям получается, что он сигнал ловит, но потом преждевременно обрывается.
-
- Сообщения: 223
Прерыватель на проводе? Может помехи сильные...
Можно попробовать перевернуть трансформатор тока на проводе со вторички...
Можно попробовать перевернуть трансформатор тока на проводе со вторички...
Ну а тогда почему с антенной работает? Ведь прерыватель в таком случае получает те же помехи, его то я не трогаю, убирая трансформатор. Всё на одной плате: контроллер, силовая, прерыватель.
Всё шаманство с соотношением витков, направлением обмоток и положением на проводе вторички испробовано.
BSVi, iEugene0x7CA, по вашим советам измерял частоту возбуждения, частота правильная (см. пост выше). Длина импульса с антенной получается в пять раз длиннее, чем с трансформатором. Как действовать дальше?
Всё шаманство с соотношением витков, направлением обмоток и положением на проводе вторички испробовано.
BSVi, iEugene0x7CA, по вашим советам измерял частоту возбуждения, частота правильная (см. пост выше). Длина импульса с антенной получается в пять раз длиннее, чем с трансформатором. Как действовать дальше?
- iEugene0x7CA
- Адепт
- Сообщения: 1571
- Откуда: Киев
qazwsxedc писал(а):BSVi, iEugene0x7CA, по вашим советам измерял частоту возбуждения, частота правильная (см. пост выше). Длина импульса с антенной получается в пять раз длиннее, чем с трансформатором. Как действовать дальше?
Дык, схемку то покажи. Мы ведь не экстрасенсы.

qazwsxedc писал(а):Ведь некоторые в SSTC мотают первичку прямо на вторичку и всё нормально.
Если мотают поверх вторички, то не на саму обмотку, а в аккурат под ней. Так тоже можно.

Схема почти полностью повторяет вот эту: http://www.loneoceans.com/labs/sstc2/ss ... ticv10.jpg
Feedback такой же, как на схеме, только вместо диодов стоят диоды Шоттки.
Feedback такой же, как на схеме, только вместо диодов стоят диоды Шоттки.
Скорее-всего, не хватает амплитуды ос. Намотай больше витков вторички через трансформатор. Вместо одного сделай 3-5.
Пробовал, не помогает. Один и два совсем плохо, 3, 4, 5 - лучше, но между 3 и 5 различия нет.
-
- Сообщения: 223
Есть такая тема, что если сигнал на триггер идет с малой амплитудой, то он на выходе не 50 на 50, а может 20 на 60 быть, причем эти 20 будут время работы, а 60 не работы)))
Когда антенна работает, там размах может и 2000 и 3000 вольт быть, просто его режет до 5 вольт диоды, но фронты остаются крутые. А когда сигнал вольт 10 то после диодов фронты очень сильно завалены... от сюда и фигня на выходе...
Выход только в увеличении размаха сигнала с трансформатора тока... воткни мегаомный резистр))) Глядишь на нем и вылезет под 1000 вольт. Ну или ставить компаратор...
Когда антенна работает, там размах может и 2000 и 3000 вольт быть, просто его режет до 5 вольт диоды, но фронты остаются крутые. А когда сигнал вольт 10 то после диодов фронты очень сильно завалены... от сюда и фигня на выходе...
Выход только в увеличении размаха сигнала с трансформатора тока... воткни мегаомный резистр))) Глядишь на нем и вылезет под 1000 вольт. Ну или ставить компаратор...
- iEugene0x7CA
- Адепт
- Сообщения: 1571
- Откуда: Киев
Что-то мне резистор перед 74HC14 не нравится. Я бы попробовал выбросить нафиг.
Так же диодную вилку лучше подтянуть не к 5В, а замкнуть через 3.3В стабилитрон на землю.
И последнее — нужно проверить, реально ли ферритовое то кольцо.
Я где-то кидал уже фотку, где под зелёной краской обычный металл вместо феррита.
Так же диодную вилку лучше подтянуть не к 5В, а замкнуть через 3.3В стабилитрон на землю.
И последнее — нужно проверить, реально ли ферритовое то кольцо.

Я где-то кидал уже фотку, где под зелёной краской обычный металл вместо феррита.
Всем спасибо за советы! Проблема решена, отписываюсь здесь, может кому поможет.
Лечение оказалось элементарное: конденсатор 0.1 мкФ нужно поставить перед диодами, а не после.
Я проштудировал несколько схем и пришёл к выводу, что все (кроме loneoceans) ставят конденсатор сразу на один из выводов трансформатора, а только потом сигнал режется диодами. Попробовал переставить - всё заработало. Может кто объяснит напоследок, в чём разница?
Лечение оказалось элементарное: конденсатор 0.1 мкФ нужно поставить перед диодами, а не после.
Я проштудировал несколько схем и пришёл к выводу, что все (кроме loneoceans) ставят конденсатор сразу на один из выводов трансформатора, а только потом сигнал режется диодами. Попробовал переставить - всё заработало. Может кто объяснит напоследок, в чём разница?
qazwsxedc писал(а): Может кто объяснит напоследок, в чём разница?
Когда конденсатор установлен за диодной вилкой через него протекает ток уже не синусоидальной формы - а ближе к прямоугольной, и форма сигнала после конденсатора становится импульсно-образной. Триггер меняет значения на противоположное не в момент перехода через ноль, а намного раньше, т.к. конденсатор заряжается и далее его сопротивление растет и уровень сигнала опускается до логического "нуля", что приводит к появлению несимметричного сигнала. Силовые ключи переключаются не в соответствии с фазой сигнала "вторички". Вторичка может резонировать на высших гармониках, трансформатор обратной связи будет весь спектр шума снова передавать на вход драйвера, и весь этот хаос скорее всего сожжет силовые ключи.
Желтый - сигнал ОС
Синий - после диодной вилки
Розовый - после конденсатора
Зеленый - выход инвертора
п.с. по этому принципу можно организовать RC предиктер.
-
- Сообщения: 223
Нужно ли соединять по минусу всю схему где знак вопроса? В ней нет гальванической развязки драйвера и транзисторов...
Что то не могу понять, как там помехи гулять будут и как их давить... до этого все схемы делал с ГДТ, а теперь хочу без него собрать...

Нарисовал по минимуму... просто что бы понятно было о чем вопрос )
Что то не могу понять, как там помехи гулять будут и как их давить... до этого все схемы делал с ГДТ, а теперь хочу без него собрать...

Нарисовал по минимуму... просто что бы понятно было о чем вопрос )
Вообщето у IRS21864 есть своя схема, которая тут НЕ просматривается ниразу. Тогдабы и вопрос такой не стоял.
P.S. Я честно говоря вообще сомневаюсь что бустрепный драйвер уместен в тесле, особенно если это косой мост.
P.S. Я честно говоря вообще сомневаюсь что бустрепный драйвер уместен в тесле, особенно если это косой мост.
-
- Сообщения: 223
Де не в схеме дело, схема уже работает на соплях... вопрос именно про минусы силовой и драйвера... сейчас он общий, но вопрос все равно есть
ГДТ в топку, он меня раздражает ))))
ГДТ в топку, он меня раздражает ))))
Не стоит устанавливать резистор между общим минусом силовой части и минусом драйвера. Устанавливая резистор между этими "минусами", нарушается корректное управление силовыми транзисторами. Для отпирания и запирания, ток должен протекать через затвор->исток (отпирание, заряд), для запирания исток->затвор (запирание, разрядка). У вас установлен резистор перед затвором, который ограничивает ток и соответственно увеличивает время отпирания/запирания, а так же вы устанавливаете резистор на общий минус, который точно так же как и резистор затвора увеличивает время заряда/разряда транзистора. Тогда напрашивается вопрос - зачем он там (на минусовой части)? Производитель не предусматривает установки там резистора, и он там лишний. Минус должен быть общий (силовая + драйвер). В промышленных установках эти драйверы работают хорошо, минус общий. Управление происходит через оптроны - которые развязывают управление от силовой, соответственно управляющая часть (низковольтная) заземлена. Драйвер IR принято использовать в совокупности с силовой частью без заземления, он является частью силового узла, поэтому нередко встречаются в устройстве по два источника питания, один для управления, второй для драйвера и они развязаны между собой.
Тесла создает переменное электростатическое поле, именно электростатика - основная причина зависания драйвера IR в трансформаторах Тесла. Сделайте экран обеспечьте грамотную развязку, и IR драйвер будет тягать ключи в норме.
GDT - плевать на электростатику, т.к. с помощью вторичной обмоткой трансформатора (GDT) затворы силовых ключей всегда связаны со своими истоками, что не дает навести заряд на базу транзистора и неверное его отпирание. Намучаетесь с IR драйверами - поймете что GDT имеет ряд преимуществ и дешевле. Не забывайте, что GDT перезаряжает затвор силового транзистора ниже нуля в минус, что обеспечивает его уверенное запирание, когда IR драйвер просто подтягивает его к минусовой шине, и не уводит ниже нуля, транзистор в любой момент может открыться от переменных колебаний в резонансном контуре, а так же наведенных полей самой Теслы.
Тесла создает переменное электростатическое поле, именно электростатика - основная причина зависания драйвера IR в трансформаторах Тесла. Сделайте экран обеспечьте грамотную развязку, и IR драйвер будет тягать ключи в норме.
GDT - плевать на электростатику, т.к. с помощью вторичной обмоткой трансформатора (GDT) затворы силовых ключей всегда связаны со своими истоками, что не дает навести заряд на базу транзистора и неверное его отпирание. Намучаетесь с IR драйверами - поймете что GDT имеет ряд преимуществ и дешевле. Не забывайте, что GDT перезаряжает затвор силового транзистора ниже нуля в минус, что обеспечивает его уверенное запирание, когда IR драйвер просто подтягивает его к минусовой шине, и не уводит ниже нуля, транзистор в любой момент может открыться от переменных колебаний в резонансном контуре, а так же наведенных полей самой Теслы.
-
- Сообщения: 223
Спасибо за ответ, но у меня нет резистора минусе, там просто знак вопроса в кружочке, а в реальносте просто соединение проводом)))
В затвор я ставлю резистор для ограничения тока заряда затвора и подавления шумов, которые там лезут из соединительных проводов...
GDT параша. Только лень и жлобство может оправдать их применение))) Переубедить меня сможет реальная качественная осциллограма с затвора транзистора, через который идет ток ампер в 300 при длительной работе и плавающей частоте. Все теоретические расказы, что с бубном и плясками его можно заставить давать качественный сигнал - более не верую))) Сам имею рабочую DRSSTC катушку с гдт и током в 500 ампер в первички. Бубен и пляски были долгие и качественные, а сигнал так и остался говном)))
В затвор я ставлю резистор для ограничения тока заряда затвора и подавления шумов, которые там лезут из соединительных проводов...
GDT параша. Только лень и жлобство может оправдать их применение))) Переубедить меня сможет реальная качественная осциллограма с затвора транзистора, через который идет ток ампер в 300 при длительной работе и плавающей частоте. Все теоретические расказы, что с бубном и плясками его можно заставить давать качественный сигнал - более не верую))) Сам имею рабочую DRSSTC катушку с гдт и током в 500 ампер в первички. Бубен и пляски были долгие и качественные, а сигнал так и остался говном)))
Так категорически заявлять о GDT нет смысла, любые решения по управлению транзисторами имеют свои преимущества и недостатки, у всех есть свои приятели и недоброжелатели.
Когда раскачивается резонансный контур, особенно DRSSTC, с любым типом управления - всегда будет звон на затворе, неважно что использовать, будь то оптика типа HCPL31xx, IR драйверы или GDT, звон будет и сигнал на затворе останется "говном". IR драйвер без двух полярного питания угробит силовые ключи при запирании, т.к. звон будет приоткрывать транзистор - что противопаказано для него. Звон зависит от протекающего тока в силовой части при переключении. Звон нужно минимизировать как обвязкой силового транзистора по управлению, так и организовывать переключение в нуле, и этого будет достаточно для нормальной работы. Финн Хаммер снял видео, где он с оптическим управлением на hcpl3120, показывает - что звон присутствует, несмотря на идеальный сигнал оптодрайвера, только ZeroCurrentSwitch обеспечивает мягкое переключение без звона и сигнал становится идеальным. Дело даже не в сигнале управления, а в переходных процессах силового транзистора и связанного с ним резонансного контура. Будет время, специально сделаю осциллограммы сигнала с GDT при токе в 300-500А.
https://www.youtube.com/watch?v=CWIxVoKv-dw
По поводу драйверов IR, пожалуйста - если получится сделать стабильное и качественное управление с помощью драйверов от IR для DR/SSTC это будет еще одно решение по управлению, и оценится всеми по достоинству.
(PS: на счет резистора, это я погорячился:)) просто не туда глянул и понеслось...)
Когда раскачивается резонансный контур, особенно DRSSTC, с любым типом управления - всегда будет звон на затворе, неважно что использовать, будь то оптика типа HCPL31xx, IR драйверы или GDT, звон будет и сигнал на затворе останется "говном". IR драйвер без двух полярного питания угробит силовые ключи при запирании, т.к. звон будет приоткрывать транзистор - что противопаказано для него. Звон зависит от протекающего тока в силовой части при переключении. Звон нужно минимизировать как обвязкой силового транзистора по управлению, так и организовывать переключение в нуле, и этого будет достаточно для нормальной работы. Финн Хаммер снял видео, где он с оптическим управлением на hcpl3120, показывает - что звон присутствует, несмотря на идеальный сигнал оптодрайвера, только ZeroCurrentSwitch обеспечивает мягкое переключение без звона и сигнал становится идеальным. Дело даже не в сигнале управления, а в переходных процессах силового транзистора и связанного с ним резонансного контура. Будет время, специально сделаю осциллограммы сигнала с GDT при токе в 300-500А.
https://www.youtube.com/watch?v=CWIxVoKv-dw
По поводу драйверов IR, пожалуйста - если получится сделать стабильное и качественное управление с помощью драйверов от IR для DR/SSTC это будет еще одно решение по управлению, и оценится всеми по достоинству.
(PS: на счет резистора, это я погорячился:)) просто не туда глянул и понеслось...)
Тут еще хитрее все. GDT при своей простоте обеспечивает быстрое управление. Без большой задержки. Они не боятся больших скоростей изменения напряжения. Они выдают двуполярный сигнал из однополярного питания. Вообщем, преимуществ у инх слишком много для того чтобы не использовать их в теслах. Да, сигналы не красивые. Но всем пофиг. В том числе и транзисторам.
Драйвера от IR обладают слишком большой задержкой и хорошо будут работать отсилы до 100кГц. На таких частотах обычно ставятся большие транзисторы, которые драйвера от IR тягать не смогут. В итоге получается, что они бесполезны в теслаприменении. Но если у вас получится что-то хорошее, мы только рады будем
Драйвера от IR обладают слишком большой задержкой и хорошо будут работать отсилы до 100кГц. На таких частотах обычно ставятся большие транзисторы, которые драйвера от IR тягать не смогут. В итоге получается, что они бесполезны в теслаприменении. Но если у вас получится что-то хорошее, мы только рады будем

-
- Сообщения: 4
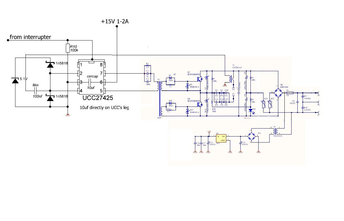
Такое дело. Делаю DRSSTC по такой схеме. Запустится ли конструкция от такого драйвера? Или же, как и на teslacoil'е придется ставить еще и каскады транзисторов, и более хитрый gdt.
Также вопрос, что будет если в плечи силовой части Теслы, добавить параллельно по транзистору. Т.е. получается не полный мост нормальный, а полумост по два транзистора в плече, заработает ли сий колхоз?
Или обязательно выравнивающие резисторы на 5.1 ом 5вт в базы?
Ведь к примеру MBN1200D33 кирпич, содержащий 3 транзистора IGBT структуры, Hitachi говорит мол, базы можно соединить вместе, а не отдельно каждый через резистор.
Сможет ли также схема запуститься на 200-250 кГц, или все же пробовать на 350-400 кГц?
Также вопрос, что будет если в плечи силовой части Теслы, добавить параллельно по транзистору. Т.е. получается не полный мост нормальный, а полумост по два транзистора в плече, заработает ли сий колхоз?
Или обязательно выравнивающие резисторы на 5.1 ом 5вт в базы?
Ведь к примеру MBN1200D33 кирпич, содержащий 3 транзистора IGBT структуры, Hitachi говорит мол, базы можно соединить вместе, а не отдельно каждый через резистор.
Сможет ли также схема запуститься на 200-250 кГц, или все же пробовать на 350-400 кГц?
Вернуться в «Трансформаторы Тесла»
Кто сейчас на конференции
Сейчас этот форум просматривают: Bing [Bot] и 7 гостей