Помогите запустить SSTC

Обсуждение общих вопросов, связанных с трансформаторами Тесла.
ProstoSergey
Сообщения: 14

Сообщение ProstoSergey » 03 апр 2018, 17:48

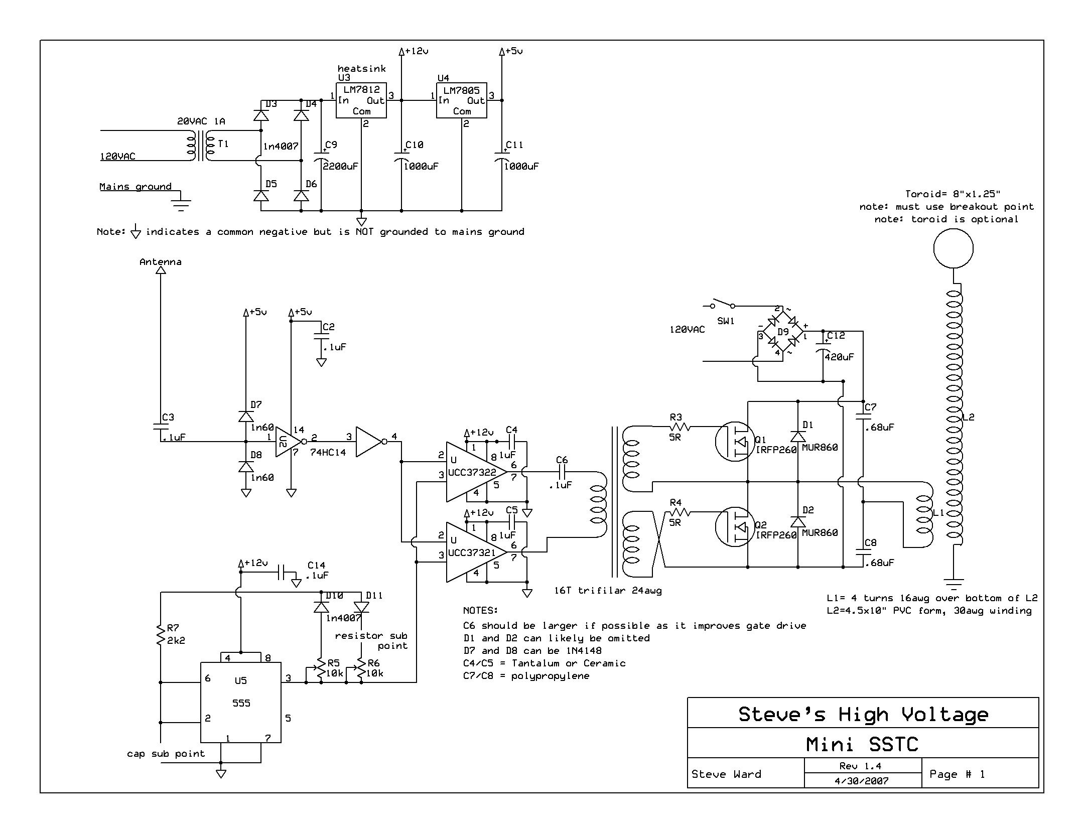
Добрый день уважаемые форумчане. В университете была поставлена задача собрать Катушку Тесла (Не спрашивайте зачем, просто так нада :) )
После чего было просмотрено много информации, видео и тому подобного. Читал как наши, так и англоязычные ресурсы. Остановился на данной схеме,
miniSSTCfnlsch.JPG
только в цепи затворов добавил обратные диоды. Всё собрал. Намотал вторичку на каркасе диаметром 10см и длинна намотки 31см. Провод 0,2. Получилось примерно 1550 вит. Тор сделал с алюминиевой гофры диаметром 8см и замкнул внутри алюминиевым скотчем (чтобы не создавать КЗ виток). А вот с первичкой засада. Честно я так и не понял как её рассчитать((( (именно для SSTC). По этому первым вариантом первички была катушка из 5 витков на оправке 12,5 см многожильным проводом диаметром 4 мм. GDT сделал на кольце P4-T20/12/6.35-C. Намотал 6 витков (не знаю на сколько правильно я посчитал в калькуляторе). Получилось примерно так:
photo_2018-04-03_17-42-19.jpg

В результате получилась такая конструкция (фото с последних экспериментов с новой первичкой)
photo_2018-04-03_17-45-21.jpg


С первым вариантом первички и антенной катушка не заработала, но был слышен гул и чем ближе приближать антенну к вторичке тем он сильнее. Вплоть до того что в один момент пробило примерно со средины вторички на антенну. Стримеров так и не было. Неонка светилась, но наиболее яркое свечение было именно по средине катушки и к краям яркость падала вплоть до того что неонка переставала светиться (над тором неонка не светилась). Стало понятно что не хватает обратной связи (Ну мне так показалось). Начал экспериментировать с ТТ. Намотал 50 витков подключил немного изменив схему обратной связи (Сделал как на схемах с ТТ). Стал проверять но результата совсем не было. Вернулся к антенне - всё как и прежде. То есть тоже очень слабо((((
Сегодня экспериментировал с другой первичкой. Намотал медной трубочкой 9 витков с шагом милиметров 7-8. Подключил и ничего. Пробовал и менять расположение относительно вторички, и уменьшать количество витков. В результате ровным счетом ничего((((


Совсем уже запутался и не знаю куда копать, как считать и что смотреть.
Имеет ли разницу направление намотки обмоток? Я мотал что первичку, что вторичку в одном направлении.
Что посоветуете сделать, что перемотать, перепаять, пересчитать? Учту любые Ваши замечания.
С уважением!

Rabby
Сообщения: 177
Откуда: Tel Aviv

Сообщение Rabby » 03 апр 2018, 18:57

1.aнтену нафиг.
2.Поставить тт на несколько сотен витков,или сделать каскадный тт .
3.добавить сопротивление на вход обратной связи, 100-1000 ом
на малом напряжении попытаться запустить,скорее всего запустится.если не запустится,подать через 100к-500к сигнал с генератора.Его можно собрать на свободных триггерах.Настроить на расчётную частоту теслы

R2R
Сообщения: 200
Откуда: Калуга

Сообщение R2R » 03 апр 2018, 19:13

Эта схема - автогенераторный инвертор. Принципиально важна правильная фазировка первички, обмоток ТТ и GDT. Подозреваю, была нарушена фазировка первички во время тестирования нового варианта.

Транзисторные теслы обязательно требуют наличия разрядного терминала - штырька или проволочки на торе, призванного локально повышать напряженность поля и инициировать рост стримера. Без терминала рост стримера будет начинаться при большем количестве энергии в контуре, что чревато большей нагрузкой на транзисторы. В крайнем случае вообще можно спалить ключи, так и не увидев стример :D .

Что касается первички - уменьшение кол-ва витков и увеличение коэффициента связи дает прирост стримера, однако увеличивает нагрузку на ключи и вероятность пробоя со вторички. На этом сайте есть калькулятор геометрии теслы, рекомендую. Т.к. проект ВУЗовский лучше сделать катушку более надежной, чтобы ничто случайно не загорелось во время демонстрации :D .

ProstoSergey
Сообщения: 14

Сообщение ProstoSergey » 03 апр 2018, 20:10

Спасибо за ответы и советы. Сразу несколько вопросов. Я так и не смог найти калькулятор геометрии теслы(((( Да может я слепой, но найти не смог :oops: Если не тяжело та направьте куда нужно) По поводу ТТ.
photo_2018-04-03_19-58-10.jpg
Как я понимаю подключается он примерно так :) Как его правильно фазировать? И знаю что можно сделать ТТ с 33 витками на двух сердечниках с эквивалентом 1000 виткам. Все так пишут, все делают, а я не могу в голове сложить как это)) Если не сложно то опишите в двух словах. По поводу фазировки обмоток. Допустим низ обмоток это начало. Тогда обмотки нужно мотать в одном направлении и подключать согласно схеме (Начало (низ) вторички -- земля, Начало (низ) первичьки средняя точка канденсаторного делителя. Концы по схеме) Так или нет? Поправьте пожалуйста

Rabby
Сообщения: 177
Откуда: Tel Aviv

Сообщение Rabby » 03 апр 2018, 21:03

не нужно себе голову ломать с фазировкой особо.Если есть осцилограф,то можно собрав,посмотреть сигналы и выставить по нему фазировку.Если нет,начинаем с ГДТ.Закручиваем 2 витых пары косичкой и наматываем на гдт.2 пунктирных будут первичкой гдт-подключаем произвольно.один из цветных проводов подключаем на скажем на землю,значит второй провод с этого конца надо повешать на gate верхнего ключа.и уже дальше сложно с гдт ошибиться.Далее на низком напряжении,желательно сделать временную первичку на 2-3 витка,подключаем произвольно тт обратой связи.смотрим на результат.потом либо переворачиваем подключение тт к драйверу,либо пропускаем через него провод вторички в обратном направлении и смотрим опять на результат. а каскадный тт делается просто.один тт подключается к драверу,вывод второго пропускаем через первый тт и замыкаем на второй вывод второго тт.и через второй тт пропускаем провод вторички.

ProstoSergey
Сообщения: 14

Сообщение ProstoSergey » 03 апр 2018, 21:57

Как я понял должно получиться что-то типа этого?
photo_2018-04-03_21-52-43.jpg
И на каждом ТТ должно быть по 33 витка?

Rabby
Сообщения: 177
Откуда: Tel Aviv

Сообщение Rabby » 03 апр 2018, 22:18

правильно.необязательно,можно 20 и 20 получим 400 к.т. или 30 и 20 будет 600

http://tqfp.org/calculatoria/

Аватара пользователя
iEugene0x7CA
Адепт
Сообщения: 1571
Откуда: Киев

Сообщение iEugene0x7CA » 03 апр 2018, 22:27

Rabby писал(а):1.aнтену нафиг.
2.Поставить тт на несколько сотен витков,или сделать каскадный тт

Тесла-технологии уже шагнули вперед относительно антеннки или токового трансформаторчика — есть более крутое решение. ;)
О нём например вот тут, прямая обратная связь через мощный стабилитрон: viewtopic.php?p=16803#p16803
Можно напрямую ткнуть низ первички в платку и изымать ОС в формате прямоугольника 5V или 3.3V — в зависимости от питания на диодной вилке.

Насчет конструкции Стива — ух, это первая SSTC которая у меня хоть как-то более-менее заработала.
До этого жутко мучился с ФАПЧ на 4046, но оно где-то на протяжении полугода бахало и бахало. Со стивовской конструкцией даже удивился, что работает. :mrgreen:

Есть кстати студенческое видео с ней, первый запуск, еще на беспаечной макетке:



P.S. Основные моменты по первичке — при большем количестве витков увеличивается её индуктивность и соответственно ток через транзисторы падает, вместе с длинной разряда.
Чем витков меньше – тем больше ток и разрад тоже больше. Нужно найти золотую средину так, чтобы и не пробивало на вторичку, и ток был в пределах допустимого для транзисторов.
Да, для измерений тока нужно смотреть осциллом через токовый щуп. Про него где-то было на форумчике, нужно найти.

Rabby
Сообщения: 177
Откуда: Tel Aviv

Сообщение Rabby » 03 апр 2018, 22:29

но ослик и латр всё таки нужен-что б посмотреть при помощи ТТ ток в первичном контуре,что б не превысить максимально допустимого.Ну или надо хотя бы приблизительно расчитать,хотя это гемор полный,это не трансформатор на сердечнике,где к.связи почти 1.

ProstoSergey
Сообщения: 14

Сообщение ProstoSergey » 03 апр 2018, 22:42

Есть и осциллографы и латр) А от как измерять ток в первичке токовым щупом это интересно. Хотел бы почитать)

R2R
Сообщения: 200
Откуда: Калуга

Сообщение R2R » 04 апр 2018, 13:11

ProstoSergey писал(а):Как я понял должно получиться что-то типа этого?photo_2018-04-03_21-52-43.jpg И на каждом ТТ должно быть по 33 витка?

Для ТТ SSTC достаточно 30-50 витков на одном кольце, второго не нужно.

Rabby
Сообщения: 177
Откуда: Tel Aviv

Сообщение Rabby » 04 апр 2018, 14:43

R2R писал(а):
ProstoSergey писал(а):Как я понял должно получиться что-то типа этого?photo_2018-04-03_21-52-43.jpg И на каждом ТТ должно быть по 33 витка?

Для ТТ SSTC достаточно 30-50 витков на одном кольце, второго не нужно.


что сомнительно,что для большинства сстц катушек хватит 30-50 витков.это если на первичный контур вешать,что б за током следить,без фапч или пуского генератора,если детектор на триггере шмитта,шумы могут не достигать уровня ,достаточного для срабатывания.Если же детектор на быстром компараторе с минимальным смещением,то да.Имхо. :)

А за током следить просто-вешаем на первичный контур тт нагруженный резистором ,и смотрим на нем напряжение, I=V*N(количество витков)/Rтт

ProstoSergey
Сообщения: 14

Сообщение ProstoSergey » 23 апр 2018, 22:56

Доброго всем вечера. Давно не писал та как занимался другим проектом и на Теслу попросту не было времени. Сегодня снова пробовали запустить. Сделал новый ТТ
ТТ.jpg
ТТ.jpg (55.27 КБ) 37842 просмотра

Намотал каскадом на первом колечке 27 витков а на втором 30. Подключил всё приблизительно по такой схеме
схем.JPG
.
Тесла так и не стартонула((( Но есть сдвиги в лучшую сторону. Возле вторички начала светиться неонка -- то есть поле присутствует. Также прицепил на первичку ТТ (50 витков) и нагрузил резистором 1 кОм. Посмотрел сигнал и увидел какую то кракозябру. На ТТ со вторички картина похожая. Какая то кракозябра((( Что посоветуете делать дальше?

ProstoSergey
Сообщения: 14

Сообщение ProstoSergey » 23 апр 2018, 22:59

Вот кстати видео.


Rabby
Сообщения: 177
Откуда: Tel Aviv

Сообщение Rabby » 24 апр 2018, 06:25

А напряжение какое подавали? На малом напряжении надо уменьшить количество витков первички-крокодильчик пониже подцепить

Аватара пользователя
BSVi
Адепт
Сообщения: 3576
Откуда: Киев

Сообщение BSVi » 24 апр 2018, 07:41

А полярность GDT пробовали менять?

ProstoSergey
Сообщения: 14

Сообщение ProstoSergey » 24 апр 2018, 08:39

Нет((( За GDT как то не подумал. Сегодня по пробую.

ProstoSergey
Сообщения: 14

Сообщение ProstoSergey » 24 апр 2018, 18:08

В общем пробовал сегодня снова колупать Теслу. Для начала отключил прерыватель (создал условие для CW режима -- удобно смотреть сигнал на затворах) Микросхемы сразу начали работать (+5 на енейбл не подавал, не знаю так должно быть или нет?? (тога получается что запрещающий сигнал то +5(12)В? )) Вместо ТТ обратной связи подключил подключил генератор синуса частотой ~250 кГц амплитудой ~5 В. Посмотрел осциллографом путь прохождения сигнала. В общем на вход драйверов приходит четкий меандр. Тут вроде всё как и должно быть. Потом посмотрел что твориться на выходах микросхем драйверов. Померил относительно минуса. Получил вот это:
IMG_20180424_142100.jpg
IMG_20180424_142100.jpg (43.16 КБ) 37810 просмотров

Вроде бы так и должно быть. Потом стал осциллографом на первичную обмотку GDT и увидел вот такую картину:
IMG_20180424_143208.jpg

Такая же картина и на затворах транзисторов. Как я понимаю тут должен быть меандр. Пусть со всплесками, звонами, но меандр. Или я не прав? Чтобы поправить ситуацию пробовал менять конденсатор последовательно включённый с первичкой GDT. Ставил 0.1 мкф, 1 мкф и 2.5 мкф. При 0.1 мкф сигнала на gdt вообще не заметил. Только какие то маленькие шумы. при 1 и 2.5 мкф ситуация как на осциллограмме.
Что я делаю не так? Походу сам себя загнал в тупик(((

Rabby
Сообщения: 177
Откуда: Tel Aviv

Сообщение Rabby » 24 апр 2018, 18:21

есть подозрение что ключам пришёл писец-отсоедините гдт и посмотрите что он выдаст на вторичных обмотках.если без ключей меандр,а с ключами г.-ключи мёртвые

ProstoSergey
Сообщения: 14

Сообщение ProstoSergey » 24 апр 2018, 18:23

А выходы GDT нужно нагружать резистором и конденсатором при проверке?

Аватара пользователя
BSVi
Адепт
Сообщения: 3576
Откуда: Киев

Сообщение BSVi » 24 апр 2018, 18:25

Желательно нагрузить конденсаторами равными емкости затвора.

ProstoSergey
Сообщения: 14

Сообщение ProstoSergey » 25 апр 2018, 11:44

В общем отключил сегодня ключи (irfp260n) нагрузил выходы конденсаторами 5.6нФ (по даташиту в 260-ых 5.2 нФ) включил и... Картина не изменилась. Также нету меандра((( попробовал подключить чисто к генератору этот GDT. На выходе также ничего((( как я понимаю что то не так с GDT. Что подскажите в данной ситуации?

ProstoSergey
Сообщения: 14

Сообщение ProstoSergey » 25 апр 2018, 11:45

Номинал конденсатора последовательно подключонного к входу GDT пробовал менять. Не помогло(((

Rabby
Сообщения: 177
Откуда: Tel Aviv

Сообщение Rabby » 25 апр 2018, 18:33

похоже сердечник не подходит.ну или что то случилось со вторичными обмотками,что мало вероятно(иногда может надломиться провод)

и если ТГР намотан на тороиде неизвестного происхождения,большая вероятность что этот сердечник совсем не подходит,тороидные трансформаторы редкость.Можно намотать на ЕЕ или EI сердечнике,эти чаще встречаются подходящие

ProstoSergey
Сообщения: 14

Сообщение ProstoSergey » 25 апр 2018, 22:05

Колечко использовал такое https://www.nikom.biz/index.php?globo=A&info=A179019
Кольцо P4-T20/12/6.35-C Размер D20xd12xH6.35 Ui=2400 AL=1550nH, зеленый.
Забыл сказать что при подключении к генератору слышен свист из GDT. Может быть что сердечник уходит в насыщение?

Вернуться в «Трансформаторы Тесла»



Кто сейчас на конференции

Сейчас этот форум просматривают: нет зарегистрированных пользователей и 8 гостей