Парни, посмотрите схемку!
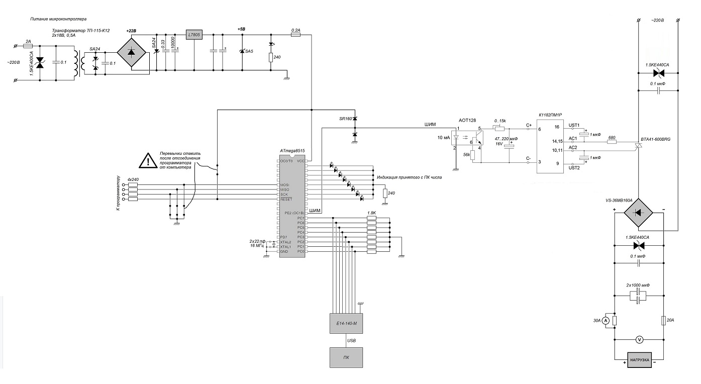
Хочу сделать мощный симисторный регулятор на 4 кВт для своей любимой индукционной грелки с приводом от компа. Есть USB-переходник E14-140-M, посылаю через него цифру от 0 до 255 на порт атмелки. Атмелка ловит число и управляет скважностью ШИМа.
Далее. Есть мощный симистор BTA41 и фазовый регулятор K118. Фазовый регулятор можно питать от ШИМа - шим-сигнал заряжает конденсатор, который тут же разряжается на сопротивление. Таким образом, двигая скважность ШИМа управляем напряжением на ногах, и углом открывания симистора.
Как думаете, будет работать такая схема?
В хорошем качестве: https://yadi.sk/i/AMme_kWu3ZKHUM
Подключение фазорегулятора нашел на каком-то сайте:
Симисторный регулятор мощности с управлением от компьютера
- iEugene0x7CA
- Адепт
- Сообщения: 1571
- Откуда: Киев
Эх, AVR'очка 8515, и питальник на железном трансформаторе с регулятором. Прямо ностальгия. 
Сейчас что-то мало классических радиолюбительских проектиков — последние лет 5 у народа одни Ардуино + китайские модули с AliExpress.
Насчет схемки — возможно мои личные предпочтения, но могу подметить следующие моменты:
1. Индикацию принятого числа с ПК можно сделать на 2-разрядном 7-сегментном дисплее, вроде такого: http://image.made-in-china.com/2f0j00He ... 050RA-.jpg
Т.к. приходящее число ровно 8 бит — его можно отображать 16-ричным числом ровно на 2-х разрядах, т.е. "FF" для 255, "С8" для 200 и т.д.
2. Связь с ПК думаю удобней было бы запилить по UART, например через микру FT232 или подобные — в таком случае будет всего 2 провода вместо 8-ми.
Самим МК принимать байт по прерыванию — тогда не придется постоянно крутиться в цикле опрашивая порт.
Насчет собственно диммера — загуглил микросхему К1182ПМ1, вот кстати к ней шит: http://darkbyte.ru/upload/2011/k1182pm1.pdf
И, заюзанная автором схемка включения вот, т.н. "для плавной коммутации":
Я что-то почти уверен, что авторами микрухи не подразумевалось что туда будут подключать ШИМ, мол это просто для плавного включения/выключения тумблером.
Но одновременно, если там RC цепочка и микруха меряет напряжение — да, с ШИМ'ом думаю может сработать.
P.S. Вообще, при помощи МК можно сделать все это дело и без хитрой внешней микрухи, правда придется мерить синусоиду из розетки для выделения момента перехода через 0.

Сейчас что-то мало классических радиолюбительских проектиков — последние лет 5 у народа одни Ардуино + китайские модули с AliExpress.
Насчет схемки — возможно мои личные предпочтения, но могу подметить следующие моменты:
1. Индикацию принятого числа с ПК можно сделать на 2-разрядном 7-сегментном дисплее, вроде такого: http://image.made-in-china.com/2f0j00He ... 050RA-.jpg
Т.к. приходящее число ровно 8 бит — его можно отображать 16-ричным числом ровно на 2-х разрядах, т.е. "FF" для 255, "С8" для 200 и т.д.
2. Связь с ПК думаю удобней было бы запилить по UART, например через микру FT232 или подобные — в таком случае будет всего 2 провода вместо 8-ми.
Самим МК принимать байт по прерыванию — тогда не придется постоянно крутиться в цикле опрашивая порт.
Насчет собственно диммера — загуглил микросхему К1182ПМ1, вот кстати к ней шит: http://darkbyte.ru/upload/2011/k1182pm1.pdf
И, заюзанная автором схемка включения вот, т.н. "для плавной коммутации":
Я что-то почти уверен, что авторами микрухи не подразумевалось что туда будут подключать ШИМ, мол это просто для плавного включения/выключения тумблером.

Но одновременно, если там RC цепочка и микруха меряет напряжение — да, с ШИМ'ом думаю может сработать.
P.S. Вообще, при помощи МК можно сделать все это дело и без хитрой внешней микрухи, правда придется мерить синусоиду из розетки для выделения момента перехода через 0.

Вернуться в «Силовая электроника»
Кто сейчас на конференции
Сейчас этот форум просматривают: нет зарегистрированных пользователей и 6 гостей