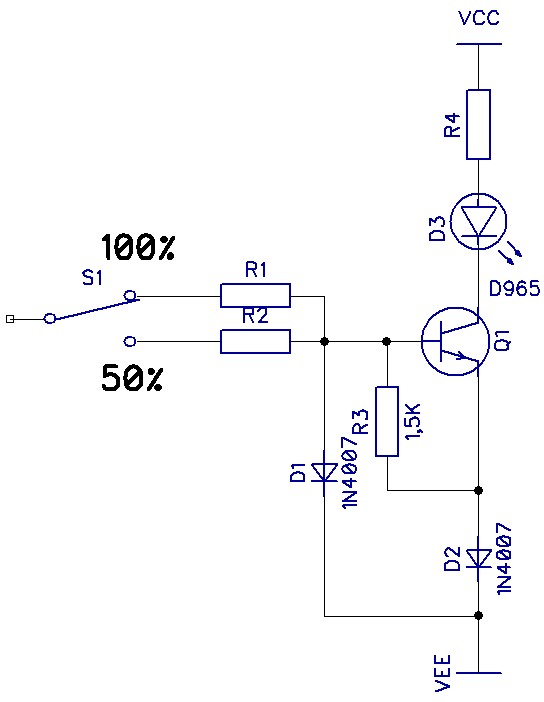
Есть такой китайский фонарик "Трофи", а в нем переключатель яркости свечения светодиодов. Реализовано это по такой схеме:
Только не пойму я, с чего бы транзистору открываться, если база зашунтирована диодом D1 и падение напряжения на нем около 0,6 Вольта минимум, что значительно меньше, чем сумма падений напряжений на переходе база-эмиттер и диоде D2. ( эта сумма примерно 0,7+0,6=1,3 Вольта).
Фонарик издохший, а схема перерисована с платы.
Странная схема
- iEugene0x7CA
- Адепт
- Сообщения: 1571
- Откуда: Киев
Странная схемка. 
Собрал по-быстрому в симуляторе — иногда в нём видно то что мозг не может просимулировать.
Но симуляция только подтвердила теорию: падение напряжения на диоде D1 ниже чем падение затвора-эмиттера Q1 + диода D2.
Итого, весь ток с резисторов R1 и R2 просто утекает в землю через D1, никак не касаясь Q1.
По мне, возможно схемка была неправильно перерисована.
Ещё, в идеале шарить что там за R1/R2/D3/R4 — чтобы просимулировать наверняка.

Собрал по-быстрому в симуляторе — иногда в нём видно то что мозг не может просимулировать.
Но симуляция только подтвердила теорию: падение напряжения на диоде D1 ниже чем падение затвора-эмиттера Q1 + диода D2.
Итого, весь ток с резисторов R1 и R2 просто утекает в землю через D1, никак не касаясь Q1.
По мне, возможно схемка была неправильно перерисована.
Ещё, в идеале шарить что там за R1/R2/D3/R4 — чтобы просимулировать наверняка.
Там ещё есть аккумулятор, сдохший в ноль и без опознавательных знаков. По размерам похожий на шестивольтовый. И как мне рассказывали, когда фонарик включен в розетку 220В он светить не должен, а светить должен только от встроенного аккумулятора. Фонарик, при этом, должен быть отключен от сети 220В.
Посмотрю в понедельник ещё раз эту плату.
Но по памяти я попытался восстановить схему. Мне ещё запомнилось то, что аккумулятор был подключен через диод со стороны минусовой шины.
При таком раскладе, схема выглядит вполне работоспособной, при том, работает от акумулятора только когда отключена от 220В и не работает, когда подключена.
Посмотрю в понедельник ещё раз эту плату.
Но по памяти я попытался восстановить схему. Мне ещё запомнилось то, что аккумулятор был подключен через диод со стороны минусовой шины.
При таком раскладе, схема выглядит вполне работоспособной, при том, работает от акумулятора только когда отключена от 220В и не работает, когда подключена.
Кто сейчас на конференции
Сейчас этот форум просматривают: нет зарегистрированных пользователей и 25 гостей