Акустический выключатель

Если вы - начинающий в электронике, то задайте ваш вопрос тут. Расскажите что вы уже сделали чтобы найти ответ на свой вопрос, опишите свои рассуждения.
strengerst
Сообщения: 25

Сообщение strengerst » 01 июн 2013, 21:34

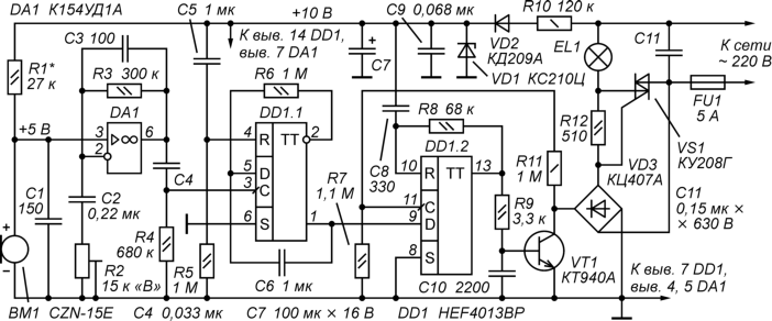
Возможно ли применения операционого усилителя в схеме выложенной выше DA 1 - LM301AN и если да то как он подключаеться к данной схеме. Какие еще LM можете посоветовать к данной схеме на место DA1. Вылаживаю документацию на LM301AN.
Вложения
lm301a.pdf
(225.07 КБ) 591 скачивание
Акустический выключатель.png

Аватара пользователя
N1X
Сообщения: 321
Откуда: Беларусь, Гомель

Сообщение N1X » 02 июн 2013, 08:51

Да тут походу любой ОУ общего назначения с однополярным питанием... LM358 LM2904 (или не 04, в общем в котором меньше секций), они по два в корпусе, зато их как грязи...

strengerst
Сообщения: 25

Сообщение strengerst » 02 июн 2013, 13:05

LM358N это она? и если да то как ее подключить к данной схеме, точно так же , или нет?

Аватара пользователя
N1X
Сообщения: 321
Откуда: Беларусь, Гомель

Сообщение N1X » 03 июн 2013, 11:12

Она. Включить согласно даташиту. У нее питание 4 и 8, а сам ОУ тоже посмотреть, их два в корпусе, выбрать любой, какой удобнее...

strengerst
Сообщения: 25

Сообщение strengerst » 28 июн 2013, 10:00

Спасибо

Аватара пользователя
iEugene0x7CA
Адепт
Сообщения: 1571
Откуда: Киев

Сообщение iEugene0x7CA » 11 июл 2013, 13:12

Хм, я бы эту фигню вообще не советовал собирать...
Нету ни отвязанного БП, ни опторазвязки симистора... Любая проблема, и аппарат целиком сгорит в адском пламени...

Аватара пользователя
N1X
Сообщения: 321
Откуда: Беларусь, Гомель

Сообщение N1X » 12 июл 2013, 10:45

Ну так такие аппараты и делаются как маленькая неремонтопригодная коробочка системы "Что сгорит, то не сгниет!"

Аватара пользователя
iEugene0x7CA
Адепт
Сообщения: 1571
Откуда: Киев

Сообщение iEugene0x7CA » 13 июл 2013, 12:49

Ага, но эту штуку еще собрать надо, и невнимательность тут может закончится осколочным фейрверком.
Как по мне, так схемы подобные далеко не для новичков... А если человек не совсем новичок, то он эту штуку уже будет собирать со всеми плюшками безопасности, и не на логике, а на МК или 555.
Схема данная соответствует дешевым китайским поделкам, где просто попытались сэкономить на чем только можно.

Аватара пользователя
BSVi
Адепт
Сообщения: 3576
Откуда: Киев

Сообщение BSVi » 13 июл 2013, 16:41

Самое интересное, что эту схему я собирал в 6-том классе школы на конкурс "умелые ручки". В устройствах, куда человек не будет лезть руками не обязательна развязка, вполне можно использовать и такое питание как на схеме. Можно даже проапгрейдить и сделать питание на гасящем конденсаторе.

Вернуться в «Для начинающих»



Кто сейчас на конференции

Сейчас этот форум просматривают: нет зарегистрированных пользователей и 20 гостей