нужна помощ в разработке грамотной ПП
мне тут друг подсказал ещё идею вот такова преобразователя. оно работать будет? как расчитать? как изготовить дроссель?
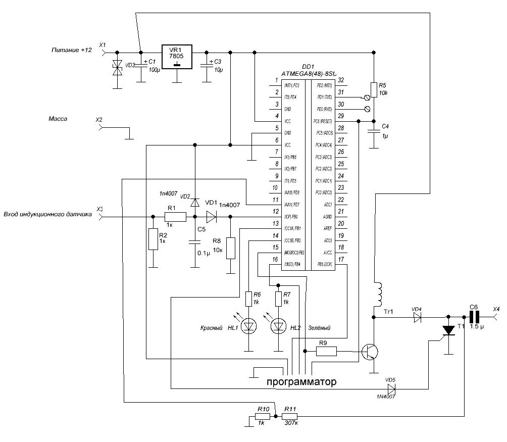
Итак, замечания:
1. На входе должен быть дроссель. Если супрессор попытается скушать помеху от стартера, его ждут большие неприятности
2. Не особо понятная цепочка на D1-D2. Почему-бы не сделать диодную вилку?
3. А зачем использовать вход программатора для базы транзистора, неужто других выходов не осталось? И да, транзистор выходом микрокнтроллера драйвить - тоже не очень вариант. Неплохо бы поставить полевик и драйвер затвора.
4. 400в из 12 получить без трансформатора очень сложно. Точнее, можно, но кпд будет очень мелким.
5. тиристор прямо ножкой контроллера через диод - тоже не есть гут, можно заменить полевиком в том-же включении что и на силовой транзистор.
6. И у флайбека и у буста должен быть супрессор или снабер для защиты от отраженного напряжения, иначе, его рано или поздно вынесет.
1. На входе должен быть дроссель. Если супрессор попытается скушать помеху от стартера, его ждут большие неприятности

2. Не особо понятная цепочка на D1-D2. Почему-бы не сделать диодную вилку?
3. А зачем использовать вход программатора для базы транзистора, неужто других выходов не осталось? И да, транзистор выходом микрокнтроллера драйвить - тоже не очень вариант. Неплохо бы поставить полевик и драйвер затвора.
4. 400в из 12 получить без трансформатора очень сложно. Точнее, можно, но кпд будет очень мелким.
5. тиристор прямо ножкой контроллера через диод - тоже не есть гут, можно заменить полевиком в том-же включении что и на силовой транзистор.
6. И у флайбека и у буста должен быть супрессор или снабер для защиты от отраженного напряжения, иначе, его рано или поздно вынесет.
1. понял. какой дроссель? или может супрессор выкинуть и всё?
2. цепочка d1-d2 это защита входа контроллера от высоковольных всплесков с датчика. там импульсы очень слабенький но напряжение может быть до 20 вольт. если напряжение будет больше 5 вольт(точнее 5 вольт плюс падение на диоде) то ток пойдёт по диоду vd2 и напряжение поглотится самим контроллером(ток датчик даёт мизерный) может это и лишнее но я вот так сделал.
3. выводы остались. можно переделать на любой другой удобный. когда делал не задумывался но эта схема уже собранная лежит на столе
4. тогда делаем с трансформатором
5. такое включение тиристора было испытано на другом зажигании проблем небыло. какой полевик? откуда выковырнуть? у меня нет радиомагазина рядом всё делается из подручных деталей
6. что за матерные слова? непонятно))))))))
2. цепочка d1-d2 это защита входа контроллера от высоковольных всплесков с датчика. там импульсы очень слабенький но напряжение может быть до 20 вольт. если напряжение будет больше 5 вольт(точнее 5 вольт плюс падение на диоде) то ток пойдёт по диоду vd2 и напряжение поглотится самим контроллером(ток датчик даёт мизерный) может это и лишнее но я вот так сделал.
3. выводы остались. можно переделать на любой другой удобный. когда делал не задумывался но эта схема уже собранная лежит на столе
4. тогда делаем с трансформатором
5. такое включение тиристора было испытано на другом зажигании проблем небыло. какой полевик? откуда выковырнуть? у меня нет радиомагазина рядом всё делается из подручных деталей
6. что за матерные слова? непонятно))))))))
понял. какой дроссель? или может супрессор выкинуть и всё?
Если его выкинуть, то сгорит вообще все. Когда работает стартер в бортовой тести бывают 100+ вольтовые выбросы. Посмотри как делают в других девайсах, которые подключатся к бортовой сети - усилителях там разных, магнитолах, вот по подобию и нужно сделать.
цепочка d1-d2
Я тоже защиту предлагал, только немного более классическую - поставить VD1 анодом на землю, а катодом - в общую точку. Тогда будет защита и от отрицательного напряжения.
выводы остались. можно переделать на любой другой удобный.
Дык, переделай. Естесвтенно, желателно чтобы там таймер был чтобы он автоматом генерировал выходной сигнал.
такое включение тиристора было испытано на другом зажигании проблем небыло.
Ну, ок

непонятно))))))))
гугл.
гугл схему не поможет нарисовать)
вывод для генератора можно взять любой сосдений. по разводке платы сорентируемся.
можно ли супрессор заменить чем нить более подручным? или откуда отковырять необходимые детали можно?
вывод для генератора можно взять любой сосдений. по разводке платы сорентируемся.
можно ли супрессор заменить чем нить более подручным? или откуда отковырять необходимые детали можно?
Предлагаю ничего не отковыривать, а заказать в нет-магазинах, коих тыщи.
напиши пожалуйста какие детали надо.я никада их в своей практике не использывал. я закажу.
какой трансформатор в преобразователе можно постаивть заводской и покупной. а не выковыривать из китайского заряного для телефона.
можно попробовать сетевой flyback использовать в обратном включении, таких трансформаторов продается много, но тут нужно много считать 

я это к чему. что када плату разводить будем что б развести под нормальные элементы. а не под то что я у себя в ящике нашёл)
Я обещал только развести плату, а не рассчитать преобразователь, поэтому, под что скажите, под то и разведем - считать преобразователь сейчас у меня просто нету времени. Судя по заголовку темы я то подумал, что все готово и нужно только плату для производства сделать, а оказывается, еще и конь не валялся 
Пример расчета флайбека есть вот тут
Примерно подходящие готовые трнасформаторы есть вот тут и вот тут

Пример расчета флайбека есть вот тут
Примерно подходящие готовые трнасформаторы есть вот тут и вот тут
ненне.. валялся ))готово работало на столе. частично на мопеде. производство будет наколенное))) хрен с ним зарядников накуплю.стоят копейки. сделаем побольше дырок вокруг трансформатора. по месту буду сверлить. пока вопросов больше нет. схема есть её и лепим.. просьба будет только защитные приблуды додумать остальное фик с ним.
Погляди у меня в теме. Я делал трансформатор, на второй видеовстрече даже показывал. Мотать несложно на самом деле - сердечник от ATX. Параметры намотки, насколько я помню, примерно такие: витков 300 вторички проводом 0.1, несколько витков первички - лентой из двух проводов 0.5. Точные параметры - поищи в моей теме, которую приводил, может там есть. И если делаешь флайбек - зазор между половинками сердечника!! Он обязателен, не вздумай забивать на этот факт! Более того, он должен быть нормирован. Можно либо рассчитать и с помощью кальки довольно точно выставить, либо опытным путем по падению индуктивности: засунул бумажку - померял, засунул другую - померял, если есть чем померять..
индуктивность мерять конечно же нечем. всё что у меня есть это пара осциллогрофов, генератор низкой частоты частотомер самодельный ну и мультиметры всякие. вобщем то больше у меня никаких измерилок нету. трансформатор взял самое что доступное. это китайский зарядник и вроде заработало оно. разбирал заводские конструкции там трансформторы стоят аналогичных габаритов. на таком же "железе" витков сколько я незнаю
Я индуктивность мерял своим мультиметром за 1000 р.
Трансформатор - лучше бы перемотать под свои параметры. Попробуй посчитать, результат выложи сюда - подправим..
Трансформатор - лучше бы перемотать под свои параметры. Попробуй посчитать, результат выложи сюда - подправим..
стыдно признатся но я это.... плохо с математикой))) несмотря на то что работаю учителем в школе:) как то не сложилось у меня с формулами:) файл с расчётами интересен обязательно постараюсь разобратся.
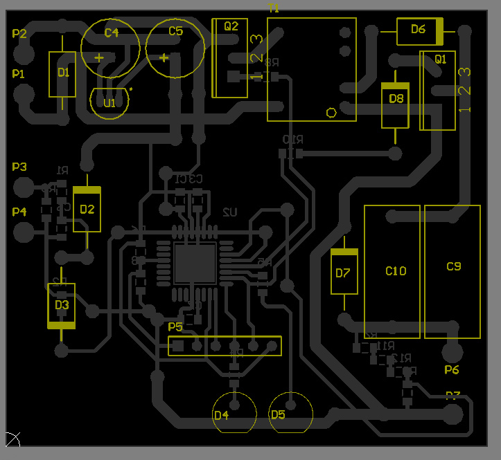
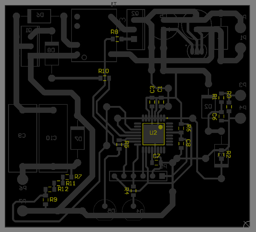
А вот и платка.
- Вложения
-
- Bottom layer.pdf
- (10.3 КБ) 940 скачиваний
Резисторы обратной связи выдержат выходное напряжение? Размер 1206, вроде, только до 200 Вольт.
надеюсь выдержат... а вот плата кажется мне нужна в зеркальном виде!111 будет ЛУТ технология. надеюсь в течении моего работчего дня сергей сможет отзеркалить.. и я сегодня бы уже начал делать
Дивное что-то на этой плате.
У резисторов скругленные края, и bullzip printer, похоже, этого не пережил.
Резисторы обратной связи выдержат выходное напряжение? Размер 1206, вроде, только до 200 Вольт.
Да, ты абсолютно прав. Темболее, резисторы там 0805. Исправил.
а вот плата кажется мне нужна в зеркальном виде!
Я разводил на нижнем слою, он и так зеркальный, если смотреть на него через плату.
- Вложения
-
- ignition.PDF
- схема
- (103.76 КБ) 725 скачиваний
-
- Bottom layer.pdf
- исправленная плата
- (10.52 КБ) 711 скачиваний
пофик непойду. сдесь ещё ошибка в разводке обратной связи. нужно ОС брать с левго вывода кнденсатора(смотри мою схему) а разводка по правому вывду. который закорочен на землю диодом. мне проще резистор с выводами припаять в такком случае.
Кто сейчас на конференции
Сейчас этот форум просматривают: нет зарегистрированных пользователей и 7 гостей