Page 44 of 56
Re: Вопрос — Ответ
Posted: 21 Nov 2018, 20:55
by Roman_90
Ребята нужна помощь ,есть все детали чтоб собрать драйвер,только вот оптоприемника нету,пока пользуюсь проводным прирывателем,вопрос будет ли работать вход прирыватель на 2 триггерах.заранее благодарю)
Re: Вопрос — Ответ
Posted: 23 Nov 2018, 03:02
by iEugene0x7CA
AlexS wrote:iEugene0x7CA wrote:Нужно разобрать этот MIDI-шнурок и выпаять резистор на выходе, т.е. брать чистый 5В сигнал, а уже оптоголовы подрубать со своим резистором каждую.
Если нужно — могу этот момент рассказать подробнее.
Здравствуйте. Очень нужно. Расскажите пожалуйста подробнее.
Там всё просто до невозможности.

В любом MIDI-USB шнурке можно найти вот такую схему:

- midi_hack.png (20.42 KiB) Viewed 73931 times
Это китайская имплементация токовой петли на резисторах. Транзистор работает в ключевом режиме, на него с микроконтроллера идёт 0-5 вольт MIDI сигнал(который нам и нужен).
Концы OUT торчат из шнурка, и по задумке туда должен подключатсья кабель с оптопарой уже на стороне девайса.
Юзается токовая петля для большей помехоустойчивости и проводного расстояния чем если бы просто 5-вольт сигнал шел устройствам по кабелю. Ну, тут вроде всё понятно.
Если нужно подключить только одну голову оптопередатчика — это можно сделать напрямую, повесив её на OUT'ы шнурка. IF-E96E это по сути быстрый светодиод и не отличается от того что был бы в оптопаре.
В теории можно подрубить и две головы последовательно, но это не проверял.
Если же нужно подрубить 3+ головок — это можно сделать выпаяв резисторы по 220 Ом и заменив их коротышами, тогда шнурок будет выдавать чистые 0-5 вольт сигнал, к которому можно повесить хоть батарею оптоголов.

- midi_hack2.png (51.8 KiB) Viewed 73931 times
Правда в таком случае стоит быть осторожным, закоротив выходы пинцетом после модификации можно сжечь транзистор и шнурок перестанет работать.
Благо, впаять новый не должно составить проблемы.

Re: Вопрос — Ответ
Posted: 23 Nov 2018, 10:03
by AlexS
Спасибо большое вам за ваш ответ. Очень полезный!
Re: Вопрос — Ответ
Posted: 26 Nov 2018, 19:30
by Roman_90
Подскажите хочу собрать защиту по току на lm311 и прерывать сигнал через логику И,будет ли правильно работать .
Re: Вопрос — Ответ
Posted: 26 Nov 2018, 21:52
by iEugene0x7CA
Roman_90 wrote:Подскажите хочу собрать защиту по току на lm311 и прерывать сигнал через логику И,будет ли правильно работать .
Как я понял, схемка на компараторе не только сенсит ток, но и дополнительно обеспечивает задержку. Не плохо.

Выдаёт 1, и когда срабатывает OCD — уходит в 0 пока не зарядится RC цепочка.
Да, кстати подробности было бы не плохо расписать, а то мне пришлось собрать эту схемку в симуляторе.
Вроде должно работать, но если глобально — хорошая система конечно должна иметь синхронизацию на триггере: как с сигналом обратной связи, так и с сигналом прерывания.
Синхронизация с фидбеком нужна дабы выключалась DR'ка в нуле тока, когда силовуха доработала полупериод. Без фичи каждый последний период будет выключаться жестко,
что при высоких частотах прерывания даст лишний прогрев ключам.
Синхронизация с прерывателем нужна для OCD, дабы та опиралась не на задержку, а дожидалась спадающего фронта с прерывателя, стартуя Теслу только на новом импульсе.
Тут уже дело такое, но это решение например спасёт если прерыватель вдруг сломается и выдаст единицу.
P.S. Видел был вопрос о проводном прерывателе, но схемка была удалена.
Тут могу сказать, что оптику юзать не обязательно — оптический кабель в основном нужен как мера предосторожности дабы 100% не спалить например дорогой пианино-синтезатор,
с которого будут играть на Тесле, или компьютер.
Ещё конечно есть фишка, что прерыватель на кабеле может биться током, что пользователю точно не будет приятно.
Так, в качестве бюджетного варианта можно изготовить некий гибрид токовой петли и самодельной высоковольтной оптопары — будет почти как оптика, могу рассказать подробней если интересует.
Re: Вопрос — Ответ
Posted: 27 Nov 2018, 08:04
by Roman_90
iEugene0x7CA wrote:Roman_90 wrote:Подскажите хочу собрать защиту по току на lm311 и прерывать сигнал через логику И,будет ли правильно работать .
Как я понял, схемка на компараторе не только сенсит ток, но и дополнительно обеспечивает задержку. Не плохо.

Выдаёт 1, и когда срабатывает OCD — уходит в 0 пока не зарядится RC цепочка.
Да, кстати подробности было бы не плохо расписать, а то мне пришлось собрать эту схемку в симуляторе.
Вроде должно работать, но если глобально — хорошая система конечно должна иметь синхронизацию на триггере: как с сигналом обратной связи, так и с сигналом прерывания.
Синхронизация с фидбеком нужна дабы выключалась DR'ка в нуле тока, когда силовуха доработала полупериод. Без фичи каждый последний период будет выключаться жестко,
что при высоких частотах прерывания даст лишний прогрев ключам.
Синхронизация с прерывателем нужна для OCD, дабы та опиралась не на задержку, а дожидалась спадающего фронта с прерывателя, стартуя Теслу только на новом импульсе.
Тут уже дело такое, но это решение например спасёт если прерыватель вдруг сломается и выдаст единицу.
P.S. Видел был вопрос о проводном прерывателе, но схемка была удалена.
Тут могу сказать, что оптику юзать не обязательно — оптический кабель в основном нужен как мера предосторожности дабы 100% не спалить например дорогой пианино-синтезатор,
с которого будут играть на Тесле, или компьютер.
Ещё конечно есть фишка, что прерыватель на кабеле может биться током, что пользователю точно не будет приятно.
Так, в качестве бюджетного варианта можно изготовить некий гибрид токовой петли и самодельной высоковольтной оптопары — будет почти как оптика, могу рассказать подробней если интересует.
Спасибо за пояснение,хотел упростить драйвер ,теперь подумал надо ставить 2 D-триггера на обратную связь и на прирыватель,за основу возьму схему Стива Верда,и небольшой вопрос оптический приемник даёт инверктный сигнал,и чтоб его перевернуть стоит триггер,а если подключать проводной прирыватель то надо на прямую к логике,вроде правильно думаю,и был очень благодарен узнать про токовую петлю с оптопарой
Re: Вопрос — Ответ
Posted: 02 Dec 2018, 00:14
by Qi-vi-go
Здравствуйте. Хочу узнать возможность создания "полномостового качера", ну, для начала полумостовый качер.
Вот простейшая схема полумоста:

- ucc27425-2.gif (19.5 KiB) Viewed 73782 times
Такие полумостовые схемы стоят во всех балластах лдс. Я решил потестить эту идею на балласте, на котором стоят 13002s транзы на 1ампер.
GDT : 20 витков между вторичкой и землей и по 5 витков для упр транзисторами(примерно мотал, чтоб 100% завелось).
Саму схему подключал через кондер 2.2мкф, ограничивая им мощность до 10-12вт или меньше, там транзисторы ватт на 6 грелись
И оно работает
Правда, транзы без радиаторов, продолжительное время оно могло работать только через 600нФ кондер.
Стримерок был в около 1см. Через кондер в 5мкф стимерок поднялся до 3 см

, но транзисторы уж очень быстро перегревались, не заснял.
Вот схема:

- IMG_20181201_005318.jpg (95.7 KiB) Viewed 73782 times
Результаты:

- IMG_20181130_213426.jpg (104.31 KiB) Viewed 73782 times

- IMG_20181201_153409.jpg (73.63 KiB) Viewed 73782 times
Щас буду паять схему на кт838 и кт846, все ровно без дела валяются, а радиаторы у них огромные. Надо узнать их предел
Это очень простое решение, не думаю, что я первым до такого додумался. Так почему люди качеры на 1 транзе собирают. А полумостовые и мостовые нет?
Возможно ли построить полномостовой качер на мощных транзисторах?
Re: Вопрос — Ответ
Posted: 04 Dec 2018, 00:34
by Qi-vi-go
И так, сделал полумостовый качер

, на 5амперных кт838 и кт846, балласт теперь ставил на 15мкф, стример 5-7см, транзисторы греются, но медленно. Это не cw, модуляция сети 100Гц. Жужжит сильно.
Результаты:
Ну и схемка, кому интересно:
Транзисторы не пробивает, потому что они высоковольтные?
Можно ли сделать такое на mosfet-ах или igbt, которые на 500-600 вольт? Просто знаю, что супрессор на 400 вольт не спасает.
Детальки схемы из старых теликов и балласта лдс, вообщем из хлама. Если нужно, могу схему нарисовать.
Re: Вопрос — Ответ
Posted: 04 Dec 2018, 13:01
by Uria
Qi-vi-go wrote: Если нужно, могу схему нарисовать.
Схемку, а почему бы и не нарисовать если не лениво?
Мне например интересно и возможно даже нужно (я начинающий тесламан), а вот электронным зубрам

вероятно не интересно.
Тут качерообразное не котируются...

Re: Вопрос — Ответ
Posted: 04 Dec 2018, 20:16
by iEugene0x7CA
Roman_90 wrote:небольшой вопрос оптический приемник даёт инверктный сигнал,и чтоб его перевернуть стоит триггер,а если подключать проводной прирыватель то надо на прямую к логике,вроде правильно думаю,
и был очень благодарен узнать про токовую петлю с оптопарой
Для инвертирования там просто инвертор идёт после оптоприёмника.
Насчёт более доступного изолированного кабеля, нежели оптика:
1. Для токовой петли можно заюзать схемку из китайского USB-MIDI шнура, которая висит на пару постов выше.
Токовая петля позволяет передавать сигнал на большие расстояния и ловит меньше наводок чем если пускать просто напряжение по проводу.
2. Одновременно, нужно сделать самопальную оптопару, которая бы держала несколько сотен киловольт — на случай если в катухе что-то пойдёт не так или она шарахнет по проводу прерывателя.
Сделать её проще всего купив стеклянную палочку — они продаются в магазинах лабораторной посуды для перемешивания кислот, часто можно найти и на барахолках любого города.
Схемка примерно такая:
Суть — палочка как и оптоволокно успешно проводит свет. Если с одной стороны посветить светодиодом — будет светится и с обратной стороны, думаю тут всё понятно.

Нюансы — не каждый светодиод особенно быстрый, этим обычно страдают современные люминофорные светодиоды(белые/голубые). Нужно найти такой, где будет напрямую виден чистый кристалл.
Цвет — лучше зелёный, т.к. именно он лучше всего проводится болотным стеклом по типу советского оконного(продаваться у нас палочки будут именно из него).
Так же, фототранзистор возможно будет ловить наводки от Теслы, и есть вероятность что ему понадобится экранирование.
Но, нюансы уже нужно будет разбирать строящему систему.
Qi-vi-go wrote:Так почему люди качеры на 1 транзе собирают. А полумостовые и мостовые нет?
Возможно ли построить полномостовой качер на мощных транзисторах?
Очень просто, став полумостовым — качер теряет простоту валенка, и тусовкам где качеры собирают уже не интересен.

Вообще, само название "качер" тесластроители не любят, т.к. исходит оно и исторически применялось в тусовках добывателей свободных энергий.
Вот вроде такого:
https://sites.google.com/site/atmosfera ... ovin-kacer
Реально все эти конструкции, от однотранзисторного качера и до QCW DRSSTC — это всё Solid State Tesla Coil, т.е. трансформаторы Теслы на полупроводниковых компонентах.

Re: Вопрос — Ответ
Posted: 04 Dec 2018, 23:11
by Qi-vi-go
Uria wrote:Схемку, а почему бы и не нарисовать если не лениво?
Диоды любые импульсные. К примеру с atx можно выдрать.
Транзисторы кт838, кт846 или любые аналогичные.
Половине компонентов можно менять номинал на +-(20-50)%.
Трансформатор ОС у меня из материала n87, можно любые для частот 200-500кГц. Количество витков на нем можно попробовать поменять. Кстати, он смещает резонансную частоту вторки, что есть плохо.
Чем больше емкость С1, тем больше мощи.
С5 нужно подбирать.
Землю я подключал напрямик к земляному проводу розетки, еще можно через делитель, или систему отопления, водоснабжения, предварительно проверив их.
Тор, сверху на вторку, ставить не надо.
iEugene0x7CA wrote:Реально все эти конструкции, от однотранзисторного качера и до QCW DRSSTC — это всё Solid State Tesla Coil
Значит, попытаюсь собрать полныймост.

Re: Вопрос — Ответ
Posted: 04 Dec 2018, 23:39
by Uria
Qi-vi-go wrote:Uria wrote:
Значит, попытаюсь собрать полныймост.

Все этим кончают...
А мне вот например нравятся "качеры" (ну или может назвать их "однотранзисторными схемами")?
Вот например.... качер, а эффект ну прям чистая QCW. А интересно можно ли например сделать то же но на ОЧЕНЬ БОЛЬШОМ (мощном) транзисторе?
Re: Вопрос — Ответ
Posted: 25 Dec 2018, 21:53
by Uria
Забацал автогенератор на irf 460 с прерывателем на тиристоре.
Диаметр катушки 110 мм. Витков примерно 1000 (не считал). вторичка 3.5 оборота. Стример до 40 см. Транзистор холодный.
Re: Вопрос — Ответ
Posted: 25 Dec 2018, 23:05
by BSVi
Оч впечатляюще, как для качера!
Re: Вопрос — Ответ
Posted: 25 Dec 2018, 23:24
by Uria
Спасибо за похвалу!
Ваша похвала дорогого стоит....
Буду стараться дальше... может и до более сложного дойду потихоньку.
Re: Вопрос — Ответ
Posted: 30 Dec 2018, 15:53
by iEugene0x7CA
Так понимаю там прерыватель синхронизируется по нулю напряжения в розетке и стартует на нарастающей — генерируя подобие пилообразного напряжение как в QCW установках.
Такую штуку раньше во всю юзали ламповые тесластроители — вполне рабочая технология.
Но конечно, в розетке моща лимитирована, и для получения большего страимера уже нужно цеплять батарею 4700 uF банок по питанию с бак-конвертером/фазосдвигом.
Re: Вопрос — Ответ
Posted: 31 Dec 2018, 00:44
by Uria
iEugene0x7CA wrote:Так понимаю там прерыватель синхронизируется по нулю напряжения в розетке и стартует на нарастающей — генерируя подобие пилообразного напряжение как в QCW установках.
Такую штуку раньше во всю юзали ламповые тесластроители — вполне рабочая технология.
Но конечно, в розетке моща лимитирована, и для получения большего страимера уже нужно цеплять батарею 4700 uF банок по питанию с бак-конвертером/фазосдвигом.
Я тоже примерно так думаю,про прерыватель но ни разу не электронщик увы...

Может потихоньку дойдем до конденсаторов и бак-конвертера....

Мостовая схема - включение плеч GDT.
Posted: 09 Feb 2019, 17:34
by Crazy_Fan
Подскажите, некоторые источники рекомендуют управлять мостом двумя gdt. Причем часть советует подключать один gdt на левый полумост и другой gdt на правый.
Другие же источники советуют наоборот - крестом. У Стива Варда видел в последних версиях 2 gdt. Но не понял какой из этих двух вариантов он использовал. Второй вопрос - много ли даёт раздельное управление плечами моста? Или просто одним драйвером и gdt сложнее раскачать мост?
Re: Мостовая схема - включение плеч GDT.
Posted: 09 Feb 2019, 18:17
by iEugene0x7CA
Crazy_Fan wrote:Подскажите, некоторые источники рекомендуют управлять мостом двумя gdt. Причем часть советует подключать один gdt на левый полумост и другой gdt на правый.
Другие же источники советуют наоборот - крестом. У Стива Варда видел в последних версиях 2 gdt. Но не понял какой из этих двух вариантов он использовал. Второй вопрос - много ли даёт раздельное управление плечами моста? Или просто одним драйвером и gdt сложнее раскачать мост?
Буквально вчера у меня спрашивали этот же вопрос.
2 GDT, где каждый управляет половинкой моста используют в фазосдвигающих QCW драйверах, вроде SimpleDriver:
Дабы технология работала — на половинки моста должен приходить разный сигнал, и одним кольцом его никак не передашь.
Это же подключение может юзаться и просто так — при подключении двух GDT меньше путаницы, можно юзать сердечники меньшего сечения, и выжимать больше мощи юзая большее количество драйверов затворов.
Вплоть до юзания 4-х колец, и чтобы каждый управлялся своими дровами со стороны низковольтной части — но это уже только если никак иначе драйв не умощнить.
Подключение крест на крест ничего не даёт, но скорее отнимает – QCW фазосдвиговый драйв уже не возможен, но обычным прямоугольником будет драйвится т.к. обмотки изолированы.
Один GDT с 5-ю обмотками офигенно напряжно подключать, учитывая что на выходе жгут из 8-ми проводов.
Так же, нужен мощный драйвер затворов дабы он раскачивал все 4 плеча через 1 обмотку. Но в остальном – 5-обмоточный GDT тоже работает, я тестил.

Re: Вопрос — Ответ
Posted: 10 Feb 2019, 23:49
by Crazy_Fan
Ещё вопросик. Собрал драйвер для моста. На выходе стоят пара ap4511gh. Питание выходного каскада драйвера 20 В. Силовая часть - стандартный мост, правда транзисторы стоят irfp460 по 2 штуки (были просто у меня такие). Замерил ток, потребляемый от блока питания в канале 20 В - почти 0.7 А. Это только на один развязывающий трансформатор. Правда в непрерывном режиме. Вместо обратной связи - генератор на входе. На силовую высокое напряжение пока не подключено. Меня величина тока смущает. Многовато. По моим прикидкам должно быть почти раза два меньше. У кого какие данные по потреблению тока драйвером?
Re: Вопрос — Ответ
Posted: 11 Feb 2019, 09:40
by Crazy_Fan
Без размещения картинок на стороне, как напрямую выложить картинку на форуме?
Re: Вопрос — Ответ
Posted: 11 Feb 2019, 20:18
by iEugene0x7CA
Заливать картинки просто — они цепляются через менюшку вложений, как и любе другие файлы.
И, как выглядит в поле создания ответа:
Единственное ограничение — размер, он должен быть не больше 500 кБ.
Так потому, что хостинг сайта с большм количеством данных стоит намного дороже,
а в нынешнем виде, когда это по большей части текст и редкие небольшие картинки — он нас никак не обременет.

Если картинка слишком большая — её размер можно значительно ужать переконвертировав в .jpg и немного обрезав качество в любом редакторе.
Я юзаю старенкий FastStone Image Viewer.
Насчёт тока потребления, а можно взглянут на схемку, и так же — это при CW потреблене или с прерыванием?
Re: Вопрос — Ответ
Posted: 11 Feb 2019, 22:02
by Crazy_Fan
Я нашел причину возникновения большого тока! Конечно потребление я указал в непрерывном режиме - измерял форму сигнала. Причина в том, что при коэффициенте трансформации GDT 1:1 супрессоры 1.5ke18ca ограничивают сигнал. При этом греются очень сильно. Снижение питания сильно помогает

.
Придется перемотать gdt.
С формой сигнала не очень хорошо. Даже 10 см провода сечением 0.5 кв.мм от драйвера до платы моста дают видимое искажение сигнала - всплески заметно увеличиваются. Конечно, я блоки на соплях соединил, но всё же.
С картинкой не получается на Андроиде выкладывать, позже разберусь.
Вроде получилось фото. Это на выходе драйвера, где сигнал норм.
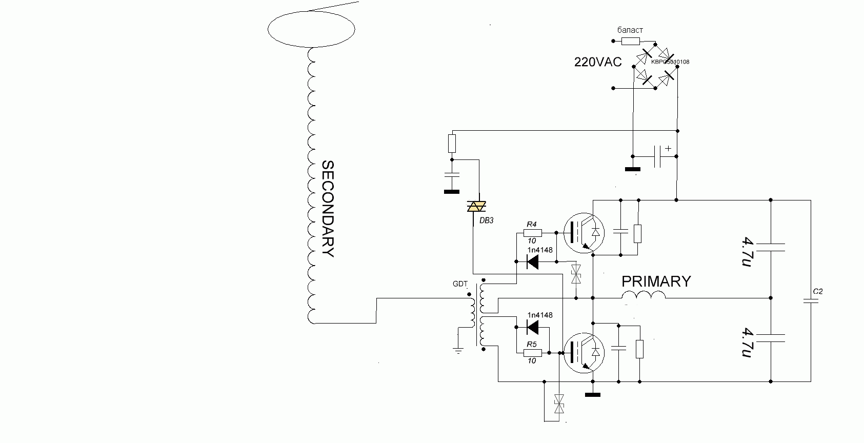
Re: Вопрос — Ответ
Posted: 11 Feb 2019, 22:26
by Crazy_Fan
Схема почти такая, только вместо ucc27423 у меня стоит ucc2110, включенная как два драйвера нижнего плеча.
И Стив Вард мне кажется загнался с каналами А и В. Проще было делать один канал, а на выходе использовать ucc27425 с прямым и инвертированным каналом...
Pdf не загрузился...
Re: Вопрос — Ответ
Posted: 13 Feb 2019, 08:56
by Crazy_Fan
Вот всё-таки загрузил. Правда чуток отличается.