Ламповый долгострой.
На накал пойдет не амплитудное, а пульсирующее (меняющееся от амплитудного до некого другого, зависящего от емкости), и тут емкость конденсаторов не менее важна, чем напряжение трансформатора. Готового ответа у меня нет, поэтому заюзай симулятор.
C симуляторами дел не имел. Посоветуешь прогу?
Мои размышления на тему панели. Покритикуйте.
Переключение каналов хочется сделать кнопочкой. В случае трёх каналов - наверно сделаю последовательное нажатие: чистый - кранч - лид.(светодиод - зелёный/желтый/красный). Хотя, возможно не самое удобное решение... На футсвитч будет выведено 2 кнопки, одной можно будет переключать чистый-кранч, второй - чистый-лид.
PS: вот подумал... бывают ведь ещё - переключатель bright. И ручка presence. Стоит их сюда запихивать?
Переключение каналов хочется сделать кнопочкой. В случае трёх каналов - наверно сделаю последовательное нажатие: чистый - кранч - лид.(светодиод - зелёный/желтый/красный). Хотя, возможно не самое удобное решение... На футсвитч будет выведено 2 кнопки, одной можно будет переключать чистый-кранч, второй - чистый-лид.
PS: вот подумал... бывают ведь ещё - переключатель bright. И ручка presence. Стоит их сюда запихивать?
Обычно переключение делают двумя кнопками. Одна - чистый/перегруз. Вторая - перегруз для ртима/соляка. В итоге получается довольно удобно.
Стоит ли пихать ручки - решать только тебе. Лучше всего, собрать макетку, погонять преамп во всех нужных тебе режимах, выбрать то, что нужно, а потом - оформлять окончательно.
Стоит ли пихать ручки - решать только тебе. Лучше всего, собрать макетку, погонять преамп во всех нужных тебе режимах, выбрать то, что нужно, а потом - оформлять окончательно.
Макетку... Сложновато представить как я это буду делать на коленке, схема громоздкая. Я хотел сразу на чистовую, оформить шасси, и в нём спокойно и аккуратно всё собрать..
Ну, сразу и на чистовую практически никогда не получается. В итоге, твой чистовой варинт превратиться в макетку, а после него ты начнешь делать "еще более чистовой", ну или забьешь, замотаешь синей изолентой и будет работать и так 

Какой же выход? Сделать макетное шасси? Или есть способ проще, без дополнительной коробки?
Ну, можешь посмотреть вот эти две статейки как делал я:
https://bsvi.me/lampovyj-preamp-po-motivam-bogner-sharp/
https://bsvi.me/prostaya-montazhnaya-panel/
Не факт, что это - лучший подход, но он работает.
https://bsvi.me/lampovyj-preamp-po-motivam-bogner-sharp/
https://bsvi.me/prostaya-montazhnaya-panel/
Не факт, что это - лучший подход, но он работает.
Это я видел, даже применял эти идеи в однотакте. А вообще, ты чертовски прав, спасибо. Буду делать сначала на макете!
Выходник.
Вот что получилось: сечение 10 см^2, первичка 2420 витков, вторичка - 80 витков. Вторичка рассчитана на 8 ом, сделал отвод на 4 ома.
Сувал в розетку - вообще не гудит. Измерив RMS, прикинул коэффициент трансформации - 29.82. Расчётый был - 30. Приведёное сопротивление получается 7114 Ом, при целевых 8000 ом.
Секционировал так: первичку разбил на 4 части, вторичку - на 3. Части первички - последовательно, с отводом по середине. Вторички - параллельно.
Отдельно о симметрировании. Не хотел делать половины разными, хоть говорят в гитарниках это не важно, но я хотел получить хорошие параметры. Расчёт был таким - соединю первую половину с четвёртой, вторую с третьей. Из-за увеличивающегося радиуса витка, должно было хоть как-то скомпенсироваться. Грубо говоря, первая половина 1 Ом, вторая - 2, третья 3, четвёртая - 4. Итого 1+4 = 5, 2 + 3 =5. Это симметрирование по активному сопротивлению, по индуктивности делал вообще на "авось прокатит".
Результаты: 123.9; 123.8. По индуктивности - 3.46, 3.46. Общая - 13.7 Гн. (интересно, прога насчитала 37.8 Гн, и 720 Ом..)
Вот что получилось: сечение 10 см^2, первичка 2420 витков, вторичка - 80 витков. Вторичка рассчитана на 8 ом, сделал отвод на 4 ома.
Сувал в розетку - вообще не гудит. Измерив RMS, прикинул коэффициент трансформации - 29.82. Расчётый был - 30. Приведёное сопротивление получается 7114 Ом, при целевых 8000 ом.
Секционировал так: первичку разбил на 4 части, вторичку - на 3. Части первички - последовательно, с отводом по середине. Вторички - параллельно.
Отдельно о симметрировании. Не хотел делать половины разными, хоть говорят в гитарниках это не важно, но я хотел получить хорошие параметры. Расчёт был таким - соединю первую половину с четвёртой, вторую с третьей. Из-за увеличивающегося радиуса витка, должно было хоть как-то скомпенсироваться. Грубо говоря, первая половина 1 Ом, вторая - 2, третья 3, четвёртая - 4. Итого 1+4 = 5, 2 + 3 =5. Это симметрирование по активному сопротивлению, по индуктивности делал вообще на "авось прокатит".
Результаты: 123.9; 123.8. По индуктивности - 3.46, 3.46. Общая - 13.7 Гн. (интересно, прога насчитала 37.8 Гн, и 720 Ом..)
Отличненько! Правда, заполнение кажется маловатым. В принципе, это ничем особым не грозит (только потерями в лишнем железе). Несовпадение с прогой, особенно по активному сопротивлению легко проверить и выяснить, кто виноват. Вполне возможно, ты не так написал диаметр провода (к примеру, прога могла принимать радиус, а ты написал диаметр или что-то в этом духе).
Диаметр прога выдала сама. Там было пару неясных моментов, вроде "длины средней магнитной линии" или "максимальной индукции". Может в них ошибка..
Ого, крутотченечка то какая. Отлично сделано, молодец! Места дофига, даже не знаю, зачем столько. А верхние колодки для обычных двойных триодов? что-что не очень похожи.
Место всё из-за панели передней. Я всё брал по максимуму, прикинул, сколько мне может понадобиться регуляторов, сколько гнёзд, сколько ламп, и.т.д... Вот и родилась такая штука, что хочешь на ней макетируй. А панельки - да, под двойные триоды, да под 6п14п. Других ламп у меня и не будет..
Сергей, расскажи, плиз, про экранирующую обмотку сетевого трансформатора. Правильно ли я понимаю, что она должна быть в один слой и незамкнута? И какой механизм её работы - никак не соображу..
Да, один слой, незамкнута. Работает она как обычный экран - сливает всю грязь, которая хочет проникнуть через емкость первичка-вторичка в землю. Соотественно, она должна быть подключена к корпусу.
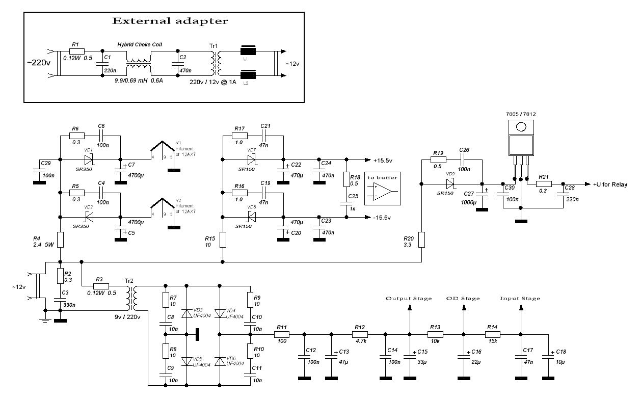
Начинаю подбираться к питанию. Схему стырил вот отсюда. Интересуют резисторы, которые идут от переменки (R4, R11). По какому принципу они выбираются? У меня накальный ток будет поболе. Да и по анодке не ясно, у меня будет двухтактник от неё питаться, не 100 Ом же ставить... Вобщем, по какому принципу они выбираются, либо какие мне поставить?
R4 выбирается так, чтобы на накала было нужное напряжение. R11 выбирается так, чтобы пульсации на анодах были поменьше. В принципе, оба можно расчитать, только нужно учесть что сопротивление накала в холодном состоянии совсем не такое, как в горячем.
Двухтактник питать от трансформатора-перевертыша, имхо, извращение. Ищи нормальный трансформатор. Если будет шуметь, поставишь вместо резисторов дроссели. Ламповую силовуху обычно через дроссели питают.
Двухтактник питать от трансформатора-перевертыша, имхо, извращение. Ищи нормальный трансформатор. Если будет шуметь, поставишь вместо резисторов дроссели. Ламповую силовуху обычно через дроссели питают.
Перевертыша не будет, все трансформаторы мотаю сам, полный кастом
. С этой схемы я выдрал только: типы диодов, RC-цепочки на них, фильтрующие конденсаторы... Идея с дросселем мне больше нравится. Не подскажешь как его рассчитать? Нет ли там заморочек с резонансной частотой LC? По накалу вопросов больше нет
.
PS: кстати, насколько я понимаю, 17ax7 можно накаливать и с помощью 6.3 В. 12 вольт в транс можно не закладывать?
PPS: Ещё вопрос: в приведённой схеме по анодке стоят довольно небольшие ёмкости. Если поставить побольше - кашу маслом можно испортить?


PS: кстати, насколько я понимаю, 17ax7 можно накаливать и с помощью 6.3 В. 12 вольт в транс можно не закладывать?
PPS: Ещё вопрос: в приведённой схеме по анодке стоят довольно небольшие ёмкости. Если поставить побольше - кашу маслом можно испортить?
Дроссель там - чем больше генрей, тем лучше. Типичные параметры можешь взять из подобных твоей по мощности и напряжению схемам. Да, 12ах7 можно питать от 6.3. В анодку преампов не советую очень большие емкости пихать. Проседанием анодного обеспечивается компрессия.
Преампов - там и не будет больших. А сразу после моста, т.е. после дросселя?
После моста или после дроселя? После моста- стоит ставить как можно больше, после дросселя - нет.
мммм. А точку, которая сразу после моста (и где кондёр как можно больше) - подаём на выходной трансформатор. А через дроссель - уже на сетки. Я правильно понял? Или точку после моста никуда не подавать?
Кто сейчас на конференции
Сейчас этот форум просматривают: нет зарегистрированных пользователей и 62 гостя