Page 39 of 56
Re: Вопрос — Ответ
Posted: 19 Feb 2018, 17:13
by Rabby
Kaktys36 wrote:KirillP wrote:
Вот , глянь , сдесь хорошо рассказал расказывается .
Спасибо, а если это сделать на уровне электронной начинки? Схема для DRSSTC будет ли справедлива для SSTC?
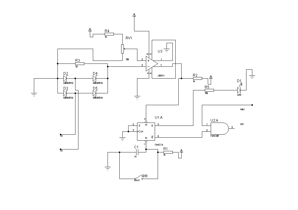
Не думаю ,что это хорошая идея использовать OCD для дрсттц в сттц-там защита срабатывает не сразу,а ждёт логического нуля обратной связи,т.е. защита сработает либо в конце периода,либо будет ждать окончания полупериода+полупериод.В СТТЦ надо сразу рвать сигнал,так как транзисторы и так переключаются жёстко и нет смысла ждать конца периода.если используется схема с уццшками,в которых прерыватель управляет enablе,надо добавить AND gate ,на него подать сигнал с прерывателя и с OCD.Защиту можно организовать двумя способами-либо при срабатывании защиты катушка выключается и надо вручную сбросить защиту,либо сделать авторесет-либо сигналом фидбэка,либо добавить таймер и делать сброс через определённое время.щас попробую схемку простую накидать

- ocd.png (3.03 KiB) Viewed 86940 times
upd-вобще то таймер в катушке и так есть-интераптрер,так что можно сброс им делать,как и в ocd drsttc
Re: Вопрос — Ответ
Posted: 20 Feb 2018, 08:51
by Kaktys36
Спасибо большое за схему и за советы! Будем пробовать!

Re: Вопрос — Ответ
Posted: 22 Feb 2018, 16:20
by i_slayer
Всем привет.
Подскажите какие лучше конденсаторы взять для ММС китайские СВВ или советские К75-25?
сп.
Re: Вопрос — Ответ
Posted: 22 Feb 2018, 23:15
by Qic
.
Re: Вопрос — Ответ
Posted: 23 Feb 2018, 20:43
by Kaktys36
Приветствую! Подскажите, при ловле стримеров на SSTC ток в первичном контуре как себя ведет? Допустим при ловле разряда на конце стримера, середине, и совсем у края? Понимаю что точных значений нет, но насколько высока величина подскакивающего тока? Достаточна, чтобы отследить ее токовым трансформатором и вовремя отрубить катушку ,пока она не ушла на гармоники и не бахнула?
Re: Вопрос — Ответ
Posted: 27 Feb 2018, 21:20
by minik
привет , есть вопросы по драйверу 1- они тестируются перед отправкою?, 2-как будет вести себя драйвер в такой ситуации;-катушка работает на средней
мощности,энергия с тора не сбрасывается
токи уходят в землю --то есть я не даю энергии выходить наружу -сработает ли зашита или драйвер не увидит ничего? /не знаю увеличиться ток при такой
ситуации?/ может предусмотреть изменение накачку ширины импульсов -короче делать?
Re: Вопрос — Ответ
Posted: 28 Feb 2018, 18:46
by savol
...........................................
Re: Вопрос — Ответ
Posted: 28 Feb 2018, 18:47
by savol
-10 или 15 SI-простой интераптер покупаю у ребят, версии прошивок (V1.21) самые новые ставлю , тестирую и проблем ни разу не было а на счет ширины импульса,токов,лимит ширины импульса,угол среза частоты и температуры-при правильной настройке( для этого надо ,чтоб за плечами была практика успешных-работающих больше года 3-5 трансформаторов) это 69% успеха в стабильной и долгой работы трансформатора-все остальное 15%-правильный расчет индукции.10%-материаловедание 5%-геометрия
Re: Вопрос — Ответ
Posted: 01 Mar 2018, 00:30
by iEugene0x7CA
minik wrote:привет , есть вопросы по драйверу 1- они тестируются перед отправкою?, 2-как будет вести себя драйвер в такой ситуации;-катушка работает на средней
мощности,энергия с тора не сбрасывается
токи уходят в землю --то есть я не даю энергии выходить наружу -сработает ли зашита или драйвер не увидит ничего? /не знаю увеличиться ток при такой
ситуации?/ может предусмотреть изменение накачку ширины импульсов -короче делать?
Если вопрос об SD — они тестируются осциллографом, с подключенными генераторами сигнала/выходными нагрузками.
Это более надежный вариант — можно в подробностях посмотреть как работают блоки.
Насчет торчика без терминала — такое не тестили.

Обычно терминал и выход разряда всегда должны быть.
Kaktys36 wrote:Приветствую! Подскажите, при ловле стримеров на SSTC ток в первичном контуре как себя ведет? Допустим при ловле разряда на конце стримера, середине, и совсем у края? Понимаю что точных значений нет, но насколько высока величина подскакивающего тока? Достаточна, чтобы отследить ее токовым трансформатором и вовремя отрубить катушку ,пока она не ушла на гармоники и не бахнула?
Когда-то специально тестили это дело, смотрели первичку работающей SS'ки через токовый щуп.

Результат — в SSTC при ловле ток не повышается, но генерация стремится перескочить на гармонику.
Это и очень хорошо, и очень плохо. В SS'ках с генерацией по обратной связи сваливание в гармонику вызывает вылет транзисторов.
Однако, если есть анализатор фидбека — переходом на гармонику можно детектить что кто-то ловит стримера или же вообще закоротил катуху, и соответственно глушить генерацию/генерировать правильную частоту.
Таки образом работает защита в ST SSTC, недавно как раз выкладывал видео:
http://tqfp.org/forum/viewtopic.php?p=16880#p16880
Re: Вопрос — Ответ
Posted: 02 Mar 2018, 18:49
by Kaktys36
Когда-то специально тестили это дело, смотрели первичку работающей SS'ки через токовый щуп.

Результат — в SSTC при ловле ток не повышается, но генерация стремится перескочить на гармонику.
Это и очень хорошо, и очень плохо. В SS'ках с генерацией по обратной связи сваливание в гармонику вызывает вылет транзисторов.
Однако, если есть анализатор фидбека — переходом на гармонику можно детектить что кто-то ловит стримера или же вообще закоротил катуху, и соответственно глушить генерацию/генерировать правильную частоту.
Таки образом работает защита в ST SSTC, недавно как раз выкладывал видео:
http://tqfp.org/forum/viewtopic.php?p=16880#p16880
Спасибо за помощь, но возникли еще вопросы! Как я понял катушка сваливается в гармоники при ловле разряда, а можно ли реализовать не используя ПЛИС такую весчь, чтобы при ловле и переходе на гармоники, тесла просто отключалась? Некое подобие фильтра в районе 250-300 кГц, который при превышении частоты выдаст запрещающий сигнал? (эдакая защита от тех, кто любит свои руки совать куда не стоит)
И еще, Сергей использует осциллограф при полном питании теслы, но развязывающего трансформатора не видно нигде! Вопрос, какова хитрость?
P.S, как насчет полосового фильтра частот в цепи обратной связи теслы?
Re: Вопрос — Ответ
Posted: 03 Mar 2018, 13:57
by Pigball
Всем привет. Парни есть вопрос по силовой.
Резистор (на схеме красной стрелкой) -
1. Для чего вообще нужен?
2. Как правильно подобрать номинал?
3. Не теряется ли на нем мощность или прочие косяки?

.
Re: Вопрос — Ответ
Posted: 04 Mar 2018, 20:25
by Rabby
Pigball wrote:Всем привет. Парни есть вопрос по силовой.
Резистор (на схеме красной стрелкой) -
1. Для чего вообще нужен?
2. Как правильно подобрать номинал?
3. Не теряется ли на нем мощность или прочие косяки?
"

.
смотря где и зачем он стоит.Например в кцв с асинхронным баком его задача разряжать емкость выходного фильтра ,что бы новый цикл начался с нуля напряжения.
Re: Вопрос — Ответ
Posted: 04 Mar 2018, 21:42
by Pigball
Спасибо, Rabby. Этот резистор подсмотрел здесь в теме DRSSTC от misterio. Интересно для чего он его использовал? Сама идея его поставить мне нравится, равно как и двунаправленный супрессор. Просто хотел сэкономить время на опыты и исследования задав вопрос знатокам.
Re: Вопрос — Ответ
Posted: 04 Mar 2018, 22:36
by savol
гасит статику!
Re: Вопрос — Ответ
Posted: 04 Mar 2018, 23:46
by Rabby
походу натупил-этот же стоит на выходе моста-какой фильтр.Через этот резистор получается первичный контур всегда замкнут,и не висит в воздухе пока мост переключается.По идее будет меньше звона на выходе-если его нет,получается на какой то момент первичный контур замкнут через воздух.
Re: Вопрос — Ответ
Posted: 06 Mar 2018, 17:39
by iEugene0x7CA
Мне кажется этот резистор там ничего не делает.

По опыту — силовая часть без проблем переключается без какой-либо нагрузки.
Re: Вопрос — Ответ
Posted: 25 Mar 2018, 00:49
by Qi-vi-go
Здравствуйте, а можно вместо трансформатора защиты по току и UVLO просто измерять напряжение на эмиттер-коллекторе(для igbt), когда транзистор открыт и отключать драйвер тогда, когда это напряжение превысит норму?
Т.е. не допустить переход транзистора в линейный(активный) режим.
Я конечно понимаю, что это простое решение и если можно можно было защитить так транзисторы, уже бы давно такое сделали. Но почему таки не сделали?
В даташитах есть подобные характеристики igbt, только они для статического режима:

- fgf.png (9.6 KiB) Viewed 86419 times

- napr.png (11.2 KiB) Viewed 86419 times
Вот примерно такая схема должна получится:
Re: Вопрос — Ответ
Posted: 25 Mar 2018, 06:31
by Rabby
Есть такой способ защиты,desaturation detection называется,есть драйвера со встроенным DESAT детектором,например оптодравер HCPL-330,m57962,или трансформаторные изоляторы Adum4135 и подобное.А вот такой драйвер на рассыпухе в проекте индукционного нагревателя-http://webpages.charter.net/dawill/tmoranwms/Elec_IndHeat6.html.Но не вижу смысла собирать на дискретах,в интергральном драйвере есть и UVLO,задержка срабатывания детектора,плавное отключение при срабатывании.
Re: Вопрос — Ответ
Posted: 25 Mar 2018, 17:30
by Qi-vi-go
Нашел инфу с описанием и рекомендациями драйверов:
Нашел интересный драйвер: 2ED020I12-F2
Даташит: (чтоб он открылся, нужно отключить проверку на небезопасные сайты, ну или сами ищите даташит)
Он конечно всего на 2 ампера и входа Enable там похоже нету.
Драйвер управляется с помощью МК, но думаю можно и на логике можно что-то придумать.
Туда поместили кучу защиты. Мотать GDT ненужно. В схеме есть трансформаторная гальваническая развязка.
Но, можно ли такой драйвер использовать для dr(sstc)?
Есть еще IR2214SSPbF, IR2114SSPbF она дешевле и популярней, но ее не смотрел еще толком.
Re: Вопрос — Ответ
Posted: 25 Mar 2018, 17:39
by Rabby
а чего нельзя?сстц всего лишь обычный инвертор,ну немного шумящий изза адских токов.Для мощных катух только такие драйвера и надо ставить,гдт там веры нет

если интересна трансформаторная развязка,советую глянуть adum4135/6 .там и enable легко организуется,можно легко все на логике сделать.Если мало ампер,можно буфер на d44/45vh добавить.
Re: Вопрос — Ответ
Posted: 25 Mar 2018, 18:31
by Qi-vi-go
Я так понял, для полу-моста нужно 2 драйвера adum4135. Они дорогие и непопулярные.
Хотелось бы рассмотреть вариант с драйвером IR2114, на али их за копейки купить можно.
Re: Вопрос — Ответ
Posted: 25 Mar 2018, 19:19
by Rabby
Qi-vi-go wrote:Я так понял, для полу-моста нужно 2 драйвера adum4135. Они дорогие и непопулярные.
Хотелось бы рассмотреть вариант с драйвером IR2114, на али их за копейки купить можно.
изоляции входов нет,задержки не самые лучшие,питание бутсрепное для вернего ключа в теслах не особо прокатывает.Вобще вся эта семейка 2110 какая то глючная.Если задача сделать подешвле,зачем вобще вся эта возня со сложными драйверами,а если ключики хотя бы несколько баксов за штуку,нет смысла экономить на цене драйвера,лучше выбрать подходящий по параметрам и фичам и взять у надёжного поставщика,чем пытаться из старья с распродаж сделать что то подходящее.
Re: Вопрос — Ответ
Posted: 25 Mar 2018, 20:10
by Qi-vi-go
IR2114 для электроприводов предназначен, я пока их немного изучу.
Вот что то вроде даташита на русском, если интересно:
Re: Вопрос — Ответ
Posted: 25 Mar 2018, 21:54
by Qi-vi-go
ООо, нашел халявную 2ED020I12-F2 в своей стране

всего 5$
даташит:
Как насчет нее?
Re: Вопрос — Ответ
Posted: 26 Mar 2018, 00:07
by Rabby
Qi-vi-go wrote:ООо, нашел халявную 2ED020I12-F2 в своей стране

всего 5$
даташит:
Как насчет нее?
вроде ниче драйвер,вполне можно и без микроконтроллера обойтись,не самый быстрый,но для теслы вполне пойдёт.Правда если тягать ключи пожирнее,лучше взять драйвер на каждый ключ,больше корпусов-больше тепла смогут рассеять