Помогите по уму рассчитать и настроить ЛКТ

Обсуждение общих вопросов, связанных с трансформаторами Тесла.
Аватара пользователя
Adeptus Mechanicus
Сообщения: 30

Сообщение Adeptus Mechanicus » 01 мар 2019, 09:46

Собрал ЛКТ на ГК-71 по стандартной схеме. Первичка 40 вит. ОС 13 вит. В контуре КПЕ на 1000пф. Решил рассчитать вторку по уму на частоту 400кгц, подключил и ничего не получил кроме маленького огонька на холодном выводе (если заземление оторвать) при чем от фазировки обмоток не зависит (думал сначала фазировку перепутал, ан нет). До этого стояла вторка намотанная на обум, работало вот так:https://www.youtube.com/watch?v=bDpgWGyWNRA
Расчет делал по методики из этого видео: https://www.youtube.com/watch?v=OM0mwwyAbks&t=485s&index=5&list=LL1FP4nkhICKqzLMPJBtLD3A
1) Первый вопрос непосредственно по расчету, как правильно расчитавать? поделитесь своим опытом.
2) Какая должна быть фазировка обмоток?
3) Как согласовать нагрузку с лампой чтобы она работала в нормальном для себя режиме?

Аватара пользователя
iEugene0x7CA
Адепт
Сообщения: 1571
Откуда: Киев

Сообщение iEugene0x7CA » 02 мар 2019, 00:21

Эм, я совершенно не разбираюсь в ламповой технике. :)

Но если нужно посчитать — не обязательно делать это на бумажке, большинство народу юзает этот калькуляторчик:
http://tqfp.org/calculatoria/tesla/?h1= ... roid_d1=10

Для остальных думаю стоило бы выложить схемку ЛКТ, иногда заходит народ кто с лампами балуется.

Аватара пользователя
Adeptus Mechanicus
Сообщения: 30

Сообщение Adeptus Mechanicus » 02 мар 2019, 13:53

Схема самая обычная (автогенератор). Проблема калькулятора в том, что не известно по какому алгоритму он считает, и данный калькулятор как я понимаю создан для искровой и транзисторной катушек?

Аватара пользователя
iEugene0x7CA
Адепт
Сообщения: 1571
Откуда: Киев

Сообщение iEugene0x7CA » 02 мар 2019, 14:09

Вторка при любом драйвере ведёт себя одинаково — у неё есть резонансная частота.
Если в первичке конденсатор, т.е. есть первичный колебательный контур — тогда катуха может запуститься на одно из 2-х полюсов, в противном запустится на резонансе вторки.
Если колебательных контуров 2 — на каком полюсе запустится в зависимости от соотношений частот первичного контура к вторичному.
Если контур в первичке частотой выше чем вторичный — запустится на upper pole, и наоборот. :geek:

Схему ЛКТ я по прежнему не шарю, на лампах можно собрать целый ансамбль схем, как и на транзисторах. :)
Подозреваю что там лишняя обмотка на первичке юзается дабы брать обратную связь, это вроде классика, но количество витков этой обмотки уже нужно подбирать экспериментально.

По калькуляторчику — алгоритм можно посмотреть в коде странички, нажав в браузере "view page source".
По точности — в жизни получается +/- 10 кГц если вторка моталась на 200 кГц, но разбежность зачастую от неравномерности толщина лака на проволоке.

Аватара пользователя
Adeptus Mechanicus
Сообщения: 30

Сообщение Adeptus Mechanicus » 02 мар 2019, 22:34

Вот схема (у меня только гридлик реализован чуть по другому но по факту от этого особо ничего не зависит) Изображение
Правильно ли я понял, что для того чтобы катуха нормально запустилась нужно поиграться с частотой первички (частота первичного контура должны быть выше резонансной частоту вторичного?), а от фазировки первички и вторички ничего не зависит?

Uria
Сообщения: 271

Сообщение Uria » 03 мар 2019, 00:55

А ничего, что у ГК-71 всего 1,5 кВ анодного?
А у вас еще и шифтер. У МОТов (не знаю какой у вас) и так больше 2,2 кВ выбрасывает.

Аватара пользователя
Adeptus Mechanicus
Сообщения: 30

Сообщение Adeptus Mechanicus » 03 мар 2019, 09:34

В общем и целом ничего, тем более напряжение там переменное получается и лампы особо не капризны к повышению напряжения. Вполне работает при этих режимах. Но вы правы, потом хочу вместо нее гу34б поставить

Аватара пользователя
Adeptus Mechanicus
Сообщения: 30

Сообщение Adeptus Mechanicus » 03 мар 2019, 21:11

Есть две вторки, с одной работает, а с другой нет (с новой) в чем причина, не могу понять? При этом даже газоразрядные лампы не светятся, хотя если потыкать в тороид то небольшой стример проскакивает. Если оторвать "холодный" вывод вторки то не нем малюсенький огонек появляется, а по идее ведь не должен? Крутил частоту, ничего не поменялось.

Аватара пользователя
DIY_ENERGY
Сообщения: 43

Сообщение DIY_ENERGY » 04 мар 2019, 14:58

Собирал я ранее Теслу на лампе ГУ-81М, принцип одинаков. Есть 3 катушки, первичка, вторичка и ОС.
Фазировка первички играет роль, как и на всех катушках Тесла. Если у тебя с новой вторичкой не запускается, то вполне вероятно что намотка новой вторички осуществлена в противоположную сторону чем на старой катушке. Попробуй изменить фазировку первички. Должно заработать.
ОС так же нужно подстраивать, от нее зависит общая работа схемы. мотай лучше сперва больше витков и по 1 отматывай и смотри как будет работать. Если переборщить то лампа может не выдержать. У меня например при уменьшении витков ОС увеличивался прилично стример, и так я уменьшал и уменьшал ОС экспериментально и в один момент сгорел накал лампы)))
Подстраивай так же первичку изменяя количество витков. Я на каждые пол витка делал отводы, чтоб удобно было подстраивать цепляясь крокодилом за отвод.

Аватара пользователя
Adeptus Mechanicus
Сообщения: 30

Сообщение Adeptus Mechanicus » 05 мар 2019, 18:36

Накал сгорел? хм... с чего бы это. Менять фазировку первички пробовал, ничего не изменилось, да новая втрочика действительно намотана в другую сторону. Потом попробовал перемотать первичку в ту же сторону что и вторку (при этом старая вторичка так же работала). сделать выводы проблематично тк намотано многожильным проводов в изоляции, для подстройки частоты использую подстроечный кондюк (КПЕ). А как должна быть фазировка (у вас как сделано?) в одну строну или в противоположные (можете на схеме показать)? А вот как количество виткой ОС зависит на режим с теоретической точки зрения? нужное смещение так задается?

Аватара пользователя
DIY_ENERGY
Сообщения: 43

Сообщение DIY_ENERGY » 05 мар 2019, 22:39

У тебя схема с триодным включением, все 3 сетки лампы соединены параллельно и стоит параллельный гридлик. Минус питания идет на эти 3 сетки через ОС. Чем меньше витков в ОС тем больший ток идет на сетки. Так же можно поэкспериментировать с номиналом резистора в гридлике и конденсатором. Наматывать ОС лучше всего снизу первички на расстоянии не менее 2см.
У меня накал был сгорел изза того, что когда слишком мало витков в ОС то мощность больше но и выбросы ВЧ больше. И получается что в трансформаторе накала возрастало напряжение и изза этого сгорел накал.
Тебе еще лучше бы поставить 2 дросселя после шифтера и 1 конденсатор, это защитит МОТ и т.д. от ВЧ выбросов. Будет стабильнее работа.
Подстраивать первичку обязательно, от этого зависит длина стримера очень сильно. И подстраивать ОС. снимаешь по витку и смотришь стабильно ли работает и ничего не греется и не пробивает ли.

Аватара пользователя
Adeptus Mechanicus
Сообщения: 30

Сообщение Adeptus Mechanicus » 06 мар 2019, 16:53

А в чем смысл подстройки именно витками первички, а не конденсатором? Как понимаю при правильном количестве витков получается согласованная нагрузка? Объяснение на словах это одно, а нет формул? По поводу первички опять же: с чего начинать настройку и что послужит индикатором правильного выбора индуктивности тем более все еще и от частоты (емкости кондера) зависит, сделать бы примерные расчеты чего и сколько должно быть (какая индуктивность/емкость, частота, размеры первички...), от этого уже можно будет как то плясать подстраивать витки и емкость устраняя тем самым погрешности при расчете и сборке. А так методом тыка много не навоюешь...
Небольшая поправка в схеме: гридлик собран немного по другому - резюк стоит параллельно кондеру и индуктивности нет. Не заметил разницы.

Аватара пользователя
DIY_ENERGY
Сообщения: 43

Сообщение DIY_ENERGY » 06 мар 2019, 23:55

Ну так конденсатором ты задаешь рабочую частоту колебательного контура, а изменением витков настраиваешь резонанс. Настраивается все без формул, на глаз. Перемещаешься по виткам первички и смотришь в каком положении и с каким количеством витков стример больше. и так же подстраиваешь ОС и смотришь на работу. но а гридлик лучше все же параллельный сделать.

AlexDark
Сообщения: 14

Сообщение AlexDark » 07 мар 2019, 15:17

Вообще-то частота колебательного контура и будет его резонансной

Аватара пользователя
Avenger
Сообщения: 46

Сообщение Avenger » 08 мар 2019, 03:40

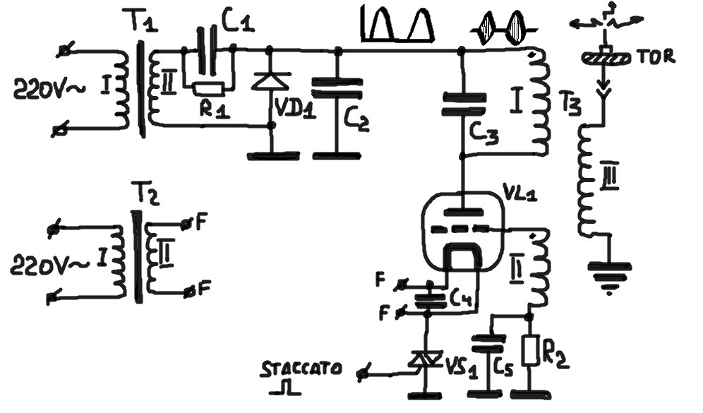
Каждый, кто хотя бы раз собирал конструкцию, известную как ламповая катушка Тесла (англ. Vacuum Tube Tesla Coil - или сокращённо VTTC) задавался вопросом, а как же выбираются номиналы тех или иных компонентов схемы для обеспечения наиболее эффективной работы устройства. В данной статье я постараюсь описать назначение и рассказать о методах подбора и/или расчёта отдельных узлов VTTC.
Рассмотрим для начала типичную схему VTTC, ставшей уже классической. Она представляет собой LC-автогенератор с трансформаторной обратной связью, в общем случае, собранный на триоде VL1. Питание генератора осуществляется от анодного трансформатора Т1 с так называемым шифтером, собранным на конденсаторе С1 и диодном столбе VD1. Как же работает шифтер и зачем он нужен? На вторичной обмотке трансформатора Т1 напряжение, также как и в сети, имеет форму синуса. Шифтер же смещает (сдвигает, от shift - cдвигать) выпрямленное и удвоенное относительно изначального, напряжение. При подключении к блоку питания лампового генератора, форма напряжения на контактах диода VD1 приобретает форму положительных полупериодов. При этом его размах в случае идеального источника напряжения имеет значение Uвых= UII*1.41*2. Именно такой форме питающего напряжения cобранные по классической схеме VTTC обязаны своей меч-образной форме разрядов. Всё дело в том, что в этом случае время генерации близко ко времени полупериода, которое при частоте питающей сети в 50-60Гц достаточно велико для формирования достаточно мощного искрового канала, но при этом скорость нарастания напряжения невысока. Из-за этого ламповые катушки Тесла в большинстве случаев достаточно тихие в работе (аналогично QCW-режиму у транзисторных).
Теперь рассмотрим более подробно непосредственно схему генератора. В общем случае она собирается на мощном генераторном триоде. Также возможно использование и тетродов/пентодов, как в триодном включении, так и в тетродном/пентодном. Триод же является наиболее простой лампой и наиболее прост для рассмотрения. Список применяемых ламп достаточно широк и я не буду его приводить здесь. Достаточно лишь упямонуть, что катушки изготавливаются на лампах с мощностью рассеяния анода от десятков ватт до многих Квт.
Первичный колебательный контур С3-I трансформатора T3 включен в анодную цепь лампы. Катушка обратной связи II вместе с последовательно соединённым гридликом С5 R2 (служащим для задания смещения) - в сеточную цепь. Катушка III - собственно и есть катушка Тесла, или же резонатор, на котором и возбуждается высокое напряжение при высокой частоте. Конденсатор С2 - блокировочный, служит для создания цепи протекания ВЧ тока. А установленный в катод лампы конденсатор С4 обеспечивает соединение обоих концов катода с общим проводом по высокой частоте.
Это всё конечно хорошо, мы все знаем, для чего нужны все эти детали. Каков же метод их подбора? И здесь надо остановиться подробнее. Начнём с самого начала, а именно, с блока питания. В общем случае, в роли анодного трансформатора выступает так называемый МОТ (англ. Microwave Oven Transformer - трансформатор микроволновой печи). Его изначальное назначение - питание магнетрона микроволновой печи. Небольшой по массе и габаритам, он обычно имеет напряжение вторичной обмотки около 2Кв при токе до 0,5А. Увы, из малых габаритов и массы следует его основной недостаток - огромный ток холостого хода и высокий нагрев даже без нагрузки. Фактически, его невозможно использовать без активного воздушного охлаждения. К тому же, его изоляция зачастую не расчитана на гуляющие в цепи питания ВЧ-токи, которые легко могут привести к пробою на сердечник и выходу из строя. Ремонту после этого трансформатор поддаётся с трудом, а чаще теряется безвозвратно, т.к. сердечник, как правило, неразборный.
Альтернативным вариантом является использование так называемого совМОТа. СовМОТ - трансформатор питания магнетрона советских микроволновых печей, имеет гораздо большую габаритную мощность железа, что даже при довёдённой до адекватных чисел индукции, делает его намного мощнее импортных (китайских) МОТов. В покое практически не греется, может кратковременно выдать больший ток. Напряжение на вторичной обмотке - от 2 до 3,6кВ.
Ну и конечно, возможно использование любых подходящих по напряжению и току промышленных и самодельных трансформаторов. В случае самодельного трансформатора главное уделить внимание изоляции вторичной обмотки.
Конденсатор С1 должен иметь максимальное рабочее напряжение не меньше напряжения на выходе шифтера (в идеале). Подходят конденсаторы К41 и К75 на 5Кв. Ёмкость - от 2 до 6мкф.
Диодный столб VD1 лучше взять с запасом как по обратному напряжению, так и по току. Не рекомендуется использование стоящих в импортных микроволновках диодов, т.к. в схеме VTTC они, как правило, выходят из строя. Альтернативный вариант - советский высоковольтный диодный столб КЦ201Е, имеющий 15кВ обратного напряжения при 0,5А тока. Наилучший вариант - самодельный составной диод из 2-3А ультрафастов, зашунтированных выравнивающими резисторами.
Блокировочный конденсатор С2 в теории можно ставить используя метод "чем больше, тем лучше". В реальности же, как правило, достаточно номинала, полностью аналогичного контурному конденсатору С3. Последний выбирается исходя из индуктивности первичной обмотки трансформатора Тесла (обмотка I Т3). Расчитать её можнов любой тесла-считалке (резонансная частота будет одинакова во всех схемах, что ламповых, что транзисторных). Следует упомянуть лишь тот факт, что оптимальное число витков в VTTC не может быть любым и обычно составляет 35-45 витков провода. Возможны вариации как в большую, так и в меньшую сторону, но использование, скажем, 5 витков - категорически неприемлемо. Связано это с тем, что контур должен являться оптимальной нагрузкой для активного элемента, а электронная лампа, как правило, имеет достаточно большое внутреннее сопротивление (отсюда и высокие напряжения для питания анода). Если всё расчитано правильно (плюс-минус эмпирический подбор витков первички или ёмкости контурного капа уже по месту), то разряд будет иметь наибольшую длину, а потребление будет минимально.
Выбор кол-ва витков катушки обратной связи обычно осуществляется эмпирически ещё на стадии отладки. Тоже самое касается и гридлика С5 R2, но на нём стоит остановиться подробнее. Дело в том, что подбор элементов гридлика лучше всего проводить уже после окончательной настройки контура в резонанс. Изменением сначала сопротивления R2, добиваются максимальной длины разряда без перегрева анода лампы, дальше уменьшают ёмкость С5 (её излишний номинал приводит к нагреву без увеличения длины стримера). Необходимо соблюдать фазировку обмотки ОС для обеспечения стабильной генерации.
Номинал конденсатора С4 в катоде обычно выбирают в пределах от 0,01 до 0,1мкф, его напряжение может быть небольшим, важно, чтобы он был расчитан для работы на ВЧ. Подойдут конденсаторы КСО или подобные. Возможно применение КВИ-3.
Симистор VS1 служит для прерывания по катоду. Работу прерывателя я рассмотрю позже.

-k0cfHGrYhg.jpg

Аватара пользователя
Adeptus Mechanicus
Сообщения: 30

Сообщение Adeptus Mechanicus » 11 мар 2019, 13:00

DIY_ENERGY писал(а):Ну так конденсатором ты задаешь рабочую частоту колебательного контура, а изменением витков настраиваешь резонанс. Настраивается все без формул, на глаз.
эм... вообще то что так что так мы меняем частоту генерации и подбираем частоту первички равную резонансной частоте вторички. Это можно делать как посредством изменения индуктивности (меняем кл-во витков), так и изменением емкости, разницы между ними я не вижу (может я конечно чего то не понимаю)?

Аватара пользователя
Adeptus Mechanicus
Сообщения: 30

Сообщение Adeptus Mechanicus » 11 мар 2019, 13:11

Avenger, спасибо за объяснение, но у меня возникает такая проблема (в общем то самая основная): я рассчитал вторичку как четверить волновой резонатор на частоту 400кгц (частотой задался исходя из индуктивности первички и емкости КПЕ, чтобы можно было покрутить как в большую так и в меньшую сторону), но эффекта резонанса не наблюдается как и стримеров. При этом если поставить старую обмотку (намотанную отбалды без тора) с ней появляется стример, но эффекта резонанса не наблюдается (работает одинаково плохо на всей полосе частот).
Есть три мысли по этому поводу: либо не надо было считать вторку как 1/4 резонатор (как тогда?), либо не правильная фазировка (хотя вроде и так и так попробовал включать первичку (тк старая вторка намотана в другую сторону, не знаю имеет ли это значение?), либо я чего то не понимаю и действительно резонанс нужно искать при помощи изменения индуктивности.

Аватара пользователя
Avenger
Сообщения: 46

Сообщение Avenger » 14 мар 2019, 19:58

Считать просто как колебательный контур и всё.

Аватара пользователя
Adeptus Mechanicus
Сообщения: 30

Сообщение Adeptus Mechanicus » 14 мар 2019, 22:09

Avenger писал(а):Считать просто как колебательный контур и всё.
Ну вот я рассчитал под частоту 400кгц, но при этом она как 1/4 резонатор, это влияет как то, может при этом и не должно работать VTTC? Наверняка должно быть какое то соотношение длинны провода и частоты при которых работает лучше (хотя видимо все просто наобум мотают)

Аватара пользователя
Avenger
Сообщения: 46

Сообщение Avenger » 16 мар 2019, 10:53

Какого размера вторичка и какой толщины провод и сколько при этом витков?

Аватара пользователя
Adeptus Mechanicus
Сообщения: 30

Сообщение Adeptus Mechanicus » 17 мар 2019, 09:52

Высота намотки 219мм, диаметр 84.5, 707вит (+-пара витков), провод 0.31, тор: внешний диаметр 200мм, диметр трубы 80мм

Аватара пользователя
Avenger
Сообщения: 46

Сообщение Avenger » 18 мар 2019, 16:40

Для ламповой катушки лучше использовать отношение 1 к 4 или 1 к 5 (не больше), число витков 700-800, огромный торище ставить не стоит.

Аватара пользователя
Adeptus Mechanicus
Сообщения: 30

Сообщение Adeptus Mechanicus » 18 мар 2019, 20:47

Avenger писал(а):Для ламповой катушки лучше использовать отношение 1 к 4 или 1 к 5 (не больше)

Отношение чего к чему? длины провода к длине волны ? А как тогда тороид выбирать? я то его считал исходя из того чтобы в резонанс попасть

Аватара пользователя
Avenger
Сообщения: 46

Сообщение Avenger » 19 мар 2019, 18:52

диаметра к длине. Т.е. например на моей тесле на гу-81м вторичка 10см диаметром и высотой 40см, провод 0,45мм (высота намотки 38см). Тороид в ЛКТ влияет несильно, обычно достаточно небольшого металлического диска.

Аватара пользователя
Adeptus Mechanicus
Сообщения: 30

Сообщение Adeptus Mechanicus » 20 мар 2019, 13:08

А как влияет это отношение (откуда оно взялось)? Если задаться отношением 1/4 - 1/5, то как тогда выбирать число витков и длину провода и размеры тора? (нужно ли вычислять длину провода по длине вольны?). Если размеры тора малы значит и емкость его будет мала и он особо не будет вносить изменений в резонансную частоту, для чего он тогда вообще нужен? В чем тогда принципиальное отличие в процессах во вторичке для SSTC (DRSSTC) и VTTC, что одним тор нужен, а другим нет, при том первым еще и вторичка как 1/4 резонатор нужна.
Хорошо бы если бы были формулы описывающие все это дело...

Вернуться в «Трансформаторы Тесла»



Кто сейчас на конференции

Сейчас этот форум просматривают: нет зарегистрированных пользователей и 60 гостей