tea2025B мост

Если вы - начинающий в электронике, то задайте ваш вопрос тут. Расскажите что вы уже сделали чтобы найти ответ на свой вопрос, опишите свои рассуждения.
Post Reply
strengerst
Posts: 25
Joined: 15 Apr 2013, 20:55

tea2025B мост

Post by strengerst »

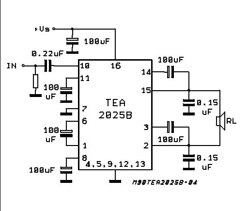
Спаял TEA2025 B по схеме и чертежу приложенному ниже, в итоге, мощность около 0,3В(слабо играет), и звук не четкий. Что не так в схеме. или что нужно изменить.

Все Разобрался спасибо, схема действительно работает, а я, просто ошибся с номиналом конденсатора.
Attachments
mono PA with TEA2025B.JPG
Post Reply