SSTC от Vanyayak

А что мы делаем?
Аватара пользователя
Vanyayak
Сообщения: 199

Сообщение Vanyayak » 25 ноя 2013, 22:20

Народ, всем привет, я здесь новенький, и буду очень рад, если вы будете иногда заглядывать в мою тему для поддержания обсуждений!
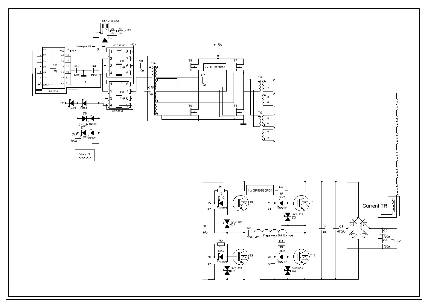
Итак, пока разработка UTC5 идёт, я, давно жаждущий построить средних размеров SSTC, решил всё же взяться за дело.
Для себя выбрал топологию моста, с обратной связью через ТТ, в качестве драйверов парочка UCC37321-2, в качестве ключей - БТИЗЫ GP50B60PD1 (медленно, зато не дорого).
Прерыватель по схеме стива с двойным прерыванием, возможно позднее впендюрю аудиомодуляцию.
Набросал примерную схему, и пока некоторые компоненты ещё в пути и катушка только - только начинает оформляться, я был бы очень признателен, если бы на возможные сильные недостатки мне указали перед взрывом силовой :D
Вложения
SSTC.JPG

Аватара пользователя
BSVi
Адепт
Сообщения: 3576
Откуда: Киев

Сообщение BSVi » 25 ноя 2013, 23:52

Ну, вот обратная связь не очень. Да и с моста начинать - не очень то хорошо. Будет просто в два раза больше взорванных транзисторов. Непонято, зачем промежуточный драйвер. Зачем так оригинальничать?

Аватара пользователя
Vanyayak
Сообщения: 199

Сообщение Vanyayak » 26 ноя 2013, 00:33

BSVi писал(а):Ну, вот обратная связь не очень.

А по конкретней? в ней есть значительные недостатки? какие именно? "не очень" эт понятие такое..
BSVi писал(а):Да и с моста начинать - не очень то хорошо.

Ну я же не знакомство с КТ начинаю сразу с мостовой SSTC, до этого была малюха на одном 460ом, ничего интересного.
Мост - что бы использовать весь потенциал того, что имеется в наличии, а не ставить убогие конденсаторы вместо половинок моста.
BSVi писал(а):зачем промежуточный драйвер. Зачем так оригинальничать?

А почему бы и нет?
Я не хочу чтоб UCC'шки горбатились прокачивая все 4 ключа в CW, тем более если я потом захочу каждому ключу по такому же товарисчу приделать чтоб можно было ток побольше иметь в первичке. Покупать фирменные MAXIM'ы как то желания нет.

Аватара пользователя
BSVi
Адепт
Сообщения: 3576
Откуда: Киев

Сообщение BSVi » 26 ноя 2013, 00:44

А по конкретней? в ней есть значительные недостатки? какие именно? "не очень" эт понятие такое..

Тут есть объяснение

а не ставить убогие конденсаторы вместо половинок моста

Конденсаторы - надежная штука, а половинки моста выгорают легко. Хотя, хозяин - барин.

А почему бы и нет?

Ну, к примеру, он добавляет задержку. Хотя, возможно, из-за естественного дедтайма GDT в нем не будет сквозняка, но это тоже маловероятно. Можно вместо него прицепить вот такое:

585916m.jpg
585916m.jpg (9.39 КБ) 30192 просмотра

Аватара пользователя
iEugene0x7CA
Адепт
Сообщения: 1571
Откуда: Киев

Сообщение iEugene0x7CA » 26 ноя 2013, 14:50

BSVi писал(а):Ну, вот обратная связь не очень. Да и с моста начинать - не очень то хорошо. Будет просто в два раза больше взорванных транзисторов. Непонято, зачем промежуточный драйвер. Зачем так оригинальничать?


Хе, это же Зерговская схема, даже полевики опять 50B60 и DS'ка 1233 !
Тут не оригинальность, а скорее полнейшее копирование вслепую с надеждой, что заработает.

Автору:
Хочешь сделать SSTC с отвязанной через GDT силовухой- делай полумост. Правильно тебе говорят, что в случае моста лишь количество подорванных транзисторов до 4-х увеличится в случае чего... А этот "случай чего" обычно всегда возникает из-за криво намотанного GDT и токового транса.
Хочешь нормально научится делать теслы- иди по возрастающей, не нужно сразу звездолет строить. Вот тут темка была, чуваку Стивовскую Mini SSTC помогали делать, так вот там все разжевано до мельчайших мелочей, советую сделать такую катуху, как там:
viewtopic.php?f=27&t=309

P.S.
Если нету осцилла, то можешь не начинать. Первым делом его достань, ибо без него GDT ну вощще никак не намотать. :!:

Аватара пользователя
Vanyayak
Сообщения: 199

Сообщение Vanyayak » 26 ноя 2013, 14:55

BSVi писал(а):Тут есть объяснение
А почему бы и нет?

Ну, к примеру, он добавляет задержку. Хотя, возможно, из-за естественного дедтайма GDT в нем не будет сквозняка, но это тоже маловероятно. Можно вместо него прицепить вот такое

Поставил бы что то такое, будь в наличие P'шки, а так у меня как раз есть необходимое количество тех монстриков, что на схеме. В случае чего ими тоже можно управлять через цепочку из резистора парой ом и шоттки, верно?
Касаемо Обратной связи, то тогда как то вот так, хотя я всё же немного не понял почему нельзя просто включить встречно два стабилитрона.
На что стоит обратить внимание в обратной связи? Может есть ещё ошибки по части использования 74HC14 или каких то "лишних" деталей не хватает?
Вложения
SSTC.JPG

Dimylko
Сообщения: 211

Сообщение Dimylko » 26 ноя 2013, 17:47

Пару советов тоже дам :D .
1. Забей на промежуточный мост. Он при таких драйверах и транзисторах не нужен. 37321/2 смогут драйвить (хоть и очень медленно) даже 8 твоих транзисторов, а 4 будут драйвиться с легкостью.
2. Обязательно поставь супрессоры на транзисторы, вообще, защити силовую как только можешь. На форуме есть раздел, там все подробно описано.
3. Обратную связь замени. Она работать-то будет, но только в случае, если ты правильно сделаешь все остальное и с первого раза. В противном случае тебе вынесет и драйвера, и мост. Советую схему BSVi в его Malleus'е.
Замечания:
1. На схеме у тебя ничуть не SSTC, а DRSSTC.
2. При питании драйверов 12 Вольтами, на выход драйверов ставь 24 Вольта, тогда гдт мотать проще, соотношение будет 1:1.
3. Не ставь на разные шины питания одну землю.
P.S. Если не секрет, скажи где ты возьмешь такой мощный электролит в питание? Мне как раз такие нужны.

Аватара пользователя
Vanyayak
Сообщения: 199

Сообщение Vanyayak » 26 ноя 2013, 19:19

Dimylko писал(а):1. На схеме у тебя ничуть не SSTC, а DRSSTC.

яснопонятно :lol:
Электролит - на рынке

Аватара пользователя
iEugene0x7CA
Адепт
Сообщения: 1571
Откуда: Киев

Сообщение iEugene0x7CA » 26 ноя 2013, 20:16

Dimylko писал(а):Если не секрет, скажи где ты возьмешь такой мощный электролит в питание? Мне как раз такие нужны.

У нас в продаже попадаются, и на рынках и в магазинах, правда размером такие штуки со стакан для лимонада. :)
http://s020.radikal.ru/i718/1311/18/0b3d58de45a2.jpg
Я предпочитаю батарею небольших кондеров в параллель.

Dimylko писал(а):Забей на промежуточный мост. Он при таких драйверах и транзисторах не нужен. 37321/2 смогут драйвить (хоть и очень медленно) даже 8 твоих транзисторов, а 4 будут драйвиться с легкостью.

Согласен, мостовой буфер нужен разве что для раскачки кирпичей. Я как-то эксперимент поставил, в итоге получилось, что промежуточным мостом можно раскачать затворов на 1 микрофарад при частоте 350 кГц.
Насчет 37322, мост они качать будут, но это смотря на какой частоте. К примеру на 800 кГц уже выходной буфер понадобиться, но не в виде промежуточного моста, достаточно будет комплементарных полевиков на выходе.

Dimylko писал(а):Не ставь на разные шины питания одну землю.

Почему?

Аватара пользователя
Vanyayak
Сообщения: 199

Сообщение Vanyayak » 26 ноя 2013, 20:23

iEugene0x7CA писал(а):У нас в продаже попадаются, и на рынках и в магазинах, правда размером такие штуки со стакан для лимонада. :)

Во всяких чипах подобные кондеры покупать - это последние штаны магазину отдавать, факт.
А размер да, зато чувствуется сила (;
Вложения
IMG_0801.JPG

Аватара пользователя
Vanyayak
Сообщения: 199

Сообщение Vanyayak » 06 дек 2013, 17:20

На днях пришли дровишки и драйвер уже почти собран, силовая и катушка 11x22 0.3 уже готова
В связи с этим вопрос, нужно проверить как работает драйвер, для этого надо надыбать сигнал обратной связи либо вместо сигнала с ОС пустит 250 кГц со внешнего генератора, которого нет.
Нормально ли будет, если для проверки дров сигнал ос будет браться с антеннки, в то время как резонатор будет работать в VTTC?

Аватара пользователя
Vanyayak
Сообщения: 199

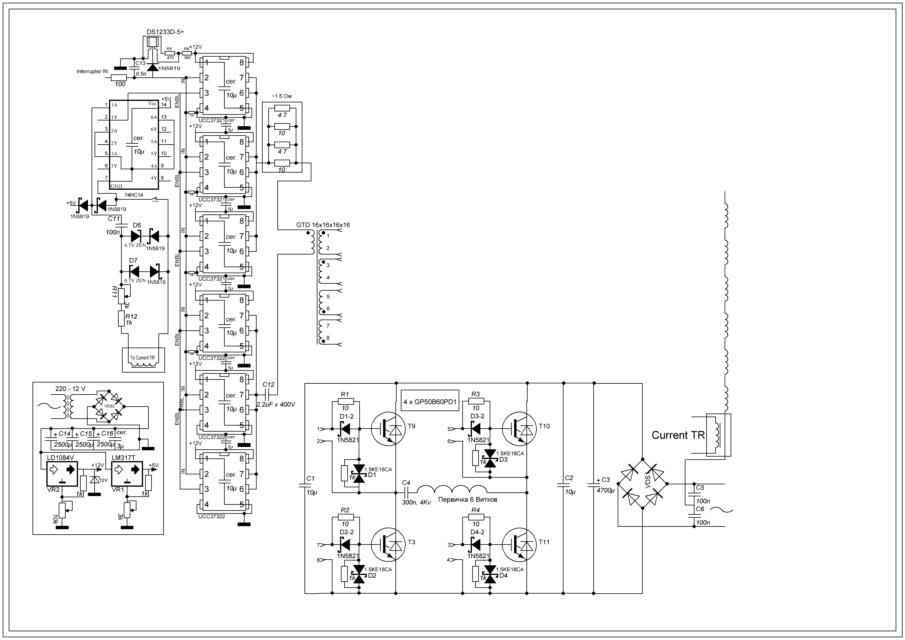
Сообщение Vanyayak » 21 янв 2014, 23:19

После долгого простоя и первых полевых испытаний моста, после нескольких удачных пусков катушки от внешнего драйвера, решил взять сигнал с ТТ ОС, при повышении напряжения до 130 постоянки вылетела одна половина моста.
Может кто глянет на схему в том месте, где очищается сигнал обратной связи, скажет, где косяк?
SSTC.GIF
Схема
IMG_1062.JPG
Драйвер
IMG_1063.JPG
ГДТ и резистор по первичке
IMG_1065.JPG
ТТ
IMG_1064.JPG
Уцелевшая половинка моста
IMG_1052.JPG
50 нФ! резистор 4.7 оМ без диода
IMG_1053.JPG
50 нФ! резистор 4.7 оМ без диода
IMG_1057.JPG
10 нФ! резистор 10 оМ без диода
IMG_1060.JPG
IRGP50B60PD1 резистор 10 оМ, без диода
IMG_1061.JPG
IRGP50B60PD1 10 оМ, с обратным диодом, без обвязки

Аватара пользователя
BSVi
Адепт
Сообщения: 3576
Откуда: Киев

Сообщение BSVi » 22 янв 2014, 12:01

Ну, во-первых, таких больших резисторов там (в ОС) не нужно, достаточно 100 ом. Во-вторых, перепутан enable и in драйверов. В третьих, слишком уж большие выбросы в минус на осциллограммах. И это еще без миллера. Когда появится питание, там будет вообще ужась.

Аватара пользователя
Vanyayak
Сообщения: 199

Сообщение Vanyayak » 22 янв 2014, 13:25

BSVi, Да, спасибо, косяк на схеме заметил, поправил. В управляющей такого косяка нет. На счёт резистора R12 понял, заменю на 100 ом, спасибо. Касаемо того, в какой последовательности расположены компоненты в системе ОС нареканий нет?
Прилагаю осциллограмму с полумоста. Пойду пробовать добавление резистора выключения последовательно с разрядным диодом.
Какие есть ещё варианты как снизить выбросы в минус?
Вложения
IMG_1066.JPG
Уцелевшая половина моста, обвязка согласно схеме.

Hmaker
Сообщения: 36

Сообщение Hmaker » 22 янв 2014, 17:24

А что там на схеме кап C4 в силовой действительно 300 нан, не маловат?
Если есть желание можно шоттками драйвера защитить, на всякий пожарный.Транс обратной связи на нормальном феррите намотан али как (бывает кач во здорово влияет на о.с.). Если верить осциллограмам там выброс в - 18 с небольшим.TVS греются хзоть чуть чуть? Можно поэксперементировать с кол вом витков GDt. Сугубо на мой взгляд стоит немного уменьшить их количество раза этак в два (опирайся на считалку BSVI).Разумеется без подачи питания на силовую.При плавном пуске стоит прикидывать имп. ток по осцилу (отдельный т.т.).

Аватара пользователя
Vanyayak
Сообщения: 199

Сообщение Vanyayak » 22 янв 2014, 17:43

Hmaker, да, кап 300 нан - развязывающий, но не резонансный кап.
Да, выход драйвера притянут 1n5819 к плюсу и минусу перед разделительным капом первички гдт (упустил на схеме). Транс обратной связи на 2000 феррите. Выброс действительно присутствовал, и скорее всего, немного не дотягивал до уровня срабатывания TVS, на замену 18ти вольтовым установлю 15ти вольтовые.
Касаемо ГДТ, то используемый сейчас был намотан на совесть на достаточно большом кольце подходящего типа от эпкос, 16 витков для того что бы был шире спектр поддерживаемых им частот, экспериментов с гдт с разными сердечниками и количеством витков имели место быть, рассчитанные под работу около 240ка кГц показали себя одинаково хорошо.
Вложения
IMG_1072.JPG
ГДТ'ы

Hmaker
Сообщения: 36

Сообщение Hmaker » 22 янв 2014, 17:57

Мне бы столько EPCOSa!!!
А кто зает, что там у тебя могло быть, вдруг резонанс какойнить?А вот 18 ти вольтовые чтоли оставь пока.Не нужен для Теслы особо широкий спектр частот, надо делать Gdt на ту частоту, что и Тесла, плюс минус чуть-чуть.Да и транс о.с. можеш как раз на своём эпкосе намотать.Там что -то вроде N87 хорошо идёт для gdt и трансформатора о.с.

Аватара пользователя
Vanyayak
Сообщения: 199

Сообщение Vanyayak » 22 янв 2014, 18:18

Hmaker, да лаадно, 4ре колечка, 3 с палец, одно побольше. Кстати на фотографии выше, слева гдт из двух 2000HM совковых ферритов, который тоже отлично работает в качестве гдт, на таком колечке и намотана ОС.
А дела продвигаются, заменил входной резистор в цепи ос с 1к до 100 ом, подбираю пары резисторов заряд - разряд, что бы не было этих выбросов сверху - снизу.

Hmaker
Сообщения: 36

Сообщение Hmaker » 22 янв 2014, 18:28

O.k.
Попробуй 5 Ом.А кол во витков таки можно чуть поубрать, посмотреть, что там получится.Ежели предположить, что отрицательный выброс это звон, то на разряд повесить резистор начиная с 2-3 Ом.Или подзасри добротность дайвера.

Аватара пользователя
Vanyayak
Сообщения: 199

Сообщение Vanyayak » 22 янв 2014, 19:55

Так, окей, удалось из присутствующих у меня в данный момент резисторов и диодов сварганить что то нормальное.
Годные ли теперь сигналы?
transistor.GIF
Уот так уот
transistor.GIF (5.94 КБ) 29564 просмотра
IMG_1074.JPG
Сигнал с пары 50B60
IMG_1075.JPG
Дед тайм? (;

Hmaker
Сообщения: 36

Сообщение Hmaker » 23 янв 2014, 16:36

Эмм для таких дров не очень красиво.Откуда звон, витки отматывал, почему напряжение на затворах маленькое, напруга на силовую не подавалась часом?Если других номиналов нет то можно спаралелить те что есть пока.Например 4.7 на заряд и 2.35 на разряд.

Аватара пользователя
Vanyayak
Сообщения: 199

Сообщение Vanyayak » 23 янв 2014, 16:41

Так, оставшийся полумостовой кусок был немного протестирован на сквозняк и работу на нагрузку.
Через развязывающую сборку трансформаторов полумостовой модуль был подключен к нагрузке в виде царь - галогенки. Хотелось бы, чтоб кто-нибудь как то прокомментировал сигналы.
Сквозняков замечено не было, просадка развязывающих трансформаторов на нагрузку заметна была, однако два ампера на 176 вольтах снять с просадкой удалось.
IMG_1078.JPG
Сигнал на модуле (искажения на 2ом транзисторе - нет щупа))

IMG_1080.JPG
Сигнал на одном транзисторе без нагрузки

IMG_1081.JPG
Сигнал с нагрузкой

IMG_1082.JPG
Нагрузка - 3.1кВатт лампочка.

Hmaker
Сообщения: 36

Сообщение Hmaker » 23 янв 2014, 17:07

Ну последгий сигнал ваапче капут.Этот отрицательный скачёк на фронте вообще мог закрыть транзистор в самый неподходящий момент!!!
У тебя предохранитель есть хоть?Поставь если нет.Тестируй не подключая нагрузку к п мосту вообще, т.е сидиш щупами осцила на затворе транзистора и ПЛААВНЕНЬКо(постепенно увеличиваеш) подаёш словое напряжение порка не появится ступенька миллера на фронте.Дальше по обстаятельствам появляется -боришся с ним, не особо выражен-всё нормально.Да в начале напруга на затворах напаруга была поболее, 11 вольт мало.Возникает подозрение по поводу качества питания драйвера,посмотри осциллографом нет ли на +- провалов, сильновыраженной синусоиды

Аватара пользователя
Vanyayak
Сообщения: 199

Сообщение Vanyayak » 23 янв 2014, 17:31

Hmaker, вот сиди и думай что с этими ступнями на нарастании делать...
Предохранитель? есть, в предыдущий раз спас закороченную половину моста от вылета мне в лицо. Пробовал и без нагрузки - сигнал вообще атас))
Напряжение питания драйвера увеличим, напряжение на ключе упало из за диодов на затворе. Питание - лучше некуда.
IMG_1088.JPG
25 на силовой

IMG_1089.JPG
310 на силовой :D

Hmaker
Сообщения: 36

Сообщение Hmaker » 23 янв 2014, 17:58

Отлично Миллер зверствует во всю, драйвер не очень справляется!!! :D Это п%дец это п%дец и парус поставили криво...Напряжение упало из-за диодов, да это же не шоттки какието=))
Ну тепрерь время для эксперементов с gdt, а именно уменьшение кол ва витков как я и советовал ранее, по чуть-чуть,затем подбор резисторов из того, что есть 5-10 Ом на заряд и пару на разряд.Подаёш напругу-смотриш.Да и не надо было так много выводить,достаточно было поднимать до техпор, пока Мюллер не появится.Как появится вырубаеш силу и корректируеш упраление.Ты главное не спеши Лучше всё отладить,затем пускать.
Значит копни пока в сторону уменьшениея витков в GDT(!), у тебя их по прежнему 16?(используй считалку BSVi).До связи, успехов.

Вернуться в «Наши проекты»



Кто сейчас на конференции

Сейчас этот форум просматривают: нет зарегистрированных пользователей и 6 гостей