Вопрос — Ответ

Обсуждение общих вопросов, связанных с трансформаторами Тесла.
Аватара пользователя
Vanyayak
Сообщения: 199

Сообщение Vanyayak » 03 янв 2018, 19:52

Tetriss писал(а):А мощности аудиосигнала с плеера зватит ,чтоб не555 заработала? или туда нужно будет усилитель пихать?

Даже с хилыми сточниками проблем не возникало, когда делал плазмашары с аудиомодуляцией на 555
За ТЛ494 не скажу, схемку нужно смотреть, она будет капельку посложнее

Tetriss
Сообщения: 143

Сообщение Tetriss » 03 янв 2018, 19:54

главное ,чтоб качество звука было лучше.
А если поставить туда блюпуп гарнитуру, то с телефона можно будет модулировать любую частоту, как в симпл тесле)))

Аватара пользователя
Vanyayak
Сообщения: 199

Сообщение Vanyayak » 03 янв 2018, 19:55

Tetriss писал(а):А если поставить туда блюпуп гарнитуру, то с телефона можно будет модулировать любую частоту, как в симпл тесле)))

Бюджетный блюзуз интерраптер?)))))))00))) однако

Tetriss
Сообщения: 143

Сообщение Tetriss » 03 янв 2018, 19:56

Vanyayak писал(а):
Tetriss писал(а):А если поставить туда блюпуп гарнитуру, то с телефона можно будет модулировать любую частоту, как в симпл тесле)))

Бюджетный блюзуз интерраптер?)))))))00))) однако

Всё гениальное просто))) у меня вроде где-то валялась полураздолбанная гарнитурка, можно будет попробовать)

Tetriss
Сообщения: 143

Сообщение Tetriss » 05 янв 2018, 17:10

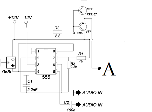
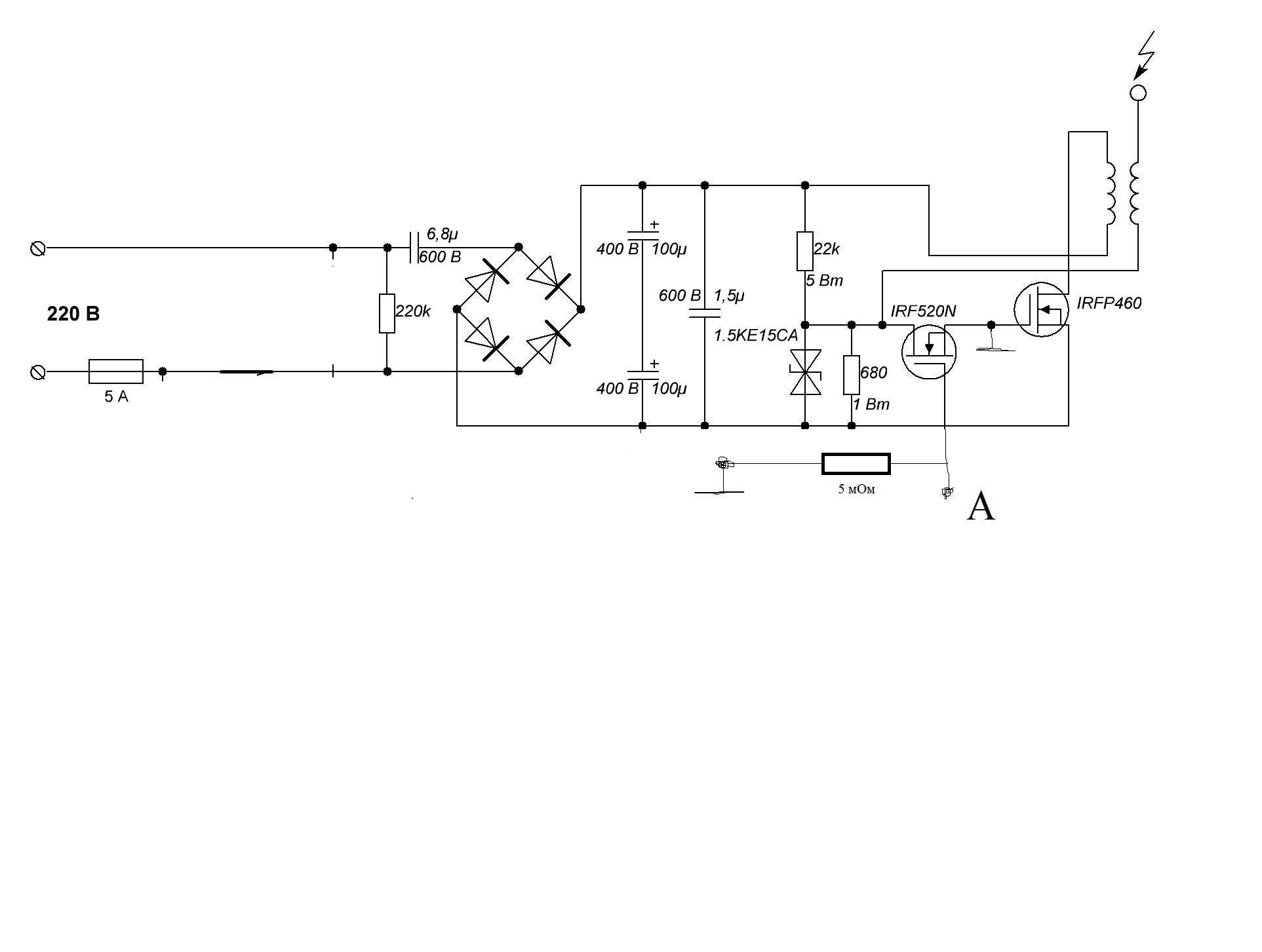
Кто может помочь с схемой качера с аудио модом?
У меня так получилось
Вложения
tesla34-9 (2).png
Схема.JPG

T1m
Сообщения: 80
Откуда: г. Донецк

Сообщение T1m » 05 янв 2018, 19:06

Дурак! Ктож затвор в воздухе бросать будет!
460-й чпокнется как только закроется управляющий транзистор.
Делать надо как-то так:
Вложения
Схема.png

Tetriss
Сообщения: 143

Сообщение Tetriss » 05 янв 2018, 19:26

T1m писал(а):Дурак! Ктож затвор в воздухе бросать будет!
460-й чпокнется как только закроется управляющий транзистор.
Делать надо как-то так:

Собрал по схеме, что скинул выше. Вообще ничего не произошло..... ирфп460 жив, ничего не произошло

Аватара пользователя
Vanyayak
Сообщения: 199

Сообщение Vanyayak » 05 янв 2018, 19:52

Tetriss, на твоей схеме какая то наркомания с управлением транзисторами

Tetriss
Сообщения: 143

Сообщение Tetriss » 05 янв 2018, 19:59

Vanyayak писал(а):Tetriss, на твоей схеме какая то наркомания с управлением транзисторами

Мне написали ,что не правильно стоит прерывающий мосфет

Tetriss
Сообщения: 143

Сообщение Tetriss » 05 янв 2018, 20:30

T1m писал(а):Дурак! Ктож затвор в воздухе бросать будет!
460-й чпокнется как только закроется управляющий транзистор.
Делать надо как-то так:

Даже с отключенным прерывателем качер работает как обычно

T1m
Сообщения: 80
Откуда: г. Донецк

Сообщение T1m » 05 янв 2018, 21:10

Tetriss писал(а):Даже с отключенным прерывателем качер работает как обычно

Твое счастье, что полевик не вылетел. Не всем с такой конструкцией везет.
Собери по той, шо я выше приводил, должно получится и управлятся от прерывателя.

Tetriss
Сообщения: 143

Сообщение Tetriss » 05 янв 2018, 21:22

T1m писал(а):
Tetriss писал(а):Даже с отключенным прерывателем качер работает как обычно

Твое счастье, что полевик не вылетел. Не всем с такой конструкцией везет.
Собери по той, шо я выше приводил, должно получится и управлятся от прерывателя.

Не работает. Просто как без этого мосфета работает. Правда у меня качер по другой схеме собран (там диод, а не мост)

Tetriss
Сообщения: 143

Сообщение Tetriss » 05 янв 2018, 21:26

Если ставлю мост вылетает предохранитель на 5А ,если ставлю электролит параллельно конденсатору на 1мкф , предохранитель не вылетает, но и стримера нет

T1m
Сообщения: 80
Откуда: г. Донецк

Сообщение T1m » 05 янв 2018, 22:14

Tetriss писал(а):Не работает. Просто как без этого мосфета работает. Правда у меня качер по другой схеме собран (там диод, а не мост)
Если в схеме только диод стоит, то и не будет толка, он сам прерывается 50 раз в секунду

Tetriss
Сообщения: 143

Сообщение Tetriss » 05 янв 2018, 22:39

T1m писал(а):
Tetriss писал(а):Не работает. Просто как без этого мосфета работает. Правда у меня качер по другой схеме собран (там диод, а не мост)
Если в схеме только диод стоит, то и не будет толка, он сам прерывается 50 раз в секунду

С мостом у меня супрессор на 400в треснул резистор на 10кОм сгорел и предохранитель вылетел

Tetriss
Сообщения: 143

Сообщение Tetriss » 05 янв 2018, 22:44

https://vk.com/photo215567745_456241591 вот схема по которой собирал, но без прерывателя

T1m
Сообщения: 80
Откуда: г. Донецк

Сообщение T1m » 05 янв 2018, 22:45

Tetriss писал(а):С мостом у меня супрессор на 400в треснул резистор на 10кОм сгорел и предохранитель вылетел
а конденсатор на 6.8 мкф стоит на месте? он же мощность должен ограничивать, не должно ничего произойти же.
Tetriss писал(а):https://vk.com/photo215567745_456241591 вот схема по которой собирал, но без прерывателя
Пишет "Ошибка доступа"

Tetriss
Сообщения: 143

Сообщение Tetriss » 05 янв 2018, 22:48

T1m писал(а):
Tetriss писал(а):С мостом у меня супрессор на 400в треснул резистор на 10кОм сгорел и предохранитель вылетел
а конденсатор на 6.8 мкф стоит на месте? он же мощность должен ограничивать, не должно ничего произойти же.
Tetriss писал(а):https://vk.com/photo215567745_456241591 вот схема по которой собирал, но без прерывателя
Пишет "Ошибка доступа"

Вот схема , лна с дросселями https://vk.com/photo140549436_456239660

Tetriss
Сообщения: 143

Сообщение Tetriss » 05 янв 2018, 22:52

Из-за того ,что напряжение питания 310в импульсы самоиндукции очень высокого напряжения ирфп460 без защиты от них долго не проживут (там больше 1000в они вроде) нужно как-то его защитить. Автор схемы там где используется конденсатор за счет ёмкости электролитов от этого спасается

T1m
Сообщения: 80
Откуда: г. Донецк

Сообщение T1m » 05 янв 2018, 22:58

А у тебя дроссель стоит до или после моста? Надо до моста ствить

Tetriss
Сообщения: 143

Сообщение Tetriss » 05 янв 2018, 22:59

T1m писал(а):А у тебя дроссель стоит до или после моста? Надо до моста ствить

У меня после моста ,правда там у меня еще her307 стоят ..... Лень было их выпаивать,но они уже после моста т.е роли играть не должны
Последний раз редактировалось Tetriss 05 янв 2018, 23:02, всего редактировалось 2 раза.

Tetriss
Сообщения: 143

Сообщение Tetriss » 05 янв 2018, 23:00

Ещё нужно будет делитель напояжения пересчитать

Аватара пользователя
Vanyayak
Сообщения: 199

Сообщение Vanyayak » 05 янв 2018, 23:16

Дроссель после моста - тут уже не дроссель

Аватара пользователя
iEugene0x7CA
Адепт
Сообщения: 1571
Откуда: Киев

Сообщение iEugene0x7CA » 08 янв 2018, 19:37

Tetriss писал(а):Пойду какойнибудь недо плеер куплю за рублей 100.
А можно же ещё сделать опторазвязку и тогда всё будет хорошо или трансформатор намотать для этого дела разделительный

Только оптическую развязку нужно делать не оптронами вроде LVC817, эти штуки создавались для схем сетевого напряжения, где 310В.
Пробиваются напряжением в 1 кВ, и если цапнет пушистик с Теслы — он оптрона даже не заметит.

С теслами/строчниками лучше всего юзать оптокабель, можно и самопальный.
В теории можно купить в аптеке силиконовую трубку, с одной стороны просунуть светодиод, с другой фототранзистор, и полость трубки залить какой-нибудь прозрачной непроводящей жижей.
В качестве прозрачной жижи может покатить эпоксидка, но нужно найти такую чтобы без желтого оттенка. Дай знать, если такое сделаешь. :)
Конечно, можно и просто покупать новый плеер за 100 рублей, когда сгорит.

Tetriss писал(а):ionofon_circuit.gifА какую лучше будет взять схему на ne555 или на 494?

555 и 494 рядом не стояли, TL'ка в десятки раз лучше. Остались школовидео обеих конструкций. ;)

 555-й таймер:

 TL494:

Tetriss
Сообщения: 143

Сообщение Tetriss » 08 янв 2018, 20:44

iEugene0x7CA писал(а):
Tetriss писал(а):Пойду какойнибудь недо плеер куплю за рублей 100.
А можно же ещё сделать опторазвязку и тогда всё будет хорошо или трансформатор намотать для этого дела разделительный

Только оптическую развязку нужно делать не оптронами вроде LVC817, эти штуки создавались для схем сетевого напряжения, где 310В.
Пробиваются напряжением в 1 кВ, и если цапнет пушистик с Теслы — он оптрона даже не заметит.

С теслами/строчниками лучше всего юзать оптокабель, можно и самопальный.
В теории можно купить в аптеке силиконовую трубку, с одной стороны просунуть светодиод, с другой фототранзистор, и полость трубки залить какой-нибудь прозрачной непроводящей жижей.
В качестве прозрачной жижи может покатить эпоксидка, но нужно найти такую чтобы без желтого оттенка. Дай знать, если такое сделаешь. :)
Конечно, можно и просто покупать новый плеер за 100 рублей, когда сгорит.

Tetriss писал(а):ionofon_circuit.gifА какую лучше будет взять схему на ne555 или на 494?

555 и 494 рядом не стояли, TL'ка в десятки раз лучше. Остались школовидео обеих конструкций. ;)

 555-й таймер:

 TL494:

Спасибо ,что ответили. Думал уже никто не ответит. Теперь осталось заставить ирфп460 дружить с диодным мостом.но у меня 460 закончились, у китайцев нужно заказать

Вернуться в «Трансформаторы Тесла»



Кто сейчас на конференции

Сейчас этот форум просматривают: нет зарегистрированных пользователей и 48 гостей