Простейшая SSTC и напряжение GDT
Здравствуйте! В ходе создания проекта приходится сталкиваться с некоторыми вопросами по моей конкретной разработке поэтому я решил создать отдельную тему.
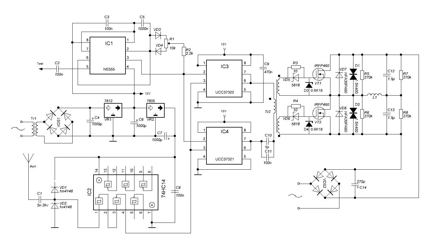
Собственно сама схема теслы с предполагаемой рабочей частотой 180 кГц.Единственное только супрессоры на затворах туда-обратно стоят по факту в отличии от схемы.
Основная проблема заключается в плохих сигналах на GDT.
Вот входной сигнал с драйвера на первой обмотке (развёртка 10мкс, 1В/дел):
Ну и соответственно сигналы на затворах:
Сердечник GDT кольцо n87 с сечением 20мм^2 , первый раз намотал без расчёта 5 витков в параллель , потом после похожей картины решил всё же посчитать , вышло 7 витков, намотал скрученными , всё равно тоже самое и как видно они далеки от буквы "П". Возможно я где то ошибся. Что тут можно поправить ?
Собственно сама схема теслы с предполагаемой рабочей частотой 180 кГц.Единственное только супрессоры на затворах туда-обратно стоят по факту в отличии от схемы.
Основная проблема заключается в плохих сигналах на GDT.
Вот входной сигнал с драйвера на первой обмотке (развёртка 10мкс, 1В/дел):
Ну и соответственно сигналы на затворах:
Сердечник GDT кольцо n87 с сечением 20мм^2 , первый раз намотал без расчёта 5 витков в параллель , потом после похожей картины решил всё же посчитать , вышло 7 витков, намотал скрученными , всё равно тоже самое и как видно они далеки от буквы "П". Возможно я где то ошибся. Что тут можно поправить ?
- iEugene0x7CA
- Адепт
- Сообщения: 1571
- Откуда: Киев
Ух, что-то я уже только со схемы в афиге. 
Почему прерыватель на 555 подключен к входу UCC'шек, а обратная связь на вход прерывания?
Антеннку сжечь в топке и намотать токовый трансик, обязательно.
После по осциллу. Я что-то очень сомневаюсь, что эти дрова нормально потянут фронта на затворе, для этого как минимум 10X щуп нужен.
После сигнал, если посчитать по клеточкам, то получается примерно 16 кГц, что для подобного GDT ну точно не катит.
В общем, не хочу обижать, но конструкцию переделывать нуно. Такой она не взлетит, даже с пинка.

Почему прерыватель на 555 подключен к входу UCC'шек, а обратная связь на вход прерывания?

Антеннку сжечь в топке и намотать токовый трансик, обязательно.
После по осциллу. Я что-то очень сомневаюсь, что эти дрова нормально потянут фронта на затворе, для этого как минимум 10X щуп нужен.
После сигнал, если посчитать по клеточкам, то получается примерно 16 кГц, что для подобного GDT ну точно не катит.

В общем, не хочу обижать, но конструкцию переделывать нуно. Такой она не взлетит, даже с пинка.

а мне кажется взлетит)))))))0)0))
либо гдт говно, либо не хватает резисторов до и после гдт
входы enable и in перепутаны
либо гдт говно, либо не хватает резисторов до и после гдт
входы enable и in перепутаны
-
- Сообщения: 93
Стоит попробовать поставить резистор ом в пять-десять в первичке вместо 1uf. На вторичке супрессоры двунаправленные?
Почему прерыватель на 555 подключен к входу UCC'шек, а обратная связь на вход прерывания?
входы enable и in перепутаны
Простите, там ошибка в схеме

если посчитать по клеточкам, то получается примерно 16 кГц, что для подобного GDT ну точно не катит.
Там 180 кГц частота на осцилле.
На вторичке супрессоры двунаправленные?
да, двунаправленные.
Антеннку сжечь в топке и намотать токовый трансик, обязательно.
Антеннка удобна для отладки в том плане что без лишних заморочек, тем более что конструкция рабочая, и сигнале получены естественным путём даже. Только на входе не 220 а 12 В было. Газовая лампочка при этом светится

Вид ГДТ примерно такой:
Стоит попробовать поставить резистор ом в пять-десять в первичке вместо 1uf
А токи нормальные будут в цепи?
Я просто хочу понять причину такого шума на гдт. С чем это связано ?
Если развертка 10мкс, то получается на картинке примерно шесть клеточек. 6*10=60мкс период, f=1/T, стало быть 1/60*10^-6 = 16666 Hz (16КГц) как и написал Евгений.
Если верить, что там 180КГц, то развертка скорее всего 1мкс, а не 10мкс.
Люди просто хотят помочь, и недостоверность информации повлечет неверные рассуждения.
По делу: убрать емкость на 100нф из GDT, установить в параллель пару по 1мкф и резистор на 10 Ом то же параллельно конденсаторам.
Цепь антенны обвязать, установить резистор на 1К последовательно и конденсатор на 100пф в параллель, все элементы перед входом на логику. Резистор ограничит ток, кондер исключит появление ВЧ гармоник.
На счет 5нф в цепи антенны, маловато такой емкости, поставь лучше 100нф, для 5 нф там порядка 180Ом сопротивления для 180КГц.
Согласно схеме, в питании драйвера слишком маленькая емкость (470nf !!!), туда бы 470uf и в параллель 100n.
Если верить, что там 180КГц, то развертка скорее всего 1мкс, а не 10мкс.
Люди просто хотят помочь, и недостоверность информации повлечет неверные рассуждения.
По делу: убрать емкость на 100нф из GDT, установить в параллель пару по 1мкф и резистор на 10 Ом то же параллельно конденсаторам.
Цепь антенны обвязать, установить резистор на 1К последовательно и конденсатор на 100пф в параллель, все элементы перед входом на логику. Резистор ограничит ток, кондер исключит появление ВЧ гармоник.
На счет 5нф в цепи антенны, маловато такой емкости, поставь лучше 100нф, для 5 нф там порядка 180Ом сопротивления для 180КГц.
Согласно схеме, в питании драйвера слишком маленькая емкость (470nf !!!), туда бы 470uf и в параллель 100n.
Если верить, что там 180КГц, то развертка скорее всего 1мкс, а не 10мкс.
я тут имел в виду что на всё поле приходиться 10 мкс, а не на деление, ну тоесть клеточка = 1 мкс, извиняюсь за неуточнение.
Насчёт ёмкости при драйверах , там стоят электролиты в питалове по 1000uf после каждой 78ХХ , поэтому цепь та же. Другое дело что принято почему то ставить ещё на небольшую ёмкость прямо около ножек драйверов что то типа 1uf какой нибудь керамический, и тут аналогично. а на 100n там в параллели есть , он же общий с 555.
По питанию нормально все, действительно емкости вполне хорошие.
Тогда остается разобраться с цепью ГДТ и ОС, как описал выше.
Тогда остается разобраться с цепью ГДТ и ОС, как описал выше.
Хочу внести небольшую ясность , попробовал подать на обратку ровный сигнал от генератора 200 кГц, и при этом ГДТ работает хорошо , то есть всё свелось к налаживанию ОС.
С ГДТ разобрался, но при многочисленных попытках наладить ОС появились вопросы. Для полноценного испытания я намотал катушку диаметром 11,5 см и высотой 15 см проводом 0,2мм 700 витков. По расчётам резонансная частота должна быть около 330 кГц , на практике подсоединяя генератор частоты к триггеру 74НС14 она в резонанс примерно на этой частоте и входит, следствием этого является большой стример. Но без генератора поле фиксируемое осциллографом находится на частоте примерно в 3 раза выше то есть 800-900 кГц , фиксируется чёткая синусоида , при этом есть небольшая искорка. Чем это объясняется ? Как мне наладить ОС ?
-
- Сообщения: 223
Очень просто, скопировать схему и не мудрить https://www.youtube.com/watch?v=xwR1s2IH0AM
Tony, на 15см вмещается не 700, а 750 витков, соотв.резонанс где то 360 кГц
у вас тесла запускается на какой то гармонике, не своей.
нужно юзать нормальную обратную связь по низу вторички.
у вас тесла запускается на какой то гармонике, не своей.
нужно юзать нормальную обратную связь по низу вторички.
Переделал кое-что. Добавил токовый транс. Пытался несколько дней понять почему не работает , всё свелось к количеству витков в трансформаторе ОС. Намотал вначале 30 витков - никакого эффекта , потом 50 , тоже самое , в итоге только при 100 витках заработало. Хотя подставив другую вторичку на 500 кГц конструкция уже не работала. Не понятно чем это вызвано.
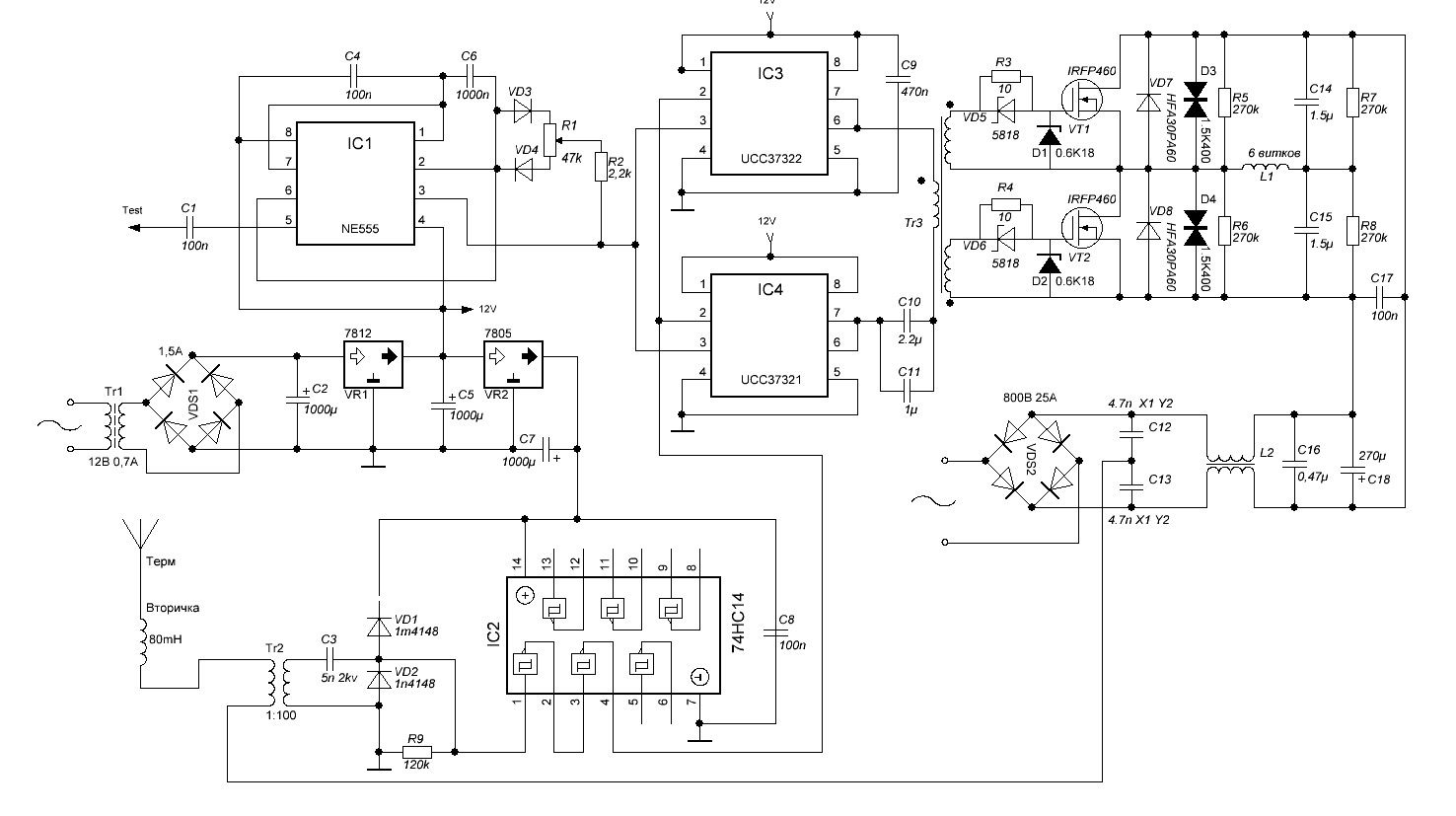
конечная схема работающей установки:
Заметил ещё что существует большая чувствительность при внешнем воздействии на элементы схемки. Можно дотронутся рукой например до чего нибудь и установка будучи не рабочей заработает или наоборот если работала то перестанет. Аналогичный эффект и при касании щупами осциллографа , так что я не могу снять корректные сигналы , они просто искажаются в момент присоединения. Такое проявляется даже если я касаюсь массы управляющей части схемы.
конечная схема работающей установки:
Заметил ещё что существует большая чувствительность при внешнем воздействии на элементы схемки. Можно дотронутся рукой например до чего нибудь и установка будучи не рабочей заработает или наоборот если работала то перестанет. Аналогичный эффект и при касании щупами осциллографа , так что я не могу снять корректные сигналы , они просто искажаются в момент присоединения. Такое проявляется даже если я касаюсь массы управляющей части схемы.
а что вы хотели от радиоприёмника? Сперва добейтесь нормальной работы от внешнего задающего генератора, а потом уже ловите волну.
-
- Сообщения: 223
А я кажется понял, в чём проблема))) Триггеры, которые не используются (4 штуки) нужно кинуть на минус. Через них сбоит вся микруха. Естественно входом)))
Триггеры, которые не используются (4 штуки) нужно кинуть на минус
Кинул , плюс ещё кинул 5 вывод через конденсатор NE555 и действительно чувствительность внешним воздействиям снизилась. Но всё равно конечно до конца от этого не избавился , я так понимаю надо сделать экран для всей схемы из какой-нибудь сеточки алюминиевой и бросить его на конденсаторный делитель сети. Это верный же шаг ? или экранируют только определённую часть схемы ?
-
- Сообщения: 223
Верный шаг кинуть сигнальные ноги драйвера (2,3) через резистор на минус (не меньше 1 кОм)... А еще добавить RC фильтры на сигнальные цепи, отодвинуть ГДТ трансформатор дальше от первички, убрать нахрен обратный диод с затвора транзистора (мало кто задумывается, но через него идет банальное короткое замыкание ГДТ обмотки при разряде затвора) и добавить ферритовый фильтр на провода между драйвром и ГДТ, такие вешают на провода к электронике разной...
А если говорить о экране, то экранировать надо вообще всю коробку с электроникой... или в сетку её или в металл... но это больше нужно для защиты от пробоя стримера...
А если говорить о экране, то экранировать надо вообще всю коробку с электроникой... или в сетку её или в металл... но это больше нужно для защиты от пробоя стримера...
Решил немного оживить тему. Всё дело в том что когда я подошёл вплотную к вопросу сборки подумал что надо как то идеализировать напряжение на затворах irfp460 , а также хотел понять возможности UCC37321/2 для данных транзисторов. Для моей катушки рез. частота около 330 кГц без тора и 220 с тором по расчётам. И исходя из этих частот при питающем напряжении транса в 12В калькулятор выдал в одном случае 4 витка в другом 7, при 20 мм^2 сечении. В целях изучения данного вопроса по сигналам с ГДТ снял несколько характеристик при задающем генераторе 200...250 кГц.
Вот входной сигнал с генератора:
выход сигнала из 74HC14:
Первичка ГДТ на холостом ходу:
Главным образом в этом исследовании хотел проверить влияние нагрузки , количества витков ГДТ и сопротивления на затворах. Ну вместо затворов я вешал 20нФ и 10нФ на каждое плечо. Пробовал на 4 витках с постепенным повышением сопротивления до 10 Ом.
Результаты при 4-х витках:
10 нан 0 Ом:
10 нан 1 Ом:
10 нан 5,1 Ом:
10 нан 10 Ом:
20 нан 0 Ом:
20 нан 1 Ом:
20 нан 5,1 Ом:
Исходя из всего этого я так понимаю 5,1 Ом на затворе -оптимальное сопротивление. Единственное мне не очень нравится звон при переключении микросхем. Хотя под нагрузкой он исчезает, остаётся только на выходе 74hc14 но он довольно мал , я думаю ничего страшного.
Вот входной сигнал с генератора:
выход сигнала из 74HC14:
Первичка ГДТ на холостом ходу:
Главным образом в этом исследовании хотел проверить влияние нагрузки , количества витков ГДТ и сопротивления на затворах. Ну вместо затворов я вешал 20нФ и 10нФ на каждое плечо. Пробовал на 4 витках с постепенным повышением сопротивления до 10 Ом.
Результаты при 4-х витках:
10 нан 0 Ом:
10 нан 1 Ом:
10 нан 5,1 Ом:
10 нан 10 Ом:
20 нан 0 Ом:
20 нан 1 Ом:
20 нан 5,1 Ом:
Исходя из всего этого я так понимаю 5,1 Ом на затворе -оптимальное сопротивление. Единственное мне не очень нравится звон при переключении микросхем. Хотя под нагрузкой он исчезает, остаётся только на выходе 74hc14 но он довольно мал , я думаю ничего страшного.
При 6-ти витках схожая картина:
10 нан 5,1 Ом:
20 нан 0 Ом:
20 нан 1 Ом:
20 нан 5,1 Ом:
20 нан 10 Ом:
Даже не смотря что по 20 нФ по плечу сигнал хороший , UCCшки греются градусов до 60. Думаю что эф. Миллера будучи с транзистором не так сильно будет искажать сигналы.
10 нан 5,1 Ом:
20 нан 0 Ом:
20 нан 1 Ом:
20 нан 5,1 Ом:
20 нан 10 Ом:
Даже не смотря что по 20 нФ по плечу сигнал хороший , UCCшки греются градусов до 60. Думаю что эф. Миллера будучи с транзистором не так сильно будет искажать сигналы.
Но без генератора поле фиксируемое осциллографом находится на частоте примерно в 3 раза выше то есть 800-900 кГц , фиксируется чёткая синусоида , при этом есть небольшая искорка. Чем это объясняется ? Как мне наладить ОС ?
У меня была такая же проблема, катушка то запускалась на основной частоте, то на 3й гармонике, как у вас. Я решил проблему так -параллельно витку который проходит через токовый транс ОС подключил последовательный LC Контур, который настроен на 3ю гармонику. Т.е 3я гармоника замыкается через контур и не прохзодит в ОС. Ничего другое мне не помогало, можно например поставить RC цепочку гдето между выходом транса ОС и диодной вилкой -она будет давить 3ю гармошку, но при этом внесет фазовую задержку, которая у меня итак была с небольшим запаздыванием, поэтому такую идею я отверг

аметил ещё что существует большая чувствительность при внешнем воздействии на элементы схемки. Можно дотронутся рукой например до чего нибудь и установка будучи не рабочей заработает или наоборот если работала то перестанет.
У вас входной компаратор (первый элемент НЕ в IC2) работает с большим перекосом -нужно добавить еще один резистор такого же номинала как R9 с 1й ножки на 14ю, чтобы на входе было пол питания. Или другой вариант (работает всегда, но у меня бывало запускалось не на той частоте которой нужно) отпаять R9 и подключить его между 1м и 2м выводами.
Спасибо, по обратной связи пока ситуация понятна. Теперь пытаюсь разобраться с напряжением затворов. У меня т.к. обмотка ГДТ 1:1 напряжение 12В. Судя по характеристикам irfp460 он будет уже полноценно открыт. Поэтому думаю есть ли смысл увеличивать количество витков на вторичке и повышать напряжение на затворах?
12 достаточно. Но когда вы подадите высокое питание форма может здорово испортиться
Лучше смотреть схему ближе к реальным условиям, подключить первичку (не GDT, а первичку Теслы), подать вольт 60-100, запустить от внешнего генератора и смотреть что будет на затворах. У меня были ключи гораздо более легкие в управлении, и все было хорошо пока я не посмотрел на затвор внимательно с щупом 1:10. Вот тут то вся бяка и вылезла -после фронта идет даже не выброс, а резкий провал, очень короткий, но он опускается ниже порога транзистора изза чего последний может делать быстрые включения/выключения -соответственно больше нагрев и возможность выхода из строя. Драйверы у меня по мощности не уступают вашим, а транзисторы -легче, чтобы было поставь я IRFP даже не знаю. Так что Миллера не стоит недооценивать
Вот Сергей в своей DRSSTC сделал по-простому- поднял напряжение на вторичке и ограничил его супрессором. Но это я думаю катит только если работать импульсами, если включать в CW, то драйверы погорят или супрессоры, одно из двух


Вот Сергей в своей DRSSTC сделал по-простому- поднял напряжение на вторичке и ограничил его супрессором. Но это я думаю катит только если работать импульсами, если включать в CW, то драйверы погорят или супрессоры, одно из двух

Действительно эф. Миллера оказывает существенное влияние. Снял напряжение на затворах с ЛАТРом. Иесли при 12 В ещё более менее в норме , то свыше 50 В уже сильный провал.
при 12 В.
при 24 В
при 100В
при 150В
Как я понимаю в моём случае транзистор успевает закрываться после прострела. Остаётся вопрос как с этим бороться ?
при 12 В.
при 24 В
при 100В
при 150В
Как я понимаю в моём случае транзистор успевает закрываться после прострела. Остаётся вопрос как с этим бороться ?
Попробуйте увеличить резисторы в затворах. И кстати что при этом на выходе драйвера? Он тянет?
Что я сделал. Убедился что на стоке при этом нет выбросов, а значит не происходит (реальное) запирание ключа. Убедился, и забил на это
Что я сделал. Убедился что на стоке при этом нет выбросов, а значит не происходит (реальное) запирание ключа. Убедился, и забил на это

Вернуться в «Трансформаторы Тесла»
Кто сейчас на конференции
Сейчас этот форум просматривают: нет зарегистрированных пользователей и 33 гостя