Захотел я себе небольшую теселку, играющую музыку.Долго не думая взял достаточно извесную схему http://uzzors2k.4hv.org/index.php?page=classecoil1 .Дабы не называть это плохими словами, скажем так - я сохранил полную аутентичность представленной конструкции.
Вторичка - 8см длинной, 5см шириной, что при проводе в 0.17мм даёт около 1.4МГц резонансной частоты, собственно как и в первоисточнике.
Первичка намотана на самый низ вторки и сделана перемещающейся вдоль вторички, для возможности изменения коэффициента связи катушек.Резонансная чатота первичного контура 1.36-1.39МГц.
Вся остальная схема изменениям не подвергалась.
Ну, пишу я потому, что всё работает не как надо.
Суть проблем:
1.При питании и силовой и управляющей части от одного источника на 12В(т.е. там, где на схеме к первичке надо подать +50В, я просто подаю 12 прям с управляющей) вроде всё работает, хотя ужасно нестабильно - стриммер то появляеться сам, то не появляеться вообще, хотя в общем схема работает.
На D-S полевика правильный, cтабильный сигнал полусинус класса Е:
При попытке раздельного питания силовой и управляющей уже нифига не пашет, при любом напряжении на силовой, вплоть до 20В(больше не подавал, а то так уже спалил один транзитор, который ко всему нехило греется при любом напряжении питания в данных условиях)на D-S полевика виднеется вот такая осциллограмма:
При том, что частота её намного ниже чем заданные 1.4МГц.
Питаю я от ЛАТРа, через диодный мост и кучу фильтрующей ёмкости(подозреваю, что эти пульсации на осциллограмме частотой 50Гц и идут от выпрямленного напряжения ЛАТРа).Что делать, чтобы схема заработала от раздельного питания я не знаю, что не пробовал - ничего не помогает, может надо очень качественное стабилизированное питание?Или это не важно?
2.Cхеме абсолютно пофигу на токовый трансформатор с низа вторички(транс обратной связи).Есть он, нету - схема "работает"(при совмесном питании упр. и силовой).Подключал антенку - всё фиолетово.Это же не есть норма?И что с этим делать?
3.Про музыку я пока молчу, но хочу спросить так ли я собираюсь делать: берётся джек штекер, врубается в разьём для наушников в мобилку/плеер - земляной провод идёт собственно на землю, а информационны на вход, между капом в 1 нан и резюком в 100 Ом в 9 ноге микрухи.Так ведь?Или у выхода для наушников слишком маленькая амплитуда сигнала?
Причиный которые я вижу:
1.Я не подтянул незадействованные ноги микрухи к плюсу, но все они, согласно даташиту - выходы, а выходам ведь пофиг на подтяжки? Или тут нюансы есть?
2.Я не угадал частоту работы ФАПЧ и оно работает просто "на удачу"(хотя я специально не менял параметры основных деталей чтобы не надо было производить перерасчёт номиналов элементов схемы).
Собственно что скажете вы?
E class SSTC c ФАПЧ
может надо очень качественное стабилизированное питание?
Нет, не нужно.
Скорее всего, ФАПЧ не видит ОС и работает в свободном режиме, или заводится на гармонике. Нужно смотерть сигнал ОС вместе с выходом ФАПЧ.
Так ведь?
Да. У выхода для наушников амплитуда более чем достаточная.
Я не подтянул незадействованные ноги микрухи к плюсу, но все они, согласно даташиту - выходы, а выходам ведь пофиг на подтяжки? Или тут нюансы есть?
Пофиг
Я не угадал частоту работы ФАПЧ и оно работает просто "на удачу"
Либо частоту, либо диапазон ГУНа, либо на вход ФАПЧ ничего не приходит.
Диапазон работы ГУНа задаётся резисторами в 11 и 12 ногах микрухи.Можно ли туда подставить подстроечники и искать с их помощью необходимый диапазон?
Делал я это. На работу влияет начиная от фазировки и всех резисторов которые на что-то влияют заканчивая фазой луны.
По факту да, везде надо втыкать многооборотные резисторы, сначала получать хотябы устойчивую генерацию, а потом загонять туда ГУН чтобы не уползал.
И всеравно потом уедет. Мне кажется проблема в том что схема пытается следить не только за ОС первичного контура, что является первоочередной задачей, но еще и опирается на вторичку.
Так как система двухрезонансная - то плавает всё подряд. А основной смысл в том что это класс-Е с общим принципом ДРССТЦ.
Вся задача ФАПЧ рулить первичным контуром и компенсировать задержку. Можно поставить ТТ в первичный контур, будет и фаза и частота. И настраивать уже исключительно конденсатором.
По факту да, везде надо втыкать многооборотные резисторы, сначала получать хотябы устойчивую генерацию, а потом загонять туда ГУН чтобы не уползал.
И всеравно потом уедет. Мне кажется проблема в том что схема пытается следить не только за ОС первичного контура, что является первоочередной задачей, но еще и опирается на вторичку.
Так как система двухрезонансная - то плавает всё подряд. А основной смысл в том что это класс-Е с общим принципом ДРССТЦ.
Вся задача ФАПЧ рулить первичным контуром и компенсировать задержку. Можно поставить ТТ в первичный контур, будет и фаза и частота. И настраивать уже исключительно конденсатором.
На работу влияет начиная от фазировки и всех резисторов которые на что-то влияют заканчивая фазой луны.
Хех, уже успел заметить

Что же, пробую переставить ТТ.
Так, провёл эксперементы, в ходе которых было установлено следующее:
При питании управляющей от 6(вместо 12) вольт тесла вроде работает, даже стриммер есть, в то же самое время, если менять напряжение питания управляющей выше/ниже 6В, то всё перестает работать, при возвращении же искомых 6В система снова срабатывает.При попытке покрутить подстроечник, управляющий напряжением ГУНа, наблюдается сходный результат, то всё работает, то постепенно (сначала стриммер уменьшается, потом пропадает совсем) всё так же перестаёт работать.
Насколько я понял, то неправильно выбраны диапазоны работы ГУНа и, как и думал сначала, именно они нуждаються в настройке.Правильны ли мои выводы, опираясь на результаты эксперемента?
При питании управляющей от 6(вместо 12) вольт тесла вроде работает, даже стриммер есть, в то же самое время, если менять напряжение питания управляющей выше/ниже 6В, то всё перестает работать, при возвращении же искомых 6В система снова срабатывает.При попытке покрутить подстроечник, управляющий напряжением ГУНа, наблюдается сходный результат, то всё работает, то постепенно (сначала стриммер уменьшается, потом пропадает совсем) всё так же перестаёт работать.
Насколько я понял, то неправильно выбраны диапазоны работы ГУНа и, как и думал сначала, именно они нуждаються в настройке.Правильны ли мои выводы, опираясь на результаты эксперемента?
Долго и безрезультатно я колупался в тесле, а потом меня осенило...Тут я вспомнил, что сердечник, который я использую для токового трансформатора не рассчитан на 1.4МГц, а максимум 500кГц и ни о какой обратной связи в таком случае речи быть не может.Буду пробовать антенку.
Врядле. На 1.5мгц этот феррит работать будет, просто будет фазовый сдвиг. Для таких частот это нормально 

Так и не разобрался я с пониженным напряжением питания управляющей, но вроде и так работает.Попрбовал поиграть музыку, вот что вышло:
Качество не ахти, но вроде нормально, как для теста.Тут у меня такой вопрос возник: я часто замечал что на музыкальных теслах ставят в качестве терминала овальние кольцо, по которому равномерно расперделяется разряд, улучшая воспроизведение музыки.Например как тут:
То же самое я пытался провести со свой минитеслой, но с сомнительным успехом.Стриммер не хотел равномерно распределяться, а просто бегал по кольцу, что никак не способствовало улучшению звука.Так вот есть ли какие-то особенности в выборе параметров данного терминала или это всё находится опытным путём?
Качество не ахти, но вроде нормально, как для теста.Тут у меня такой вопрос возник: я часто замечал что на музыкальных теслах ставят в качестве терминала овальние кольцо, по которому равномерно расперделяется разряд, улучшая воспроизведение музыки.Например как тут:
То же самое я пытался провести со свой минитеслой, но с сомнительным успехом.Стриммер не хотел равномерно распределяться, а просто бегал по кольцу, что никак не способствовало улучшению звука.Так вот есть ли какие-то особенности в выборе параметров данного терминала или это всё находится опытным путём?
C cамого начала у меня была идейка попробовать прикрутить аудиомодуляцию к качеру изготовленному по данному образцу http://teslacoil.ru/katushki-tesla/tran ... tc-kacher/ тем более что рабочая версия одного такого у меня стоит на полочке,но я захотел попробовать воплотить ту, изначальную схему(http://uzzors2k.4hv.org/index.php?page=classecoil1).А поскольку оная так нормально и не заработала, я вернулся к идее переделки качера.Схемка вот такая:
У меня с этой конструкцией с первого поста похожая беда была, я тогда забросил этот проект. Но недавно собрал Е класс, работает довольно не плохо от 17В. Особо с настройками не возился. Собирал схему из кусков разных схем и того что под рукой было. ФАПЧ маленько не по назначению используется, больше как задающий генератор, но думаю это не очень важно
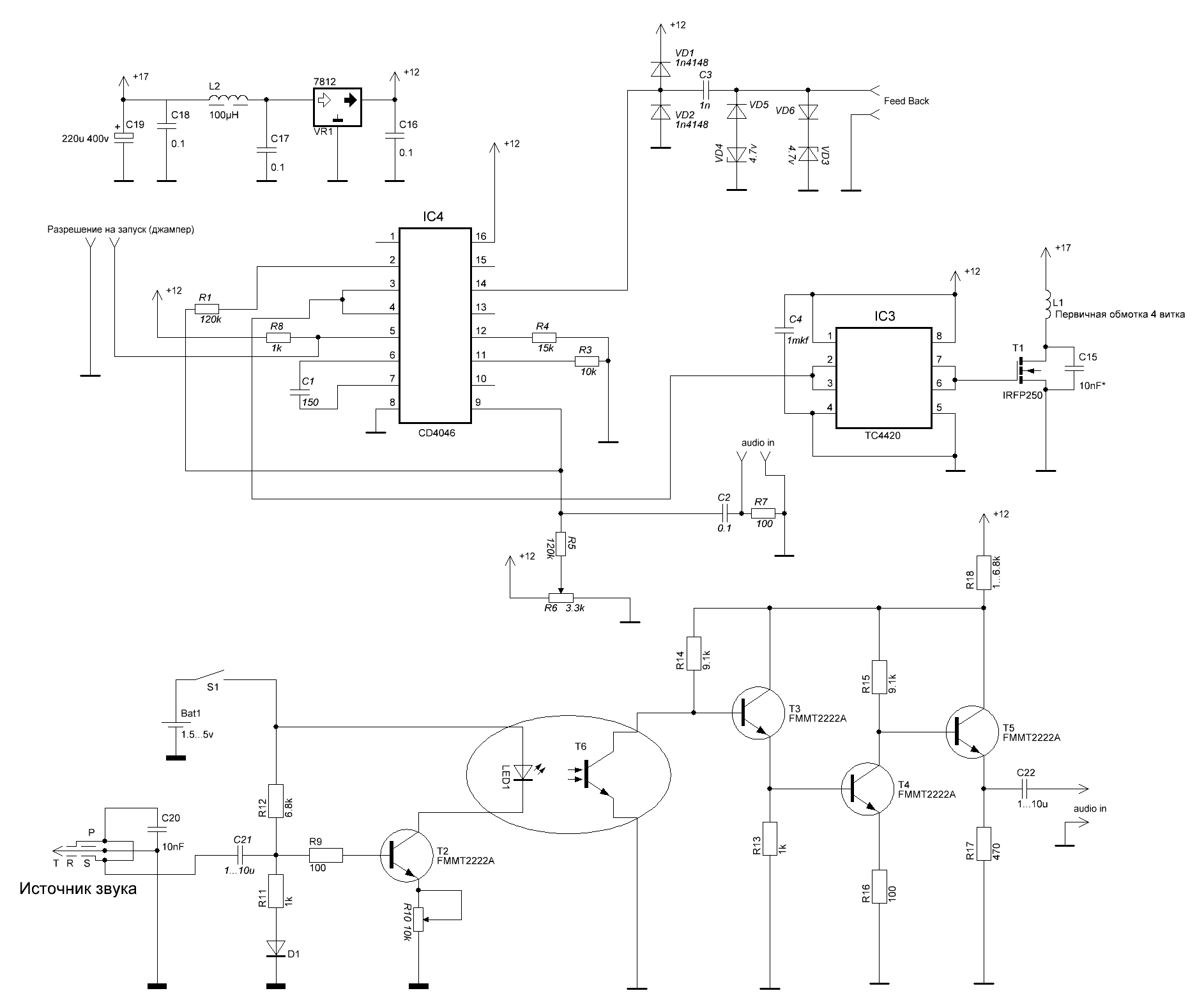
Вот схема (возможно это чем-то поможет):
Нижняя часть - это опторазвязка, не хочу напрямую телефон подключать, сало ли что, силовая же не отвязана от управляющей электроники. Поет неплохо, но если додумать конструкцию - будет еще лучше петь
С теми параметрами R4 R3 C1 работает со вторкой на 787кГц
Первичная обмотка:
- 4витка одной жилой сетевого провода
- диаметр обмотки 8см
- высота обмотки 1.5см
Вторичная обмотка:
- высота намотки 15см
- диаметр трубы 5см
- провод около 0.16мм
- fрез= 787кГц
Пушистик до 3см при питании 17В

Вот схема (возможно это чем-то поможет):
Нижняя часть - это опторазвязка, не хочу напрямую телефон подключать, сало ли что, силовая же не отвязана от управляющей электроники. Поет неплохо, но если додумать конструкцию - будет еще лучше петь

С теми параметрами R4 R3 C1 работает со вторкой на 787кГц
Первичная обмотка:
- 4витка одной жилой сетевого провода
- диаметр обмотки 8см
- высота обмотки 1.5см
Вторичная обмотка:
- высота намотки 15см
- диаметр трубы 5см
- провод около 0.16мм
- fрез= 787кГц
Пушистик до 3см при питании 17В
Нижняя часть - это опторазвязка
Как показала практика, наведенное напряжение от тесыл легко пробивает обычные оптопары. А так - классная каушка вышла!
BSVi писал(а):легко пробивает обычные оптопары
Ну хоть какая-то защита имеется, все лучше, чем напрямую подключать. В идеале оптоволокно бы протянуть)
Кто сейчас на конференции
Сейчас этот форум просматривают: нет зарегистрированных пользователей и 69 гостей