Тесластроение для начинающих
Re: Тесла строение для начинающих
webkirov, формулы не видно. И эта модель не учитывает внутреннего сопротивления конденсатора.
Re: Тесла строение для начинающих
Какая модель учитывает?
Re: Тесла строение для начинающих
Симуляция учитывает, если в модели пропишешь сопротивления.
Re: Тесла строение для начинающих
можете сказать что лучше собрать эту схему или полумост ? каков кпд этой схемы надежность стабильность ? или все таки лучше юзать гдт и полумост ? в общем посоветуйте пожалуйста
- Attachments
-
- sstc4.png (6.72 KiB) Viewed 29125 times
Re: Тесла строение для начинающих
Эта схема тоже полумост. Внезапно.
Я привел что должно быть из электроники для начала.
Генератор должен выдавать прямоугольник частоты равной резонансной частоте вторички.
Здесь генератор фиксированный/с ручной корректировкой. Очень много геморроя, очень.
Нужен автогенератор с прямой обратной связью (как на UCC схема), или ФАПЧ ( CD4046), или какая иная реализация на логике.
В любом другом случае получается расстройка от резонанса и силовая часть сильно перенапрягается, а стримеры стремительно усасываются.
А частота резонанса плавает очень сильно.
Собирайте базу для SSTC, или занимайтесь VTTC.
Ваша задача стоит следующим образом - навести справки по элементарной базе и выяснить вообще реально ли собрать SSTC.
Если реально - для начала требуется определиться с размерами и финансами, а также с желаемым результатом.
Дальше будем думал, но следующий этап сборка силовой (от предыдущей стадии зависят небольшие различия).
Потом будем думать о генераторе.
Я привел что должно быть из электроники для начала.
Генератор должен выдавать прямоугольник частоты равной резонансной частоте вторички.
Здесь генератор фиксированный/с ручной корректировкой. Очень много геморроя, очень.
Нужен автогенератор с прямой обратной связью (как на UCC схема), или ФАПЧ ( CD4046), или какая иная реализация на логике.
В любом другом случае получается расстройка от резонанса и силовая часть сильно перенапрягается, а стримеры стремительно усасываются.
А частота резонанса плавает очень сильно.
Собирайте базу для SSTC, или занимайтесь VTTC.
Ваша задача стоит следующим образом - навести справки по элементарной базе и выяснить вообще реально ли собрать SSTC.
Если реально - для начала требуется определиться с размерами и финансами, а также с желаемым результатом.
Дальше будем думал, но следующий этап сборка силовой (от предыдущей стадии зависят небольшие различия).
Потом будем думать о генераторе.
Re: Тесла строение для начинающих
Вас понял. мой выбор полумост однозначно, так как не нужна большая мощность.
По поводу драйверов. Есть у меня выбор:
1. Драйвер CW brust mode (три 555+UCC27425) вы уже его видели на картинках
2. TL494
но хочу уточнить один нюанс в 1-ом случае обратную связь можно организовать через тр. тока (феррит колечно 50 витков низ вторички)
во втором же случае получиться сделать такое?
вот драйвер на TL494
по поводу силовой всё таки что лучше использовать из рассуждений надежности полевик или IGBT ? так как тесла будет не настольной а будут производиться с ней экспирименты.
По поводу драйверов. Есть у меня выбор:
1. Драйвер CW brust mode (три 555+UCC27425) вы уже его видели на картинках
2. TL494
но хочу уточнить один нюанс в 1-ом случае обратную связь можно организовать через тр. тока (феррит колечно 50 витков низ вторички)
во втором же случае получиться сделать такое?
вот драйвер на TL494
по поводу силовой всё таки что лучше использовать из рассуждений надежности полевик или IGBT ? так как тесла будет не настольной а будут производиться с ней экспирименты.
Re: Тесла строение для начинающих
Стебаешься чтоли?
Все что ты привел это ШИМ имс для импульсных источников питания.
Их частота постоянна. На это не устраивает.
Почитай про автогенераторы. http://ru.wikipedia.org/wiki/Электронный_генератор
То что ты называешь "три 555" это интерраптер - в переводе "прерыватель" - это блок который своим сигналом разрешает или запрещает работу Теслы. Он вообще дело десятое.
Конечно можно и на ТЛ494 и на ИР2153 собрать, но результат будет уныл.
Не спеши хвататься за всё подряд.
Все что ты привел это ШИМ имс для импульсных источников питания.
Их частота постоянна. На это не устраивает.
Почитай про автогенераторы. http://ru.wikipedia.org/wiki/Электронный_генератор
То что ты называешь "три 555" это интерраптер - в переводе "прерыватель" - это блок который своим сигналом разрешает или запрещает работу Теслы. Он вообще дело десятое.
Конечно можно и на ТЛ494 и на ИР2153 собрать, но результат будет уныл.
Не спеши хвататься за всё подряд.
Re: Тесла строение для начинающих
Добавил в фак вопрос о том, какую конструкцию собирать первой: http://tqfp.org/forum/viewtopic.php?f=19&t=107
Re: Тесла строение для начинающих
пробовал её собирать все собрал включил на 220 пару раз рванула стимером и померла.... нечем у меня 120 вольт сделать к сожалению ...... кстати её я собирал самой первой ещё тогда удивился что она заработала но это было буквально пару секунд, потом собрал hf sstc 4mhz тоже померла потом я забил и собрал качер вот такая вот история .....(((
Re: Тесла строение для начинающих
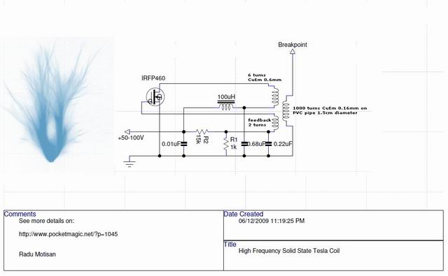
Доброго времени суток, решил я начинать с малого так сказать, в общем привлекла меня вот эта схема, скажите пожалуйста можно ли вместо полевичка поставить IGBT? и как рассчитывались номиналы резисторов и кондеров? И вот как раз в этой схеме если нет точки выхода стритмера "breakout point" то полевик умирает это почему?
на форуме нашел - якобы защита фета, вот гляньте))
на форуме нашел - якобы защита фета, вот гляньте))
Re: Тесла строение для начинающих
Это - тот-же самый качер, который ты собирал. Ставить IGBT нельзя. Как рассчитываются номиналы - сложная тема. Намного проще взять и просимулировать.
Re: Тесла строение для начинающих
Уважаемые, такой вот ещё вопрос. Какую силу тока может выдержать вторичка флайбек трансформатора (самого большого из своего рода с телека 40 дюймов) есть у меня преобразователь 5 вольт 80 апмер если я на первичку (самодельную на сердечнике) подам столько - вторичка не сгорит? мне нужно выжать с него примерно 5 кВ при хорошей силе тока, чтобы запитать теслу.
Re: Тесла строение для начинающих
Для того, чтобы питать теслу от строчника нужно собрать генератор, который будет питать строчник. Этот генератор ничуть не проще той конструкции, которую я рекомендую для новичков. Не выдумывай. Делай или SSTC для новичков или классическую SGTC c MOTом. Первое - сложнее, со вторым вероятность убиться намного больше.
Re: Тесла строение для начинающих
я же написал, у меня есть собраный ZVS драйвер куда ещё мощнее та? питание 25-50 вольт от перемотанного МОТа, всё дело в том что мне не нужно 25-40кВ а будет достаточно и 3кВ лишь для того, чтобы устойчиво работал разрядник, в остальном меня волнует только лишь сила тока, которую может выдержать вторичка флайбека, так как я нигде не нашел этого то спрашиваю тут. Кто знает скажите пожалуйста, а то мне жалко мой транс... щас дам на первичку апмераж а вторичка сплавиться будет обидно((
Last edited by Андрей on 05 Jul 2012, 12:01, edited 1 time in total.
Re: Тесла строение для начинающих
я бы сделал с МОТом я сам электрик так что не убьюсь просто МОТ - говно китайское тяжелая херня зачем мне такое надо то, да ещё и греется как непонять что.BSVi wrote:Для того, чтобы питать теслу от строчника нужно собрать генератор, который будет питать строчник. Этот генератор ничуть не проще той конструкции, которую я рекомендую для новичков. Не выдумывай. Делай или SSTC для новичков или классическую SGTC c MOTом. Первое - сложнее, со вторым вероятность убиться намного больше.
Re: Тесла строение для начинающих
Всем привет )
не знал куда написать , но все же
сейчас рисую плату для силовой части полумост
делитель состоит из электролитических кондеров 2200мкф 200в + 13мкф пленки в каждом плече
так вот . как мера предосторожности нужно ли ставить между делителем и транзисторами предохранители ? ( по плюсу и минусу)
не знал куда написать , но все же
сейчас рисую плату для силовой части полумост
делитель состоит из электролитических кондеров 2200мкф 200в + 13мкф пленки в каждом плече
так вот . как мера предосторожности нужно ли ставить между делителем и транзисторами предохранители ? ( по плюсу и минусу)
Re: Тесла строение для начинающих
Ни в коем случае!
Re: Тесла строение для начинающих
ну я тоже думаю что при такой большой емкости они некоим боком не помогут )
платка размером 100 на 90 поэтому дорожки пытаюсь делать как можно короче
платка размером 100 на 90 поэтому дорожки пытаюсь делать как можно короче
Re: Тесла строение для начинающих
Предохранители инерционны. Транзисторы быстрей сгорят, чем перегорят предохранители. Плюс дополнительная индуктивность по плюсу и минусу будет вредна.Predator wrote:Всем привет )
не знал куда написать , но все же
сейчас рисую плату для силовой части полумост
делитель состоит из электролитических кондеров 2200мкф 200в + 13мкф пленки в каждом плече
так вот . как мера предосторожности нужно ли ставить между делителем и транзисторами предохранители ? ( по плюсу и минусу)
Re: Тесла строение для начинающих
Вебкиров , я уже понял этот момент и не стал замораживаться , предохранители будут стоять в самом фильтре по AC стороне
Re: Тесла строение для начинающих
пусть будет здесь
Обычно силовуха у меня была навесом на радиаторе
решил сделать печаточку для полумоста (обвязка Tvs в игбт свои ультрофасты )
собственно выношу на суд ....
белые линии отрисованны для симметрии и на плате не будут
Обычно силовуха у меня была навесом на радиаторе
решил сделать печаточку для полумоста (обвязка Tvs в игбт свои ультрофасты )
собственно выношу на суд ....
белые линии отрисованны для симметрии и на плате не будут
Re: Тесла строение для начинающих
Дорожки от транзисторов можно сделать толще - они иногда взрываются. И еще, немного не понятно, где находятся транзисторы.
Re: Тесла строение для начинающих
транзисторы находятся под платой и ножки загнуты перпендикулярно плате
Re: Тесла строение для начинающих
Задолбешься, когда нужно будет поменять 
Re: Тесла строение для начинающих
там где находится отверстие в TO-247 ,будет отверстие в самой плате большего диаметра - что б удобнее было пролезть отверткой )