Page 34 of 56
Re: Вопрос — Ответ
Posted: 02 Jan 2018, 14:01
by R2R
Rabby wrote:а может стоит разделить на 2 части резистор-один на тт,второй на входе контроллера.
Проверил разные варианты - разница минимальная, но лучше ставить резистор непосредственно на ТТ. Два резистора дают промежуточный результат.
Re: Вопрос — Ответ
Posted: 02 Jan 2018, 15:13
by savol
yalemonad wrote:savol wrote:пишу как хочу !а форум живее всех живых-ветераны форума всегда сюда заходят и по возможности стараются отвечать ,НО только на не известные и не пройденные вопросы!,а те кто хочет ,чтоб ему разжевали да еще и в рот положили-пускай танцуют на углях своих прошлых амбиций!
какието странние амбиции увас тут на форуме. например я вижал метр из своей катухи на 50б60. больше кстати чем увас кстати. ви не вететеран))) если увас все получилось.
1) форум скромний не жив з ваших ответов, я таки оживил.
2) пишу как хочу - ну и на етом мпасибо, но могли би и лутше
3) негоните на пройдение вопроси форум вопрос ответ и для того созлан чтоб отвечать на конкретние вопроси а не говорить ищи в нете( незнаете - неотвечпйте9
4) хто незнает то и сюда пишет, и ненадо отвечать так грубо. врот себе ложите чтото доругое, а я буду ложить на вас, и зрание от хорощих людей которие хотят чтоб я зделал теслу.!!!
увас по етому бизнес в украине, походу единственний и ви так обращаетесь!!!!
майте совисть
ето сообщение только от того что ви написали и я так понял.
а воообще удачи, ви лутший, буду вам зпвидовать и подтягиватса.
Во первых вы меня не правильно поняли("разжевать и в рот положить" -это метафора-которая означает сделать всю основную работу за вас)-мне никто не разжевывал,так как на форумах я получал такие же ответы ,которые получили вы и после этого я читал рабочие проекты-кто сумел сделать рабочие Теслы,а за вас я тоже рад,что вы выжали 1 метр с 50б60,но дело в том ,что я не гонюсь за длиной разряда-я работаю над его стабильностью,чтобы Тесла работала в любых условиях,а с мостовой схемой это проблемно,но я тоже это сделал
http://tqfp.org/forum/viewtopic.php?f=27&t=546
Re: Вопрос — Ответ
Posted: 02 Jan 2018, 20:23
by Tetriss
Re: Вопрос — Ответ
Posted: 02 Jan 2018, 20:40
by BSVi
Да практически любым драйвером. Только учти, что та схема - просто для интересу собрана была, она не носит звания "проверенного и хорошо оттестированного" устройства.
Re: Вопрос — Ответ
Posted: 02 Jan 2018, 20:57
by Tetriss
BSVi wrote:Да практически любым драйвером. Только учти, что та схема - просто для интересу собрана была, она не носит звания "проверенного и хорошо оттестированного" устройства.
А обязательно с enable брать драйвер? или можно любой другой? например tc4420 подойдёт?
Можно ещё вот такую защиту прикрутить для мосфета?
https://prnt.sc/hv784y
а в качестве тпш-3 можно взять любой другой трансформатор? или на ферите намотать например(что-то вроде гдт?)?
Re: Вопрос — Ответ
Posted: 02 Jan 2018, 21:07
by iEugene0x7CA
Tetriss wrote:А обязательно с enable брать драйвер? или можно любой другой? например tc4420 подойдёт?
Enable можно добавить снаружи, например вот так:
Re: Вопрос — Ответ
Posted: 02 Jan 2018, 21:16
by Tetriss
iEugene0x7CA wrote:Tetriss wrote:А обязательно с enable брать драйвер? или можно любой другой? например tc4420 подойдёт?
Enable можно добавить снаружи, например вот так:
Untitled.png
спасибо
Re: Вопрос — Ответ
Posted: 02 Jan 2018, 21:24
by Tetriss
https://prnt.sc/hv7if9
Можно ли с помощью такой схемы запитать временно теслу? Для предотвращения взрыва последней в случае если ,что-то будет не правильно собрано?
Re: Вопрос — Ответ
Posted: 02 Jan 2018, 21:29
by BSVi
Боюсь, схема не правильная. С2 зарядится и на этом все закончится. Ну и питать это лучше через ЛАТР с трансформатором.
Re: Вопрос — Ответ
Posted: 02 Jan 2018, 21:30
by Tetriss
BSVi wrote:Боюсь, схема не правильная. С2 зарядится и на этом все закончится. Ну и питать это лучше через ЛАТР с трансформатором.
к сожалению ЛАТРа у меня нет(
Re: Вопрос — Ответ
Posted: 02 Jan 2018, 22:16
by iEugene0x7CA
Без ЛАТР'а никуда.
Про него в красках расписал немного ранее в темке.
http://tqfp.org/forum/viewtopic.php?p=14923#p14923
P.S.
Yalemonad, Savol — не ругайтесь, поняши.

Форумчик скромный, так как сегодня немногие занимаются электроникой, не говоря уже о силовой/высоковольной электронике.
С Сергеем стараемся заходить каждый день, но у него и меня тоже бывают свои дела, так что переменно пропадаем.
Re: Вопрос — Ответ
Posted: 03 Jan 2018, 08:58
by Tetriss
iEugene0x7CA wrote:Без ЛАТР'а никуда.
Про него в красках расписал немного ранее в темке.
http://tqfp.org/forum/viewtopic.php?p=14923#p14923
P.S.
Yalemonad, Savol — не ругайтесь, поняши.

Форумчик скромный, так как сегодня немногие занимаются электроникой, не говоря уже о силовой/высоковольной электронике.
С Сергеем стараемся заходить каждый день, но у него и меня тоже бывают свои дела, так что переменно пропадаем.
А электронный ЛАТР подойдет? Его не так сложно сделать на тиристорах ,да и мощность хорошая
Re: Вопрос — Ответ
Posted: 03 Jan 2018, 19:05
by Tetriss
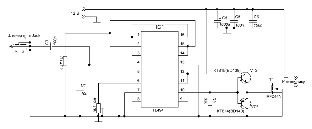
Подскажите схему, чтоб аналоговый аудио сигнал превратить в прямоугольные импульсы, чтоб управлять мосфетом

- tesla34-6.png (10.99 KiB) Viewed 72187 times
Можно использовать эту схему?
Re: Вопрос — Ответ
Posted: 03 Jan 2018, 19:19
by Vanyayak
Похожую схемку как то давно использовал, но стоит участь что неплохо было бы сделать трансформаторную развязку если источник звука дорогой
и второе, такие вещи как 460 мосфет к примерку 555 не потянет, мощные мосфеты ей не по плечу
Re: Вопрос — Ответ
Posted: 03 Jan 2018, 19:27
by Tetriss
Vanyayak wrote:Похожую схемку как то давно использовал, но стоит участь что неплохо было бы сделать трансформаторную развязку если источник звука дорогой
и второе, такие вещи как 460 мосфет к примерку 555 не потянет, мощные мосфеты ей не по плечу
Комплиментарная пара транзисторов поможет?
Например как тут
Re: Вопрос — Ответ
Posted: 03 Jan 2018, 19:31
by Vanyayak
Tetriss wrote:Vanyayak wrote:
Комплиментарная пара транзисторов поможет
Дыа, как то давно так и решал этот вопрос, но опять же звон после комплементарки никто не отменял - перед затвором нужно подобрать резистор
И перед комплементаркой тоже
Re: Вопрос — Ответ
Posted: 03 Jan 2018, 19:36
by Tetriss
Vanyayak wrote:Tetriss wrote:Vanyayak wrote:
Комплиментарная пара транзисторов поможет
Дыа, как то давно так и решал этот вопрос, но опять же звон после комплементарки никто не отменял - перед затвором нужно подобрать резистор
И перед комплементаркой тоже
То чувство когда у тебя нет не одной комплементарной пары транзисторов, а магазина радиодеталей в городе нет)))))
Хотя нет, наврал нашел кт 814 и 815
Re: Вопрос — Ответ
Posted: 03 Jan 2018, 19:40
by iEugene0x7CA
Vanyayak wrote:но стоит участь что неплохо было бы сделать трансформаторную развязку если источник звука дорогой
Хе, я за первые года экспериментов как раз умудрился спалить CD-плеер и свой старый КПК опытами подключения к Теслам.
Если и подавать звук, то от каких-то мега-дров, которые будет абсолютно не жалко.

Re: Вопрос — Ответ
Posted: 03 Jan 2018, 19:41
by Vanyayak
Ну всегда есть вариант в конторках на заказ себе заказать, есть некоторые с адекватными ценамия
эти кт'шки норм подходят, если конечно пачкой из irfp460 в параллель на мегагерцах не гонять.
Re: Вопрос — Ответ
Posted: 03 Jan 2018, 19:43
by Tetriss
iEugene0x7CA wrote:Vanyayak wrote:но стоит участь что неплохо было бы сделать трансформаторную развязку если источник звука дорогой
Хе, я за первые года экспериментов как раз умудрился спалить CD-плеер и свой старый КПК опытами подключения к Теслам.
Если и подавать звук, то от каких-то мега-дров, которые будет абсолютно не жалко.

Читал вашу тему где вы про это писали)))) Пойду какойнибудь недо плеер куплю за рублей 100.
А можно же ещё сделать опторазвязку и тогда всё будет хорошо или трансформатор намотать для этого дела разделительный
Re: Вопрос — Ответ
Posted: 03 Jan 2018, 19:43
by Tetriss
А зачем в эту схему запихали перед комплементарной парой по мосфету?
Re: Вопрос — Ответ
Posted: 03 Jan 2018, 19:45
by Tetriss
Я же буду не ирфп460 раскачивать , а мосфет который будет стоять на затворе ирфп 460
на затвор хочу ирф630 поставить, там и токи на затворе меньше и напряжение
Re: Вопрос — Ответ
Posted: 03 Jan 2018, 19:47
by Vanyayak
Я в своё время просто МГТФа мотанул на каком-то советском 2000HM ферритике, со стороны источника повесив стабик, парочку кондеев, ф-бусинку.До сих пор штука иногда в ССТЦ работает.
Касаемо схемы- назначения резисторов рядом с комплементаркой тож без контекста не совсем ясны
Re: Вопрос — Ответ
Posted: 03 Jan 2018, 19:48
by Tetriss
А мощности аудиосигнала с плеера зватит ,чтоб не555 заработала? или туда нужно будет усилитель пихать?
Re: Вопрос — Ответ
Posted: 03 Jan 2018, 19:50
by Tetriss

- ionofon_circuit.gif (11.34 KiB) Viewed 81710 times
А какую лучше будет взять схему на ne555 или на 494?