DRSSTC от freeman401

А что мы делаем?
User avatar
freeman401
Posts: 56
Joined: 14 Aug 2012, 23:55
Location: Архангельск
Contact:

DRSSTC от freeman401

Post by freeman401 »

Прошлой весной меня посетила мысль о создании очень маленькой настольной музыкальной sstc. Я собрал прототип, у которого при первом же запуске расплавилась вторичка.
1.jpg
4.jpg
После замены вторички и ключей в силовухе был получен вот такой результат:
 Видео
Оно работало и давало разряд ~1.7 длины вторички.
Мне этого показалось мало и я решил переделать ее из SSTC в DRSSTC. Операция прошла успешно: катушка стала обладать двойным резонансом. Но вторичке стало туго... стримеры лезли в первичку отовсюду, откуда могли. Проблему решила пластиковая баночка и каркас от старой погорелой вторички.
 Видео
Оно стало выплевывать сочные 20см спарки(что составляет 2.5 длины вторики), но спасал от вылета транзисторов только разделительный транс мощностью 80Вт, ибо мозгов у меня тогда не особо было. Он обеспечивал заряд конденсаторов в питании, но в непрерывном режиме работы катушки отдавал ничтожный ток, который не мог бы спалить ключи. После этого проект был заброшен на полтора месяца потому, что именно столько времени мне шла посылка с деталями :D
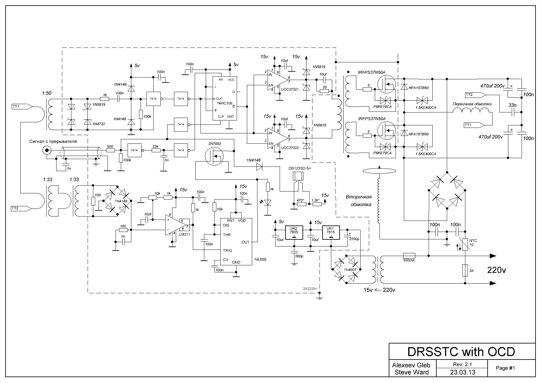
Вместо старого драйвера на одной UCC27425 был воткнут драйвер стива с синхронизацией и OCD
http://stevehv.4hv.org/DRSSTC3/DRSSTC-OCDsch.JPG
6.jpg

Вторичный контур был полностью заменен, т.к старую вторичку угробило пробоями.
Потом была возня с настройкой.
 
Которая сопровождалась подобными глюками:
Затем вся система была окончательно упакована в корпус:
7.jpg
 
Даже 3d модельку слепил ;)
8.jpg
А это в сравнении с настоящей
11.jpg

Схема на последний момент такая:
12.jpg
Максимальный зафиксированный на фото разряд(21см):
13.jpg
После этого получал около 27см с другим тором, но в тот момент фотоаппарата под рукой не было, на заснял.

Вот немножко музыки:
 Видео


Прерыватель:
14.jpg
15.gif
Осталось только привести характеристики.

Вторичка:
....высота - 103мм
....диаметр - 42мм
....провод - 0.17мм
....изоляция - лак полиуретановый 6 слоев

Первичка:
....тип - конусная
....высота - 13мм
....внешн. диаметр - 70мм
....внутр. диаметр - 46мм
....провод - 1.6мм

ММС:
....емкость - 33нф
....напряжение - 3кв
....конденсаторы - Epcos B32652-A 104-K

Тороид:
....диаметр - 62мм и 74мм
....диаметр трубы - 12мм и 17мм
....тип - цельный
....материал - медная проволока
....покрытие - скотч алюминиевый

Тумба:
....тип - циллиндр
....диаметр - 72мм
....высота - 55мм
....материал - гетинакс

Экспорт из считалки:

[Вторичный контур]=
[Вторичный контур]=
Индуктивность вторички=4392,36мкГн
Собственная емкость вторички=2,11пФ
Длина провода вторички=73,03м
Число витков вторички=611шт
Активное сопротивление вторички=36,6Ом
Добротность вторички=644
Емкость тороида=5,78пФ
Частота LC-резонанса=854,53кГц
Частота 1/4-резонанса=1026,96кГц
=
[Первичный контур]=
Индуктивность первички=1,03мкГн
Длина намотки первички=0,6м
Пиковый ток в первичке=2154,34А
Емкость ММС=33437,7пФ
Энергия ММС=2,4Дж
Прокачиваемая мощность=240,75Вт
Частота резонанса=854,53кГц

Все фото и видео этой катушки можно посмотреть тут
http://vk.com/album81396289_154764338
и тут
http://www.youtube.com/user/freeman40111

UPD(10.05.13)
После попыток повесить тор побольше и увеличить емкость ММС в ней сгорели мосфеты. Хочу заменить их на 50B60PD1. Потянут ли они 700-850кГц при импульсном токе до 100А?
Last edited by freeman401 on 16 May 2013, 18:02, edited 2 times in total.
User avatar
BSVi
Адепт
Posts: 3577
Joined: 15 Mar 2011, 12:32
Location: Киев

Re: SimpleTesla

Post by BSVi »

Они потянут 700-850кГц при импульсном токе до 100А?
Думаю, потянут, но фазокорректор обязательно нужен. Я решил так не извращаться, а просто сделать вторичку низкочастотнее.
User avatar
freeman401
Posts: 56
Joined: 14 Aug 2012, 23:55
Location: Архангельск
Contact:

Re: SimpleTesla

Post by freeman401 »

BSVi wrote:но фазокорректор обязательно нужен
Фазокорреткор будет. Над этим сейчас и работаю. Делаю LR предиктер
Кстати, как насчет FGH40N60SMD? По даташиту они малость пошустрее
User avatar
BSVi
Адепт
Posts: 3577
Joined: 15 Mar 2011, 12:32
Location: Киев

Re: DRSSTC от freeman401

Post by BSVi »

Да, кроме того, что шустрее, еще и дешевле. Вполне годные транзисторы, но есть небольшая проблемка - у нас их не достать просто так, ну и послабее 50B60PD1 чуточку.
User avatar
freeman401
Posts: 56
Joined: 14 Aug 2012, 23:55
Location: Архангельск
Contact:

Re: DRSSTC от freeman401

Post by freeman401 »

Приделал RL фазокорректор.
Он работает, но задержку переключения не исправляет. Сигнал на затворе лишь плавает относительно триггера осциллографа, а вместе с ним и ток первички.
Получается, предиктер никаким образом не может работать, т.к. сдвиг по фазе переключения ключей сдвигает по фазе ток в первичке, и все остаётся как было
User avatar
BSVi
Адепт
Posts: 3577
Joined: 15 Mar 2011, 12:32
Location: Киев

Re: DRSSTC от freeman401

Post by BSVi »

Значит, что-то не правильно сделал - схему в студию. У меня все прекрасно компенсировалось :) И поправь картинки в первом посте, пожалуйста :)

Да, возможно вот что - тебе нужно компенсировать больше четверти периода. При этом, RL фазокорреткор уже плохо работать. Хорошо он работает где-то до 1/8 периода - 160нс в твоем случае, что, действительно не так уж и много. Посмотри, сколько тебе компенсировать нужно?
User avatar
freeman401
Posts: 56
Joined: 14 Aug 2012, 23:55
Location: Архангельск
Contact:

Re: DRSSTC от freeman401

Post by freeman401 »

Схема цепи ОС такая сейчас
pt drsstc FB.GIF
pt drsstc FB.GIF (8.1 KiB) Viewed 30820 times
Компенсировать нужно около 150нс
User avatar
BSVi
Адепт
Posts: 3577
Joined: 15 Mar 2011, 12:32
Location: Киев

Re: DRSSTC от freeman401

Post by BSVi »

Это - довольно плохой компенсатор, он сможет работать при еще больших ограничениях на время компенсации. Проблема с ним в том, что для его работы нужна большая амплитуда сигнала, которая у тебя врядле есть. Очень правильно компенсатор сделал *та-дааа*, Стив. Вот посмотри тут. У этого компенсатора есть несколько "особенностей": он не зависит от амплитуды сигнала (диоды d1, d2), у него большое усиление и он заведется даже от мелкого сигнала, ну и у него есть защита от помех в момент переключения (с33). Вообщем, очень рекомендую собрать именно его на приличном компараторе.

Да, 150нс будет не просто компенсировать, к тому-же, сам компенсатор добавляет задержку. Вообщем, тут нужно эксперементировать. Пока я, всетаки, рекомендую собрать компенсатор Стива.
User avatar
freeman401
Posts: 56
Joined: 14 Aug 2012, 23:55
Location: Архангельск
Contact:

Re: DRSSTC от freeman401

Post by freeman401 »

Насколько я понял, компаратор является подобием триггера, но с низким порогом срабатывания? Можно ли вместо него поставить транзисторный повторитель с маломощным быстрым полевиком на входе? т.к. мне все равно не нужны два противофазных выхода, а настолько быстрого компаратора под рукой нет, заказывать долго и дорого.
User avatar
BSVi
Адепт
Posts: 3577
Joined: 15 Mar 2011, 12:32
Location: Киев

Re: DRSSTC от freeman401

Post by BSVi »

Боюсь, без компаратора нормально не получится. Там кроме высокого входа еще и усиление неплохое. А компараторов быстрых очень много, нужно только погуглить. Компаратор работает не как триггер, а как усилитель, он обеспечивает запуск, когда напряжение на входе еще очень маленькое, ну а засчет того, что там есть инвертирующий вход, прицеплена еще и цепочка подавления шума (я тестировал, без нее работает очень плохо).
User avatar
freeman401
Posts: 56
Joined: 14 Aug 2012, 23:55
Location: Архангельск
Contact:

Re: DRSSTC от freeman401

Post by freeman401 »

Не спорю, что быстрых компараторов очень много, но у меня на руках кроме лм311 нет ничего, а заказ из магазина будет две недели идти...
Буду пробовать сделать детектор на чувствительном полевике. Для начала погоняю его в симуляторе, а потом перенесу на реальный макет
User avatar
freeman401
Posts: 56
Joined: 14 Aug 2012, 23:55
Location: Архангельск
Contact:

Re: DRSSTC от freeman401

Post by freeman401 »

Пока на эту катушку я положил болт и решил превратить старую сстц(которая год стояла в убитом виде) в дрсстц.
В силовухе полумост на irgp50b60pd1, драйвер стива третьей версии(старый), только вместо ucc27322/27321 поставлена 27424 и усилитель на irf7379.
Вторичка 8.5х19см проводом 0.17, резонансная частота ~230кГц. Первичка намотана LAN кабелем, ММС 100нф.
Выжал максимум 70см с нее
70см - это длина канала стримера. До заземленной цели 57см.
70см - это длина канала стримера. До заземленной цели 57см.
Стабильно может выдавать 40см

-----------------------------------------
Кишки
Кишки
User avatar
BSVi
Адепт
Posts: 3577
Joined: 15 Mar 2011, 12:32
Location: Киев

Re: DRSSTC от freeman401

Post by BSVi »

Очень круто :) Фактически ,аналог симплтесла получился, но частота ниже, отчего и стример больше. Так держать :)
User avatar
BSVi
Адепт
Posts: 3577
Joined: 15 Mar 2011, 12:32
Location: Киев

Re: DRSSTC от freeman401

Post by BSVi »

Кстати, интересно, а какая частота и длинна накачки на максимальных стримерах в видео?
User avatar
freeman401
Posts: 56
Joined: 14 Aug 2012, 23:55
Location: Архангельск
Contact:

Re: DRSSTC от freeman401

Post by freeman401 »

Максимальный бпс около 700
Длительность накачки примерно 100мкс, точно не могу сказать, не измерял
User avatar
freeman401
Posts: 56
Joined: 14 Aug 2012, 23:55
Location: Архангельск
Contact:

Re: DRSSTC от freeman401

Post by freeman401 »

По ходу дела придумал универсальный предиктер.
Он годен к работе на частотах от 100 до 500кгц (с данными номиналами).
Доступна индивидуальная корректировка задержек включения и выключения.
При помощи него можно компенсировать задержки вплоть до единиц мкс.
Безымянный.jpg
User avatar
BSVi
Адепт
Posts: 3577
Joined: 15 Mar 2011, 12:32
Location: Киев

Re: DRSSTC от freeman401

Post by BSVi »

Ухты, действительно простое и элегантное решение! И, главное. должно работать. Когда будешь тестировать?
User avatar
freeman401
Posts: 56
Joined: 14 Aug 2012, 23:55
Location: Архангельск
Contact:

Re: DRSSTC от freeman401

Post by freeman401 »

Думаю, ближе к новому году, когда буду делать парные средние DR
User avatar
freeman401
Posts: 56
Joined: 14 Aug 2012, 23:55
Location: Архангельск
Contact:

Re: DRSSTC от freeman401

Post by freeman401 »

В симуляторе эта схема отлично работает, а при переносе в железо D триггер упорно отказывается работать, как ему положено. На выходе Q просто инверсия сигнала с ног D и CLR
Перепробовал три различных триггера, 74F74, 74HC74 и 74HC74, выпаянный откуда-то. На всех одинаковая картина.
А вот выходы компараторов полностью соответствуют симуляции
Что может быть не так?
User avatar
BSVi
Адепт
Posts: 3577
Joined: 15 Mar 2011, 12:32
Location: Киев

Re: DRSSTC от freeman401

Post by BSVi »

Много не думал, но думаю, что проблема в том, что на в твоей схеме вход CLK инвертированный а в реальной микросхеме - нет.
User avatar
freeman401
Posts: 56
Joined: 14 Aug 2012, 23:55
Location: Архангельск
Contact:

Re: DRSSTC от freeman401

Post by freeman401 »

Ха! А ведь действительно так. Вот уж не ожидал такой подставы от National Instruments...
User avatar
BSVi
Адепт
Posts: 3577
Joined: 15 Mar 2011, 12:32
Location: Киев

Re: DRSSTC от freeman401

Post by BSVi »

Кстати, еще два классных свойства твоего предиктора в том, что это ФНЧ и вероятность пропустить ВЧ помехи резко уменьшаются по сравнению с LR вариантом. Кроме того, время предсказания не зависит от частоты входящего синнала, что тоже очень круто. Вообщем, отличная шутка должна быть!
User avatar
freeman401
Posts: 56
Joined: 14 Aug 2012, 23:55
Location: Архангельск
Contact:

Re: DRSSTC от freeman401

Post by freeman401 »

Опять ничего не понимаю...
Если в симуляции добавить инвертор перед входом clk, то все равно получается более-менее правильный сигнал, только у переднего фронта регулируется задержка, а не опережение. На макете сигнал подается на плюсы компараторов(чтобы убрать инвертирование одного компаратора), но результат такой-же. При перекидывании CLR на CLK, выходной сигнал на Q является инверсией сигнала на CLK, а не на D, как раньше. Если оставить CLR висеть в воздухе, то на выходах ничего нет.
А вот если взять триггер, у которого только CLK, D и Q? Поможет?

UPD: Оказалось, надо было кинуть PRE на плюс питания :lol: . Все работает, хотя симулятор выдает прямо противоположный результат.
User avatar
BSVi
Адепт
Posts: 3577
Joined: 15 Mar 2011, 12:32
Location: Киев

Re: DRSSTC от freeman401

Post by BSVi »

Я бы делал вот так:
Attachments
pred.png
pred.png (5.38 KiB) Viewed 29845 times
User avatar
freeman401
Posts: 56
Joined: 14 Aug 2012, 23:55
Location: Архангельск
Contact:

Re: DRSSTC от freeman401

Post by freeman401 »

Как-то не очень выходит такое включение входных цепей, но подключение триггера интересное.
По-хорошему, я бы добавил детектор нуля, чтобы не зависеть от амплитуды входного сигнала, а то в этих конфигурациях сдвиг фазы немного зависит от амплитуды сигнала. Либо же заменить 2n7002 на полевик с напряжением открытия <500мВ
Post Reply