avatar
/var/www/tqfp.org/templates/compiled/bsvi/0d05b75eab3b2725749144bfae7199a59edeab1e_0.file.profile_top.tpl.php on line 35

Warning: Attempt to read property "value" on null in /var/www/tqfp.org/templates/compiled/bsvi/0d05b75eab3b2725749144bfae7199a59edeab1e_0.file.profile_top.tpl.php on line 35
">
Рейтинг
0.00
Сила
0.00

Публикации

avatar
всем добрый вечер
avatar
поздно))) там ещё косяк ОС не туда подключена не на тот вывод конденсатора. да и мне проще с выводами резистор кинуть. распечатал 4 листочка. думаю хватит для одной платки. сегодня вечером буду пробовать
avatar
да как так? ты прям зеркально значит рисовал?.. ну всё тогда пошёл с плейбоем в бухгалтерию))))
avatar
блин. а плату то мне ж надо в зеркале делать. для ЛУТ технологии. огромная просьба отзеркалить.
avatar
СЕРГЕЕЕЕЕЙ!!! огромнейшая тебе благодарность… нереально крутая по моим меркам плата вышла.

прошу ПДФку выложить где нить. завтра на работе бы уже распечатался.
avatar
avatar
так тебе ж можно только экран вещать
avatar
ауу. пора уже:)))))
avatar
сам тока такую неожиданность узнал общаясь в скайпе с товарищем из одессы
avatar
сергей так когда начнём у нас часы не переводят. у меня через 20 минут 21 час будет. а у вас на два часа разница теперь тоесть у вас сейчас 18.40
avatar
уже сижу готовлюсь



схема
avatar
тогда вообще всё отлично!!!
avatar
только бы опять не проспать начало конференции.

bsvi несколько вопросов по той программе в котороый ты работает

1. может ли она сохранить печатную плату в каком нить формате чтоб я смогу напечатать на любом компе её(дома лазерного нет)
2. есть ли безплатная или какая нить демо версия чтоб можно было где то подправить на крайний случай?
3. где скачать безплатную (если есть) или иную(не будем говорить какую :) ) версию
avatar
моё видео с ламповым усилком тоже нарушает правило))) кучу просмотров а денежка от этого не капает… обидно))))
avatar
вивальди через ламповый усилитель www.youtube.com/watch?v=C_LMxy4UIRs

притащил демострационный из школы)))
avatar
у а три у эс игрек вот так правильно ))))
avatar
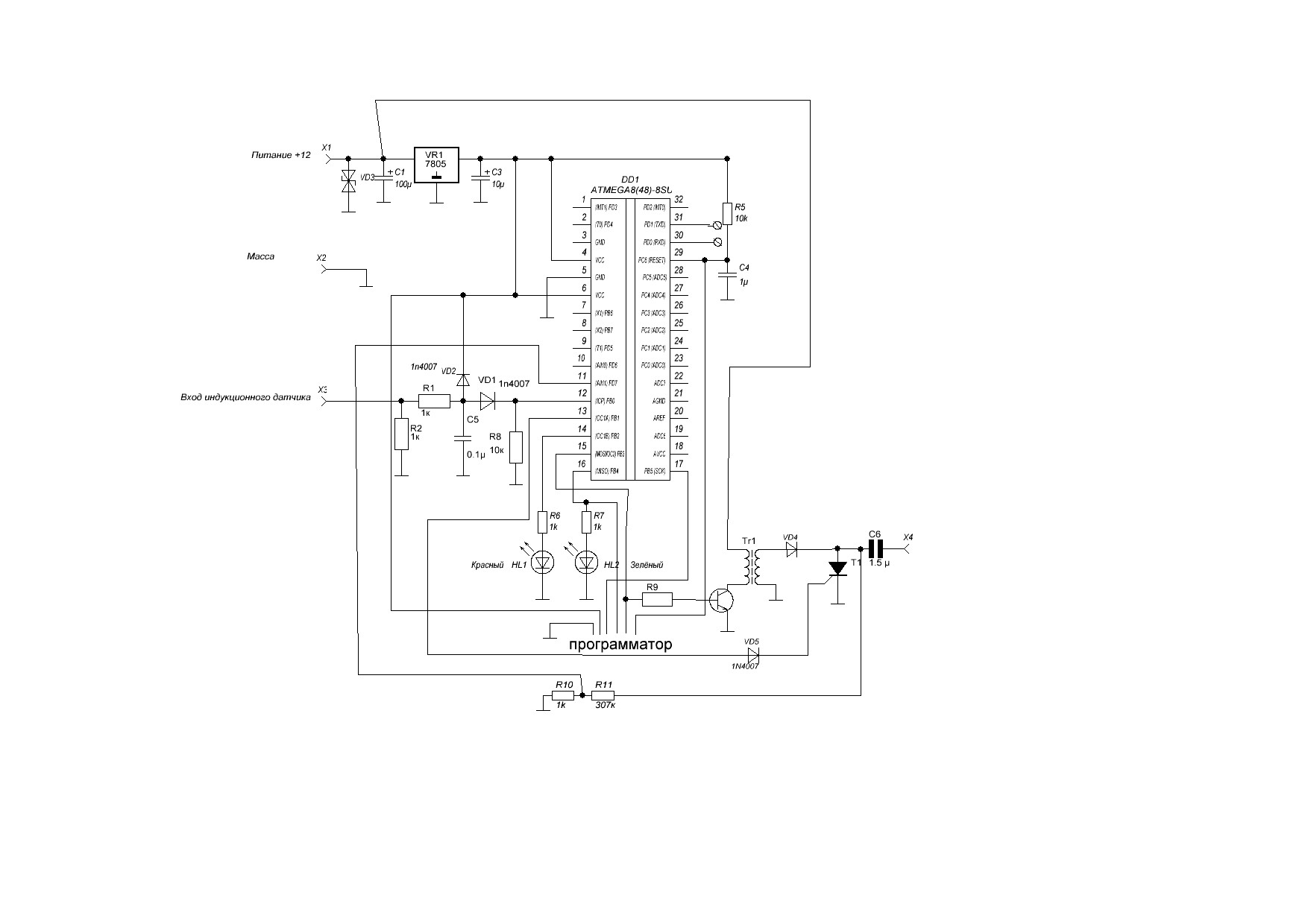
Сергей. покритикуй схему зажигания точнее преобразователь высоковольный. tqfp.org/forum/viewtopic.php?f=39&t=505&p=7168
avatar
только что проснулся подключится то как?
avatar
вот это отличная идея:)
avatar
предлагаю сделать тренировочную встречу без смысла просто попробывать добавить народ проверить связь. чтоб в нужное время быть готовым и знать какие кнопки жмать